|
Facultatea de Utilaj Tehnologic |
TRANSPORTOR CU BANDA B 1200 - |
Pag 1 |
|
Cuprins T.B.B.1200-8m - C. |
|
Borderoul documentatiei de baza _ _ _ _ _ _ _ _ _ _ _ _ _ _ _ _ _ pag.3
TEMA DE PROIECT_ _ _ _ _ _ _ _ _ _ _ _ _ _ _ _ _ _ _ _ _ _ _ pag.4
MEMORIUL de prezentare_ _ _ _ _ _ _ _ _ _ _ _ _ _ _ _ _ _ _ _ pag.5
Caiet de sarcini_ _ _ _ _ _ _ _ _ _ _ _ _ _ _ _ _ _ _ _ _ _ _ _ _ _ _ pag14
Notita tehnica_ _ _ _ _ _ _ _ _ _ _ _ _ _ _ _ _ _ _ _ _ _ _ _ _ _ _ _ pag.23
Fisa documentare tehnica_ _ _ _ _ _ _ _ _ _ _ _ _ _ _ _ _ _ _ _ _ _ pag.28
Cap. I .
Calculul latimii benzii de transport_ _ _ _ _ _ _ _ _ _ _ _ pag.30
Cap. II.
Calculul puterii motorului necesar antrenarii benzii
de transport_ _ _ _ _ _ _ _ _ _ _ _ _ _ _ _ _ _ _ _ pag.36
Cap. III.
Calculul puterii motorului prin determinarea
rezistentelor pe contur_ _ _ _ _ _ _ _ _ _ _ _ _ _ pag.41
Cap. IV.
Calculul elementelor componente ale transportorului
de banda _ _ _ _ _ _ _ _ _ _ _ _ _ _ _ _ _ _ _ _ _ pag. 47
-Calculul tamburului de antrenare
-Calculul tamburului de intoarcere
-Calculul tamburului de deviere
Cap. V.
Solicitarile la care este supus tamburul de antrenare
in timpul functionarii _ _ _ _ _ _ _ _ _ _ _ _ _ _ _ pag. 49
|
Facultatea de Utilaj Tehnologic |
Cuprins T.B.B.1200-8m - C. |
|
Pag 2 |
Cap. VI.
Solicitarile la care este supus tamburul de intoarcere
in timpul functionarii _ _ _ _ _ _ _ _ _ pag. 59
Cap. VII.
Solicitarile la care este supus tamburul de deviere
In timpul functionarii_ _ _ _ _ _ _ _ _ _ pag. 62
Cap. VIII. Rolele de sustinere_ _ _ _ _ _ _ _ _ _ _ _ _ _ _ _ _ pag.66
Cap. IX. Jgheab de alimntare_ _ _ _ _ _ _ _ _ _ _ _ _ _ _ _ _ pag.69
Fise tehnologice _ _ _ _ _ _ _ _ _ _ _ _ _ _ _ _ _ _ pag.70
Bibliografie_ _ _ _ _ _ _ _ _ _ _ _ _ _ _ _ _ _ _ _ _ pag.73
|
Facultatea de Utilaj Tehnologic |
TRANSPORTOR CU BANDA B 1200 - |
Pag 5 |
|
MEMORIU DE PREZENTARE T.B.B.1200-8m - 0 - M.P. |
|
Prin tema de proiect mi s-a indicat proiectarea unui transportor cu banda destinat transportului materialului calcaros , in urma extragerii sale din cariere.
Transportorul cu banda este unul din cele mai raspandite tipuri de instalatii de transport continuu. El este destinat atat pentru deplasarea sarcinilor granuloase cat si pentru deplasarea celor individuale.
Transportorul cu banda se intrebuinteaza pentru deplasarea orizontala sau inclinata , sub un unghi care nu trebuie sa fie mai mare decat unghiul pentru care sarcinile granuloase sau individuale ce se deplaseaza incep sa alunece pe banda.
Banda trebuie sa asigure functionarea instalatiilor in conditii de securitate si de eficienta economica maxima . Pentru aceasta banda transportorului trebuie sa fie flexibila , rezistenta si durabila.
Banda necesita o intindere prealabila , nu suporta incarcari unitare prea mari , nu pot transporta materiale fierbinti si materiale chimic agresive , nu pot fi folosite in conditii de temperature scazuta.
Cea mai mare raspandire la transportoarele cu banda , o are banda textila cauciucata . Ea se confectioneaza din straturi de panza de bumbac , unite intre ele prin vulcanizare cu cauciuc natural sau sintetic .
Benzile fara acoperire de cauciuc se pot intrebuinta numai in conditii de utilizare deosebit de favorabile . Dupa felul de asezare al panzelor in banda se deosebesc benzi din panze separate si benzi din panze infasurate .
Numarul straturilor intermediare din banda de care depinde rezistenta ei , se alege in functie de latimea benzii , crescand odata cu aceasta . Banda trebuie sa aiba un anumit grad de elasticitate , sa nu fie prea mare , pentru ca marginile ei sa nu se inconvoaie in jos .
|
Facultatea de Utilaj Tehnologic |
MEMORIU DE PREZENTARE T.B.B.1200-8m - 0 - M.P. |
|
Pag 6 |
Din aceasta cauza , in cazul sarcinilor individuale grele si ale celor granuloase cu bucati mari si grele , trebuie ca indiferent de numarul straturilor cerut din conditia de rezistenta , sa se ia mai multe straturi intermediare decat in cazul sarcinilor usoare
La transportoarele cu banda , atunci cand banda se calculeaza la rezistenta ,
coeficientul de siguranta la rezistenta se adopta in functie de urmatoarele cauze :
-o distributie partiala uniforma a efortului intre straturi , existenta in banda in
afara de efortul de tractiune si a unui alt efort de care nu s-a tinut seama , produs de
incovoierea benzii pe rotite de actionare , slabirea benzii prin obosire si printr-o uzura
partiala precum si slabirea benzii in punctele de innadire.
Tipurile obisnuite de benzi care se confectioneaza pot functiona normal
la temperaturi medii , adica aproximativ de la -20
pana la + 50
.+60
C . Cand temperaturile sunt mai coborate sau mai ridicate ,
este necesar sa se intrebuinteze tipuri speciale de benzi .
Atat
din motive tehnologice cat si din cauza conditiilor de transport , benzile se
confectioneaza din bucati lungi de cel mult
Chiar si la transportoarele scurte banda are cel putin o innadire , pentru ca montarea pe transportor a unei benzi fara sfarsit se complica in mod simtitor . Innadirea cea mai logica a capetelor benzii se face prin incleiere si vulcanizare sau prin coasere .
In acest scop , ambele capete ale benzii , ce trebuie innadite , se taie oblic in trepte si se suprapun unul peste altul , astfel ca numarul straturilor din punctual de innadire si prin urmare si grosimea benzii sa se mentina aceeasi .
Apoi locul de innadire se incleiaza si se vulcanizeaza cu un aparat special de forma unei prese , care realizeaza simultan o presiune si o temperatura inalta.
|
Facultatea de Utilaj Tehnologic |
MEMORIU DE PREZENTARE T.B.B.1200-8m - 0 -M.P. |
|
Pag 7 |
In lipsa unui aparat de vulcanizare , innadirea capetelor de banda se face prin incleiere cu clei de cauciuc si prin coaserea punctului de innadire cu cureluse .
Sunt adesea folosite innadirile metalice , sub forma de articulatii sau de cleme.
In scopul de a evita patrunderea in banda a umezelii , ceea ce ar produce putrezirea panzelor , este bine ca locul de innadire sa se acopere cu o pasta care sa impiedice patrunderea umezelii sau sa se vulcanizeze cu cauciuc .
In
ultima vreme au inceput sa fie produse si la noi in
-cu profile transversale
- cu racleti
-cu bare longitudinale si
transversale , care permit marirea unghiului de inclinare a transportorului
pana la 70![]()
-cu bordura ondulata
-cu bordura ondulata si profile transversale
Aceste benzi de constructie speciala determina cresterea debitului transportorului , in comparative cu banda simpla .
Dezavantajul benzilor de constructie speciala il constituie costul lor ridicat ca urmare a complexitatii procesului tehnologic de fabricatie , precum si necesitatea unei constructii speciale a rolelor de sustinere , mai ales a celor de pe ramura de intoarcere .
In cazul benzilor , ca organe de rezemare se folosesc rolele , iar ca organe de dirijare , tamburul.
|
Facultatea de Utilaj Tehnologic |
MEMORIU DE PREZENTARE T.B.B.1200-8m - 0 - M.P. |
|
Pag 8 |

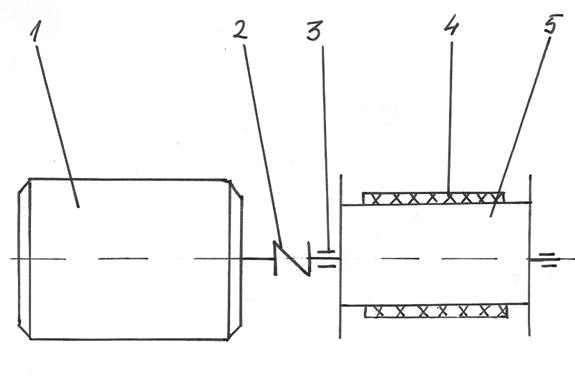
1-MOTOREDUCTOR TIP 2L-Ax20-3x1500-H05
2-CUPLAJ ELASTIC CE4 CL40
3-LAGARE DE ROSTOGOLIRE
4-ORGANUL DE LUCRU(BANDA)
5-TAMBUR
|
Facultatea de Utilaj Tehnologic |
MEMORIU DE PREZENTARE T.B.B.1200-8m - 0 - M.P. |
|
Pag 9 |
CARACTERISTICI TEHNICE :
Materialul de transportat - calcar
Densitatea -
Temperatura
mediului ambient -
Regim lucru - continuu
Capacitatea de transport - Q=250t/h
Viteza de regim - v=1,2m/s
Unghi de
taluz natural -
Transportorul
pe care l-am proiectat B1200 -
Este un transportor stationar pentru ca nu prezinta organ de tractiune .
Transportorul cu banda B 1200 -
La partea superioara , acest support dispune de un lagar de alunecare . Acest lagar are rolul de a sprijni prin intermediul unui cuzinet , fusul de sustinere a cadrului .
In partea laterala a suportului se ataseaza lagarul vinciului cu surub , reprezentat in desen nr. T.B.B. 1 - 8.0 , prin intermediul a patru suruburi.
|
Facultatea de Utilaj Tehnologic |
MEMORIU DE PREZENTARE T.B.B.1200-8m - 0 - M.P. |
|
Pag 10 |
Acest
vinci cu surub are rolul de a transforma miscarea de rotatie primita de la un
motoreductor in doua trepte 2L - Ax20 - 3x1500 - H05 , in miscare de translatie
, prin intermediul surubului cu profil patrat 80x10 , unde
Aceasta miscare de translatie
determina cadrul transportorului cu banda , sa se basculeze in functie de cursa vinciului la o diferenta de nivel de
Partile componente ale vinciului cu surub sunt :
- motoreductorul cu doua trepte 2L - Ax20 - 3x1500 - H05
- cuplaj elastic CE4 CL40
- lagarul de rostogolire 1
- rulment radial axial cu rple conice 32212
-rulment radial axial cu pole conice 32214
- lagarul de alunecare 2 care se prinde prin intermediul a 4 suruburi pe cadrul
transportorului
|
Facultatea de Utilaj Tehnologic |
MEMORIU DE PREZENTARE T.B.B.1200-8m - 0 - M.P. |
|
Pag 11 |
Cadrul transportorului cu banda , are rolul de a sustine elemental flexibil al transportorului ( banda ) si este alcatuit din urmatoarele :
-sasiu cap antrenare
-sasiu cap intindere , pe care se sprijina lonjeroane , 2 si lonjeroane inferioare 2
Pe aceste lonjeroane sunt sudate prin intermediul unor gusee , elemente de sustinere :
-montanti ( sunt elemente verticale )
-traverse
-diagonale
Pe sasiul de intindere se fixeaza tamburul de intindere a benzii , precum si contragreutatea care are rolul de a asigura stabilitatea functionarii in siguranta a transportorului cu banda .
Pe sasiul de antrenare se fixeaza electrotamburul ETA 120x50 - 7,5x1,2 precum si tamburul de deviere TD 120x32 . Electrotamburul primeste miscarea de rotatie de la motor prin intermediul unui redactor si a unui cuplaj .
Pe cadrul transportorului , la partea superioara , se gasesc role jgheab pentru sustinerea benzii ( in numar de 60 bucati ) .
|
Facultatea de Utilaj Tehnologic |
MEMORIU DE PREZENTARE T.B.B.1200-8m - 0 - M.P. |
|
Pag 12 |
La partea inferioara a cadrului
transportorului se gasesc patru role de sustinere a benzii . Rolele se executa
din teava , cu diametre intre 60 .
Transportorul cu banda contine si organe auxiliare ,cum ar fi :
jgheab de alimentare JA.FP/RSJ3-120x120
stergator de banda St TA 12x32
descarcator cu carucior mobil DCM.B-120x120-A
dispozitive de siguranta
La transportorul cu banda , dispozitivele de intindere au rolul de a asigura forta de aderenta necesara intre banda si tamburul motor , asigurandu-se astfel transmisia prin fictiune evitandu-se patinarea benzii pe tambur . La transportoarele cu banda stationarea utilizeaza dispozitive de intindere cu greutate , care pot fi verticale sau orizontale . Avantajul intinderii cu greutate consta in mentinerea unei intinderi permanente a benzii , indiferent de umiditate , temperatura sau de gradul de incarcare a benzii.
Transmiterea fortei de miscare la banda se face , prin frecare in timpul infasurarii benzii pe toba de actionare , care este in pusa in miscare de rotatie de catre un motor . Elementele componente ale actionarii sunt :
-toba ( in unele cazuri sunt doua tobe )
|
Facultatea de Utilaj Tehnologic |
MEMORIU DE PREZENTARE T.B.B.1200-8m - 0 - M.P. |
|
Pag 13 |
-motorul
-mecanismul de transmitere dintre motor si toba .
In cazul
transportorului B1200-
Pentru ca electrotamburul sa antreneze in miscare banda de transport , intre aceste organe trebuie sa existe o aderenta suficienta . Am folosit un singur electrotambur pentru ca transportorul proiectat este relative scurt ca lungime si cu debit moderat .
|
Facultatea de Utilaj Tehnologic |
TRANSPORTOR CU BANDA B 1200 - |
Pag 14 |
|
CAIET DE SARCINI T.B.B.1200-8m - 0 - C.S. |
|
DEFINIRE SI DOMENIU DE UTILIZARE
Transportorul cu banda este o instalatie de transport continua . El este destinat pentru deplasarea sarcinilor granuloase cat si pentru deplasarea celor individuale .
Prezentul
proiect are ca obiect un transportor cu banda b1200 -
2.COMPONENTA
Transportorul cu banda B1200 -
-banda
-organ de rezemare
- dispozitiv de intindere
-dispozitiv de actionare
Organul de actionare este compus din urmatoarele elemente :
-electrotambur
-motor
-toba
-mecanism de transmisie dintre motor si toba
|
Facultatea de Utilaj Tehnologic |
CAIET DE SARCINI T.B.B.1200-8m - 0 - C.S. |
|
Pag 15 |
3. CARACTERISTICI TEHNICE
Materialul de transportat - blocuri de calcar
Densitatea -
Temperatuta
mediului ambient -
Regim de lucru - continuu
Capacitatea de transport - Q=250 t/h
Viteza de regim - v=1,2 m/s
4. CARACTERISTICILE MATERIALULUI DE TRANSPORTAT
Granulatia
maxima -
Masa
volumetrica -
Unghiul de
taluz natural -
Coeficientul de mobilitate - k=0,20
Unghiul de
frecare interioara -
Vinci cu surub 8 tf
Forta in surub 8tf
Viteza de ridicare 0,75 m/min
Cursa
maxima
Putere motor electric 7,5 KW
Tensiunea nominala 380 V
|
Facultatea de Utilaj Tehnologic |
CAIET DE SARCINI T.B.B.1200-8m - 0 - C.S. |
|
Pag 16 |
5.LISTA FURNIZORILO PENTRU UNELE SUBANSAMBL
Motoreductor 2L-Ax20-3x1500-H05
"NEPTUN " CAMPINA
Rulment radial-axial cu role conice
32212 "RUL"
Limitator de cursa "ELECTROAPARATAJ"
6.INSTRUCTIUNI DE MONTAJ
Executia elementelor tip pentru transportoarele cu banda se va face de catre o uzina specializata in transportoare cu banda , denumita "furnizor" .
Toate prescriptiile de pe desene , referitoare la executie , asamblare , trebuie respectate intocmai in tolerantele admisibile .
|
Facultatea de Utilaj Tehnologic |
CAIET DE SARCINI T.B.B.1200-8m - 0 - C.S. |
|
Pag 17 |
La piesele turnate nu sunt admise defecte referitoare la :
-goluri in corpul piesei
-incluziuni
-crapaturi
-defecte geometrice
-defecte de suprafata
Remedierea defectelor de turnare se face prin sudare , dupa care piesa va fi supusa la o recoacere de detensionare .
Repararea prin sudare a arborilor nu este permisa .
Electrozii pentru sudura se aleg in functie de materialul de baza utilizat .
Inante
de asamblare se face o verificare a pieselor care formeaza ajustaje . Montarea
rulmentilor pe arbori se face prin incalzirea lor in ulei la temperaturi de 80
.90
C , cu dispozitive speciale evitandu-se si deformariel
plastice .
In lagarele cu rulmenti se introduce unsoare , minim 50 % din capacitatea libera .
Tamburii de antrenare nu trebuie sa
prezinte batai radiale si axiale mai mari de
Tamburul de deviere nu trebuie sa prezinte bataie radiala si axiala mai mare de 0,003 ( mm ) . Piesele in rotatie ale tamburilor nu trebuie sa se frece de piesele fixe .
Fiecare rola complet asamblata nu trebuie sa
prezinte batai axiale si radiale mai mari de
|
Facultatea de Utilaj Tehnologic |
CAIET DE SARCINI T.B.B.1200-8m - 0 - C.S. |
|
Pag 18 |
La asamblarea rolelor se tine seama ca piesele in rotatie san u atinga piesele fixe .
Bandajele de cauciuc de la role trebuie sa fie montate cu strangere peste camasa rolei ca san u se deplaseze axial . Fiecare rola dupa asamblare se supune la un rodaj de cel putin 24 ore . Introducerea si scoaterea rolelor din locasurile suporturilor trebuie sa se faca usor .
Suprafata de asezare pentru reductorul de turatie trebuie sa se faca intr-un acelasi plan orizontal , care trebuie sa fie parallel cu planul orizontal format de suprafete de asezare a motorului .
Axa de rotatie a motorului electric sa fie coaxiala cu axa de mare turatie de la reductor .
Grupul de antrenare trebuie supus la o proba de functionare in gol de 24 ore urmarindu-se inlaturarea :
- incalzirii reductorului peste limitele permise
- frecarii pieselor in rotatie de cele fixe
-zgomotelor anormale
La piesele executate prin sudare nu se vor accepeta defecte de sudura
conform STAS 6662-74 . Abaterile limita la imbinarile sudate , clasa mijlocie de executie , sunt conform STAS 9101-71 .
Tehnologia de sudura va urmari pe cat posibil sa evite deformatiile . Toate piesele realizate atat prin sudura sau prelucrari mecanice vor fi supuse controlului ethnic de calitate inainte de a fi montate in subansamble . Inainte de montaj piesele vor fi curatate
Cuplajul elastic CE4 CL40 este realizat din OL35 , iar avantajul folosirii cuplajelor elastice este ca permit o compensare a unor mici inexactitati in montarea arborilor .
|
Facultatea de Utilaj Tehnologic |
CAIET DE SARCINI T.B.B.1200-8m - 0 - C.S. |
|
Pag 19 |
Ungerea rulmentilor se face cu unsoare RUL 100 Ca 3 STAS
Lipirea aparatorilor de panza se va face cu prenandez .
Folosirea curentului trifazat de 380 V are urmatoarele avantaje :
- motorul este de constructie simpla
- costul lui este mai mic in comparatie cu costul motoarelor de curent
continuu
- transmiterea si distributia la distante mari a curentului alternativ este cu
mult mai simpla si mai ieftina .
7. INSTRUCTIUNI DE EXPLOATARE
Se face rodajul transportorului cu banda in gol , pentru a verifica incalzirea lagarelor , functionarea corecta a transmisiei si functionarea ungerii .
Se verifica rigiditatea cadrului de sustinere . Inainte de pornirea masinii se acorda o atentie deosebita organului de tractiune si sistemului de ungere .
Banda transportorului nu trebuie sa fie intinsa exagerat , pentru ca va creste
continuu consumul de energie , slabeste locul de asamblare si banda devine foarte sensibila fata de montarea incorecta a rolelor .
La transportorul cu banda in forma de jgheab , prin intinderea exagerata a benzii se micsoreaza sectiunea acestuia , ceea ce atrage dupa sine scaderea productivitatii instalatiei'
In timpul functionarii transportorului cu banda trebuie urmarit ca toate rolele sa se invarteasca . Dcaca nu , nerotirea unei role duce la uzura rapida a stratului protector de cauciuc a benzii .
|
Facultatea de Utilaj Tehnologic |
CAIET DE SARCINI T.B.B.1200-8m - 0 - C.S. |
|
Pag 20 |
In cazul functionarii
transportorului cu banda flexibila la o temperature sub
C, banda trebuie ferita de umezeala , caci formarea unei cruste de gheata pe banda duce la aparitia de fisuri in banda , care pot provoca ruperea benzii.
In cazul unei functionari de durata a transportorului , reviziile periodice , lucrariile de curatire si reconditionare a ungerii , trebuie sa se execute la urmatoarele intervale :
pentru role .......................6 luni
pentru tambur.........................3 luni
pentru elementele transmisiei.............20 ore functionale
Dupa prima luna de functionare , transportorul cu banda trebuie verificat cu
Pag 21
INSTRUCTIUNI DE PROTECTIA MUNCII
Pentru verificarea reviziilor si reparatiilor , personalul manevrant nu are voie sa-si exercite fer.. , fara instructaj privind protectia muncii si fara fisa de protectia muncii.
lucra cu legaturi improvizate la instalatia electrica a transportorului cu banda.
Se utilizeaza un stergator pentru curatirea suprafetei active a benzi de transport care se desfasoara de pe tamburul de antrenare . Ca elemente principale , stergatorul are in componenti un stergator din cauciuc , un port-stergator , doua ghidaje si doua arcuri elicoidale .
In cazul transportoarelor cu banda se folosesc descarcatoare cu carucior mobil care este alcatuit din :
-doua osii , una motoare si cealalta libera
-grupul antrenare pentru deplasarea caruciorului pe calea de rulare
-doua tambure libere
-o palnie pentru descarcarea materialului
|
Facultatea de Utilaj Tehnologic |
CAIET DE SARCINI T.B.B.1200-8m - 0 - C.S. |
|
Pag 22 |
In vederea deplasarii pe calea de rulare a caruciorului mobil , acesta este actionat prin autopropulsie de un grup de antrenare montat pe caruciorul descarcatorului . Palnia de descarcare a materialului este alcatuita dintr-o palnie propriu-zisa si dintr-o aparatoare.
Prevenirea si lichidarea incendiilor la transportoarele cu banda se poate face prin:
-folosire de benzi greu inflamabile
-folosirea de detectoare de fum si flacari
-controlul aglomerarii materialului
-controlul ruperii benzii
-devierea benzii de la aliniament
-oprirea transportorului de pe traseu
|
Facultatea de Utilaj Tehnologic |
TRANSPORTOR CU BANDA B 1200 - |
Pag 23 |
|
NOTITA TEHNICA T.B.B.1200-8m - 0 - N.T. |
|
CONDITII DE EXPLOATARE
Transportorul cu banda B 1200-8m , este destinat a lucra in fabrici , depozite , cariere , balastiere pe santier .El lucreaza in conditii de praf si este supus unei actiuni puternice a agentilor atmosferici , atunci cand lucreaza in mediul exterior .
Conditiile de utilizare si intretinere in exploatare rezulta din cartea tehnica a utilajului .
La darea in exploatare a transportorului , sau dupa o intrerupere indelungata a exploatarii , personalul manevrant insarcinat cu supravegherea transportorului trebuie sa controleze daca :
-toate suruburile de asamblare sunt bine stranse
-ungerea organelor de masini in miscare relativa sa fie
asigurata cu cantitatea necesara de lubrifiant
-banda de transport sa nu vina in contact cu piese fixe de care sa se frece
Se recomanda ca pornirea si oprirea transportorului sa se faca in stare neincarcata .
La punerea in functiune a transportorului baia de ulei a reductorului trebuie sa aiba ulei complet pana la limita superioara a indicatorului de nivel , toate lagarele sa contina unsoare curata.
La capetele unde se face descarcarea materialului cat si la capatul de antrenare , materialul care se aduna sub tambur trebuie indepartat periodic pentru a nu se ajunge la situatia ca banda sa se uzeze.
|
Facultatea de Utilaj Tehnologic |
NOTITA TEHNICA T.B.B.1200-8m - 0 - N.T. |
|
Pag 24 |
In cazul unei functionari de durata a transportorului , reviziile periodice , lucrarile aferente de demontare , curatire , reconditionare ungere , sa se execute la urmatoarele intervale
-pentru role.............6 luni
-pentru tamburi..........3 luni
-pentru elementele transmisiei....20 ore functionare
Pentru intretinerea in bune conditii a transportorului cu banda in timpul exploatarii , este bine ca beneficiarul sa-si intocmeasca un grafic anual pentru revizii si reparatii periodice .
Dupa prima luna de functionare , transportorul cu banda trebuie verificat cu amanuntire ; asamblarile mecanice si baia reductorului se spala cu petrol , iar rulmentii cu benzina , se face o verificare atenta a aspectului pieselor si se schimba intregul lubrifiant.
Este necesar ca beneficiarul sa-si intocmeasca un grafic pentru intretinere in timpul exploatarii , din care sa rezulte intervalele de timp la care se face:
verificarea stangerii suruburilor
ungerea mecanismelor
schimbarea integrala a lubrifiantului
verificarea etansarii lagarelor si reductorului
intinderea benzii de transport
verificarea gradului de uzura abenzii
|
Facultatea de Utilaj Tehnologic |
NOTITA TEHNICA T.B.B.1200-8m - 0 - N.T. |
|
Pag 25 |
verificarea starii cuplajelor
evacuarea materialului cazut sub transportor , din diverse motive
verificarea starii de functionare a motorului electric, reductorului
PRESCRIPTII PENTRU TEHNICA
SECURITATII MUNCII
Personalul manevrat si cel pentru executia reviziilor si reparatiilor nu au voie sa-si exercite functia fara instrutaj privind protectia muncii si fara fisa de protectia muncii.
Toate piesele aflate in miscare de rotatie , usor accesibile , trebuie prevazute cu aparatori, sau panouri de protectie . Orice interventie privind functionarea , intretinerea , revizia sau repararea transportorului cu banda este permisa numai cand acesta se gaseste in repaus .
Se interzice functionarea transportorului cu banda cu defecte de izolatie la instalatia electrica .
Orice interventie privind echipamentul electric al transportorului si instalatia de alimentare se face numai de personalul calificat in aceasta specialitate.
Beneficiarul este obligat sa redacteze instructiuni speciale privind tehnica securitatii si protectia muncii , pe care sa le afiseze in locuri vizibile , odata cu darea in exploatare a transportorului cu banda . Aceste instructiuni trebuie revizuite si completate in timpul exploatarii in functie de necesitatile utile .
In vederea prevenirii incendiilor si a scurtcircuitelor , este interzis a se lucra cu legaturi improvizate la instalatia electrica a transportorului cu banda .
|
Facultatea de Utilaj Tehnologic |
NOTITA TEHNICA T.B.B.1200-8m - 0 - N.T. |
|
Pag 26 |
Masina trebuie sa fie dotata cu dispozitive de siguranta pentru prevenirea incendiilor.
Este interzis a se efectua remedieri la organele in miscare , in timpul functionarii acestora . Remedierile se vor face numai cu motoarele oprite .
PRESCRIPTII PENTRU MONTAJ
Montajul se face pornind de la capatul de intoarcere catre cel de antrenare .
Banda de transport se vulcanizeaza dupa ce in prealabil a fost bine intinsa .
Inainte si in timpul vulcanizarii trebuie acordata o deosebita atentie mentinerii celor doua capete care se vulcanizeaza intr-o cat mai perfecte aliniere .
PUNEREA IN FUNCTIUNE
Pornirea si oprirea transportorului cu banda sa se faca pe cat posibil instare neincarcata.
Inainte de prima pornire a transportorului cu banda trebuie verificat daca nu au mai ramas scule pe banda . Se mai verifica si daca banda nu atinge piese fixe.
In timpul functionarii transportorului cu banda se urmareste incalzirea organelor in miscare.
Dupa operatiile de reglaj , transportorul cu banda este supus la o proba de functionare :
-in gol timp de 8 ore
-in sarcina timp de 8 ore
|
Facultatea de Utilaj Tehnologic |
NOTITA TEHNICA T.B.B.1200-8m - 0 - N.T. |
|
Pag 27 |
Dupa primele 20 de minute de functionare in gol , transportorul cu banda este oprit pentru verificari .
Dupa fiecare proba la care este supus transportorul cu banda, se incheie un proces verbal . In acest proces verbal trebuie specificat :
-data efectuari probei
-felul probei
-durata efectiva a probei
- verificarea facuta
-defectele constatate si remediile facute
-concluzii
|
Facultatea de Utilaj Tehnologic |
TRANSPORTOR CU BANDA B 1200 - |
Pag 28 |
|
Fisa de documentatie tehnica T.B.B.1200-8m-0-F.D.T. |
|
SCHEMA CINEMATICA A TRANSPORTORULUI CU
BANDA B1200-8m
1-MOTOREDUCTOR TIP 2L-Ax20-3x1500-H05
2-CUPLAJ ELASTIC CE4
3-LAGARE DE ROSTOGOLIRE
4-ORGANUL DE LUCRU (BANDA)
5-TAMBUR
|
Facultatea de Utilaj Tehnologic |
Fisa de documentatie tehnica T.B.B.1200-8m-0-F.D.T. |
|
Pag 29 |
CARACTERISTICI TEHNICE
Materialul - calcar
Densitatea -ρ = 2.5[t / m3]
![]()
Regim de lucru - continuu
Capacitatea de transport - Q=250[t/h]
Viteza de regim - V=1.2[m/s]
Unghiul de taluz natural -
|
Facultatea de Utilaj Tehnologic |
TRANSPORTOR CU BANDA B 1200 - |
Pag 30 |
|
Cap.I.Calculul latimii benzii de transport T.B.B. 1200-8m-0-C.L.B. |
|
Latimea benzii de transport B se calculeaza cu urmatoarea relatie :
(m)
Q- productivitatea transportului (t/h)
- unghi de taluz
natural
![]()
- coefficient de umplere a benzii
V- viteza benzii (m/s)
-coeficient functie de unghiul de inclinare al
transportorului
-densitatea
materialului
Q =250t/h
![]()
V=1.2 m/s
=2.5 ![]()
In cazul transportorului
proiectat , B1200 -
|
Facultatea de Utilaj Tehnologic |
Calculul latimii benzii de transport T.B.B. 1200-8m-0-C.L.B. |
|
Pag 31 |

Suprafata teoretica maxima ocupata de material se determina cu relatia :
|
Facultatea de Utilaj Tehnologic |
Calculul latimii benzii de transport T.B.B. 1200-8m-0-C.L.B. |
|
Pag 32 |
Pentru m=0.4 si n=0.3
- unghiul de
inclinare al roleleor
-unghiul de taluz natural
![]()
Relatia devine , inlocuind valorile :
Deci , suprafata teoretica maxima va fi :
A=1.452
![]()
Admitem ad=
ed
Suprafata reala ocupata de material va fi :
![]()
In mod curent :m = 0.4
n = 0.3
![]()
|
Facultatea de Utilaj Tehnologic |
Calculul latimii benzii de transport T.B.B. 1200-8m-0-C.L.B. |
|
Pag 33 |
Deci ,suprafata reala ocupata de material va fi :
Gradul de umplere
, unde
-suprafata reala ocupata de material (
)
A-suprafata teoretica maxima ocupata de material (
)
Latimea benzii transportorului cu banda va fi :
(m)
Q=productivitatea transportorului
Q=250 t/h
- unghiul de taluz
![]()
- coeficient de
umplere
=0.0886
|
Facultatea de Utilaj Tehnologic |
Calculul latimii benzii de transport T.B.B. 1200-8m-0-C.L.B. |
|
Pag 34 |
- densitatea materialului
=2.5 ![]()
V- viteza benzii
V=1.2m/s
-coeficient functie de unghiul de inclinare al
transportorului cu banda
m
Conform STAS 2077/1-79
Latimea benzii transportorului cu banda :
B=1200 (mm)
Latimea benzii trebuie sa fie corespunzatoare si din punct de vedere al granulatiei materialului , fiind necesara satisfacerea relatiei :
B
3.3a+0.2 unde, (m)
a -dimensiunea caracteristica a materialului
unde ,
-dimensiunea
maxima a mterialului
- dimensiunea
minima a materialului
Pentru blocuri de material , dimensiunea caracteristica a materialului
a
160 mm
|
Facultatea de Utilaj Tehnologic |
Calculul latimii benzii de transport T.B.B. 1200-8m-0-C.L.B. |
|
Pag 35 |
Consider a= 180mm
B
3.3*0.18+0.2 (m)
B
0.794 m
Dar latimea benzii transportorului cu banda proiectat este 1200mm , deci este satisfacuta relatia :
1200mm>794mm
|
Facultatea de Utilaj Tehnologic |
TRANSPORTOR CU BANDA B 1200 - |
Pag 36 |
|
Cap.II.Calculul latimii puterii motorului necesar antrenarii benzii de transport T.B.B. 1200-8m-0-C.P.M. |
|
Puterea necesara pentru antrenarea benzii de transport in stare incarcata se detemina cu relatia :
(KW)
-puterea
necesara pentru antrenarea benzii de
transport in stare neincarcata (KW)
in care
-coeficient
functie de lungimea
a transportorului
W- rezistenta specifica , se determina cu relatia :
- greutatea
parti rotitoare pe unitatea de lungime a
rolelor ce sustin partea incarcata a benzii
- greutatea
partii rotitoare a rolelor ce sustin
partea incarcata a benzii
=10B+7kg
B=1200mm=1.2m
=10*1.2+7=19kg=19/0.98
daN=19.38daN
|
Facultatea de Utilaj Tehnologic |
Calculul latimii puterii motorului necesar antrenarii benzii de transport T.B.B. 1200-8m-0-C.P.M. |
|
Pag 37 |
Diametrul rolelor
superioare este sub forma de jgheab
=120mm
-pasul
rolelor superioare , functie de latimea benzii
=1.3m
-greutatea partii rotitoare pe unitatea de lungime a
rolelor ce sustin partea neincarcata a benzii
![]()
Diametrul rolelor inferioare D=120mm
Coeficientul de rezistenta f in cazul in care banda nu este incarcata .
f=0.025
- greutatea
pe unitatea de lungime a benzii de transport
Pentru benziile din cauciuc cu
insertii poliamidice rezulta
=(15.23)B
=18*1.2=21.6
daN/m
Pentru rezistenta specifica
se ia din practica urmatoarea valoare :
=0.03daN/m
|
Facultatea de Utilaj Tehnologic |
Calculul latimii puterii motorului necesar antrenarii benzii de transport T.B.B. 1200-8m-0-C.P.M. |
|
Pag 38 |
Cu aceste valori putem calcula rezistenta specifica :
=0.01*1.21*8*1.2*1.468=0.17
KW
- puterea
necesara pentru deplasarea pe verticala a materialului de transport
=0.003*Q*H
H -inaltimea de ridicare a transportului
H=3.5m
Q=250t/h
=0.003*250*3.5=2.625
KW
- puterea
necesara pentru invingerea rezistentelor
datorat frecarilor dintre materialul de pe banda si peretii jgheabului
(KW)
- lungimea
deservita de jgheab
=(1.2.5)
m
=1.90m
-functie de
inaltimea benzii
=0.05*1.2*1.9=0.114 KW
|
Facultatea de Utilaj Tehnologic |
Calculul latimii puterii motorului necesar antrenarii benzii de transport T.B.B. 1200-8m-0-C.P.M. |
|
Pag 39 |
- puterea
necesara pentru invingerea rezistentelor datorate stergatoarelor de banda (KW)
=0.2*v*B*N in
care
N - numarul stergatoarelor
N=2 - un stergator plasat la partea inferioara a tamburului de antrenare si un stergator cu razuitoare sub forma de plug pentru curatarea suprafetei inactive a benzii:
=0.2*1.2*1.2*2=0.576
(KW)
-puterea
necesara pentru invingerae rezistentelor datorate descarcatorului de banda
,
-
coeficienti functie de latimea benzii
=0.8*1.2+0.001*3.7*250=1.885 (KW)
-puterea
necesara pentru invingerea rezistentelor datorate dispozitivelor speciale cu
care este echipat transportorul cu banda
=0.17+2.625+0.114+0.576+1.885=5.37 (KW)
Puterea pe care trebuie sa o aiba motorul electric ca sa poata antrena banda de transport , se determina cu relatia :
(KW)
|
Facultatea de Utilaj Tehnologic |
Calculul latimii puterii motorului necesar antrenarii benzii de transport T.B.B. 1200-8m-0-C.P.M. |
|
Pag 40 |
- coeficient
care se ia in functie de importanta transportorului in flux tehnologic si de
conditiile de exploatare
Aleg
-randamentul
transmisiei dintre motorul electric si tamburul de antrenare
KW
Puterea instalata a
transportorului cu banda este egala cu puterea nominala a motorului electric utilizat si trebuie sa fie
mai mare sau cel putin egal cu
rezultata din calcul .
Aleg ELECTROTAMBUR cu puterea P=7.5KW ETA -120x50-7.5x1.2
|
Facultatea de Utilaj Tehnologic |
TRANSPORTOR CU BANDA B 1200 - |
Pag 41 |
|
Cap.III.Calculul puterii motorului prin determinarea rezistentelor pe contur T.B.B. 1200-8m-0-C.P.M. |
|
Productivitatea transportorului cu banda:
Q=250t/h=2500KN/h
Greutatea pe metro liniar a materialului transportat :
v- viteza de transport v=1.2m/s
daN/m
Greutatea pe metru liniar a benzii de transport:
=(15.18)B (daN/m)
|
Facultatea de Utilaj Tehnologic |
Calculul puterii motorului prin determinarea rezistentelor pe contur T.B.B. 1200-8m-0-C.P.M. |
|
Pag 42 |
B= latimea benzii
B=1200mm
=18*1.2=21.6 daN/m
Greutatea pe metru liniar a rolelor superioare
=14.90 daN/m
Greutatea pe metro liniar a rolelor inferioare
=7.45 daN/m
- efortul in
ramura care se desfasoara de pe toba
(daN/m)
daN
=1.035 pentru
(daN)
(daN)
=7600(mm)
=0.025 -coeficient de rezistenta
daN
daN
|
Facultatea de Utilaj Tehnologic |
Calculul puterii motorului prin determinarea rezistentelor pe contur T.B.B. 1200-8m-0-C.P.M. |
|
Pag 43 |
daN
daN
Pentru ![]()
![]()
![]()
daN
daN
=1.3t/![]()
=1.9m
i=0.65
f=0.025
Q=2500KN/h
v=1.2m/s
g=9.81m/![]()
![]()
(daN)
=
+46.15+(21.6+14.90+57.87)(7.6+0.4)0.025+(57.87+21.6)3.5=
+384.23 (daN)
=
(daN)
= efortul in ramura care se infasoara pe toba de antrenare
![]()
![]()
*
daN
|
Facultatea de Utilaj Tehnologic |
Calculul puterii motorului prin determinarea rezistentelor pe contur T.B.B. 1200-8m-0-C.P.M. |
|
Pag 44 |
![]()
- unghiul de infasurare pe tamburul de antrenare
=2.49
*2.49=
+384.23 daN
(2.49-1.086)=384.23 daN
![]()
daN
k=1.25
=
daN
Forta de tractiune :
W=
-![]()
W=545.13-273.66=271.47 daN
Puterea utila a motorului:
=0.8
W=271.47 daN
V=1.2 m/s
KW
Puterea motorului :
=1.8
1.8*3.99=7.18 KW
|
Facultatea de Utilaj Tehnologic |
Calculul puterii motorului prin determinarea rezistentelor pe contur T.B.B. 1200-8m-0-C.P.M. |
|
Pag 45 |
Se alege un motor electric trifazat AIFM180L-8 conform,STAS 6692-63
P=7.5KW
n=685 rot/min
=0.79
M=195kg
Numarul de insertii se calculeaza cu relatia :
- rezistenta la rupere
=55daN/![]()
K=10.13 unde k -coeficient de siguranta
Aleg k=10
=545.13 daN
Rezulta ca aleg o banda cu 4 insertii , pentru o latime a benzii B=1200mm
Calculam turatia tamburului cu relatia :
- diametrul tamburului
de antrenare
=500mm
|
Facultatea de Utilaj Tehnologic |
Calculul puterii motorului prin determinarea rezistentelor pe contur T.B.B. 1200-8m-0-C.P.M. |
|
Pag 46 |
rot /min
Raportul de transmitere
, in care
=685 rot/min
=45.83 rot/min
![]()
Functie de acest raport se alege conform STAS 11.923-80 un redactor conico-cilindric tip 2CH-N-125 cu urmatoarele caracteristici:
P=5.8 KW
i=16
A=588mm
=32mm
=50mm
n=750 rot /min
Alegem cuplajul care face legatura intre motor si redactor
Pentru alegerae
cuplajului trebuie sa calculam momentul de lucru . Momentul de lucru se calculeaza cu
relatia : ![]()
- coeficient de siguranta
=1.17
- momentul de calcul
=9550![]()
N*m
Momentul de lucru:
=95.5*1.17=112 N*m
Functie de acest moment aleg cuplaj elastic cu bolturi
CEB3B-C32/OT603 STAS 5982-79
|
Facultatea de Utilaj Tehnologic |
TRANSPORTOR CU BANDA B 1200 - 8 m |
Pag 47 |
|
Cap.IV.Calculul elementelor componente ale transportorului cu banda T.B.B. 1200-8m-0-C.E.C. |
|
Calculul tamburului de antrenare
Pentru marirea aderentei benzii pe toba , se utilizeaza toba captusita la exterior cu un strat de cauciuc vulcanizat.
Diametrul tobei din conditia de rezistenta a benzii se calculeaza cu relatia :
, in care :
= numarul de insertii
=4
=125 (functie de
numarul de insertie)
=4*125=500mm
Pentru tamburul de antrenare cu un strat de cauciuc vulcanizat de 10mm se alege :
=520mm
Rezulta ca se va utilize un tambur de antrenare TA120X50/520
Calculul tamburului de intoarcere
Diametrul tobei de intoarcere se va calcula cu relatia :
, in care :
=100
=4*100=400mm
Se va utiliza un tambur
de intoarcere cu diametrul :
=400 mm
T.I.-120/40
|
Facultatea de Utilaj Tehnologic |
Cap.IV.Calculul elementelor componente ale transportorului cu banda T.B.B. 1200-8m-0-C.E.C. |
|
Pag 48 |
Calculul tamburului de deviere
Diametrul tamburului de deviere se calculeaza cu relatia :
, in care :
=80mm
=80*4=320mm
Rezulta ca se va utilize un tambur de deviere TD-120X32
Pentru tobele de actionare k=125.150mm
Pentru tobele de deviere si intindere k=80.120 mm
k- coeficient functie de numarul de insertii ale benzii
|
Facultatea de Utilaj Tehnologic |
TRANSPORTOR CU BANDA B 1200 - 8 m |
Pag 49 |
|
Cap.V.Solicitarile la care este supus tamburul de antrenare in timpul functiunii T.B.B. 1200-8m-0-S.T.A. |
|
Pentru a determina
solicitarile la care este supus tamburul de antrenare trebuie sa se determine
momentul de torsiune (
) , datorata actionarii grupului de antrenare si momentul
incovoietor (
) datorata actionarii fortei rezultante F ,provenita din
compunerea torsiunilor
si
din banda de transport si a greutatii
a tamburului propriu -zis.
Momentul de torsiune
se calculeaza cu relatia :
, in care :
- forta periferica utila care actioneaza asupra tamburului de
antrenare
![]()
P=7.5KW- puterea motorului necesar pentru actionarea benzii
v- viteza de deplasare a benzii
v=1.2m/s
=
daN
De acici rezulta :
=0.5*637.5*0.50=102 daN m
Momentul incovoietor se calculeza cu relatia :
![]()
Greutatea tamburului de antrenare:
![]()
|
Facultatea de Utilaj Tehnologic |
Cap.V.Solicitarile la care este supus tamburul de antrenare in timpul functiunii T.B.B. 1200-8m-0-S.T.A. |
|
Pag 50 |


F=834.29 daN
A=0.130 cm
=834.29*0.130=108.45 daNm=10845daNcm
|
Facultatea de Utilaj Tehnologic |
Cap.V.Solicitarile la care este supus tamburul de antrenare in timpul functiunii T.B.B. 1200-8m-0-S.T.A. |
|
Pag 51 |
Functie de diametru tamburului de antrenare se adopta diametrul pentru arbore si se face verificarea lui :
-diametrul capatului de arbore va fi solicitat la torsiune
D=45mm
Tinand cont ca arborele se executa din OLC 45 imbunatatit pentru care
|
Facultatea de Utilaj Tehnologic |
Cap.V.Solicitarile la care este supus tamburul de antrenare in timpul functiunii T.B.B. 1200-8m-0-S.T.A. |
|
Pag 52 |
Verificarea arborelui la oboseala :
Conditia de rezistenta la oboseala este :
![]()
Stabilirea coeficientului de siguranta admisibil
![]()
-coeficient de siguranta admisibil partial de baza
=1.3
-coeficient de siguranta admisibil prin care se tine seama de
urmarile posibile ruperii piesei
=1.15
-coeficient de siguranta admisibil partial de baza care tine
seama de inexactitatea calculelor
=1.05
- coefficient de siguranta admisibil partial de baza care
tine seama de dinamicitatea solicitarilor
=1.1
Inlocuind
=1.3*1.15*1.05*1.1=1.72
=1.72
|
Facultatea de Utilaj Tehnologic |
Cap.V.Solicitarile la care este supus tamburul de antrenare in timpul functiunii T.B.B. 1200-8m-0-S.T.A. |
|
Pag 53 |
- coeficient de siguranta la solicitarea de torsiune
=
, in care :
= limita de curgere la torsiune
= rezistenta la oboseala la torsiune
= torsiunea medie a ciclului de solicitare la torsiune
= tensiunea variabila a ciclurilor de solicitare la torsiune
= coeficient de concentrare a tensiunilor
= factor dimensional ce influenteaza asupra solicitarilor la
oboseala
= factor de calitate al suprafetei
Consider R=0(ciclul de solicitare pulsant simetric)
=
=![]()
(daN/
)
=
*570,07=285,03(daN/
)
=0,495*
=0,495*4500=2227,5(daN/
)
=0,63(0,52.0,55)
=0,63*0,53*4500=1502,5(daN/
)
=0,73
=1,15
=0,92
|
Facultatea de Utilaj Tehnologic |
Cap.V.Solicitarile la care este supus tamburul de antrenare in timpul functiunii T.B.B. 1200-8m-0-S.T.A. |
|
Pag 54 |
> ![]()
2,56>1,3
Verificarea penei si calculul penei ,pentru diametrul arborelui d=45 mm ,
conform STAS 1004-81
b=14
h=9
a)

b)
Aleg l=20 mm
Aleg pana A 14x9x20
Arborele este solicitat la torsiune si incovoiere d=60 mm
Conditia de rezistenta este:
in care :
= tensiunea echivalenta a solicitarilor de incivoiere si
torsiune
= 550daN/
|
Facultatea de Utilaj Tehnologic |
Cap.V.Solicitarile la care este supus tamburul de antrenare in timpul functiunii T.B.B. 1200-8m-0-S.T.A. |
|
Pag 55 |

W=![]()


=
=10845,07 daN/cm
=
=502,08<550 ![]()
Verificare la oboseala :
Relatia de verificare este:
in care :
-coeficient de siguranta echivalent

,
- coeficienti nominali de siguranta pentru cele doua
solicitari componente considerate simple
|
Facultatea de Utilaj Tehnologic |
Cap.V.Solicitarile la care este supus tamburul de antrenare in timpul functiunii T.B.B. 1200-8m-0-S.T.A. |
|
Pag 56 |

Consider calculul de solicitare alternant simetric R=1
![]()

![]()



Consider ciclul de solicitare pulsant nul R=0

=0.63*0.53*4500=1502.5 daN/
|
Facultatea de Utilaj Tehnologic |
Cap.V.Solicitarile la care este supus tamburul de antrenare in timpul functiunii T.B.B. 1200-8m-0-S.T.A. |
|
Pag 57 |
![]()
=0.66
=1.18
=0.92


Verificarea rulmentului la forta radicala F/2
La alegerea corecta a rulmentului trebuie sa se tina seaman u numai de forma lor constructive cat si de durabilitatea lor
-durabilitatea in ore functionare
n- turatia arborelui (rot/min)
P-sarcina dinamica echivalenta (daN)
C-capacitatea de incarcare dinamica de baza (daN)
-sarcina radiala
- sarcina axiala
x-factor radial
y-factor axial
|
Facultatea de Utilaj Tehnologic |
Cap.V.Solicitarile la care este supus tamburul de antrenare in timpul functiunii T.B.B. 1200-8m-0-S.T.A. |
|
Pag 58 |
S-a stabilit urmatoarea relatie
, unde
P=x
+y
(daN)
x=1
P=
(daN)
y=0
(ore)
(daN)
d=55mm - diametrul capatului de arbore
Capacitatea dinamica ![]()
![]()

p=10/3 pentru rulment cu role

4961.13daN<13700daN
Conform STAS 3918-80 aleg rulment oscilant cu role butoi pe 2 randuri :
|
Facultatea de Utilaj Tehnologic |
TRANSPORTOR CU BANDA B 1200 - 8 m |
Pag 59 |
|
Cap.VI.Solicitarile la care este supus tamburul de intoarcere in timpul functionarii T.B.B.1200-8m-0-S.T.I. |
|
Tamburul de
intoarcere este solicitat la momentul incovoietor
datorat tensiunilor din banda la infasurarea si desfasurarea
benzii pe si de pe tambur . Momentul incovoietor
este dat de relatia :
![]()
|
Facultatea de Utilaj Tehnologic |
Cap.VI.Solicitarile la care este supus tamburul de intoarcere in timpul functionarii T.B.B.1200-8m-0- S.T.I. |
|
Pag 60 |
In dreptul rulmentului , arborele este solicitat la incovoiere . Functie de diametrul tamburului si latimea benzii se alege d=65mm.
Arborele se realizeaza
din OL50 STAS 500/2-80 pentru care ![]()
Verificarea diametrului arborelui se
face cu relatia
![]()

Deci
< ![]()
Verificarea la oboseala
Conditia de verificare la oboseala in cazul solicitarii de incovoiere este :
unde
=1,72

Consider ciclul de solicitare pulsant nul R=0,rezulta :

![]()
=2500 daN/![]()
=50daN/
=5000 daN/![]()
|
Facultatea de Utilaj Tehnologic |
Cap.VI.Solicitarile la care este supus tamburul de intoarcere in timpul functionarii T.B.B.1200-8m-0-S.T.I. |
|
Pag 61 |
![]()

Verificarea
rulmentului la forta radiala ![]()
Pentru diametrul arborelui d=65mm , aleg rulment radial oscilant cu role butoi pe 2 randuri conform STAS 3918-68:
rulment tip 22313
Capacitatea dinamica a rulmentului :
=18000 daN
Conditia de verificare a rulmentului este :
![]()
in care:
- durabilitatea rulmentului
=40000 h
n =1600 rot/min
p =10/3 - pentru rulment cu role
p =sarcina dinamica echivalenta
p = ![]()
=![]()
![]()
|
Facultatea de Utilaj Tehnologic |
TRANSPORTOR CU BANDA B 1200 - 8 m |
Pag 62 |
|
Cap.VII.Solicitarile la care este supus tamburul de deviere in timpul functionarii T.B.B.-8m-0-S.T.D. |
|
In timpul
functionarii transportorului , tamburul de deviere este solicitat la moment
incovoietor
,datorat fortei rezultante 2![]()
Momentul
incovoietor
este dat cu relatia
=
*
|
Facultatea de Utilaj Tehnologic |
Cap.VII.Solicitarile la care este supus tamburul de deviere in timpul functionarii T.B.B.-8m-0-S.T.D |
|
Pag 63 |
![]()
Greutatea tamburului de deviere
=127 daN
=582.59 daN
=1.035*582.59=602.98 daN
=504.53 daN
=291.29 daN
daN
daNcm
Functie de diametrul tamburului si latimea benzii se adopta in dreptul rulmentului
d=70mm
Verificarea la oboseala
Conditia de verificare la oboseala in cazul solicitarii de incovoiere este :
![]()
Consider ciclul de solicitare alternant simetric cu 

- limita de curgere la incovoiere
-rezistenta la oboseala la solicitari alternant simetrice de
incovoiere
|
Facultatea de Utilaj Tehnologic |
Cap.VII.Solicitarile la care este supus tamburul de deviere in timpul functionarii T.B.B.-8m-0-S.T.D |
|
Pag 64 |
- coefficient de concentrare a tensiunilor
- factor dimensional ce influenteza solicitarea la oboseala
- factor de calitate al suprafetei
- tensiunea medie a ciclului de solicitare la incovoiere
-tensiunea variabila a ciclului de solicitare la incovoiere

=0.5
=2500![]()
=50
=1.2(0.52.0.55)5000=1.2*0.53*5000=3180daN/cm
=1.94
=0.97
=0.92

Verificarea rulmentului la forta axiala
Corespunzator diametrului arborelui aleg rulmentul tip 22314 (rulment radical-oscilant cu role pe butoi pe doua randuri) conform STAS 3918-68
Conditia de verificare este :
![]()
|
Facultatea de Utilaj Tehnologic |
Cap.VII.Solicitarile la care este supus tamburul de deviere in timpul functionarii T.B.B.-8m-0-S.T.D |
|
Pag 65 |
p=10/3
n=2200 rot/min
P=
=214.85 daN
=21600 daN

|
Facultatea de Utilaj Tehnologic |
TRANSPORTOR CU BANDA B 1200 - 8 m |
Pag 66 |
|
Cap.VIII.Rolele de sustinere T.B.B.1200-8m-0-R.S. |
|
Transportorul cu banda B1200 cu banda jgheab are la partea
superioara , role in forma de jgheab care pentru latimea benzii B=1200 au un
diametru de D=120mm. Unghiul de inclinare al rolelor laterale
, notate astfel:
Role RSJ3-120x120
Rolele inferioare sunt role orizontale , care pentru latimea benzii B=1200 mm, au diametrul D=120mm
Role RID -120x120
La diametrul rolei D=120mm, diametrul
capatului de arbore va fi d=19mm . Arborele este solicitat la incovoiere.
Relatia de verificare este :
- verificarea la
incovoiereArborele se executa din OL 50 STAS 500/2-80 pentru care
=750 daN

|
Facultatea de Utilaj Tehnologic |
Cap.VIII.Rolele de sustinere T.B.B.1200-8m-0-R.S. |
|
Pag 67 |
![]()
![]()
Verificarea la oboseala :
Conditia de verificare la
oboseala in cazul solicitarilor de incovoiere este ![]()

Consider ciclul de
solicitare alternant simetric 
![]()

![]()


|
Facultatea de Utilaj Tehnologic |
Cap.VIII.Rolele de sustinere T.B.B.1200-8m-0-R.S. |
|
Pag 68 |
Diametrul arborelui in dreptul rulmenrului este d=20mm
Aleg rulmentul tip 6304 (rulment radial cu bile pe un rand) conform STAS 3041-68
=795 daN
q=24.43daN/m
![]()
|
Facultatea de Utilaj Tehnologic |
TRANSPORTOR CU BANDA B 1200 - 8 m |
Pag 69 |
|
Cap.IX.Jheab de alimentare T.B.B.1200-8m-0-J.A. |
|
Pentru acest transportor cu banda B 1200-8m , am ales jgheab acoperit , prevazut cu fund metalic si perdea de cauciuc , pentru o latime a benzii B=1200mm , echipat cu role jgheab RSJ3 cu diametrul D=120 mm
Acest jgheab se simbolizeaza astfel :
J.A/ FP/RSJ3-120x120
Lungimea jgheabului ![]()
Latimea jgheabului se calculeaza cu relatia :
|
Facultatea de Utilaj Tehnologic |
TRANSPORTOR CU BANDA B 1200 - 8 m |
Pag 70 |
|
Fise Tehnologice pentru arbore T.B.B. 1200-8m-0-F.T. |
|
STRUCTURA PROCESULUI TEHNOLOGIC
Elementele componente ale procesului tehnologic sunt urmatoarele :
Operatia
-aceea parte a procesului tehnologic care se executa la un loc de munca si cuprinde toate actiunile utilajului si muncitorului , in legatura cu prelucrarea unei piese sau a mai multor piese simultan
Operatia se poate executa dintr-o singura asezare sau din cateva ale piesei in dispozitiv sau pe masa masini unelte
Faza
-aceea parte a operatiei in care se executa complet dintr-o singura asezare si pozitionare a piesei o suprafata sau mai multe suprafete simultan folosind o scula sau un complet de scule .
Adaosul de prelucrare ce trebuie indepartat intr-o faza de pa suprafata sau suprafetele piesei poate fi indepartat dintr-o singura trecere sau mai multe treceri . Toate se executa cu acelasi regim de aschiere
-Manuirea
-Miscarea
|
Facultatea de Utilaj Tehnologic |
Fise Tehnologice pentru arbore T.B.B. 1200-8m-0-F.T. |
|
Pag 71 |
CALCULUL REGIMURILOR DE ASCHIERE SI AL NORMELOR DE TIMP
Calculul unui regim de aschiere prevede calculul urmatoarelor elemente :
-adincimea
-avansul
-turatia
-viteza de aschiere
Adincimea de aschiere la strunjirea longitudinala:
(mm)
Adancimea de aschiere la strunjirea frontala:
(mm)
Viteza economica de aschiere
(m/min)
,
-coeficienti si exponenti
functie de materialul de prelucrat si de conditiile de aschiere.
T-durabilitatea sculei
- coeficient de
corectie
Calculul turatiei:
(rot/min)
|
Facultatea de Utilaj Tehnologic |
Fise Tehnologice pentru arbore T.B.B. 1200-8m-0-F.T. |
|
Pag 72 |
,
-diametrul ,
respective lungimea piesei inainte de prelucrare
,
- diametrul , respective lungimea piesei prelucrate
Viteza de
aschiere :
(m/min)
Timpul de
baza :
(min)
l=lungimea de prelucrat
,
=distanta de intrate , respective de iesire din prelucrare
=numarul de treceri
s =avans
n =turatia
Turatia
auxiliara :
, unde :
=timp consumat cu
prinderea -desprinderea piesei in dispozitiv
=timp consumat
cu comanda masinii ,montarea -demontarea
sculelor
=timp consumat cu
complexe maniure legate de faza
=timp consumat cu masuratori de control
|
Facultatea de Utilaj Tehnologic |
TRANSPORTOR CU BANDA B 1200 - 8 m |
Pag 73 |
|
Bibliografie T.B.B. 1200-8m-0-B |
|
1 . I. STEFANESCU ;
D. PANTURU; L. PALAGHIAN
2. HEINRICH SEGALL-MASINI DE RIDICAT SI DE TRANSPORTAT PENTRU CONSTRUCTII INSTALATII DE TRANSPORT CONTINUU ICB 1988
3. MIRCEA ALAMOREANU- ALBUM DE DESENE SI ELEMENTE TIPIZATE PENTRU MASINI DE RIDICAT BUCURESTI 1991
5. . M. GAFITEANU - ORGANE DE MASINI VOL I I EDITURA TEHNICA BUCURESTI 1986
6.A.O.SPIVACOVSCHI -MASINI DE RIDICAT SI DE TRANSPORTAT
7. HEINRICH SEGALL -MASINI DE RIDICAT SI DE TRANSPORTAT PENTRU CONSTRUCTII EDITURA DIDACTICA 1976
8.V.OLARIU : E. APOSTOL -MASINI DE RIDICAT SI TRANSPORTAT
9. MINISTERUL INDUSTRIEI CONSTRUCTIILOR DE MASINI - INDRUMATOR PENTRU CONSTRUCTIA LAGARELOR CU RULMENTII 1974
11.INSTITUTUL ROMAN DE STANDARDIZARE-COLECTIA DE STANDARE SI STASURI , vol Ia ; Ib.c; IId; IIIc
12.ZEVEDEI N.- TEHNOLOGIA FABRICARII SI REPARARII UTILAJULUI TEHNOLOGIC
13. FACULTATEA DE UTILAJ TEHNOLOGIC -CAIET DE SARCINI PENTRU PROIECTE DE DIPLOMA BUCURESTI 1991
|