LUCRAREA EL 16
UTILIZAREA TRANSFORMATOARELOR DE MĂSURARE ĪN CIRCUITE TRIFAZATE FĂRĂ CONDUCTOR NEUTRU
1. Scopul lucrarii
Scopul lucrarii īl constituie īnsusirea cunostintelor teoretice si practice privind uti 424v2115e lizarea transformatoarelor de masurare īn circuitele trifazate fara conductor neutru.
Se studiaza contoare trifazate obisnuite, conectate corect sau cu unele greseli tipice (defecte) si contoare trifazate prevazute cu functii speciale conectate īn sisteme informatizate pentru masurarea si gestionarea īn timp real a puterii si energiei electrice.
2. Notiuni teoretice
2.1. Transformatoarele de masurare
Sunt destinate extinderii limitelor de masurare pentru curenti, tensiuni si alte marimi electrice, prezentānd o serie de avantaje īn utilizare cum ar fi:
protectia personalului si a aparatelor de masurare fata de tensiunile īnalte ale retelelor īn cae se fac masurari (prin izolare galvanica si conectarea unei borne secundare la pamānt);
posibilitatea
standardizarii valorilor nominale din secundar: 5A(1A) pentru curenti
si 100V (100/
V) pentru circuitele de tensiune.
Datorita specificului functionarii, regimurile normale de functionare ale celor doua tipuri de transformatoare de masurare sunt diferite.
2.1.1. Transformatoarele de masurare de curent
Sunt conectate īn serie īn circuitul al carui curent trebuie masurat.
Īn secundar sunt conectate aparate cu impedanta mica (ampermetre, bobine de curent ale wattmetrelor si contoarelor etc.); de aceea regimul nominal de functionare al transformatorului de masurare de curent este cu secundarul īn scurtcircuit.
Īn acest caz solenatia secundara este de semn contrar solenatiei primare, diferenta fiind foarte mica, necesara īntretinerii fluxului īn miez.
Daca, accidental, se deschide circuitul secundar, solenatia secundara se anuleaza, iar cea primara va magnetiza puternic miezul pāna la saturatiei.
Miezul magnetic se va īncalzi puternic datorita pierderilor mari īn fier si cresterea fluxului va da nastere, īn secundar, unor tensiuni induse mari (kV) periculoase pentru operator si capabile de a produce strapungerea izolatiei.
Regimul de mers īn gol este deci, regim de avarie pentru transformatorul de masurare de curent si protectia se face prin scurtcircuitoare prevazute pe bornele secundare. Nu se pun sigurante fuzibile!
2.1.2. Transformatoarele de masurare de tensiune
Sunt conectate īn paralel la retea. Ele sunt dimensionate sa alimenteze īn secundar aparate de masurare cu impedanta ridicata (voltmetre, bobine de tensiune ale wattmetrelor etc.), deci regimul nominal de functionare este regimul de mers īn gol.
Īn cazul unor scurtcircuite accidentale īn secundar, tensiunea secundara ramāne constanta curentii tind sa ia valori mari, bobinele se īncalzesc puternic si izolatia se arde producānd chiar explozii daca transformatorul este cu izolatie īn ulei.
Regimul de avarie la transformatorul de masurare de tensiune este regimul de scurtcircuit si protectia se face cu sigurante prevazute si pe primar si pe secundar.
2.2. Caracteristicile principale ale transformatoarelor de masurare
Transformatoarele de masurare se aleg īn functie de domeniile de masurare primare, de tensiunea nominala de lucru a primarului, de clasa de exactitate si puterea lor nominala.
Pentru utilizare intereseaza raportul nominal de transformare:
(16.1)
(16.2)
Raporturile reale de transformare sunt diferite de cele nominale datorita erorilor de raport, care depind de clasa de exactitate a transformatoarelor de masurare:
(16.3)
(16.4)
De asemenea, curentii si tensiunile secundare nu sunt exact īn faza cu curentii si tensiunile primare datorita erorilor de unghi I si U introduse de transformatoarele de masurare.
Aceste erori trebuie luate īn consideratie la calculul erorilor de masurare īn montaje indirecte si a unor marimi (U, I, P, W, cos
2.3. Determinarea marimilor din retea pe baza valorilor citite īn secundar.
La determinarea marimilor din circuitul primar se folosesc relatiile:
(16.5)
(16.6)
(16.7)
(16.8)
(16.9)
Factorul de putere (cos) mai poate fi determinat īn practica si indirect:
din indicatia wattmetrelor (īn cazul circuitelor trifazate simetrice si cu curenti echilibrati):
(16.10)
din indicatia contoarelor, pe o durata data (o zi, o saptamāna, etc.):
(16.11)
Cu ajutorul contoarelor de energie activa si reactiva se mai poate determina si o valoare medie a factorului de putere pe o perioada scurta, prin numararea rotatiilor celor doua contoare pe perioada data:
(16.12)
Indicii se refera la: a - contor de energie activa, TCA 32;
r - contor de energie reactiva, TCR 32.
Datorita complexitatii circuitelor secundare de curenti si tensiuni se pot produce erori de montaj care afecteaza, īn special, īnregistrarea corecta a energiei electrice consumate. De aceea, se vor studia erorile de masurare ale unui contor TCA32 conectat corect sau cu diferite greseli de montaj.

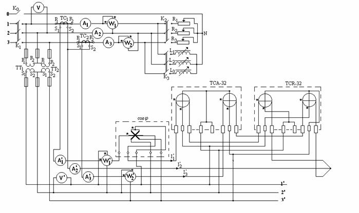
Fig. 16.1 Schema de montaj pentru masurarea puterilor si energiilor pe cale indirecta, īntr-o retea
trifazata fara conductor neutru
3. Chestiuni de studiat
Conectarea transformatoarelor de masurare de curent si de tensiune īn circuite trifazate fara conductor neutru pentru realizarea schemelor sistematizate (fig. 16.1).
Masurarea curentilor, tensiunilor, puterilor si energiei electrice īn montaj indirect.
Masurarea factorului de putere.
Studiul erorilor de masurare aparute prin conectarea gresita a contorului de energie activa TCA 32.
Cunoasterea unor contoare trifazate prevazute cu functii speciale:
cu generator de impulsuri īncorporat;
cu dublu tarif;
cu indicator e putere maxima.
Studiul unui sistem informatizat pentru masurarea si gestionarea puterii si energiei electrice.
4.Modul de experimentare
4.1. Schema de montaj si aparatele utilizate
Se va realiza practic montajul din fig.16.1. īn care:
TC , TC -transformatoare de masurare de curent;(10A/5A)
TT , TT -transformatoare de masurare de tensiune;(200V/100V)
W , W -wattmetre electrodinamice monofazate;
,
(5A,10A/120V, 240V)
A , A , A -ampermetre feromagnetice
(5A,
10A);
V, V' -voltmetre feromagnetice (130V, 260V)
TCA 32 -contor trifazat pentru energie activa 3x100V; 3x5A;
TCR 32 -contor trifazat pentru energie reactiva 3x100V; 3x5A;
R , R , R -reostate cu doi cilindri; (100 / 5A)
L , L , L -bobine de inductanta variabila.
4.2. Desfasurarea lucrarii
Determinarile experimentale se vor efectua conform indicatiilor din tabelul16.1.
Pentru punctele 3.4 se studiaza sistemul informatizat EGOPEC-30.
Datele citite si calculate se vor trece īn tabelele 16.2 si 16.3 (pentru calcule se va utiliza setul de relatii (16.13).
(16.13)
Tabelul 16.1
|
Nr. crt. |
Tip receptor |
Curenti |
Determinarea cos |
Defecte la TCA 32 |
|
|
R |
neechilibrati |
|
|
|
|
R, L |
neechilibrati |
|
|
|
|
R |
echilibrati |
da |
montaj corect U -īntrerupta I -inversat |
|
|
R, L, |
echilibrati |
da |
montaj corect U -īntrerupta I -inversat |
|
|
R, L, |
echilibrati |
da |
montaj corect U -īntrerupta I -inversat |
|
|
R, L, |
echilibrati |
da |
montaj corect U -īntrerupta I -inversat |
Tabelul 16.2
|
Nr. crt. |
Circuit primar |
Circuit secundar |
||||||||||||||||
|
|
U12 |
I1 |
I2 |
I3 |
P1 |
P2 |
P = P1+P2 |
U'12 |
I'1 |
I'2 |
I'3 |
P'1 |
P'3 |
P' |
Q' |
cos |
||
|
|
V |
A |
A |
A |
W |
W |
W |
V |
A |
A |
A |
W |
W |
W |
var |
|
||
|
|
|
|
|
|
|
|
|
|
|
|
|
|
|
|
|
|
||
Tabelul 16.3
|
Nr. crt. |
Date contor TCA 32 |
TCR 32 |
Factor de putere |
|||||
|
|
n |
t |
T |
|
Wa |
Wr |
cos (cu wattmetre) |
cos (cu contoare) |
|
|
rot |
s |
s |
|
kWh |
kvarh |
|
|
|
|
|
|
|
|
|
|
|
|
Observatii:
pentru alegerea curentilor echilibrati pe durata manevrei se īnchide comutatorul K
reglarea īn circuit a unui defazaj dorit se realizeaza cu ajutorul indicatiei ampermetrelor, astfel:
a) se alege curentul I la care se efectueaza masurarea;
b) se regleaza cu ajutorul reostatelor, pe fiecare faza, Icos
c) se introduc bobinele si se regleaza, pe fiecare faza, valoarea fina la a curentului I.
prin masurarile efectuate se va pune īn evidenta faptul ca montajul indirect se poate utiliza indiferent de tipul receptorului si de sistemul de curenti (echilibrat sau neechilibrat).
Se va determina valoarea instantanee a factorului de putere ceruta la pct.3.3 din indicatiile wattmetrelor si ale contoarelor.
Defectele care se vor simula īn lucrare, la contorul TCA 32, sunt:
defect 1 -lipsa tensiunii la faza 2 de tensiune.
defect 2 -inversare intrare/iesire la faza 1 de curent;
Se vor compara erorile obtinute la masurarea energiei īn aceste situatii cu cele indicate īn anexa 16.1.
Se vor studia contoarele trifazate de energie activa si reactiva prevazute cu functii speciale: dublu tarif, indicator de putere maxima, cu generator de impulsuri. Se va determina rolul fiecaruia īn tarifarea energiei la marii consumatori.
Se va studia functionarea unui sistem informatizat pentru masurarea si gestionarea puterilor si energiei electrice destinat unui numar de 30 de consumatori.
Sistemul primeste informatii de la contoarele cu generator de impulsuri īncorporat si, pe baza unei interfete specializate si a unui sistem cu microprocesor, calculeaza puterea si energia consumata de fiecare receptor sau grupa de receptoare. Īn cadrul lucrarii se utilizeaza un singur contor TCA 32 cu generator de impulsuri, semnalele acestuia fiindd aduse la intrarile cātorva canale ale echipamentului EGOPEC 30.
Se va verifica daca puterea si energia pe fiecare canal este indicata īn limitele exactitatii echipamentului. Se va verifica daca indicatiile echipamentului pe grupe de consumatori si īn total, respecta īnsumarea matematica a consumurilor.
5. Īntrebari recapitulative
Definiti erorile de raport si de unghi ale unui transformator de masurare. Explicati legatura acestora cu clasa de exactitate a transformatorului de masurare.
Explicati, teoretic, regimurile de functionare normale si de avarie ale transformatoarelor de masurare de curent si de tensiune. Indicati ce masuri de protectie se iau īn montajul indirect.
Explicati influenta erorilor de unghi ale transformatoarelor de masurare asupra masurarii puterilor si energiilor electrice īn montaj indirect.
Explicati influenta erorilor de montaj asupra īnregistrarii corecte a energiei active cu contorul TCA 32.
Deduceti relatia ce permite calculul factorului de putere din indicatia contoarelor.
Analiza teoretica a defectelor de montaj pentru contoarele trifazate utilizate īn montaj indirect
Īn cazul conectarii gresite a contorului TCA 32, el va integra o putere activa Pm diferita de cea reala P :
P = K.Pm (A. 16.1)
unde K este dat īn tabelul A. 16.1, īn functie de tipul defectului.
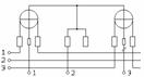
Īn fig. A.16.1 sunt prezentate cele doua diagrame fazoriale corespunzatoare celor doua defecte studiate (īn figura A.16.1.a, diagrama corespunzatoare inversarii bornelor de curent ale contorului pe faza īntāi, iar īn figura A16.1.b, diagrama corespunzatoare īntreruperii fazei a doua de tensiune).
a) b)
Fig. A.16.1 Diagramele fazoriale pentru
cele doua defecte studiate
Observatie.
Tabelul A. 16.1
|
Nr.crt. |
Defectul de montaj |
Schema electrica |
Puterea Pmas |
|
Coeficient de corectie P=P/Pmas |
Observatii |
|
|
|
Corect |
|
|
|
|
|
|
|
|
Inversarea curentului I |
|
|
|
|
|
|
|
|
Inversarea curentului I |
|
|
|
|
|
|
|
|
Inversarea curentilor I si I |
|
|
|
|
|
|
|
|
|
|
|
|
Independent de defazajul |
||
|
|
|
|
|
|
|
||
|
|
|
|
|
|
|
||
|