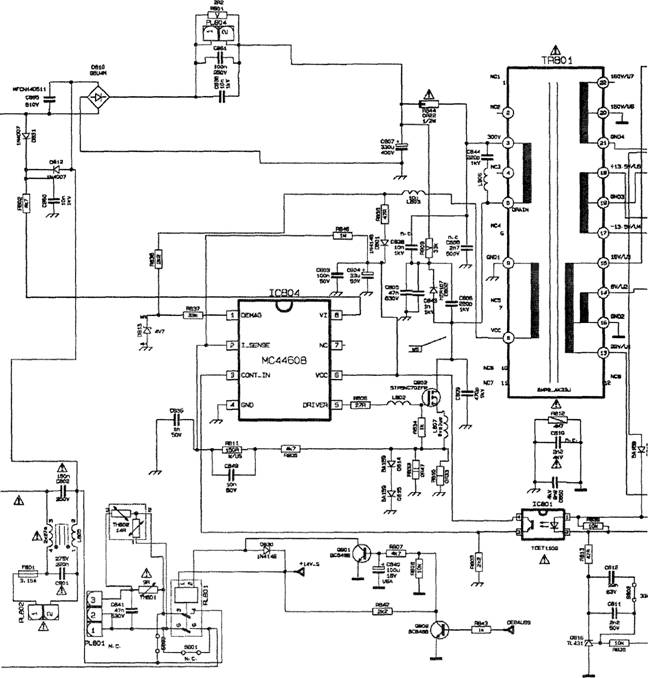
Depanatorul nr.
cateva defecte tipice pentru sasiul 11AK52
manifestare : sursa este arsa, ledul este stins
cauza in acest caz se recomanda verificarea urmatoar 23223c211x elor piese :
IC804 - MC44608P , Q802 - P6NC60FP , R834 - IK smd , R806 - 10 ohm , D802 -
herl07 SI optocuplorul IC801 - TCET1106

manifestare televizorul porneste pentru scurt timp dupa care se opreste in
stanby
cauza : tensiunea principala trebuie reglata la exact 135V
manifestare sursa nu porneste , se aude un sgomot tic-tic-tic cauza : C821 sau C822 - 2200/25V sunt uscate
manifestare nu avem imegine, nu avem sonor , sursa se aude cum pulseaza cauza : C834 - 4700 / 16V este usact
|