CONCEPTUL DE "UTILIZARE EFICIENTA A ENERGIEI"
Conceptul de "utilizare eficienta a energiei" trebuie privit din doua puncte de vedere corelate intre ele:
Primul punct de vedere defineste notiunea de eficienta energetica a utilizarii energiei in conturul considerat:
(1.1)
unde ENU reprezinta valoarea energiei utile iesita din contur in j/t sau kWh/t, in care t este durata de referinta avuta in vedere, in ore; ENC - valoarea energiei consumate (intrate) in contur, in perioada t, in j/t sau kwh/t
In cazul proceselor sau instalatiilor producatoare de energie, ENU reprezinta energia produsa, iar in cazul celor consumatoare de energie ea reprezinta energia continuta de produsul util al proceselor sau instalatiilor respective.
Curent, EFEN este asimilata notiunii de randament energetic (RNEN) al procesului sau al transformarilor energetice care au loc in conturul considerat. Deoarece conform principiului doi al termodinamicii orice activitate - proces energetic - are loc cu pierderi de energie, atunci valoric randamentul energetic este intotdeauna subunitar (RNEN < 1). Daca se are in vedere insa, cazul cel mai general posibil al diverselor transformari energetice, deci inclusiv ciclurile termodinamice inverse (caracteristice pompelor de caldura, instalatiilor frigorifice, de climatizare etc., atunci pentru acestea marimea randamentului energetic ar fi supraunitara, contrazicand notiunea de randament.
Spre deosebire de randamentul energetic, notiunea de eficienta energetica - EFEN are un caracter mai general, ea putand avea orice valoare fata de unitate (EFEN > < 1), in functie de tipul proceselor si transformarilor ciclice care au loc in conturul considerat. Desigur ca in cazul ciclurilor termodinamice directe, cele doua notiuni au aceeasi valoare subunitara: (EFEN = RNEN) < 1.
In sensul celor expuse mai sus, eficienta economica a energiei utilizate intr-un contur se poate exprima in doua feluri, in functie de ceea ce se doreste a fie evidentiat:
unde VEEU reprezinta valoarea economica a energiei utile rezultata din c 444c29e onturul considerat (definita ca mai sus), in unitati monetare/t; VEEC - valoarea economica a energiei consumate (intrate) in contur, in unitati monetare/t
EFECE exprima de fapt care este valoarea de piata a energiei utile rezultata din c 444c29e ontur, raportata la valoarea de piata a energiei consumate.
Exemplu: se considera conturul unei instalatii de cazan (de abur, apa fierbinte sau apa calda) care, pentru producerea agentului termic consuma o cantitate de combustibil si de energie electrica (sub forma de consumuri auxiliare). Deci:
ENC = BCZ + EELCZ
VEEU = QUCZ PVQ [unitati monetare/an] (1.3)
in care PVQ - pretul de vanzare a caldurii, in unitati monetare/kWht;
VEEC = (BCZ PB) + (EELCZ PCEL) [unitati monetare/an] (1.4)
unde: PB este pretul unitar al combustibilului consumat, in unitati monetare/kWht (PCI) - raportat la puterea calorifica inferioara (PCI); PCEL - pretul unitar al energiei electrice cumparata pentru a fi consumata la nivelul conturului cazanului, in unitati monetare/kWhe.
Se poate spune ca eficienta economica a energiei consumate (EFECE) astfel definita, arata cate unitati monetare sub forma de energie utila se realizeaza intr-un contur, pentru fiecare unitate monetara utilizata sub forma de energie consumata in conturul respectiv.
(1.5)
in care: VECEE reprezinta valoarea economica a economiei de energie realizata prin aplicarea masurilor de crestere a eficientei energetice, pentru conturul considerat, in unitati monetare/an; IMRCE este valoarea investitiilor necesitate de aplicarea masurilor de crestere a eficientei energetice, in unitati monetare.
Unde:
(1.6)
in care PCEEC este costul unitar al formei de energie economista, in unitati monetare/kWh; EECMR reprezinta cantitatea anuala de energie economisita, pe baza masurilor propuse de reducere a energiei consumate in conturul respectiv.
Acest indicator arata de fapt cate unitati monetare se economisesc anual prin reducerea consumului de energie in conturul considerat, pentru fiecare unitate monetara investita (consumata) pentru realizarea practica a reducerii preconizate.
Se constata ca inversul eficientei economice a masurilor de reducere a consumurilor energetice, reprezinta de fapt termenul de recuperare a investitiei necesitata de aceste masuri (TRIMRCE):
(1.7)
Cele expuse mai sus subliniaza urmatoarele elemente de baza, ce trebuie avute in vedere la analizele privitoare la utilizarea eficienta a energiei:
STRUCTURA UNUI SISTEM ENERGETIC DE CONSUM
Orice analiza de utilizare eficienta a energiei pleaca de la stabilirea conturului de referinta al obiectivului analizat. Aceasta presupune, in primul rand, cunoasterea obiectivului, a subansamblelor componente si a legaturilor existente intre acestea, sub aspect tehnologic si energetic.
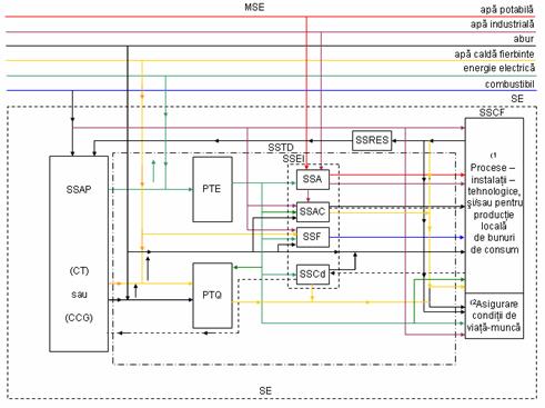
Indiferent de natura consumatorilor si a formelor de energie consumate, un sistem energetic (SE) se compune intotdeauna din 3 subansamble de baza, vezi figura 1.1.

Fig. 1.1 Structura generala a unui contur al unui sistem energetic (CSE)
Notiunea de sistem energetic este foarte importanta deoarece orice masura de eficientizare a utilizarii energiei aplicata in cadrul unuia din subsistemele componente are repercursiuni tehnice - energetice si economice asupra ansamblului. Trebuie tinut seama ca nu orice masura de crestere a eficientei energetice, aplicata la nivelul unui subsistem, este intotdeauna eficienta energetic si economic si la nivelul ansamblului sistemului din care acesta face parte. Ca urmare, decizia aplicarii solutiilor de crestere a eficientei energetice aferente unui subsistem se ia numai dupa verificarea rentabilitatii acestora la nivelul ansamblului sistemului din care acesta face parte.
Tabelul 1.1. prezinta categoriile generale de consumatori, destinatia diverselor consumuri, formele de energie consumate si principalele caracteristici de durata ale consumurilor respective. Se constata ca se poate vorbi de cinci categorii de consumatori, inclusiv transporturile. Fiecare din acestia face parte dintr-un sistem energetic caracteristic. Analizand scopul, caracteristicile de durata si formele de energie primara, intermediare si finale de consum, in figura 1.2 se prezinta forma cea mai generala a sistemului energetic, care prin particularizari descrie oricare din sistemele energetice specifice oricarui tip de consumator prezentat in tabelul 1.1 (exclusiv transporturile).
Analiza figurii 1.2 pune in evidenta principalele subansamble energetice, care compun un sistem energetic (SE) specific consumatorilor urbani, tertiari, agricoli sau industriali. Se constata ca intre acestea si macrosistemul energetic (MSE), pe de alta parte, exista legaturi biunivoce, atat din punct de vedere strict energetic, cat si economic.
Legaturile energetice intre diversele subansamble ale SE
si MSE
sunt determinate de schimburile diverselor forme de energie intre acestea, cum
ar fi energia electrica si caldura - sub forma de abur si/sau apa fierbinte ori
apa calda. Acestea sunt intotdeauna insotite si de legaturi de natura economica, prin valoarea economica a energiei
cumparate de SE de
Tabelul 1.1
Tipuri de consumatori si forme de energie consumata
|
Nr. crt. |
Tipul consumatorului |
Scopul consumului |
Forma finala de energie consumata(1 |
Forma intermediara de energie utilizata(2 |
Forma de energie primara consumata(3 |
Caracteristici de baza ale consumului |
|||||||||||||||||||||||||||||||||||||||||||||||||||||||||||||||||||||||||||||||||||||||||||||||||||||||||||||||||||||||||||||||||||||||||||||||||||||||||||||||||||||||||||||||||||||||||||||||||||||||||||||||||||||||||||||||||||||||||||||||||||||||||
|
|
|
|
|
|
|
|
|||||||||||||||||||||||||||||||||||||||||||||||||||||||||||||||||||||||||||||||||||||||||||||||||||||||||||||||||||||||||||||||||||||||||||||||||||||||||||||||||||||||||||||||||||||||||||||||||||||||||||||||||||||||||||||||||||||||||||||||||||||||||
|
|
urban (casnic) tertiar (social-administrativ) |
(locuinte, gospodarii, ferme, complexe zootehnice) |
incalziri spatiale (de locuit, spatii gospodaresti, spatii pentru animale) ventilari spatiale (spatii pasari - animale) climatizare (spatii pasari - animale) apa calda de consum aparate electrocasnice unelte si instalatii de productie locala pregatire hrana (oameni si animale) continuare tabelul 1.1
Nota: 1) reprezinta forma de energie efectiv consumata in procesul final de consum; 2) forma de energie intrata in instalatiile finale de consum ale consumatorului; 3) forma de energie intrata in instalatiile intermediare de transformare a formei de energie disponibila in forma de energie necesara instalatiilor intermediare; Q - caldura; E - energie electrica; F - frig; Cb - combustibil; Cb,cl - combustibil clasic; D,Cb - deseuri combustibile; Bio - biogaz; Esen - energie electrica din SEN; Ereg - energie electrica din resurse regenerabile de energie; RES - resurse energetice secundare sub forma de combustibil, caldura, lucru mecanic; de suprapresiune; LM - lucru mecanic pentru antrenari; El - energie electrica produsa local; S - sezonier; Czi - continuu zilnic; Can - continuu anual; Izi - intermitent in cursul zilei; C,an/s -continuu anual sau sezonier; C,zi/I,zi - continuu sau intermitent zilnic.
Fig. 1.2 Structura unui sistem energetic Legenda: MSE - macrosistemul energetic; SE - sistem energetic; SSAP - subsistemul autoproducerii energiei; SSTD - subsistemul transportului si distributiei energiei; SSEI - subsistemele formelor intermediare de energie; SSCF - subsistemul consumului final de energie; SSA - subsistemul apei potabile si/sau industriale; SSAc - subsistemul aerului comprimat; SSF - subsistemul producerii frigului; SSCd - subsistemul condensat returnat; SSRES - subsistemul resurselor energetice secundare; PTE - posturi de transformare a energiei electrice; PTQ - posturi de transformare a caldurii (puncte termice); 1) - procese (instalatii) de consum in scopuri tehnologice (industriale) -in cazul consumatorilor industriali- sau pentru producerea locala a bunurilor de consum -in cazul consumatorilor agricoli; 2) procese (instalatii) de consum pentru asigurarea conditiilor de viata (in cazul consumatorilor urbani, tertiari si agricoli) sau ale conditiilor de munca (in cazul consumatorilor industriali). In interiorul SE, schimburile intre diversele subansamble sunt numai de natura energetica, daca din punct de vedere economic acestea (integral sau partial) nu reprezinta centre de profit. Chiar si in conditiile cand subansamblele componente (SSE) nu reprezinta centre de profit, schimburile energetice biunivoce trebuie monitorizate, atat din punct de vedere calitativ (al formei si calitatii energiei), cat si cantitativ. Acest lucru este util in momentul auditului energetic la nivelul SSE respective. Este de remarcat ca subanasamblul transportului si distributiei caldurii (SSTD) este compus din doua categorii de SSE:
In concluzie, analiza structurii unui SE si a fluxurilor de energie din cadrul sau evidentiaza ca acesta trebuie privit ca un tot unitar. Orice interventie - modificare - de orice natura in cadrul unui SSE al SE are efecte energetice biunivoce intre diversele SSE componente si in final are efecte de natura economica la nivelul ansamblului SE. Legaturile energetice intre SSE enumerate mai sus sunt realizate prin retelele electrice si termice. Acestea asigura tranzitul energiei, in conditiile cantitative, calitative si in timp impuse de consumatorii finali. Este vorba, in general, de retelele electrice de medie tensiune (REMT), pentru alimentarea PTE si a celor de joasa tensiune (REJT) pentru alimentarea tuturor celorlalte SSE din conturul SE. In cazul caldurii este vorba de retelele de abur, apa fierbinte si/sau apa calda, ori de agentii de racire (produsi de SSF), care fac legatura intre MSE ori SSAP si PTQ ori diversele SSE, sau direct cu aparatele consumatoare ale SSC. Tinandu-se seama de structura unui sistem energetic (SE), prezentata in figura 1.2, diagrama corespunzatoare a fluxurilor transformarilor energetice care au loc, este redata in figura 1.3.
Fig. 1.3 Diagrama Sankey, a fluxurilor energetice; in cadrul conturului unui SE Legenda: SSAP, SSPT, SSE, SSCF - idem figura 1.2; RDEC, RDEI, RDEP - retele de distributie a energiei consumate, a celei intermediare si respectiv a celei produse; W - fluxuri intermediare de energie la intrarea/iesirea din diversele subansamble; WP - fluxurile pierderilor de energie in diversele SSE ale transformarilor energetice (WPcf, WPei, WPpt, WPp) si respectiv in retelele de legatura dintre acestea (WPrd1, WPrd2, WPrd3). Analiza transformarilor energetice, care au loc intr-un contur (SE), este bine a fi inceputa intotdeauna de la procesul consumator. In aceste conditii, tinandu-se seama de structura generala a unui SE, prezentata in figura 1.2, rezulta ca pierderile de energie care au loc in conturul respectiv se impart in doua mari categorii: a) pierderile de energie care apar in cazul transformarilor energetice din diversele subansamble unde au loc procese termodinamice complexe, cum este cazul pierderilor in: aparatele consumatoare ale energiei finale WPcf, subsistemele energetice intermediare WPei si WPpt si in subsistemul autopoducerii energiei, WPp; b) pierderile de energie care au loc in sistemele de transport si distributie a energiei, cu rol de interfete de legatura intre diversele subsisteme componente, cum sunt pierderile in retelele de distributie a energiei consumate (WPrd1), in cele de distributie a energiei intermediare (WPrd2)si cele de transport si distributie a energiei produse (WPrd3). Cele doua categorii de pierderi de energie ale SE considerat sunt date deci de: pierderile in procesele transformarilor termodinamice ciclice: WPcicl = WPcf + WPei + WPpt + WPp [j/t sau kWh/t (1.8) pierderile in procesele de transport si distributie a fluxurilor de energie: WPrd = WPrd1 + WPrd2 + WPrd3 [j/t sau kWh/t (1.9) unde "t" reprezinta durata de referinta avuta in vedere la analiza. In acceptiunea caracterului general al notiunii de eficienta energetica a utilizarii energiei intr-un contur (EFEN), asa cum a fost prezentata in §1.1, comparativ cu notiunea de randament energetic (RNEN), tabelul 1.2 prezinta expresiile eficientei energetice ale transformarilor energetice evidentiate in figura 1.3. Se remarca utilizarea celor doua forme de calcul ale EFEN: forma directa: EFEN = (energie utila - ENU)/(energie consumata - ENC); forma indirecta: EFEN = 1 - [(pierderile de energie - ENP)/(energie consumata - ENC)]. In forma directa se presupune ca se pot cuantifica cele doua categorii de energie, intrata in SE - ENC si respectiv iesita "util" din SE - ENU. Forma indirecta presupune ca pe langa energia consumata - ENC, s-au putut cuantifica si pierderile caracteristice transformarilor din SE. Aceasta forma este utila pentru ca evidentiaza care sunt pierderile energetice ce apar in transformarile energetice dintr-un SE totodata permite sa se cuantifice efectele asupra eficientei energetice a fiecarei masuri de reducere a oricarei categorii de pierdere energetica din conturul considerat. Tabelul 1.2 Eficienta energetica a transformarilor energetice dintr-un SE
unde: SWP - suma pierderilor energetice din conturul SE: SWP=WPcicl+WPrd in care WPcicl si WPrd sunt date de relatiile 1.8 si 1.9. Utilizand expresiile formelor directe de calcul a eficientei energetice a fiecarui subansamblu al SE, prezentate in tabelul 1.2, rezulta ca eficienta energetica a ansamblului SE este data de:
sau: EFEN (SE) fiind data de produsul unor valori majoritar subunitare, rezulta ca valoarea sa finala va fi mai mica decat cea mai mica valoare din cele 7 ce intra in cadrul produsului. Ca urmare, este de asteptat ca valoarea EFEN (SE) sa fie foarte mica: EFEN (SE) << 1. Cu alte cuvinte, cu cat un contur al unui SE cuprinde
mai multe subansamble energetice inseriate, cu atat eficienta energetica a
ansamblului Cresterea eficientei energetice autilizarii energiei Exprimarea eficientei energetice la nivelul unui SE -EFEN- dupa metoda indirecta prezentata in tabelul 1.2 permite afirmatia conform careia marirea acesteia presupune reducerea pierderilor de energie aparute in diversele subansamble componente. Solutiile de reducere a pierderilor de energie si eficienta energo-economica a aplicarii lor depinde in primul rand de natura acestora. In subcapitolul 1.3.1, prin relatiile (1.8) si (1.9), s-a aratat ca intr-un SE sunt doua categorii principale de pierderi energetice: cele din transformarile termodinamice, in care au loc procese de conversie a energiei dintr-o forma in alta (WPcicl) - date de relatia (1.8) si pierderile care apar in procesele de transport si distributie a energiei (WPrd) - date de relatia (1.9). Indiferent de natura pierderilor de energie ale unui subansamblu, din punct de vedere energetic, fiecare din acesta trebuie privit ca un contur, cu intrari, iesiri si pierderi de energie, dupa cum rezulta din figura 1.4. Interfata intre cele doua o reprezinta insasi aparatul (instalatia) din conturul subansamblului considerat.
Fig. 1.4 Analiza energetica a unui subansamblu - aparat sau instalatie In aceste conditii, orice subansamblu energetic este caracterizat, din punctul de vedere al eficientei sale energetice (EFEN=Wu/Wi=1-(WP/Wi), de trei categorii de elemente: a) elemente impuse de procesul care utilizeaza energia (Wu); b) aspecte determinate de subansamblul energetic in discutie; c) elemente ce caracterizeaza energia intrata in contur (consumata) - Wi. Deci, indiferent de subansamblul energetic considerat, eficienta utilizarii energiei in conturul respectiv, este determinata de urmatoarele elemente cu caracter general: a) elemente impuse de procesul care utilizeaza energia, Wu: b) elemente specifice aparatului (instalatiei) consumator tipul aparatului consumator - natura proceselor ce au loc in acesta; caracteristicile constructive ale aparatului consumator; starea tehnica reala si conditiile de exploatare curenta a aparatului consumator. c) elemente specifice energiei intrate in contur (aparat/instalatie), Wi: parametrii calitativi ai energiei intrate; Tabelele 1.3 - 1.4 prezinta aspectele caracteristice utilizarii energiei - sub forma de caldura -, pentru cele trei categorii de elemente enumerate mai sus, si caile de crestere a eficientei energetice specifice acestora, tinandu-se seama de structura SE descrisa in §1.3. Din analiza cailor de crestere a EFEN expuse in tabelul de mai sus rezulta o serie de masuri cu caracter general si unele specifice tipului instalatiilor consumatoare sau formelor de energie utilizate. Masurile, cu caracter general, de crestere a eficientei EFEN a utilizarii energiei intr-un contur, sunt:
Tabelul 1.3 Aspectele cresterii EFEN din punctul de vedere al procesului consumator de energie - sub forma de caldura
Tabelul. 1.4 Aspectele cresterii EFEN din punctul de vedere al aparatului - instalatiei - consumatoare de energie sub forma de caldura
continuare tabel 1.4
continuare tabel 1.4
Tabelul 1.5Aspectele cresterii EFEN din punctul de vedere al formei de energie intrata in instalatiile consumatoare
agentului termic respectiv. inventarierea r.e.s., rezultate dupa reducerea in limitele tehnico-economice rentabile a pierderilor energetice, cu stabilirea directiilor de recuperare si a gradului optim, tehnico-economic, de recuperare a acestora; dimensionarea capacitatilor instalatiilor, pentru a le asigura o incarcare cat mai apropiata de capacitatea nominala, evitandu-se functionarea de durata la sarcini partiale reduse; adoptarea unor solutii tehnice adecvate pentru a asigura o functionare
continua cu incarcare cat mai in faza de functionare a unei instalatii existente optimizarea regimurilor de incarcare a instalatiilor, in functie de conditiile calitativ-cantitative si de variatie in timp impuse de catre consumator energiei intrate; reducerea pierderilor de agent energetic prin neetansitatile elementelor componente ale instalatiilor din conturul considerat; reducerea pierderilor de caldura ale diverselor subansamble ale instalatiilor considerate printr-o buna intretienere curenta a acestora. Cresterea eficientei utilizarii energiei intr-un contur are urmatoarele efecte: a) directe reducerea consumului de energie primara care asigura energia "economisita" la nivelul proceselor de consum din conturul considerat; reducerea consumului de energie la nivelul conturului instalatiei avuta in vedere, ceea ce va reduce pierderile astfel rezultate, deci si emisiile poluante datorate acestora, dupa cum rezulta din analiza de principiu prezentata in figura 1.5 si in tabelul 1.6.
Fig. 1.5 Efectele cresterii eficientei utilizarii energiei pentru un contur (instalatie consumatoare - IC), in conditiile: a - situatia initiala; b - situatia existenta dupa aplicarea masurilor de crestere a eficientei utilizarii energiei (EFEN) unde: MP - materii prime; PF
- produse finite; WPF - continutul de energie al produselor finite; Tabelul 1.6 Efectele asupra poluarii mediului a cresterii eficientei energetice
Comparatia intre cele doua situatii, pentru aceeasi instalatie consumatoare - IC, in aceleasi conditii cantitative si calitative de desfasurare a proceselor din cadrul IC, arata ca o crestere a eficientei utilizarii energiei (EFEN*>EFEN) conduce implicit la reducerea pierderilor de energie (WP*<WP), ceea ce determina deci si micsorarea emisiilor poluante datorate acestora (EmP*<EmP). b) efectele indirecte asupra mediului sunt determinate de economia de energie primara consumata (DWi,ec=Wi-Wi*), care reduce apelul la sursele de energie primara, cu reducerea corespunzatoare a poluarii mediului, determinata de extractia, transportul, manipularea combustibilului respectiv, inclusiv aceea datorata insasi de reducerea consumului de energie primara consumata pe parcursul derularii acestor operatiuni. Reducerea poluarii mediului are loc, pe de o parte prin reducerea propriuzisa a emisiilor poluante ale proceselor ce au loc in instalatiile considerate, ceea ce reduce efortul financiar necesar pentru reducerea lor in conditiile lipsei cresterii eficientei energetice si pe de alta parte aceasta reducere determina valoarea ecotaxelor pentru emisiile poluante (taxa de CO2) in atmosfera. Figura 1.6 prezinta schema logica a efectelor asupra mediului a cresterii eficientei utilizarii energiei in cadrul unui contur "X", din punctul de vedere al: efectelor cuantificate la nivelul conturului "X" in discutie; efectelor cuantificate la nivel global, al medului din care face parte conturul "X".
Fig. 1.6 Efectele asupra mediului a cresterii eficientei utilizarii energiei in cadrul unui contur "X" Cresterea eficientei economice a utilizarii energiei In subcapitolul 1.1 s-a definit notiunea de "eficienta economica a energiei consumate (EFECE)", ca fiind raportul intre valoarea economica a energiei utile rezultata dintr-un contur (VEEU) si valoarea economica a energiei consumate (intrate) in contur (VEEC): EFECE = VEEU / VEEC. De asemenea, s-a definit "eficienta utilizarii energiei" intr-un contur, ca raportul intre energia utila (ENU) si aceea consumata (intrata) in contur (ENEC): EFEN = ENU / ENC. In conditiile aceleiasi energii utile "ENU", deci a aceleiasi productii finite utile "PF" cu aceeasi valoare specifica pe piata (VSPPF) si pentru acelasi cost specific (CSPENC) al energiei consumate (ENC), rezulta ca daca:
atunci, pentru PF = ct.; VSPPF = ct. si CSPENC = ct., este valabil:
Tinandu-se seama si de efectele economice determinate de reducerea poluarii mediului, prin intermediul ecotaxelor si a costurilor suplimentare pentru reducerea emisiilor poluante la nivelul maxim admis prin norme, rezulta ca marirea eficientei utilizarii energiei conduce la cresterea corespunzatoare a eficientei economice, pe urmatoarele cai: a) direct, la nivelul conturului "x" analizat, prin: - reducerea costurilor anuale cu energia primara consumata (ENC), care se diminueaza, dupa cum s-a aratat mai sus; - reducerea costurilor initiale si anuale aferente instalatiilor specifice inroduse pentru a reduce emisiile poluante - datorate pierderilor de energie din contur - la limita maxima admisa de norme; - reducerea valorilor anuale ale ecotaxelor, datorita reducerii emisiilor cu efect de sera, pe seama reducerii cantitatii de gaze de ardere evacuate in atmosfera, ca urmare a reducerii consumului de combustibil (reducerea ENC); b) indirect, la nivelul macrosistemului (MS), prin: - reducerea investitiilor si costurilor anuale aferente extractiei, transportului, manipularii - stocarii combustibilului economisit: ENCEC=[ENC(initiala)]-[ENC*(dupa aplicarea masurilor de crestere a eficientei utilizarii energiei la nivelul conturului "x")]. Pentru conturul "x" acesta se manifesta, de fapt, prin reducerea costului specific al combustibilului consumat (CSPENC), care intr-o prima ipoteza s-a considerat constant; - reducerea emisiilor poluante aferente operatiilor de extractie, transport, manipulare - stocare - a combustibilului economisit. Aceasta inseamna micsorarea costurilor initiale si de exploatare pentru instalatiile suplimentare care asigura reducerea emisiilor poluante; - reducerea valorilor ecotaxelor aferente micsorarii emisiilor de gaze cu efect de sera, rezultate din procesele respective. Pentru conturul "x", efectele reducerii emisiilor poluante la nivelul macrosistemului se manifesta in final prin reducerea de fapt a costului specific al energiei primare consumate in conturul respectiv. Deci, din punct de vedere economic, cresterea eficientei utilizarii energiei in conturul "x", conduce in final la reducerea valorii economice a energiei consumate (VEEC), dupa cum rezulta din figura 1.7.
Fig. 1.7 Efectele economice ale cresterii eficientei utilizarii energiei Legenda: EFEN(x) - eficienta utilizarii energiei in conturul "x"; ENC(x) - energia primara consumata in conturul "x"; CENP(x) - costurile directe cu energia primara, la nivelul conturului "x"; CRed.Em.P(x) - costurile pentru reducerea emisiilor poluante necesare la nivelul conturului "x"; ECOT(x) - ecotaxele la nivelul conturului "x"; CTOTPF(x) - costurile totale pentru realizarea productiei finale la nivelul conturului "x"; CENP(MS), CRed.Em.P(MS) si ECOT(MS) sunt similare cu CENP(x), CRed.Em.P(x) si ECOT(x), la nivelul macrosistemului (MS); CTOTENC(MS) - costul total al energiei primare consumata in conturul "x". Document InfoAccesari: 5059 Apreciat: Comenteaza documentul:Nu esti inregistratTrebuie sa fii utilizator inregistrat pentru a putea comenta Creaza cont nou A fost util?Daca documentul a fost util si crezi ca meritasa adaugi un link catre el la tine in site in pagina web a site-ului tau.
Copyright © Contact (SCRIGROUP Int. 2026 ) | ||||||||||||||||||||||||||||||||||||||||||||||||||||||||||||||||||||||||||||||||||||||||||||||||||||||||||||||||||||||||||||||||||||||||||||||||||||||||||||||||||||||||||||||||||||||||||||||||||||||||||||||||||||||||||||||||||||||||||||||||||||||||||||