Documente online.
Zona de administrare documente. Fisierele tale
Am uitat parola x Creaza cont nou
 HomeExploreaza
upload
Upload




Characterization of the PMOS Transistor for Circuit Simulation

technical


Characterization of the PMOS Transistor for Circuit Simulation

P3.1 SPICE Parameters and Pin Diagram

P3.2 SPICE Equations



P3.3 PMOS Transistor

P3.4 Low-Voltage Linear Region of the Output Characteristic

P3.5 PMOS Parameters from the Transfer Characteristic

P3.6 PMOS Lambda from the Transfer Characteristic

P3.7 PMOS Output Characteristic

P3.8 PMOS Lambda

Exercises and Analysis Exercise03.mcd - Project03.mcd

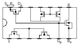
P3.1 SPICE Parameters and Pin Diagram

SPICE PARAMETERS

SPICE Name

Math Symbol

Description

VTO

Vtno, Vtpo

Zero VSB threshold voltage.

KP

Transconductance parameter.

GAMMA

gn gp

Threshold voltage parameter.

LAMBDA

ln lp

Active-region slope parameter.

CD4007 Pin Diagram

P3.2 SPICE Equations

SPICE Equation (PMOS)

NMOS Eq.

Description

Output characteristic low-voltage conductance.

Output characteristic for full linear range (0<VSD<Veffp).

Active region transfer characteristic and output characteristic (VSD>Veffp).

Active region relation solved for VSG.

P3.3 PMOS Transistor

Use pins 6 (gate), 14 (source), and 13 (drain). Connect the NMOS body (pin 7) to the most negative node, Chan1_out, for PMOSparam.vi. Leave pin 7 disconnected when running PMOSoutput.vi. Note that the source and body for this transistor are internally connected. Note that Chan0_in is used for positive voltages only. Thus, it is always set automatically for the unipolar mode, which slightly improves the resolution. Chan1_in must measure positive and negative voltages.

P3.4 Low-Voltage Linear Region of the Output Characteristic

Components

LabVIEW Computations

Procedure

Run PMOSlinear.vi and adjust VSGstart(V) such that Veffpstart(V) > 0.5 V. The maximum ID is set for 0.1 V. Run the VI to obtain parameters as indicated in the Front Panel. Default and save the Front Panel to save information for the Mathcad analysis.

P3.5 PMOS Parameters from the Transfer Characteristic



Components

LabVIEW Computations

Procedure

Run PMOSparsub.vi with VSD = 3 V and VSD = 9 V. VDD (Chan0_out) starts at 2 V such that the minimum current is IDmin = (2 V - VSGmin)/RS. ID stops automatically at ID = 500 mA or Chan0_out = 10 V. Verify that the VI functions properly. PMOSparsub.vi will run as a subVI of the next VI.

P3.6 PMOS Lambda from the Transfer Characteristic

Components

LabVIEW Computations

Procedure

Run PMOSparam.vi to run subVI PMOSparsub.vi at VSD = 3 V and VSD = 9 V to resolve Lambda and final values of kp and Vtpo. Default and save the Front Panel to save the parameter values for the Mathcad results analysis file.

P3.7 PMOS Output Characteristic

Components

LabVIEW Computations

Linear Region

Active Region

Procedure

Install PMOS parameters from P3.6 into the Front Panel of PMOSoutput.vi. A given VSD sweep will halt at Chan0_out = 10 V. Set VSGstart(V) as necessary to obtain ID mA for VSD in the active region. Verify that the measured data and SPICE calculation agree reasonably well. Write in you file path and save a data file for Mathcad. The file will contain the data points for the highest current output characteristic. Default Front Panel and save. These data will be used in the Mathcad analysis file.

With the data defaulted and saved in the graph of the VI, a data file can be obtained at a later time. From the Diagram of PMOSoutput.vi, click on XYtoDataFile.vi, copy the data from PMOSoutput.vi, and paste it into the Control Graph of XYtoDataFile.vi. Name the path and data file and run the VI. XYtoDataFile.vi is located in the User.lib in the LabVIEW folder. Therefore, it can also be opened from the Diagram of a VI under Functions>>User Libraries>>Dat_File.

P3.8 PMOS Lambda

LabVIEW Computations

Straight-line curve fit from active region data:

ID = Slope · VSD + IDo

lp = Slope/IDo kp = IDo/Veffp2

Procedure

Lambda.vi is configured for Enable Data Base Access to read the data from PMOSoutput.vi. Lambda.vi can read all of the Front Panel information in PMOSoutput.vi when a log of the Front Panel has been obtained.

From the Diagram of Lambda.vi, open PMOSoutput.vi. Obtain a data log of the Front Panel of the PMOSoutput.vi (under Operate Menu).

Run Lambda.vi to read the graph of measured data (from PMOSoutput.vi) and to plot the measured data from the active region. The VI obtains Kp and lp from these data, for each of the voltage sweeps. Note that Lambda varies. Compare the average Lambda value with that from PMOSparam.vi.

Click on Call PlotID_VSD.vi Green to bring up a plot of the active-region equation plot for -1/lp < VSD < VSDmax, compared with the measured data. Lambda.vi will be used in the Mathcad analysis file.




Document Info


Accesari: 4644
Apreciat: hand-up

Comenteaza documentul:

Nu esti inregistrat
Trebuie sa fii utilizator inregistrat pentru a putea comenta


Creaza cont nou

A fost util?

Daca documentul a fost util si crezi ca merita
sa adaugi un link catre el la tine in site


in pagina web a site-ului tau.




eCoduri.com - coduri postale, contabile, CAEN sau bancare

Politica de confidentialitate | Termenii si conditii de utilizare




Copyright © Contact (SCRIGROUP Int. 2025 )