Documente online.
Zona de administrare documente. Fisierele tale
Am uitat parola x Creaza cont nou
 HomeExploreaza
upload
Upload




NMOS Source-Follower Stage

technical


NMOS Source-Follower Stage

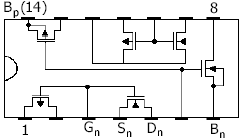
P8.1 SPICE Equations and Pin Diagram

P8.2 Source-Follower DC Evaluation



P8.3 Source-Follower Voltage Transfer Relation

P8.4 Source-Follower Voltage Transfer Relation with Body Effect

Exercises and Analysis Exercise08.mcd - Project08.mcd

P8.1 SPICE Equations and Pin Diagram

SPICE Equation

Description

Threshold voltage for VB = VSS.

Source-follower voltage-transfer relation with 19119m1218t Vsb = 0.

Source-follower voltage transfer relation with 19119m1218t body effect.

Body-effect transconductance.

CD4007

Do not connect pin 14.

P8.2 Source-Follower DC Evaluation

Pin 14 must not be connected. Chan0_out will be plus and minus and the drain is at ground.

Components

For Gain.vi

Note that with RS is selected for the condition of maximum body-effect (VGSmax 5 V), IDmax > 500 mA for the case without body effect. The current sweep VI's halt at ID = 500 mA.

Procedure

In the Front Panel of DCcheck.vi, set the value of RS in the Digital Control. With VSS (magnitude) set at 10 V, run the VI to verify the dc design. Note that | VS| is equal to the VGS magnitude. Verify that ID > 500 mA for this case of no body effect.

P8.3 Source-Follower Voltage Transfer Relation



Pin 14 must not be connected to ground. Chan0_out will be greater than 0 for the positive signal.

LabVIEW Computation

Procedure

GainSF.vi measures the gain (transfer relation) of the circuit over a range of drain current. Parameters Vtno and knprime are obtained from the ID sweep. Vtno is used in the voltage transfer-relation calculation as plotted along with the measured data.

Open GainSF.vi and install your value of RS. Open FG1Chan.vi to observe the waveform at the output. Run the VI and verify that the curves match reasonably well as in the example. Adjust the magnitude of VSS to obtain a minimum ID of about 50 mA

Adjust the value of Vs while rerunning the VI. Use the largest Vs without distortion. Large-signal distortion is manifested by a poor curve fit, particularly at the low end of the current range.

Default and save the Front Panel. The value obtained for knprime must be available for the next VI. It is used in the calculation of . The alternative form, gm = 2ID/Veffn, is used in the calculations for this VI.

Obtain a data file of the plot using XY1ToDataFile.vi.

P8.4 Source-Follower Voltage Transfer Relation with Body Effect

Pin 14 must not be connected to ground. Chan0_out will be greater than 0 for the positive signal.

LabVIEW Computation

Procedure

Move the body pin connection as in Circuit P8.2. In GainBE.vi, install a first-guess value for gn Project 4). Install the value of knprime, obtained from the Front Panel of GainSF.vi. Run the VI and readjust gn for the best fit. Adjust |VSS| init for a minimum ID of about 50 mA. Note the reduced value of the voltage transfer relation (gain).

Open Compare.vi from Project08.llb. Paste the results from the graphs of the plots for with and without body effect into the control graphs. Run the VI to compare the results.

Use XY1ToDataFile.vi to obtain a data file of the plot in GainBE.vi.




Document Info


Accesari: 2111
Apreciat: hand-up

Comenteaza documentul:

Nu esti inregistrat
Trebuie sa fii utilizator inregistrat pentru a putea comenta


Creaza cont nou

A fost util?

Daca documentul a fost util si crezi ca merita
sa adaugi un link catre el la tine in site


in pagina web a site-ului tau.




eCoduri.com - coduri postale, contabile, CAEN sau bancare

Politica de confidentialitate | Termenii si conditii de utilizare




Copyright © Contact (SCRIGROUP Int. 2025 )