In this unit we consider the most common applications of operational amplifiers where the circuit uses a capacitor as the key component. Included are the opamp integrator and a basic opamp square-wave oscillator. Both forms are investigated in projects.
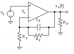
The noninverting or inverting resistance-feedback amplifier can be converted into an integrator with the addition of a feedback capacitor, Cf, as shown in Fig. 12.1. Specifically, the feedback resistor is replaced with Cf, except that the resistor Rf must remain for dc stabilization purposes.

The operation of the integrator can be explained as follows. For the initial discussion, assume that Rf is infinite. Upon application of a constant voltage Vs, a current is induced in Ry, which is
Equation 12.1
![]()
The
approximation relies on the fact that 656i816g V
0, which can be expected. The resulting output
voltage is
Equation 12.2
![]()
To a good approximation, vo(t) is proportional to the integral of the input. Performing the integration, the result is
Equation 12.3
![]()
If Vs is the magnitude of a square-wave, the output will be a triangular wave. In the integrator project we explore the integrator by using it to generate a triangular wave. The project design calls for a peak of the triangular wave equal to a few volts, that is, a significant portion of the power-supply voltage. The time of integration for the plus or minus segment of the square-wave input is T/2, where T is the period and T = 1/f, that is, the inverse of the square-wave frequency. The peak of the triangular wave then is based on
Equation 12.4
![]()
The 2 Vopeak is due to the fact that the integration is from minus Vopeak to plus Vopeak. The voltage drop across Ry has been neglected in the output.
Suppose we choose Cf as the design parameter where Vs, T, Vopeak, and Ry (from Unit 11) are given. The capacitor is then selected according to
Equation 12.5
![]()
For example, for Vs = 1 mV, Vopeak = 5 V, Ry = 220 W and T = 1 mS (f = 1 kHz), Cf = 23 nF.
In the integrator project, a sine-wave source is used. The integrated output for this case is
Equation 12.6
![]()
The sine term can be neglected and the resulting formulation can be used to predict the peak of the cosine for a given Cf and peak Vs.
A more general solution for the output voltage for the noninverting integrator includes the current through the resistor Rf. If we neglect the voltage across Ry, ( ) becomes, for this case (constant input or square-wave input)
Equation 12.7
![]()
The solution is
Equation 12.8
![]()
Replacing the exponential with the first three terms of an infinite series gives
Equation 12.9
![]()
This demonstrates that for the circuit to function properly as an itegrator, the choice of Rf should satisfy RfCf >> T/2. In the above example, Cf = 23 nF. With this capacitor and Rf = 1 MW, for example, RfCf = 23 ms, compared with T/2 = 0.5 ms. The magnitude of Rf must also satisfy the requirement of sustaining the operational amplfier in the active mode. The solution for the periodic square-wave input, giving an approximate trianglar-wave output, unlike ( ), includes the fact that the transient does not start at zero volts. This case is considered in Exercise12.mcd, Part 2. The output voltage function equivalent to ( ) for the inverting-mode integrator is
Equation 12.10
![]()
This would apply to the circuit of Fig. 12.1 with the plus input grounded and the source, Vs, attached at the grounded end of Ry.
The opamp can serve as a square-wave oscillator by adding positive feedback with R1 and R3 and replacing Ry with a capacitor Co, as shown in Fig. 12.2. The frequency of the operation can be computed on the basis of the following derivation. With positive feedback, the circuit is unstable and the output voltage is either Vop or -Vom, that is, the positive or negative limit. The limits are close to VDD or VSS. These voltage values are applied to the input through the positive feedback network such that the plus input terminal is either at
Equation 12.11
![]()
or
Equation 12.12
![]()

where Vom is positive.
However, the
negative-feedback circuit consisting of Rf and Co will
cause the capacitor to charge up toward the voltage at the output. For example,
suppose that for an interval of time, vo(t) = Vop
VDD. Also assume that R3 = R1 such that
the plus input is at Vop/2. When the capacitor charges up to and
just beyond Vop/2, the opamp input V
changes sign and the output will switch over
to vo(t) = -Vom. At this point, the capacitor begins
charging toward the opposite polarity, and so forth.
For a given output, the time-dependent capacitor voltage is a simple RC transient. For example, for vo(t) = Vop,
Equation 12.13

with a steady-state value of Vop. As an oscillator, the capacitor voltage will never reach the steady-state value; the transient terminates at the value given by (
The output is switching back and forth from Vop to -Vom. Therefore, the initial value of the capacitor voltage in ( ) is
Equation 12.14
![]()
Using this to obtain a complete solution for ( ) results in
Equation 12.15

We define t = Tplus as the positive time segment of the square-wave period. As noted, this corresponds to the time where the output switches to -Vom; that is,
Equation 12.16
![]()
Using ( ) in the left-hand side of ( ) gives an equation for Tplus as follows:
Equation 12.17

Then, solving for Tplus results in
Equation 12.18

Following the reasoning that led to ( ), the falling capacitor-voltage transient is
Equation 12.19

The total time interval (negative segment of the square-wave period) of the falling transient, t = Tminus, corresponds to the capacitor voltage, decreasing to
Equation 12.20
![]()
Using ( ) in ( ) gives the equation for Tminus, which is
Equation 12.21

This leads to
Equation 12.22

A special case is for R1 = R3, where ( ) and ( ) become
Equation 12.23
![]()
and
Equation 12.24
![]()
The oscillator period is T = Tplus + Tminus or, for this special case,
Equation 12.25
![]()
A good
estimate comes from the approximation Vop
Vom. The result is
Equation 12.26
![]()
Note that although Tminus and Tplus can be significantly different [from ( ) and ( )], the sum is well represented by ( ). Note also that the waveform is strictly a square-wave only if Vop = Vom.
LabVIEW uses ( ) to calculate the actual value of the capacitor used in the project on the oscillator. In the project, period T is a measured value. Shown in Fig. 12.3 is a project result of the measurement of the output voltage and capacitor voltage for the oscillator. Power-supply voltages were set at plus and minus eight volts and R1 = R3.

|
|
Opamp-integrator equation for determining triangular-wave peak amplitude for applied square-wave with peak Vs and period T. |
|
|
Opamp-integrator equation for determining output waveform for sine-wave input with peak Vs and period T. |
|
|
Equation for the opamp-oscillator period, for the case of R1 = R3. |
|
|
Equation for opamp-oscillator period, for the case of R1 = R3 and equal positive and negative peak magnitudes. |
![]()
|
Project Mathcad Files |
Exercise12.mcd - Project12.mcd |
|
Laboratory Project 12 |
Operational Amplifier Integrator and Oscillator |
|
P12.2 |
Opamp Integrator |
|
P12.3 |
Opamp Oscillator |
|