

TIETOTEKNIIKKA TIE70A
Opintosuunta ja luokka
Elektroniikan
LABORATORIOTYÖ
N:o A6
Työryhmä no:1
Tarkastanut:_____ _______ ______ ____________ Selostuksen laatija:
Sisällysluettelo Sivu
Annettu tehtävä__________ ______ ____ _____ _______ ______ _______________2
Teoria__________ ______ ____ __________ ______ ____ ______ 2
2.1 Zenervakavointi__________ ______ ____ _____ _______ ______ ___________ 2
2.2 Kiinteät regulaattoripiirit__________ ______ ____ __________________2-3
2.3 Säädettävät regulaattoripiirit__________ ______ ____ _________________4
Käytetyt välineet__________ ______ ____ _____ _______ ______ ______________4
Työnsuoritus__________ ______ ____ __________ ______ ____ _4
Mittaustulokset__________ ______ ____ _____ _______ ______ _____________ 5-7
Laskut ja vertailu__________ ______ ____ _____ _______ ______ ____________7-9
Omia mietteitä__________ ______ ____ _____ _______ ______ _______________9
Mittauspöytäkirja ja simulointi__________ ______ ____ _____________liitteet
Työssä oli tarkoituksena tutustua vakavointipiirien toimintaan ja vakavointi ominaisuuksiin. Mittauksissa saatujen tulosten perusteella määrätään piirin jännitevakavointikertoimet.
2.0 Teoria:
Käyttöjännitteet pyritään yleensä vakavoimaan elektroniikkalaitteissa. Jännitteen vakavointipiiri voidaan rakentaa erillisistä komponenteista. Yleisemmin käytetään kuitenkin valmiita integroituja vakavointipiirejä.
2.1 Zenervakavointi
Zenervakavointi voidaan toteuttaa zenerdiodilla ja vastuksella alla
olevan kuvan mukaisesti. Diodi toimii zeneralueella, jolloin sen jännite on Uz.
Kuormitusvastus
saa tämän jännitteen,
joten Uo = Uz. Sisään syöttävän jännitteen Ui tulee olla selvästi suurempi, n.
1,5-3 kertaa Uz. Ylimääräinen jännite kuluu jännitehäviönä etuvastuksessa R.
Käytännössä vakavointi on yleensä edullisinta toteuttaa integroituja
regulaattoripiirejä käyttäen. Niiden etuina on:
Käytön kätevyys. Yhdellä piirillä korvataan monta erillistä komponenttia.
Vakavointi on tarkempi kuin erillisistä komponenteista rakennetuissa laitteissa.

Piirit on
yleensä varustettu sisäänrakennetulla suojauksella ylikuormitusta ja
ylikuumenemista vastaan.
Piirit ovat huokeita.
Kiinteälle jännitteelle tarkoitettuja regulaattoripiirejä valmistetaan tavallisimmin käytetyille jännitearvoille 5, 6, 8, 12, 15, 18 ja 24 volttia. Piirejä valmistetaan napaisuudeltaan kahta laatua. Toiset antavat maahan nähden positiivisen ja toiset negatiivisen jännitteen. Esimerkkinä positiivisista regulaattoreista on yleisin 7800 -sarja ja negatiivisista 7900 -sarja. Esim. 7805 on 5 V positiivinen regulaattori ja 7905 on 5 V negatiivinen regulaattori. Em. Regulaattoreita käyttäessä on huomattava, että 7900 -sarjan johdin järjestys eroaa 7800 -sarjasta. Alla olevassa kuvassa on esitetty TO-220 -koteloon sijoitettujen regulaattorien kytkennät. Väärä kytkentä saattaa aiheuttaa regulaattorin tuhoutumisen.

Regulaattoreita käytetään tavallisesti alla olevassa kuvassa esitetyllä tavalla. Piirin tulonapaan tuodaan tasasuunnattu ja vakavoitu jännite. Kondensaattoria C1 tarvitaan jos etäisyys suodatuskondensaattorista on suuri. Lähtönavoissa on toinen kondensaattori C2, jonka tarkoituksena on vähentää jänniteheilahduksia silloin, kun kuormitusvirran arvo vaihtelee nopeasti.

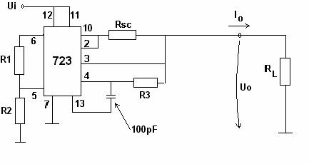
Säädettävät regulaattoripiirit ovat tarpeen, jos halutaan portaattomasti säädettävää jännitettä. Myös näitä piirejä on saatavissa erikseen positiiviselle ja negatiiviselle jännitteelle. Säätöalue tavallisimmin n. 2-35 V. Saatavissa on myös piirejä, joiden säätöalue alkaa 0 voltista. Tunnettu piiri on 723, jolla on monia valmistajia. Se on positiiviselle jännitteelle tarkoitettu piiri, jonka lähtöjännite on säädettävissä välillä 2-37 V. Piiri on pienitehoinen ja se antaa korkeintaan 150 mA virran. Virranantokykyä voidaan lisätä ulkopuolisella transistorilla. Jännite asetetaan ulkopuolisilla vastuksilla ja piiriin voidaan lisätä virran rajoitus kytkentä. Regulaattorille 723 voidaan käyttää kuvassa esitettyä kytkentää, joka antaa 2-7 V. Lähtöjännitteen määräävät vastusten R1 ja R2 arvot:
![]()
jossa Uref = 7,15 V on piirin kehittämä nastasta 6 saatava sisäinen vertailujännite. Vastus Rsc rajoittaa piirin antaman virran maksimiarvoon.
![]()

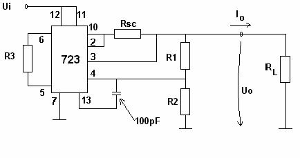
Jos halutaan yli 7 V suuruisia jännitteitä, käytetään alla olevan kuvan mukaista kytkentää.
Siinä lähtöjännite on:
![]()
ja maksimivirta
![]()

3.0 Käytetyt välineet
jännitelähde
yleismittareita 3 kpl
kytkentäalusta
723:lla toteutettu mittauskytkentä
datakirjat
kondensaattoreita 220nF 2kpl
4.0 Työnsuoritus
Mittasimme ensin zenervakavointipiirin ominaisuuksia vaihtelemalla jännitettä 8.10 V välillä virran ollessa vakio. Totesimme, että jännite saadaan vakavoitua hyvin tälläkin tavalla. Tämän jälkeen mittasimme regulaattorin 7805 ominaisuuksia ja totesimme, että regulaattori 7805 vakavoi hyvin lähtöjännitteen, vaikka virtaa kasvatetaankin. Sitten mittasimme regulaattoreiden 7805 ja 7905 lähtöjännitettä virran ollessa vakiona. Jännitettä vaihdeltiin 8.12 V välillä ja totesimme, että positiivinen regulaattori 7805 vakavoi jännitteen aika hyvin, mutta negatiivinen regulaattori 7905 vakavoi jännitteen 7805 paremmin. Tämän jälkeen mittasimme regulaattoripiirin 723 ulostulojännitteitä ja virtoja useilla eri vastuksen arvoilla. Tästä näimme, että vastuksia muuttamalla voidaan muuttaa sekä ulostulojännitettä ja ulostulovirtaa tietyn suuruiseksi.
5.0 Mittaustulokset

Mitattaessa
regulaattorin lähtöjännitettä normaaliin tapaan, on käytettävä mittarissa 20 V
aluetta. Silloin 3 ½ numeron mittarin resoluutioksi tulee 10mV. Integroitujen
regulaattorien ominaisuudet ovat niin hyvät, että tällä tavalla saadaan
näkyviin lähtöjännitteen pieniä muutoksia. Parempiin tuloksiin päästään alla
olevan kuvan mukaisella mittauskytkennällä. Jännite Uv otetaan toisesta
jännitelähteestä ja se säädetään n. 0,1 V pienemmäksi kuin Uo. Jännitemittari
voidaan nyt asettaa 200 mV alueelle, ja se näyttää erotusta Uo-Uv.
Lähtöjännitteen pienet muutokset näkyvät nyt helposti mittarissa, jonka
resoluutio on 0,1 mV.
5.1 Määrätään alla olevan kytkennän lähtöjännite Uo = f(Ui), kun tulojännite Ui vaihtelee välillä 8.10 V ja Io = 20 mA.

|
Ui/V |
Io/mA |
Uo/V |
Rl/W |
|
5.2 Määrätään alla olevan kytkennän lähtöjännite Uo = f(Io), kun Io = 0.200mA.

|
Ui/V |
Io/mA |
Uo/V |
Rl/W |
|
5.3 Määrätään saman kytkennän lähtöjännite Uo = f(Ui), kun tulojännite vaihtelee välillä 8.12 V ja lähtövirta on 100 mA. (regulaattori 7805)
|
Ui/V |
Io/mA |
Uo/V |
Rl/W |
|
|
Ui/V |
Io/mA |
Uo/V |
Rl/W |
|
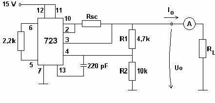
5.5 Määrätään alla olevan kuvan mukaisen vakavointikytkennän lähtöjännite Uo, kun R1 = 4,7 kW ja Rsc = 10W sekä a) Rl = 10kW ja b) Rl = 1 kW
Wj 
|
Uo/V |
Io/mA |
Rl/W |
|
|
a) |
10k |
||
|
b) |
1k |
|
Uo/V |
Io/mA |
Rl/W |
|
|
a) |
10k |
||
|
b) |
1k |
5.7 Määrätään Uo = f(Io), kun R1 = 4,7kW ja a) Rsc = 220W ja b) Rsc = 10W
|
Uo/V |
Io/mA |
Rl/W |
|
|
a) |
10k |
||
|
a) |
1k |
|
Uo/V |
Io/mA |
Rl/W |
|
|
b) |
10k |
||
|
b) |
1k |
6. Laskut ja vertailu
Lasketaan mittauksen 5.1 tulosten perusteella zenervakavointipiirin
a)
lähtöresistanssia
ei voi laskea, koska ei tietty muuttaa virtaa Io.
b)
jännitevakavointikerroin
![]()
Lasketaan mittauksen 5.2 tuloksista regulaattorin 7805
a)
lähtöresistanssi ![]()
b)
jännitevakavointikerrointa
ei voi laskea, koska Ui oli vakio 8 V.
Lasketaan mittauksen 5.3 tuloksista regulaattorin 7805
a)
lähtöresistanssia
ei voi laskea, koska Io oli vakio.
b)
jännitevakavointikerroin
![]()
Lasketaan mittauksen 5.4 tuloksista regulaattorin 7905
a)
lähtöresistanssia
ei voi laskea, koska Io oli vakio.
b) jännitevakavointikerroin ![]()
Määrätään mittauksen 5.5 perusteella regulaattoripiirin 723 lähtöresistanssi, kun a) R1 = 4,7kW ja b) R1 = 0
a) ![]()
b) ![]()
Määrätään mittauksen 5.6 perusteella regulaattoripiirin 723 lähtöresistanssi, kun a) R1 = 4,7kW ja b) R1 = 0
a) ![]()
b)


5.7 Vartaillaan zenervakavointipiirin ja integroitujen piirien vakavointiominaisuuksia keskenään.
Valmiiden integroitujen piirien ulostulojännitteen toleranssi on pienempi kuin zenervakavointipiireillä. Zenervakavointi piireillä saadaan kuitenkin aika hyvin ulostulojännite vakavoitua. Käytännössä vakavointi on yleensä edullisinta toteuttaa integroituja piirejä käyttäen. Integroituja piirejä käyttäessä korvataan monta erillistä komponenttia. Yleensä integroidut piirit on varustettu myös sisäänrakennetulla suojauksella ylikuormitusta ja ylikuumenemista vastaan.
7.0 Omia mietteitä:
Mittaukset olivat suhteessa aika helppoja tähän selostuksentekoon verrattuna. Työohjeissa oli kuitenkin aikamoisia puutteita, joten monta eri laskua jäi laskematta. Laskujen tulokset näyttävät kuitenkin pitävän ainakin niiltä osin paikkansa, mitä pystyi laskemaan.
8.0 Mittauspöytäkirja ja simulointi
(liitteet)
|