Heizung/Klimatisierung Golf 5
Aus dem Inhalt:
Klimaanlage
Heizungsbedieneinheit
Stellmotor
Frischluft- Heizgebl se
Vorwiderstand
Luftaustrittsd sen
Au entemperaturf hler
Beim GOLFATOURAN wird die Frischluft f r die Heizungsund Bel ftungsanlage von einem elektrischen Gebl se angesaugt. Bevor die Luft in den Innenraum gelangt, wird sie von einem Staub- und Pollenfilier gereinigt.
Erw rmt wird die Lult f r den Fahrzeuginnenraum ber den W rmetauscher oder sie wird, sofern vorhanden, im Verdampfer der Klimaanlage abgek hlt und dann auf die Luftaustrittsd sen im Fahrzeuginnenraum verteilt.
Der W rmetauscher wird st ndig von der hei en Motork hl-fl ssigkeit durchstr mt, so dass er die W rme f r den Fahrzeuginnenraum schnell an die vorbeistr mende Frischluft abgibt. Um den Luftdurchsatz im Fahrzeuginnenraum zu erh hen, kann das integrierte Frischluftgebl se in mehreren Leistungsstulen betrieben werden.
Soll keine Frischluft von au en angesaugt werden, zum Beispiel bei schlechter Au enluft, kann auf Umluttbetrieb umge-
|
|
GOLF/Heizung
Hinweis: Der Aulbau der Heizung ist beim TOURAN sehr hnlich.
- Armaturentafel
- Luftaustrittsd se Mitte
- Luftf hrungskanal rechts
- Luftaustrittsd se rechts
- Heizungbedieneinheit
- Stellmotor f r
FrischlufWUmluftklappe
- Luftaustrittsd se Fu raum rechts
- Gebl semotor
- Vorwiderstand f r Gebl semotor
Mit berhitzungssicherung.
- Abdeckung f r Heizger t
2 Kunststoltschrauben herausdrehen und Abdeckung abnehmen.
- Staub- und Pollenfilter
Mit Aktivkohlefilter.
- Verbindungsst ck der
Luftf hrung f r Mittelkonsole
- Luftf hrungskanal rechts f r
Fu raum hinten
Luftf hrungskanal links f r
Fu raum hinten 15-8 Schrauben f r Bedieneinheit
- Adapter f r Bedieneinheit
- Heizelement f r Zusatzheizung
Nur Dieselmotor.
- W rmetauscher
- Luftaustrittsd se Fu raum links
- Bowdenzug
f r Temperaturklappe
- Biegsame Welle f r Stelleinheit
Luftverteilerklappe
- Heizger t
- Luftf hrungskanal links
schaltet werden. In dieser Betriebsart wird nur die im Fahrzeug befindliche Luft umgew lzt. Geschieht das ber einen l ngeren Zeitraum, k nnen die Scheiben innen beschlagen.
Achtung: Wenn im Rahmen von Arbeiten an der Heizung auch Arbeiten an der elektrischen Anlage durchgef hrt werden, grunds tzlich die Batterie abklemmen. Dazu unbedingt Hinweise im Kapitel Batterie aus- und einbauen beachten.
Wird der GOLF/TOURAN von einem Dieselmotor angetrieben, ist zus tzlich ein PTC-Zuheizelement (Positive Tempe-rature Coefficient) vorhanden, um bei tiefen Au entemperaturen das Heizungsdefizit zu verbessern. Die Zusatzheizung ist im Heizger t unter dem W rmetauscher eingebaut. Nach dem Start des Motors erw rmt sich der elektrische PTC-Zu-heizer in Abh ngigkeit von der Au entemperatur und gibt innerhalb von Sekunden die W rme an die vorbeistr mende kalte Luft ab.
Tritt ein Fehler in der Heizungs- oder Klimaanlage auf, wird er in einem elektronischen Speicher abgelegt. ber ein Feh-
|
|
lerausleseger t kann der entsprechende Speicher ausgelesen werden. Eine exakte Fehlerdiagnose ohne Ausleseger t ist nicht m glich.
Klimaanlage
Auf Wunsch ist der GOLF/TOURAN mit einer Klimaanlage ausgestattet. Die Klimaanlage ist eine kombinierte K hl- und Heizanlage. Im K hlbetrieb arbeitet die Klimaanlage im Prinzip wie ein K hlschrank. Der Kompressor verdichtet das dampff rmige FCKW-freie K ltemittel R 134 A. Dieses erhitzt sich dabei und wird in den Kondensator geleitet. Dort wird das K ltemittel abgek hlt und verfl ssigt sich. ber das Expansionsventil wird das K ltemittel entspannt und in den Verdampfer eingespritzt, wo es auf Grund seines niedrigen Druckes verdampft. Es k hlt dabei stark ab.
|
|
Durch diesen Verdampfungs- und Abk hlungsprozess wird der von au en vorbeistreichenden Lutt W rme entzogen. Die Luft k hlt sich ab und mitgef hrte Luftfeuchtigkeit wird zu Kondenswasser, das ins Freie geleitet wird. Die Intensit t der K hlung ist abh ngig von der eingestellten Temperatur und von der Gebl seschalterstellung.
Sicherheitshinweis
Der K ltemittelkreislauf der Klimaanlage darf nicht ge ffnet werden, da das K ltemittel bei Hautber hrung Erfrierungen hervorrufen kann.
Bei versehentlichem Hautkontakt betroffene Stelle sofort mindestens 15 Minuten lang mit kaltem Wasser sp len. K ltemittel ist f rb- und geruchlos sowie schwerer als Luft. Bei austretendem K ltemittel besteht am Boden beziehungsweise in unteren R umen Erstickungsgefahr. Das K ltemittelgas ist nicht wahrnehmbar.
Durch das Abschalten der K hlanlage l uft der Klimakompressor nicht mit, so dass Kraftstoff eingespart wird. Bei Die-
selfahrzeugen wird au erdem die Zusatzheizung abgeschaltet. Auch diese Ma nahme dient der Kraftstoffeinsparung.
Hinweis: Die Klimaanlage sollte, vor allem in der kalten Jahreszeit, einmal im Monat f r einige Zeit bei h chster Gebl sestufe eingeschaltet werden, und zwar bei normaler und gleichm iger Fahrzeuggeschwindigkeit und bei betriebswarmem Motor. Dadurch wird sichergestellt, dass das im K ltemittel enthaltene Schmier l in Umlauf gebracht wird, die beweglichen Teile der Klimaanlage regelm ig geschmiert werden und die Dichtungen nicht por s werden.
Achtung: Arbeiten an der Klimaanlage d rfen nur von einer Fachwerkstatt durchgef hrt werden. Deshalb werden Reparaturen an der Klimaanlage nicht beschrieben.
Optional gibt es f r den GOLFATOURAN auch eine elektronisch gesteuerte Klimaanlage ( Climatronic Der Automatikmodus sorgt f r konstante Temperaturen im Innenraum und entfeuchtet die Luft im Fahrzeuginnern, so dass die Scheiben nicht beschlagen. Au erdem werden Lufttemperatur, Luftmenge und Luftverteilung automatisch geregelt und Schwankungen der Au entemperatur ausgeglichen. Im Econ-Betrieb wird die K hlanlage ausgeschaltet; dennoch wird die Heizungs- und Bel ftungsanlage automatisch geregelt.
Au entemperaturf hler aus- und einbauen
Ausbau
Der Temperaturf hler sitzt hinter der Sto f ngerabdeckung vor dem K hler.
Sto f ngerabdeckung vorn ausbauen, siehe Seite 276.
Hinweis: Der Ausbau des mittleren L ftungsgitters ist nicht ratsam, da dabei die Rasthaken des L ftungsgitters zu Bruch gehen.
Kunststofflaschen unten zusammendr cken und Temperaturf hler nach oben aus der Halterung ziehen.
Stecker am Temperaturf hler abziehen.
Einbau
Der Einbau erfolgt in umgekehrter Ausbaureihenfolge.
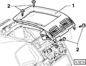
Luftaustrittsd se Mitte aus- und einbauen
GOLF
|
|
GOLF
1 - Auskleidungsmatte 2-2 Schrauben
- Ablagefach
- Luftaustrittsduse Mitte
- Sonnensensor
- Schraube
- Abdeckung
- Einraststellen vorne
9-2 Aufnahmen in der Radio-/Heizungsblende
10 - Kunststoffkeil
Zum Beispiel HAZET 1965-20.
Ausbau
Fahrzeuge ohne Climatronic Auskleidungsmatte -1- aus dem Ablagefach -3- herausnehmen. 2 Schrauben -2- herausdrehen und Ablagefach -3- aus der Armaturentafel herausnehmen.
Fahrzeuge mit Climatronic Z ndung ausschalten und Z ndschl ssel abziehen. Mit einem Kunststoffkeil -10-, zum Beispiel HAZET 1965-20, Sonnensensor -5-aus der Abdeckung -7- heraushebeln. Stecker vom Sonnensensor abziehen. Schraube -6- herausdrehen und Abdeckung -7- aus der Armaturentafel herausnehmen.
Mit einem Kunststoffkeil mittlere Luftaustrittsduse -4- an den vorderen Einraststellen -8- ausclipsen.
Luftaustrittsduse -4- aus den 2 Aufnahmen -9- in der Radio-/Heizungsblende herausziehen. Mittlere Luftaustrittsduse aus der Armaturentafel herausziehen.
Schalter f r Warnblinkleuchte aus der Luftaustrittsduse ausbauen, siehe Seite 112.
Einbau
Der Einbau erfolgt in umgekehrter Ausbaureihenfolge.
Luftaustrittsd sen seitlich aus- und einbauen
GOLF Ausbau

Mit einem Schraubendreher oder einem Kunststoffkeil, zum Beispiel HAZET 1965-20, Luftaustrittsd se -1- an der Seite aus der Armaturentafel heraushebeln. Hinweis: Zum Schutz eine Unterlage -2-, zum Beispiel einen Lappen, unterlegen.
Stecker an der R ckseite der Luftaustrittsd se abziehen.

4 Schrauben -2- herausdrehen und mittlere Luftaustrittsd se -1- nach hinten aus der Armaturentafel herausziehen.
Auf der R ckseite Stecker vom Schalter f r Warnblinklicht abziehen.
Einbau
Der Einbau erfolgt in umgekehrter Ausbaureihenfolge.
Seitliche Luftaustrittsd se
Ausbau
Einbau
Stecker an der R ckseite der Luftaustrittsd se aufschie
ben, Luftaustrittsd se in
den L ftungskanal einsetzen
und einrasten.
Luftaustrittsd sen aus- und einbauen
TOURAN
Mittlere Luftaustrittsd se
Ausbau
Blende der Radio-/Heizungskonsole ausbauen, siehe Seite 250.
Deckel des Ablagefachs in der Armaturentafel hochklappen und Schraube herausdrehen.
Ablagefach hinten aus den Aufnahmen herausziehen und nach oben aus der Armaturentafel herausnehmen.

Mit einem Kunststoffkeil, zum Beispiel HAZET 1965-20, Lautsprecherabdeckung -1- aus der Armaturentafel heraushebeln.
Schraube -2- herausdrehen und Luftaustrittsd se -3-an der Seite aus der Armaturentafel herausziehen.
Einbau
Der Einbau erfolgt in umgekehrter Ausbaureihenfolge.
Heizungs-/Klimabedieneinheit aus- und einbauen
GOLF/TOURAN
Ausbau
Z ndung ausschalten und Z ndschl ssel abziehen.
Blende der Radio-/Heizungskonsole ausbauen, siehe Seite 250.
Temperaturregler auf Kalt Gebl seregler auf und Drehregler f r Luftverteilung auf Fu raum stellen.

Einbau
Der
Einbau erfolgt in umgekehrter Ausbaureihenfolge, die
Drehregler dabei auf dieselbe Positionen stellen wie beim
Ausbau. Darauf achten, dass f r den einwandfreien Be
trieb der Bedieneinheit der Adapter und die Drehregler in
einer bestimmten Position zueinander stehen m ssen,
siehe unter Ausbau
Hinweis: Die Bedieneinheit f r die elektronisch gesteuerte Klimaanlage ( Climatronic ) ist mit 4 Schrauben befestigt. Die L ftungsklappen werden alle elektrisch angesteuert.
L ftungsklappen auf Funktion pr fen
Luftverteilerklappe: Gebl se auf h chster Stufe laufen lassen. Bei der Stellung Defrost muss die Luft auch aus der Entfrosterd se ausstr men, darf aber nicht aus den D sen im Fu raum str men. Andernfalls biegsame Welle vom Adapter abbauen, Drehregler um V4 Umdrehung drehen und Welle wieder aufstecken.
Temperaturklappe: Pr fen, ob sich der Regler im gesamten Einstellbereich leichtg ngig drehen l sst.
8 Schrauben -2- herausdrehen und Heizungbedieneinheit -1- aus dem Einbauschacht herausziehen. Dabei wird die Heizungbedieneinheit vom Adapter getrennt.
Stecker an der R ckseite der Heizungbedieneinheit abziehen.
Adapter vorsichtig aus dem Einbauschacht herausziehen.

An der R ckseite des Adapters Rastnase -1- dr cken -Pfeil- und biegsame Welle -2- f r Luftverteilerklappe aus dem Adapter herausziehen.
Fahrzeug ohne Klimaanlage: Bowdenzug f r Temperaturklappe am Adapter aush ngen.
Bowdenzug f r Temperaturklappe aus- und einbauen
GOLF/TOURAN, Fahrzeug ohne Klimaanlage
Stellmotor f r Frischluft-AJmluftklappe aus- und einbauen
GOLF, Fahrzeug ohne Climatronic
Ausbau
Heizungs7Klimabedieneinheit ausbauen, siehe entsprechendes Kapitel.
Biegsame Welle f r Luttverteilerklappe aus dem Adapter f r Bedieneinheit herausziehen.
GOLF: Obere Abdeckung im Fahrertu raum ausbauen, siehe Seite 253.

Ausbau
Achtung: Stellung der Umluftklappe w hrend der Ausbauarbeit nicht ver ndern.
Batterie abklemmen. Achtung: Hinweise im Kapitel Batterie aus- und einbauen beachten.
Handschuhfach ausbauen, siehe Seite 254.

Bowdenzug an der Stelleinheit t r Temperaturklappe -1-sowie am Gegenlager -2- aush ngen.
Abdeckung -1- vom Heizger t abclipsen.
Stecker vom Stellmotor -2- abziehen und Stellmotor aus den Aufnahmen herausziehen.
Einbau
t Bowdenzug an der Stelleinheit f r Temperaturklappe einh ngen, dabei darauf achten, dass der Zug unter dem Haken verlegt wird -Pfeil-.
Der weitere Einbau erfolgt in umgekehrter Ausbaureihenfolge. Temperaturklappe auf Funktion pr fen.
Einbau
Der Einbau erfolgt in umgekehrter Ausbaureihenfolge. Frischluft-/Umluftklappe auf Funktion pr fen.
Gebl semotor/Vorwiderstand f r Heizung aus- und einbauen
GOLF/TOURAN
Ausbau
Batterie abklemmen. Achtung: Hinweise im Kapitel Batterie aus- und einbauen beachten.

| N80-10014 |
2 Kunststoftschrauben -2- herausdrehen und Abdeckung -1- oben im Beifahrerfu raum abnehmen.

Zuheizelement aus- und einbauen
GOLF, Dieselmotor
Ausbau
Achtung: Zuheizelement vor dem Ausbau abk hlen lassen.
Batterie abklemmen. Achtung: Hinweise im Kapitel Batterie aus- und einbauen beachten.
Obere Abdeckung im Fahrerfu raum ausbauen, siehe Seite 253.
Ablagefach auf der Fahrerseite ffnen. Seitenw nde des Ablagefachs zusammendr cken und Ablagefach ber den Anschlag hinaus ganz aus der Armaturentafel herausklappen. Ablagefach kr ftig nach hinten ziehen, dabei unten an den Scharnieren ausrasten und aus der Armaturentafel herausziehen.
Schraube herausdrehen und Luftaustrittsd se -19- f r den linken Fu raum abziehen, siehe Abbildung N80-10061, Seite 122.

Schrauben -1- aus der Abdeckung -2- herausdrehen.
Mutter -3- f r Stromversorgung sowie Mutter -4- f r Masseanschluss abschrauben und Leitungen vom Zuheizelement abklemmen.
Stecker -5- vom Zuheizelement abziehen und Zuheizelement aus dem Heizger t herausziehen.
Stecker -1 - vom Gebl semotor abziehen.
Schraube -2- herausdrehen.
Rastlasche -3- entriegeln, Gebl semotor gegen den Uhrzeigersinn drehen -Pfeil A- und nach unten aus dem Heizger t herausziehen.
Einbau
Der Einbau erfolgt in umgekehrter Ausbaureihenfolge.
Vorwiderstand
Stecker -4- am Vorwiderstand abziehen.
Rastlasche -Pfeil B- dr cken und Vorwiderstand aus dem Heizger t herausziehen.
Einbau
Der Einbau erfolgt in umgekehrter Ausbaureihenfolge.
Neuen L ftermotor auf Funktion pr fen.
St rungsdiagnose Heizung
St rung
Heizgebl se l uft nicht.
Ursache
Sicherung f r Gebl semotor defekt.
Gebl seschalter defekt. Gebl sewiderstand defekt.
Gebl semotor defekt.
Abhilfe
Sicherung f r Gebl se pr fen, gegebenenfalls ersetzen.
Gebl seschalter ausbauen und pr fen, gegebenenfalls ersetzen.
Gebl sewiderstand ausbauen und Spannung am Kontakt des Gebl semotors bei eingeschalteter Z ndung und bet tigtem Gebl seschalter messen. Falls keine oder zu geringe Spannung anliegt. Gebl sewiderstand ersetzen.
Pr fen, ob bei eingeschalteter Z ndung und bet tigtem Gebl seschalter am Kontakt des Gebl semotors Spannung anliegt. Dazu m ssen der Motor sowie der Gebl sewiderstand ausgebaut werden. Wenn ja, Gebl semotor auswechseln.
Heizleistung zu gering.
K hlmittelstand zu niedrig.
Staubfilter verstopft.
W rmetauscher undicht oder verstopft.
K hlmittelstand pr fen, gegebenenfalls K hlmittel auff llen.
Staubfilter ersetzen.
W rmetauscher ersetzen (Werkstattarbeit).
Heizgebl se l uft nur mit einer Geschwindigkeit.
Ger usche im Bereich des Heizgebl ses.
Gebl sewiderstand defekt.
Eingedrungener Schmutz, Laub. L fterrad hat Unwucht, Lager defekt.
Gebl sewiderstand ersetzen.
Gebl se ausbauen, reinigen, Luftkanal s ubern.
Gebl semotor ausbauen und auf leichten Lauf pr fen.
Heizluft riecht s lich, Schei- W rmetauscher undicht. ben beschlagen, wenn Heizung eingeschaltet wird.
K hlsystem abdr cken (Werkstattarbeit). Wenn K hlfl ssigkeit aus dem Heizungskasten austritt, W rmetauscher erneuern lassen.
Vorderachse
Federbein
Sto d mpfer
Schraubenfeder
Gelenkwelle
Hinterachse
Lenkung/Airbag R der und Reifen
GOLF und TOURAN sind auf dem gleichen Fahrwerk aufgebaut. Die wichtigsten Komponenten des Fahrwerks sind die McPherson-Vorderachse und die Mehrlenker-Hinterachse. Die Achskomponenten sind vorne und hinten jeweils an einem Hilfsrahmen befestigt.
Sicherheitshinweis
Schwei - und Richtarbeiten an tragenden und radf hrenden Bauteilen der Vorder- und Hinterradaufh ngung sind nicht zul ssig. Selbstsichernde Schrauben/Muttern sowie korrodierte Schrauben/Muttern sind im Reparaturfall immer zu ersetzen.
Optimale Fahreigenschaften und geringster Reifenverschlei sind nur dann zu erzielen, wenn die Stellung der R der einwandfrei ist. Bei unnormaler Reifenabnutzung sowie mangelhafter Stra enlage sollte die Werkstatt aufgesucht werden, um den Wagen optisch vermessen zu lassen. Die Fahrwerkvermessung kann ohne eine entsprechende Messanlage nicht durchgef hrt werden.
Der Achseinstellwert f r die Gesamtspur vorn:
GOLF 10'
TOURAN 10'
Der Achseinstellwert f r die Gesamtspur hinten bei vorgeschriebenem Sturz:
GOLF.......... ..... ...... .......... ..... ...... .... +10'±12,5'
TOURAN, Basis-/Schlechtwegefahrwerk............ +10'
TOURAN, Sportfahrwerk.......... ..... ...... ....... +14'
|
^r <^^^^ |
|
|
... i |
|
|
|
^^L |
|
jw ^y- * i fc- * j?; vjj |
|
|
|
|
^^H ^^k. v |
W* |
|
|
^mSV^^I |
|
|
j /K? ^^JB^^^L."' |
|
-^~~ ^^^i |
IjwPiS-w* Mt |
|
|
|
|
|
|
|
|
|
|
|
I i \ ■ |
|
|
|
|
|
|
|
|
|
|
|
|
| V-3646J |
Vorderachse
Tragendes Element der Vorderachse ist der 3-teilige Vorderachstr ger aus Aluminium. Dieser Hilfsrahmen ist an 6 Punkten ber Gummimetalllager mit der Karosserie verschraubt. Die Achsschenkel werden von Dreiecksquerlenkern gef hrt, die ber Gummimetalllager am Vorderachstr ger befestigt sind. Die Querlenker sind je nach Motorst rke aus Grauguss oder Stahlblech gefertigt.
Die Radf hrung erfolgt durch 2 McPherson-Federbeine, die ber eine Klemmverbindung mit den Achsschenkeln verbunden sind. Durch die getrennte Lagerung von Schraubenfeder und Sto d mpfer am Federbeindom wird die bertragung von Fahrbahnger uschen auf die Karosserie vermindert.
Ein quer liegender Stabilisator sorgt f r eine Reduzierung der Seitenneigung des Fahrzeugs. Der Stabilisator ist ber 2 Koppelstangen mit den Federbeinen verbunden.
Die bertragung der Motor-Antriebskraft auf die R der erfolgt ber zwei Gelenkwellen. Die rechte Gelenkwelle ist l nger als die linke und daher als Rohrprofil ausgef hrt. Bei den leistungsst rkeren Motoren ist die rechte Gelenkwelle ber eine Zwischenwelle mit dem Getriebe verbunden; in diesem Fall sind beide Gelenkwellen gleich lang. Je nach Motor-/Ge-triebeausf hrung sind die inneren Gelenke der Antriebswellen als Gleichlauf-Kugelgelenke oder als Tripode-Rollengelenke ausgelegt.
Radnabe und Radlager sind zu einer kompakten Einheit zusammengefasst. Die Radlagereinheit ist mit 4 Schrauben mit dem Achsschenkel verschraubt. Das Lagerspiel muss nicht eingestellt werden.
|
|
f -Achsschenkel 2-Gelenkwelle
- Querstabilisator
- Koppelstange
- Schraubenfeder
- Federbeinst tzrohr
- Bremsscheibe
- Radlager
- Bremssattel
10 - Vorderachstr ger
11 - Innengelenk 12-Querlenker 13-Au engelenk
|
|
Federbein aus- und einbauen
Ausbau
GOLF: Windlaufgrill ausbauen, siehe Seite 273.
GOLF PLUSn"OURAN: Scheibenwischermotor ausbauen, siehe Seite 88.
Hinweis: Diese Ausbauarbeiten sind notwendig, um die Federbeindome freizulegen. Sie sollten ganz zu Beginn durchgef hrt werden.
Nabenschraube ausbauen, siehe entsprechendes Kapitel. Achtung: Beim vollst ndigen Herausdrehen der Nabenschraube darf das Fahrzeug nicht auf dem Boden stehen.
Reifen-Laufrichtung mit Pfeil am Reifen markieren. Radschrauben l sen und Vorderrad abnehmen.

Obere Mutter -Pfeil- f r Koppelstange am Federbein-St tzrohr abschrauben. Dabei Gelenk-Kugelbolzen mit Innenvielzahnschl ssel M6 gegenhalten.
Gelenkbolzen aus dem Federbein-St tzrohr herausziehen und Koppelstange abnehmen.
Leitung -1- f r ABS-Radsensor am Federbein-St tzrohr aush ngen.
Einbaulage der 3 Muttern am Querlenker mit Rei nadel kennzeichnen und Muttern abschrauben, siehe Abbildung V-3629, Seite 138.
Achsgelenk aus dem Querlenker herausziehen.
Au engelenk von Hand aus der Radnabe herausziehen, dabei nicht an der Gelenkwelle ziehen.
Hinweis: Fest sitzende Gelenkwelle mit Abdr ckwerkzeug, zum Beispiel HAZET 2515-1, aus der Radnabe herausdr cken.
Gelenkwelle mit Draht abst tzen, damit die Gelenke beim Ausbau nicht bis zum Anschlag gebeugt werden.
Achsgelenk wieder mit dem Querlenker verschrauben.
Achsschenkel mit geeignetem
Montageheber abst tzen.
Achtung: Keinesfalls am Achsgelenk abst tzen.
Schraubverbindung -Pfeil- des Federbeins am Achsschenkel losdrehen und Schraube herausziehen. Hinweis: Beim Einbau Schraube und Mutter ersetzen.

Geeigneten Spreizer -1-, zum Beispiel VW 3424, in den Schlitz am Achsschenkel einsetzen. Knarre um 90" drehen. Spreizer eingesetzt lassen und Knarre abnehmen. Gegebenenfalls geeignetes Werkzeug selbst anfertigen: a = 8 mm, b = 5,5 mm; die Kanten m ssen abgerundet sein.
Bremsscheibe in Richtung Federbein dr cken; das Federbein-St tzrohr kann sich sonst in der Bohrung des Achsschenkels verkanten.
Montageheber langsam absenken und Achsschenkel vom Federbein-St tzrohr abziehen, bis das Federbein-St tzrohr frei h ngt.
Achsschenkel an der Konsole/Aggregatetr ger festbinden und Montageheber entfernen.
|
|
|
|
3 Schrauben -Pfeile- oben am Federbeindom herausdrehen und Federbein nach unten aus dem Radkasten herausziehen.
Einbau
Federbein in den Radkasten einf hren und am Federbeindom einsetzen. Dabei darauf achten, dass eine der beiden Pfeilmarkierungen auf dem oberen Federbein-Lagerteller in Fahrtrichtung zeigt.
Federbein mit neuen selbstsichernden Schrauben befestigen. Schrauben in 2 Stufen festziehen:
Stufe: . . mit Drehmomentschl ssel 15 Nm anziehen.
Stufe: .... mit starrem Schl ssel 90" weiterdrehen.
Hinweis: Um die Winkelgrade beim Anziehen einzuhalten, ist es sinnvoll, aus Pappe eine Winkelscheibe auszuschneiden oder die Winkelscheibe HAZET 6690 zu verwenden.
0 Montageheber unter den Achsschenkel stellen und Federbein-St tzrohr an der Bohrung des Achsschenkels ansetzen.
0 Achsschenkel losbinden und mit Montageheber vorsichtig anheben. Federbein-St tzrohr in die Bohrung des Achsschenkels einschieben, bis die neue Schraube f r die Federbeinbefestigung eingesetzt werden kann. Hinweis: Schraube so einsetzen, dass deren Spitze in Fahrtrichtung zeigt.
Achtung: Keinesfalls mit dem Montageheber am Achsgelenk abst tzen.
W hrend des Anhebens Bremsscheibe in Richtung Federbein dr cken. Dabei darauf achten, dass sich das Federbein-St tzrohr nicht in der Bohrung des Achsschenkels verkantet.
Achtung: Um die Gummimetalllager nicht zu besch digen, untere Schraubverbindung erst festziehen, wenn das Fahrzeug in die sogenannte Leergewichtslage gebracht wurde. Dazu zuvor am unbeladenen Fahrzeug das Ma a messen.
Radlager bis auf die Leergewichtslage anheben: Achsschenkel mit dem Montageheber soweit anheben, bis zwischen Radnabenmitte und der Unterkante des Radkastens das Ma a eingestellt wird. GOLF: a = 356 mm.
Neue Mutter f r die Federbeinbefestigung am Achsschenkel verwenden. Spreizer aus dem Schlitz herausnehmen und untere Schraubverbindung f r Federbein in 2 Stufen festziehen:
I.Stufe:. . mit Drehmomentschl ssel 70 Nm anziehen. 2. Stufe: .... mit starrem Schl ssel 90 weiterdrehen.
Hinweis: Um die Winkelgrade beim Anziehen einzuhalten, ist es sinnvoll, aus Pappe eine Winkelscheibe auszuschneiden oder die Winkelscheibe HAZET 6690 zu verwenden.
Montageheber entfernen.
3 Muttern f r Achsgelenk heraussdrehen und Achsgelenk aus dem Querlenker herausziehen.
Gelenkwelle in Radlager einsetzen. Dabei auf besch digungsfreie und nicht verdrillte Manschette achten.
Achsgelenk in den Querlenker einsetzen, Staubkappe des Achsgelenks dabei nicht verdrillen oder besch digen. Neue selbstsichernde Muttern aufschrauben und mit 75 Nm festziehen.
Leitung f r ABS-Radsensor am Federbein-St tzrohr einh ngen.
Koppelstange mit neuer Mutter und 65 Nm am Federbein-St tzrohr festschrauben. Dabei Gelenk-Kugelbolzen mit Innenvielzahnschl ssel M6 gegenhalten.
Nabenschraube einbauen, siehe entsprechendes Kapitel. Achtung: Beim ersten Anziehen der Nabenschraube darf das Fahrzeug nicht auf dem Boden stehen.
Reifen-Laufrichtung beachten, Rad anschrauben, Fahrzeug ablassen, erst dann Radschrauben ber Kreuz mit 120 Nm festziehen. Achtung: Unbedingt Hinweise im Kapitel Rad aus- und einbauen beachten.
GOLF: Windlaufgrill einbauen, siehe Seite 273.
GOLF PLUS/TOURAN: Scheibenwischermotor einbauen, siehe Seite 88.
Federbein zerlegen/Sto d mpfer/ Schraubenfeder aus- und einbauen

1 - Abdeckkappe, je nach Modell in Federbeindom einge-
clipst. 2-3 Schrauben, 15 Nm + 90 . Selbstsichernd, nach jeder
Demontage ersetzen.
- Federbeindom
- Mutter, 60 Nm. Selbstsichernd, nach jeder Demontage
ersetzen.
- Federbein-Lagerteller
- St tzlager
- Schraubenfeder. Auf Farbkennzeichnung achten und
nur achsweise ersetzen. Pro Achse nur Schraubenfedern eines Herstellers verwenden. Oberfl che der Federwindung darf nicht besch digt sein.
- Staubmanschette
- Anschlagpuffer
10 - Sto d mpfer, einzeln austauschbar.
Ausbau
Federbein ausbauen, siehe entsprechendes Kapitel.
Achtung: Die Schraubenfeder steht unter hoher Spannung. Um den Sto d mpfer ausbauen zu k nnen, muss die Schraubenfeder mit einem geeigneten Federspanner zusammengedr ckt werden.
Sicherheitshinweis
Auf keinen Fall Sto d mpfermutter l sen, wenn die Feder nicht einwandfrei und sicher gespannt ist. Darauf achten, dass die Federwindungen sicher von den Spannplatten umfasst werden und der Federspanner nicht abrutschen kann. Nur stabiles Werkzeug verwenden. Keinesfalls Feder mit Draht zusammenbinden. Unfallgefahr!

Federbein in geeignete Spannvorrichtung einsetzen. Dazu Federspanner -1- verwenden, zum Beispiel HAZET 4900-2A mit dem Spannplattenpaar -2- HAZET 4900-11. Spannvorrichtung selbst in einen Schraubstock einspannen. 3 - Knarre, beziehungsweise Drehmomentschl ssel, 4 - Steckschl sseleinsatz HAZET 2593-21, 5 - Innensechskantschl ssel, 6 - Federbein-Lagerteller.

Federspanner -1- mit Spannplatten -2- so in die Windungen der Schraubenfeder einsetzen, dass mindestens 3 Windungen der Feder eingespannt werden. Auf richtigen Sitz der Schraubenfeder in den Spannplatten achten -Pfeil-.
Schraubenfeder so weit vorspannen, bis der obere Federbein-Lagerteller -6- entlastet ist, siehe Abbildung V-3640.
Mutter am Federbein mit dem Steckschl sseleinsatz -4-HAZET 2593-21 von der Kolbenstange abschrauben, dabei mit einem Inbusschl ssel SW-7 -5-, zum Beispiel HAZET 2593-1, gegenhalten, siehe Abbildung V-3640.
Achtung: Die obere Mutter darf nur dann gel st werden, wenn die Feder sicher gespannt ist.
Federbein-Lagerteller und St tzlager abziehen. Staubmanschette und Anschlagpuffer von der Kolbenstange des Sto d mpfers abziehen.
Federspanner aus dem Schraubstock herausnehmen und Schraubenfeder mit Federspanner vom Sto d mpfer abziehen.
Sto d mpfer pr fen, siehe entsprechenden Abschnitt.
Alle Einzelteile des Federbeins auf Risse, Verschlei , Korrosion und Alterungserscheinungen sichtpr fen. Besch digte beziehungsweise verschlissene Teile erneuern.
Falls die
Schraubenfeder ausgewechselt werden soll, Fe
derspanner langsam entspannen und Schraubenfeder
herausnehmen.
Einbau
Schraubenfedern immer paarweise austauschen, also an beiden Fahrzeugseiten. Beim Einbau neuer Federn darauf achten, dass je nach Motorisierung/Fahrzeugausstattung unterschiedliche Federn eingebaut sein k nnen. Nur gleiche Federn an einer Achse verwenden. Die Kennzeichnung der Federn erfolgt durch Farbmarkierung an einer Windung.
Hinwels: Neue Schraubenfedern sind gegen Korrosion mit einem Schutzlack zu versehen. Die Oberfl che darf nicht besch digt sein.
Wenn die Schraubenfeder ausgebaut war, Schraubenfeder in den Federspanner einsetzen und zusammendr cken.
Federspanner in den Schraubstock einspannen.
Anschlagpuffer und Staubmanschette auf die Kolbenstange aufschieben.

Vorgespannte Schraubenfeder mit Federspanner auf die Federlagerung des Sto d mpfers unten aufsetzen. Das Ende der Federwindung muss dabei am Anschlag -Pfeilanliegen; Schraubenfeder gegebenenfalls bis zum Anschlag drehen.
St tzlager mit Federbein-Lagerteller aufschieben, dabei auf richtige Einbaulage achten.
Neue selbstsichernde Mutter auf die Kolbenstange aufschrauben und mit 60 Nm anziehen. Kolbenstange dabei mit Inbusschl ssel gegenhalten.
Schraubenfeder langsam entspannen, dabei auf richtigen Sitz der Feder am oberen Federbein-Lagerteller und an der unteren Federlagerung achten.
Federbein aus der Spannvorrichtung herausziehen.
Federbein einbauen, siehe entsprechendes Kapitel.
Sto d mpfer pr fen
Folgende Fahreigenschaften weisen auf defekte Sto d mpfer hin:
Langes Nachschwingen der Karosserie bei Bodenunebenheiten.
Aufschaukeln der Karosserie bei aufeinander folgenden Bodenunebenheiten.
Springen der R der auch auf normaler Fahrbahn.
Ausbrechen des Fahrzeuges beim Bremsen (kann auch andere Ursachen haben).
Kurvenunsicherheit durch mangelnde Spurhaltung, Schleudern des Fahrzeuges.
Abnorme Reifenabnutzung mit Abflachungen (Auswaschungen) am Reifenprofil.
Polter- und Knackger usche w hrend der Fahrt.
Gelenkwelle aus- und einbauen
Es werden verschiedene Gelenkwellenlypen eingebaut, die sich im Wesentlichen durch den Einsatz verschiedener Innengelenke unterscheiden: entweder werden Gleichlaufgelenke oder Tripodegelenke verwendet.
Achtung: Bei allen Arbeiten, bei denen die Gelenkwelle aus dem Radlager beziehungsweise aus dem Getriebe ausgebaut wird, darauf achten, dass stets nur am Gelenk und nicht an der Welle gezogen wird.
Achtung: Bei demontierter Gelenkwelle darf das Fahrzeug nicht mit vollem Gewicht auf den R dern stehen und nicht geschoben werden, da bei fehlender axialer Vorspannung die W lzk rper des Radlagers besch digt werden.
Hinweis: Soll das Fahrzeug nach dem Ausbau der Gelenkwelle geschoben werden, muss stattdessen ein Gelenkwellenstummel oder ein Au engelenk f r den Gegendruck in das Radlager eingeschoben werden. Nabenschraube in den Gelenkwellenstummel schrauben und mit 120 Nm anziehen.

Innengelenk -1- von der Flanschwelle -2- des Getriebes beziehungsweise der Zwischenwelle abschrauben. Hierzu wird ein Innenvielzahn-Steckschl sseleinsatz ben tigt, zum Beispiel HAZET 990 Lg-8/10.
Gelenkwelle mit Gleichlaufgelenk/ Gelenkwelle mit Tripodegelenk AAR 3300i
Ausbau
Nabenschraube ausbauen, siehe entsprechendes Kapitel. Achtung: Beim vollst ndigen Herausdrehen der Nabenschraube darf das Fahrzeug nicht auf dem Boden stehen.
Reifen-Laufrichtung mit Pfeil am Reifen markieren. Radschrauben l sen und Vorderrad abnehmen.
Untere Motorabdeckung ausbauen, siehe Seite 272.

Au engelenk von Hand etwas aus der Radnabe herausziehen, dabei nicht an der Gelenkwelle ziehen.
Hinweis: Fest sitzende Gelenkwelle mit Abdr ckwerkzeug, zum Beispiel HAZET 2515-1, aus der Radnabe herausdr cken.

Einbaulage der 3 Muttern -Pfeile- am Querlenker -1-mit Rei nadel kennzeichnen und Muttern abschrauben.
Achsschenkel mit Achsgelenk aus dem Querlenker herausziehen.
Gelenkwelle aus der Radnabe herausziehen.
Rechte Gelenkwelle: Gegebenenfalls Schutzabdeckung -1- f r das Innengelenk -2- vom Motor abschrauben -Pfeile-.
Einbau
Hinweis: Korrosion, Fett beziehungsweise Klebedichtmas-senreste im Gewinde und in der Verzahnung des Au engelenkes sowie der Verzahnung der Radnabe entfernen.
Gelenkwelle in die Verzahnung der Radnabe einf hren.
Achsgelenk in den Querlenker einsetzen, Staubkappe des Achsgelenks dabei nicht verdrillen oder besch digen. Neue selbstsichernde Muttern aufschrauben und mit 75 Nm festziehen.
Innengelenk der Gelenkwelle an der Flanschwelle des Getriebes beziehungsweise der Zwischenwelle anschrauben. Schrauben in 2 Stufen ber Kreuz festziehen:
I.Stufe:.......... ..... ...... .......... ..... ...... . 10 Nm.
2. Stufe: Schrauben (M8) 40 Nm.
2. Stufe: Schrauben (M10) 70 Nm.
Untere Motorabdeckung einbauen, siehe Seite 272.
Nabenschraube einbauen, siehe entsprechendes Kapitel. Achtung: Beim ersten Anziehen der Nabenschraube darf das Fahrzeug nicht auf dem Boden stehen.
Reifen-Laufrichtung beachten, Rad anschrauben, Fahrzeug ablassen, erst dann Radschrauben ber Kreuz mit 120 Nm festziehen. Achtung: Unbedingt Hinweise im Kapitel Rad aus- und einbauen beachten.
Gelenkwelle mit Tripodegelenk AAR 2600i
Hinweis: Das Tripode-Innengelenk AAR 2600i ist nicht an einer Getriebe-Flanschwelle angeschraubt, sondern in der Getriebe-Verzahnung eingeschoben.
Ausbau
Nabenschraube ausbauen, siehe entsprechendes Kapitel. Achtung: Beim vollst ndigen Herausdrehen der Nabenschraube darf das Fahrzeug nicht auf dem Boden stehen.
Reifen-Laufrichtung mit Pfeil am Reifen markieren. Radschrauben l sen und Vorderrad abnehmen.
Untere Motorabdeckung ausbauen, siehe Seite 272.
Einbaulage der 3 Muttern am Querlenker mit Rei nadel kennzeichnen und Muttern abschrauben, siehe Abbildung V-3629.
0 Achsgelenk aus dem Querlenker herausziehen.
Au engelenk von Hand aus der Radnabe herausziehen,
dabei nicht an der Gelenkwelle ziehen.
Hinweis: Fest sitzende Gelenkwelle mit Abdr ckwerkzeug, zum Beispiel HAZET 2515-1, aus der Radnabe herausdr cken.
Gelenkwelle mit Draht abst tzen, damit die Gelenke beim
Ausbau nicht bis zum Anschlag gebeugt werden.

Montiereisen -1- zwischen Getriebegeh use und Innengelenk -2- ansetzen und Gelenk durch einen Schlag mit einem Hammer herausdr cken.
Gelenkwelle aus dem Getriebegeh use herausziehen.
Achtung: Beim Herausziehen der Gelenkwelle tritt aus dem Getriebegeh use l aus. Auffanggef unterstellen und ffnung schnell mit geeignetem Stopfen, zum Beispiel einem sauberen Lappen, verschlie en.
Einbau
Lagerstellen und Verzahnungen im Getriebe sowie an der Radnabe s ubern und mit Getriebe l schmieren.

Mit einem Schraubendreher Sicherungsring -1- aus der getriebeseitigen Gelenknut heraushebeln. Neuen Sicherungsring einsetzen, dabei nicht berdehnen. Hinwels: In der Abbildung ist nicht das Tripodegelenk vom GOLF/TOURAN dargestellt.
Verschlussstopfen am Getriebe abnehmen. Gelenkwelle in das Getriebegeh use einf hren, so dass die Verzahnungen ineinander greifen.
Dabei Dichtring am Getriebe nicht besch digen.
|
Einbau |
Gelenkwelle bis zum Einrasten des Sicherungsringes von Hand in das Getriebegeh use eindr cken. Achtung: Gelenkwelle auf keinen Fall mit einem Hammer einschlagen.
Nach dem Einrasten des Sicherungsringes festen Sitz des Gelenkes durch Ziehen am Gelenk pr fen. Nicht an der Welle ziehen.
Gelenkwelle in die Verzahnung der Radnabe einf hren.
Achsgelenk in den Querlenker einsetzen, Staubkappe des Achsgelenks dabei nicht verdrillen oder besch digen. Neue selbstsichernde Muttern aufschrauben und mit 75 Nm festziehen.
Untere Motorabdeckung einbauen, siehe Seite 272.
Nabenschraube einbauen, siehe entsprechendes Kapitel. Achtung: Beim ersten Anziehen der Nabenschraube darf das Fahrzeug nicht auf dem Boden stehen.
Reifen-Laufrichtung beachten, Rad anschrauben, Fahrzeug ablassen, erst dann Radschrauben ber Kreuz mit 120 Nm festziehen. Achtung: Unbedingt Hinweise im Kapitel Rad aus- und einbauen beachten.

Dichtring -1- von der Getriebewelle -2- abhebein und neuen Dichtring einsetzen.
Zwischenwelle
Je nach Fahrzeugmodell f hrt vom Getriebe eine Zwischenwelle zur rechten Gelenkwelle, dadurch werden Drehschwingungen vermieden. Die rechte Getriebewelle ist an der Zwischenwelle angeflanscht.
Ausbau
Lagerstellen und Verzahnungen der Getriebewelle sowie an der Radnabe s ubern und mit Getriebe l schmieren.
Zwischenwelle so auf die Getriebewelle schieben, dass das Zwischenwellenlager spaltfrei am Lagerbock aufliegt.
3 Schrauben f r Zwischenwellenlager eindrehen und mit 20 Nm festziehen.
Rechte Gelenkwelle einbauen, siehe entsprechenden Abschnitt.

Rechte Gelenkwelle -1- ausbauen, siehe entsprechenden Abschnitt.
3 Schrauben -Pfeile- am Lagerbock -3- herausdrehen.
Zwischenwelle -2- von der Getriebewelle abziehen.
Gelenkwelle/Gelenkschutzh llen/Gleichlaufgelenke
![]()
![]()
|
|
V-3644 |
Gleichlaufgelenk VL 107
Hinweis: Die Gelenkwellen mit den Gleichlaufgelenken VL 90 und VL 100 sind im Prinzip gleich aufgebaut.
- Radnabenschraube *
Selbstsichernd. Mit 200 Nm voranziehen, danach um 180" weiterdrehen.
- Gleichlaufgelenk au en
Nur komplett ersetzen.
- Sicherungsring '
In die Nut der Welle einsetzen.
- Anlaufring
Einbaulage: Konkave Seite (gro er Durchmesser) zur Tellerfeder gerichtet.
- Tellerfeder
Einbaulage: Konkave Seite zum Gelenk gerichtet.
- Klemmschelle *
- Manschette au en
Auf Schadstellen pr fen.
- Klemmschelle *
- Gelenkwelle
- Klemmschelle *
- Tellerfeder
Einbaulage: Konkave Seite (gro er Durchmesser) liegt am Gelenk an.
- Manschette innen
Auf Schadstellen pr fen.
13- Klemmschelle*
14-Schraube*
Mit 10 Nm voranziehen, danach endg ltig anziehen: M8 = 40 Nm: M10 = 70Nm.
15-Unterlegplatte
16-Kappe
Mit Dom vorsichtig abtreiben. Vor Anbau an das Gelenk Innenfl che mit Dichtmasse bestreichen. Klebefl che muss sauber und frei von Fett sein.
- Gleichlaufgelenk innen
Nur komplett ersetzen.
18-Dichtung
Klebefl che am Gleichlaufgelenk muss sauber und frei von Fett sein.
- Sicherungsring *
In die Nut der Welle einsetzen.
- Deckel *
Nur VL 100/107. Mit Dom vom Gleichlaufgelenk abtreiben.
- Zwischenwelle
Rechte Fahrzeugseite.
- Lager
Rechte Fahrzeugseite. Nur VL 107. Mit geeigneter Presse von der Zwischenwelle abdr cken.
- Lagerbock f r Zwischenwelle.
Rechte Fahrzeugseite. Nur VL 107.
24-3 Schrauben f r Lagerbock
Mit 5 Nm voranziehen, danach mit 35 Nm endg ltig anziehen.
25-3 Schrauben, 20 Nm
F r Zwischenwelle.
■) Nach jeder Demontage ersetzen.
Gelenkwelle/Gelenkschutzh llen/Tripodegelenk innen
![]()
![]()
|
|
V-3645 |
Tripodegelenk AAR 2600i
Hinweis: Die Gelenkwelle mit dem Tripodegelenk AAR 3300i ist im Prinzip gleich aufgebaut.
- Radnabenschraube"
Selbstsichernd. Mit 200 Nm voranziehen, danach um 180 weiterdrehen.
- Gleichlaufgelenk au en
Nur komplett ersetzen.
- Sicherungsring"
In die Nut der Welle einsetzen.
■1 - Anlaufring
Einbaulage: Konkave Seite (gro er Durchmesser) zur Tellerfeder gerichtet.
- Tellerfeder
Einbaulage: Konkave Seite zum Gelenk gerichtet.
- Klemmschelle *
- Manschette au en
Auf Schadstellen pr fen.
- Klemmschelle'
- Gelenkwelle,
rechts
10-Gelenkwelle, links
- Klemmschelle"
- Manschette innen
Auf Schadstellen pr fen.
- Klemmschelle *
- Tripodestern mit Rollen
Die abgeschr gte Kante -Pfeilzeigt zur Verzahnung der Gelenkwelle.
- Sicherungsring "
In die Nut der Welle einsetzen.
- Gelenkgeh use f r Tripodestern
Nur AAR 2600i:
Rechter und linker
Gelenkwellenstummel in der Getrie
be-Verzahnung eingeschoben.
Hinweis: Tripodegelenk AAR 3300i
an der rechten Seite mit Zwischen
welle und Lagerbock, an der linken
Seite mit Flansch.
- Sicherungsring *
In die Nut der Welle einsetzen.
') Nach jeder Demontage ersetzen.
Gelenkwelle zerlegen/ Manschette erneuern
Achtung: Je nach Motor-/Getriebekombination ist das innere Gelenk als Gleichlaut-Kugelgelenk oder als Tripode-Gelenk ausgelegt. Das Tripodegelenk hat anstelle der 6 Kugeln 3 Rollen, die um 120 versetzt auf einem Tripodestern angeordnet sind.
Gelenkwelle ausbauen, siehe entsprechendes Kapitel.
Gelenkwelle mit Schutzbacken in Schraubstock einspannen.
Einbaulage der Manschetten (Gelenkschutzh llen) auf der Welle markieren, damit die neuen Manschetten in gleicher Lage eingebaut werden k nnen. Beim Markieren auf keinen Fall den Lack der Gelenkwelle besch digen.
Klemmschellen an beiden Manschetten mit Seitenschneider aufschneiden und abnehmen. Manschette zur ckschieben, wenn n tig mit einem Dorn vom Gelenk abtreiben.
Gelenk au en
Ausbau

Au engelenk durch kr ftigen Schlag mit einem Kunststoffhammer von der Gelenkwelle abtreiben.
Sicherungsring -3- von der Gelenkwelle abziehen, siehe Abbildung V-3644/V-3645.
Anlaufring -4- und Tellerfeder -5- von der Gelenkwelle herunterziehen, siehe Abbildung V-3644/V-3645.
Manschette von der Gelenkwelle herunterziehen.

A40-0157
Tellerfeder und Anlaufring auf die Gelenkwelle schieben. Die Tellerfeder -1- am Au engelenk zeigt mit dem gro en Durchmesser nach au en, der Anlaufring -2- mit dem kleinen Durchmesser nach au en.
Neuen Sicherungsring in die Nut der Gelenkwelle einsetzen.
Au engelenk mit einem Kunststoffhammer bis zum Anschlag auf die Gelenkwelle treiben, so dass der Sicherungsring einrastet.
Gelenk mit Langzeitfett schmieren, zum Beispiel LM47 von Liqui Moly. Halbe Fettmenge in der Manschette verteilen, die andere H lfte ins Gelenk eindr cken.
Manschette ber das Gelenk ziehen und mit neuen Klemmschellen befestigen.

Einbau
Neue kleine Klemmschelle auf die Gelenkwelle schieben.
Spr de oder besch digte Manschette ersetzen und auf die Gelenkwelle schieben.
Zum Spannen der Klemmschellen muss eine
Spezialzan-
ge verwendet werden, zum Beispiel HAZET 1847, sonst
wird die erforderliche Spannkraft nicht erreicht. Die
Schneiden der Zange m ssen beim Ansetzen in den
Ecken -Pfeile B- anliegen. In dieser Stellung Schraube
-A- mit Drehmomentschl ssel und
25 Nm anziehen und
dadurch Klemmschelle spannen.
Achtung: Das Gewinde der Zange muss leichtg ngig sein, gegebenenfalls vorher mit MoS2-Fett schmieren.
Gelenkwelle einbauen, siehe entsprechendes Kapitel.
|
|
|
|
Gleichlaufgelenk innen Ausbau |
|
A40-0158 |
|
Tellerfeder -1- auf die Welle schieben. Der gro e Durchmesser der Tellerfeder st tzt sich dabei am Gelenk ab. |

Gleichlaufgelenk VL 100/107: Deckel mit geeignetem Dorn vom Gelenk abtreiben.
Dichtung -18- vom Gelenk abnehmen, siehe Abbildung V-3644.
Sicherungsring -19- mit geeigneter Zange, zum Beispiel HAZET 1847-61, von der Gelenkwelle abziehen, siehe Abbildung V-3644.

Innengelenk -1- mit geeigneter Presse -2- von der Gelenkwelle abpressen, dabei die Kugelnabe mit Auflageplatten -3- abst tzen.
Manschette von der Gelenkwelle herunterziehen.
Einbau
Neue kleine Klemmschelle auf die Gelenkwelle schieben.
Spr de oder besch digte Manschette ersetzen und auf die Gelenkwelle schieben.
Innengelenk -1- mit geeigneter Presse -2- bis zum Anschlag aufpressen. Achtung: Die abgeschr gte Kante am Innendurchmesser der Kugelnabe (Verzahnung) muss zum Anlagebund der Gelenkwelle zeigen.
Neuen Sicherungsring mit Sprengringzange HAZET 1847-61 in die Nut der Welle einfedern.
Neue Dichtung auf das Gelenk kleben, vorher Schutzfolie von der Dichtung abziehen. Hinweis: Die Klebefl che am Gelenk muss frei von Fett und l sein.
Gelenk mit Langzeitfett schmieren, zum Beispiel LM47 von Liqui Moly. Halbe Fettmenge in der Manschette verteilen, die andere H lfte ins Gelenk eindr cken.
Manschette ber das Gelenk ziehen, vorher die Dichtfl che mit VW-Dichtungsmittel D 454 300 A2 bestreichen.
Manschette mit neuen Klemmschellen befestigen. Klemmschellen mit Spezialzange, zum Beispiel HAZET 1847, spannen.
Gleichlauf gelenk VL 100/107: Neuen Deckel am Gelenk aufdr cken.
Gelenkwelle einbauen, siehe entsprechendes Kapitel.
Tripodegelenk innen
Ausbau
Gelenkgeh use von der Gelenkwelle und den Tripoderollen ziehen.
Sicherungsring -15- mit geeigneter Zange, zum Beispiel HAZET 1846 c. an der Verzahnung von der Gelenkwelle abbauen, siehe Abbildung V-3645.
Tripodestern mit geeigneter Presse von der Gelenkwelle abpressen.
Manschette von der Gelenkwelle herunterziehen.
Einbau
Neue kleine Klemmschelle auf die Gelenkwelle schieben.
Spr de oder besch digte Manschette ersetzen und auf die Gelenkwelle schieben.
Tripodestern mit der abgeschr gten Kante auf die Gelenkwelle aufstecken und mit geeigneter Presse bis zum Anschlag aufpressen, Hinweis: Vorher die Verzahnung von Gelenkwelle und Tripodestern fetten.
Neuen Sicherungsring einsetzen.
Halbe Fettmenge in das Gelenk dr cken und Gelenkgeh use ber die Tripoderollen schieben. Restliches Fett in das Gelenk dr cken.
Manschette ber das Gelenk ziehen und mit neuen Klemmschellen befestigen.
Klemmschellen spannen. Hinweis: Beim
Tripodegelenk
AAR 3300i darauf achten, dass keine Bohrung f r die
Getriebeflansch-Schrauben vom Klemmohr verdeckt
wird.
Gelenkwelle einbauen, siehe entsprechendes Kapitel.
Nabenschraube aus- und einbauen
Ausbau
Schaltgetriebe in Leerlaufstellung bringen; Automatikgetriebe auf Stellung N . Handbremse anziehen.
Radkappe vom Reifen abziehen, siehe Seite 154.
Achtung: Hohes L se- und Anzugsdrehmoment der Nabenschraube! Wir empfehlen, die Nabenschraube vor dem Aufbocken des Fahrzeugs zu lockern. Fu bremse beim Losdrehen der Schraube durch Helfer bet tigen lassen.

Nabenschraube -1- um h chstens 90 losdrehen.
Achtung: Nabenschraube nicht ganz herausdrehen. Das Radlager darf nicht durch das Gewicht des Fahrzeugs belastet werden.
Sicherheitshinwels
Beim Aufbocken des Fahrzeugs besteht Unfallgefahr! Hinweise im Kapitel Fahrzeug aufbocken beachten.
Fahrzeug so weit anheben, dass das Rad frei h ngt.
Bremse durch Helfer bet tigen lassen und Nabenschraube -1- aus der Gelenkwelle -2- herausdrehen.
Achtung: Wird die Gelenkwelle aus dem Radlager herausgezogen, darf das Fahrzeug nicht bewegt werden.
Einbau
Achtung: Hohes Anzugsdrehmoment der Nabenschraube!
Neue selbstsichernde Nabenschraube in die Gelenkwelle schrauben und mit 200 Nm anziehen, dabei die Fu bremse durch Helfer bet tigen lassen. Achtung: Beim ersten Anziehen der Nabenschraube darf das Rad den Boden noch nicht ber hren.
Fahrzeug ablassen und Nabenschraube um 180 weiterdrehen, dabei die Fu bremse durch Helfer bet tigen lassen.
|