ALTE DOCUMENTE
|
||||||||||
Nome: Dobie Ovidiu Radu; classe 5°ATT; data: 15/10/08
Rapporto di lavoro N°3: AMP. OP. IN CONFIGURAZIONE SOMMATORE INVERTENTE
Obiettivo: -Verificare il funzi 111n139b onamento del circuito in oggetto, avendo delle resistenze preimpostate, trovare in uscita la somma degli ingressi.
Considerazioni teoriche e formule di progetto:
|
V1 V2 Vo=R3*I3= -R3*(I1+I2)= -R3( ──── + ───) R1 R2 |
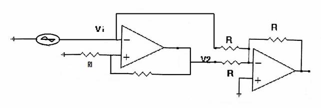
Schema elettrico:
figura 1(prima fase dell'esperimento) R1=R2=R3=10KΩ

Figura 2(secondo esperimento)
R=10KΩ ; R1=R2=4,7KΩ

IC1= A.OųA741
R1; R2; R
- G.d.F PM5133 PHILIPS (19035)
Oscilloscopio PM3055 PHILIPS (18873)
- Alimentatore stabilizzato MAXIREG 762
- Bread board
Figura 1)

In questa foto viene rappresentata l'uscita del primo amplificatore nella prima figura

L'uscita del secondo operazionale nella figura 1 Il circuito montato
Si fissa Vi=1Vpp ad una frequenza pari a 3kHz
Verifica dell'uscita del primo operazionale=1Vpp nosn sfasato(non invertito)
Misura dell'uscita del 2° operazionale=2Vpp sfasato di 180° ricavato teoreticamente con il seguente svolgimento:
Soffermandoci su sulla seconda figura, cioè il secondo svolgimento, misuriamo l'uscita del primo op=2Vpp
Misurando l'uscita del secondo operazionale avremo 3Vpp(somma di Vi+V2)
L'esperimento è stato uno di successo in quanto si è lavorato in 3 persone, e quindi ognuno avendo la possibilità di partecipare in maniera attiva in tutte le fasi sperimentali.
|