16-15. Protons ar ātrumu 1.2∙105 m/s ielido plakana horizontāla kondensatorā paralēli tā platēm. Lauka intensitāte kondensatorā 30 V/cm; kondensatora plasu garums 10 cm. Cik reizu protona ātrums, izlidojot no kondensatora, ir lielāks par tā sākuma ātrumu? [2.24 reizes].
16-16. Bora atoma modelī elektrons kustas pa riņķveida orbītu apkārt atoma kodolam. Orbītas rādiuss r = 52.8 pm. Aprēķināt: 1) elektrona ātrumu uz orbītas; 2) elektrona potenciālo enerģiju. [2.16∙106 m/s; 2) -27.3 eV].
16-17. Elektrons, noiedams plakanā kondensatorā ceļu no vienas plates līdz otrai, iegūst ātrumu 7∙107 cm/s. Attālums starp platēm 6.1 mm. Aprēķināt: 1) potenciālu starpību starp platēm; 2) elektriskā lauka intensitāti kondensatorā; 3) virsmas lādiņa blīvumu uz platēm. [1) 1.4 V; 2) 228 V/m; 3) 2∙10 -9 C/m2].
16-18. Protons, kas atrodas homogēnā elektriskā laukā iegūst 1014 cm/s2 lielu paātrinājumu. Aprēķināt; 1) elektriskā lauka intensitāti; 2) ātrumu, kādu protons iegūst, atrazdamies kustībā 10 -6 sekundes, ja tā sākuma ātrums ir nulle; 3) elektriskā lauka spēku darbu sajā laikā; 4) potenciālu starpību, kādu pārvarējis sajā gadījumā protons. [1) 10 kV/m; 2) 106 m/s; 3) 8∙10 -15 J; 4) 50 kV].
16-19. Elektrons lido no vienas plakana kondensatora plates uz otru. Potenciālu starpība starp platēm l kV; attālums starp platēm 2 mm. Aprēķināt: 1) spēku, kas darbojas uz elektronu; 2) elektrona paātrinājumu; 3) ātrumu, ar kādu elektrons nonāk pie otras plates; 4) virsmas lādiņa blīvumu uz kondensatora platēm. [1) 8∙10 -14 N; 2) 8.78∙1016 m/s2; 3) 1.874∙107 m/s; 4) 4.43∙10 -6C/m2].
16-20. a daļiņa ar sākuma ātrumu v0 ielido plakanā kondensatorā paralēli platēm vienādā attālumā no tām. Kondensatora platēm pielikta potenciālu starpība U = 300 V. Attālums starp platēm d = 2 cm, kondensatora garums l = 10 cm. Cik liels drīkst būt sākuma ātrums v0, lai α daļiņa neizlidotu no kondensatora? [6∙105m/s].
16-21. Elektrisko lauku veido divas paralēlas plates, kas atrodas 2 cm attālumā no otras; potenciālu starpība starp tām 120 V. Cik lielu ātrumu iegūst protons lauka iedarbības rezultātā, pārvietojoties 3 mm pa spēka līniju? [1.53∙103 m/s].
16-22. Elektrisko lauku veido divas paralēlas plates, kas atrodas 2 cm attālumā no otras; potenciālu starpība starp tām 100 V. Cik lielu ātrumu iegūst a-daļiņa lauka iedarbības rezultātā, pārvietojoties 5 mm pa spēka līniju? [5.2∙104 m/s].
16-23. Elektrisko lauku veido divas paralēlas plates, kas atrodas l cm attālumā no otras; lādiņa blīvums uz katras plates ir 500 nC/m2. Cik lielu ātrumu iegūst elektrons lauka iedarbības rezultāta, pārvietojoties 3 mm pa spēka līniju? [7.7-106 m/s].
16-24. Piliens ar masu 10 -10 g uz kura atrodas lādiņs 10 C, ceļas vertikāli augsup ar paātrinājumu 2.2 m/s2 telpā starp horizontāli izvietotām plakanā kondensatora platēm. Noteikt lādiņa virsmas blīvumu uz platēm. Gaisa pretestību neievērot. [6.6∙10 -6 C/m2].
16-25. Piliens ar masu 10 kg, uz kura atrodas lādiņs 10 -6 C, ceļas vertikāli augsup ar paātrinājumu 25 m/s2 telpā starp horizontāli izvietotām plakanā kondensatora platēm. Noteikt lādiņa virsmas blīvumu uz platēm. Gaisa pretestību neievērot. [22∙10 -15 C/m2].
Elektrostatiska lauka veiktais darbs. Elektrostatiskā lauka enerģija.
16-26. Ar cik lielu spēku (uz garuma vienību) atgrūzas divi ar vienādu zīmju lādiņiem uzlādēti bezgalīgi gari diegi, kuriem ir vienāds lineārā lādiņa blīvums 3∙10 -8 C/cm un kuri atrodas 2 cm attālumā viens no otra. Cik liels darbs (uz garuma vienību) jāpadara, lai attālumu starp siem diegiem samazinātu līdz l cm? [1) 8.1 N/m; 2) 0.112 J/m].
16-27. Lodīte, kam masa 40 mg un kas kustas ar ātrumu 10 cm/s, uzlādēta ar pozitīvu lādiņ 15415u205p u 10 -9 C. Cik tuvu lodīte var pienākt 1.33∙10 -9 C lielam pozitīvam punktveida lādiņam? [6∙10 -2 m].
16-28. Cik lielā tuvumā var nonākt divi elektroni, ja tie kustas viens otram pretī ar ātrumu 10 8 cm/s? [5.1∙10 -10 m].
16-29. Protons (ūdeņraza atoma kodols) kustas ar ātrumu 7.7∙10 8 cm/s. Aprēķināt vismazāko attālumu, kādā sis protons var tuvoties alumīnija atoma kodolam. Alumīnija atomu kodolu lādiņs q = Z∙e0, kur Z - atoma numurs Mendeļejeva tabulā un e0 - protona lādiņs, kas skaitliski ir vienāds ar elektrona lādiņu. Pieņemt, ka protona masa ir vienāda ar ūdeņraza atoma masu un ka protons un alumīnija atoma kodols ir punktveida lādiņi. Alumīnija atoma elektronu čaulas ietekmi neievērot. [6.1∙10 -14 m].
16-30. Bombardējot nekustīgu nātrija kodolu ar α daļiņu, atgrūsanās spēks starp tiem sasniedz 173 N. 1) Aprēķināt vismazāko attālumu, kādā α daļiņa tuvojas nātrija atoma kodolam. 2) Cik liels ir α daļiņas ātrums? Nātrija atoma elektronu čaulas ietekmi neievērot. [1) ≈ 6∙10 -15 m; 2) 1.6∙10 7 m/s].
16-31. Divas lodītes, kuru lādiņi q1 = 6.7∙10 -9 C un q2 = 13.3∙10 -9 C, atrodas viena no otras attālumā r1 = 40 cm. Cik liels darbs jāpadara, lai attālumu starp tām samazinātu līdz r2 = 25 cm? [1.2∙10 6 J].
16-32. Cik liels darbs jāpadara, lai pārvietotu 2∙10 -8 C lielu punktveida lādiņu no bezgalības uz punktu, kas atrodas l cm attālumā no lodes virsmas? Lodes rādiuss l cm, virsmas lādiņa blīvums σ = 10 -9 C/cm2. [1.13∙10 4 J].
16-33. Attālumā r1 = 4 cm no uzlādēta bezgalīgi gara diega atrodas punktveida lādiņs q = 6.7∙10 10 C. Lauka iedarbībā lādiņs pārvietojas līdz attālumam r2 = 2 cm; turklāt tiek padarīts darbs A = 5 µJ. Aprēķināt diega lineāra lādiņa blīvumu. [6∙10 -7 C/m].
16-34. Elektrisko lauku radījis pozitīvi uzlādēts bezgalīgs diegs, kura lineārā lādiņa blīvums 2∙10 -9 C/cm. Cik lielu ātrumu lauka iedarbības rezultātā iegūst elektrons, tuvodamies diegam no l cm attāluma līdz 0.5 cm? [2.97∙10 7 m/s].
16-35. Uzlādētas bezgalīgas plaknes tuvumā atrodas punktveida lādiņs q = 6.7∙10 -9 C. Lauka iedarbības rezultātā lādiņs pārvietojas pa spēka līniju 3 cm tālu, turklāt tiek padarīts darbs A = 10 µJ. Aprēķināt virsmas lādiņa blīvumu uz plaknes. [0.88∙10 -6 C/m2].
16-36. Attālums starp +1 µC un +2 mC lādiņiem ir 10 cm. Cik liels darbs jāpastrādā, lai pārnestu otru lādiņu punktā, kas atrodas l m attālumā no pirmā lādiņa? [243 J].
16-37. Divas vienādi uzlādētas mazas lodītes, kas pakārtas l m garos zīda diegos, atvirzījās 4 cm attālumā viena no otras. Atrast katras lodītes lādiņu. Katras lodītes svars 0.5 g. [4.2∙10 -9 C].
16-38. Cik liels spēks darbojas uz pozitīvu lādiņu q1 = 20 nC, kas atrodas 15 cm tālu no negatīva lādiņa q2 = 25 nC un 8 cm tālu no pozitīva lādiņa q3 = 10.7 nC? [36∙10 -5N].
16-39. Punktveida lādiņs q = l nC pārvietojas l cm pa intensitātes līniju. Lauku veido vienmērīgi uzlādēta bezgalīga plakne; pārvietojuma laikā tiek veikts darbs 5 µJ. Noteikt virsmas lādiņa blīvumu uz plaknes. [8.85 µC/m2].
16-40. Lauku veido bezgalīga, ar virsmas blīvumu σ = 10 nC/m2 vienmērīgi lādēta plakne. Cik lielu darbu ir jāveic, lai pārnestu elektronu pa intensitātes līniju no attāluma r1 = 2 cm līdz r2 = l cm no plaknes? [9∙10 -19 J].
16-41. Elektrostatisko lauku veido bezgalīgi gars tievs diegs, vienmērīgi lādēts ar lineāro blīvumu τ = l nC/cm. Kādu ātrumu iegūst elektrons, tuvodamies diegam pa intensitātes līniju no attāluma r1 = l .5 cm līdz r2 = l cm? [16∙106 m/s].
16-42. Noteikt bezgalīgi gara uzlādēta diega lineāro blīvumu r, ja darbs, kuru veic lauks, pārvietojot lādiņu q = l nC no attāluma r1 = 5 cm līdz r2 = 2 cm diegam perpendikulārā virzienā ir 50 µJ. [303 nC/m].
16-43. Elektrostatisko lauku veido pozitīvi lādēts bezgalīgi gars diegs. Protons, attālinoties no diega pa intensitātes līniju no attāluma r1 = l cm līdz r2 = 5 cm mainīja savu ātrumu no l Mm/s līdz 10 Mm/s. Atrast diega lādiņa lineāro blīvumu. [17.8 µC/m].
16-44. Ebonīta lode (ε = 3) ar rādiusu R = 5 cm vienmērīgi uzlādēta ar telpisko blīvumu ρ = 10 nC/m3. Atrast lodes elektrostatiskā lauka enerģiju [0.16pJ].
16-45. Aprēķināt potenciālu starpību, kas jānoiet elektronam ar sākuma ātrumu v0 = 106 m/s, lai ātrums palielinātos 2 reizes. [8.59 V].
16-46. Lodīte, kuras masa 40 mg un kas kustas ar ātrumu 10 cm/s, uzlādēta ar pozitīvu lādiņ 15415u205p u 10 -9 C. Cik tuvu lodīte var pienākt 4/3∙10 -9 C lielam pozitīvam punktveida lādiņam? [6∙10 -2 m].
16-47. Divas lodītes, kuru lādiņi q1 = 8∙10 -9 C un q2 = 16∙10 -9 C, atrodas viena no otras attālumā r1 = 40 cm. Cik liels darbs jāpadara, lai attālumu starp tām samazinātu līdz r2 = 20 cm? [0.29∙10 -3 J].
16-48. Aprēķināt lādiņa q = 10 -8 C pārvietosanas darbu no punkta l uz punktu 2 (sk. 16-1. Att.), kas atrodas starp divām paralēlam bezgala lielām platēm ar dazādas zīmes lādiņiem uzlādētām ar lādiņu blīvumu ± σ = 0.4∙10 6 C/m2, kuras atrodas attālumā l =3 cm viena no otras. [13.6∙10 -6 J].
16-49. Lodīte, kuras masa 10 g un lādiņs 10 -8 C, pārvietojas no punkta A, kura potenciāls 6000 V, uz punktu B, kura potenciāls 0. Cik liels lodītes ātrums punktā B, ja punktā A tas ir 2.0 m/s? [2.004 m/s].
16-50. Aprēķināt elektrona ātrumu v, kas nogājis potenciālu starpību U: 1 un 100 V. [5.93∙105 m/s; 1.87∙107 m/s].
Gausa teorēma elektrostatiskam laukam.
17-1. Lādiņs q = 2 µC vienmērīgi sadalīts pa visu lodi ar rādiusu R = 40.0 mm. Atrast lauka intensitāti un potenciālu lodes centrā. [0; 6.8∙105 V].
17-2. Gars taisns vads, ievietots vakuumā un vienmērīgi uzlādēts ar lineāro blīvumu 2 nC/m. Noteikt elektrostatiskā lauka intensitāti attālumā r = l m no vada [36 V/m].
17-3. Bezgalīgi gara stieple vienmērīgi
uzlādēta ar lineāro blīvumu τ. Izmantojot Gausa
teorēmu, atrast lauka intensitātes moduli E atkarībā no attāluma r līdz stieplei. [
].
17-4. Bezgalīgi gara stieple vienmērīgi
uzlādēta ar blīvumu τ = 2 µC/m. a) Atrast E un φ ka attāluma r funkcijas.
Potenciālu attāluma r0
= l m uzskatīt par vienādu nullei; b) Atrast E un φ attālumam r
= 0.l m [a)
,
; b) 3.6 kV/m, -83 kV].
17-5. Sfēra ar rādiusu R vienmērīgi uzlādēta ar virsmas blīvumu σ. a) Noteikt lauka intensitāti E punktā attālumā r (r < R) no sfēras centra, b) Noteikt potenciālu φ sfēras ieksienē, [a) 0; b) potenciāls visos sfēras punktos, ieskaitot centru, ir vienāds].
17-6. Lode ar rādiusu R ir vienmērīgi uzlādēta ar telpisko
blīvumu ρ. Noteikt lauka
intensitāti E un.
Potenciālu φ punktiem lodes ieksienē. [
,
].
17-7. Lādiņs q = l nC ir sadalīts ar telpisko blīvumu p (p = a∙r, a = const) pa lodi ar rādiusu R= 10.0 cm. Noteikt: a) potenciālu φ0 lodes centrā; b) potenciālu φ(r) lodē kā r funkciju; c) lauka intensitātes moduli attāluma r = R/2 no lodes centra, [a) 120 V; b) 120-3∙104∙r; c) 225 V/m].
17-8. Telpa ir aizpildīta ar lādiņu, kura
blīvums mainās pēc likuma ρ
- ρ0/r, ρ0
= const, r - attālums no atskaites punkta. Atrast lauka
intensitāti E kā
rādiusvektora r funkciju. [
].
17-9. Telpa ir aizpildīta ar lādiņu, kura
blīvums ir
, kur p0 un
a konstantes. Atrast E ka r funkciju. [
].
17-10. Uz metāliskās sfēras virsmas atrodas lādiņs q = 2 nC. Sfēras rādiuss 15 cm. Noteikt lauka intensitāti E: 1) attāluma r1 = 10 cm no sfēras centra; 2) uz sfēras virsmas; 3) attālumā r2 = 20 cm no sfēras centra. [0; 2) 800 V/m; 3) 450 V/m].
17-11. Lauku veido divas koncentriskas sfēras ar rādiusiem R1 = 5 cm un R2 = 8 cm. Sfēru lādiņi attiecīgi q1 = 2 nC un q2 = -l nC. Noteikt elektrostatiskā lauka intensitāti punktos, kuri atrodas attāluma: 1) r1 = 3 cm; 2) r2 = 6 cm; 3) r3 = 10 cm no sfēru centra. [1) 0; 2) 5 kV/m; 3) 0.9 kV/m].
17-12. Lode ar rādiusu R = 10 cm uzlādēta vienmērīgi ar telpisko blīvumu ρ = 10 nC/m3. Atrast lauka intensitāti E: 1) attālumā r1 = 5 cm no lodes centra; 2) attālumā r2 = 15 cm no lodes centra. [1) 18.8 V/m; 2) 16.7 V/m].
17-13. Porcelāna lode ar rādiusu R = 10 cm vienmērīgi uzlādēta ar telpisko blīvumu ρ = 15 nC/m3. Atrast elektrostatiskā lauka intensitāti: 1) attālumā r1 = 5 cm no lodes centra; 2) uz lodes virsmas; 3) attālumā r2 = 15 cm no lodes centra. Porcelāna dielektriska caurlaidība ε = 5. [1) 5.65 V/m; 2) 11.3 V/m (r ≤ R), 56.5 V/m (r ≥ R); 3) 25.1 V/m].
17-14. Gara, taisna koaksiālā vada ieksējais vadītājs ar rādiusu R1 = 1.5 mm ir uzlādēts ar lineāro blīvumu τ1 = 0.20 nC/m. Dotā vada ārējais cilindriskais vads ar rādiusu R2 = 3 mm uzlādēts ar lineāro blīvumu τ2 = -0.15 nC/m. Noteikt lauka intensitāti punktos: 1) r1 = l mm; 2) r2 = 5 mm. [1) 0; 2) 800 V/m].
17-15. Doba lode ir vienmērīgi lādēta ar lādiņu q. Noteikt lodes rādiusu, ja potenciāls lodes centrā φ1 = 200 V, bet punktā, kas atrodas attālumā r = 50 cm no lodes virsmas, φ1 = 40 V. [10 cm].
17-16. Lode ar rādiusu 10 cm ir vienmērīgi uzlādēta ar blīvumu l µC/m3. Noteikt elektriskā lauka intensitātes vektora plūsmu caur sfēriskas virsmas daļu ar laukumu 20 cm2. Sfēriskas virsmas rādiuss 20 cm. [1.88 V∙m].
17-17. Elektrisko lauku veido bezgalīgi gara, vienmērīgi uzlādēta ar blīvumu 0.3 µC/m stieple. Noteikt elektriska lauka intensitātes vektora plūsmu caur cilindru ar augstumu l m. Uzlādēta stieple sakrīt ar cilindra simetrijas asi. [1.7∙104 V/m].
17-18. Elektrisko lauku rada bezgalīga,
vienmērīgi lādēta ar blīvumu r taisne. Atrast
intensitātes vektora plūsmu E caur
kvadrātveida rāmīti. Rāmīsa divas malas ir
paralēlas taisnei un atrodas attālumā r no tās. Kvadrāta mala a.[
].
17-19. Tilpuma lādiņs ar blīvumu ρ vienmērīgi aizpilda
telpu starp divām koncentriskām sfēriskām virsmām.
Ārējās virsmas rādiuss ir a, ieksējās - b. Atrast
lauka intensitāti: 1) ieksējās sfēras ieksienē; 2)
starp virsmām; 3) ārpusē. [1) 0; 2)
; 3)
].
17-20. Vakuumā izveidojas lodveida lādiņu
kopa ar konstantu tilpuma blīvumu ρ.
Atrast lauka intensitāti lodes ieksienē un ārpus tas. [
;
].
17-21. Dota lode ir vienmērīgi lādēta ar blīvumu 100 nC/m3. Lodes ieksējais rādiuss 5 cm, ārējais 10 cm. Atrast lauka intensitāti punktos: 1) 3 cm; 2) 6 cm; 3) 12 cm no lodes centra. [1) 0; 2) 95.2 V/m; 3) 229 V/m].
17-22. Divas koncentriskas sfēras ar rādiusiem 6 cm un 10 cm ir uzlādētas atbilstosi ar l nC un - 0.5 nC. Aprēķināt elektriska lauka intensitāti E punktos: 1) 5 cm; 2) 9 cm; 3) 15 cm no sfēras centra. [1) 0; 2) 1.11 kV/m; 3) 200 V/m].
17-23. Izmantojot Gausa teorēmu pieradīt, ka noslēgts vadītājs ekrane ieksējo tilpumu no ārējo lādiņu ietekmes, bet neekranē ārējo tilpumu no ieksējo lādiņu iedarbības.
17-24. Metālisko lodi ar rādiusu 2 cm, aptver koncentriska sfēriska metāliska čaula ar rādiusu 4 cm. Uz lodes atrodas 2∙10 -8 C lādiņs, uz čaulas lādiņs -4∙10 -8 C. Aprēķināt lauka intensitāti attālumā 3 cm un 5 cm no lodes centra. [2.0∙105 V/m; 7.2∙10 -4 V/m].
17-25. Elektrisko lauku veido divas paralēlas, ar virsmas blīvumu attiecīgi 0.4 µC/m2 un 0.1 µC/m2, uzlādētas plaknes. Noteikt lauka intensitāti telpā starp platēm un ārpus tām. [17 kV/m; 28 kV/m].
Kondensatori. Kapacitāte
17-26. Potenciālu starpība starp plakana kondensatora platēm ir 90 V. Katras plates laukums 60 cm2 un lādiņs 10 -9 C. Cik tālu viena no otras atrodas plates? [4.8∙10 -3 m].
17-27. Plakanu kondensatoru var lietot kā jutīgus mikro svarus. Horizontāli novietotā plakanā kondensatorā, kurā attālums starp platēm d = 3.84 mm, atrodas uzlādēta daļiņa ar lādiņu q = 0.48∙10 -18 C. Lai daļiņa atrastos līdzsvarā, starp kondensatora platēm jārada potenciālu starpība U = 40 V. Aprēķināt daļiņas masu. [5.1∙10 -16 kg].
17-28. Starp plakana kondensatora platēm, kas atrodas 5 mm attālumā viena no otras, pielikta 150 V liela potenciālu starpība. Vienai no platēm piekļaujas 3 mm bieza plakanparalēla porcelāna plāksnīte. Aprēķināt elektriskā lauka intensitāti gaisā un porcelānā. [60 kV/m; 10 kV/m].
17-29. Aprēķināt zemeslodes kapacitāti. Pieņemt, ka zemeslodes rādiuss ir 6400 km. Par cik izmainās zemeslodes potenciāls, ja tai piesķir l C lielu elektrības daudzumu? [7.l∙10 -4 F; 1400 V].
17-30. Lodīte, kuras rādiuss 2 cm, uzlādējas negatīvi līdz 2000 V potenciālam. Aprēķināt visu elektronu masu, kas veido lādiņu, ar kuru uzlādēta lodīte. [2.5∙10 -20kg].
17-31. Astoņi uzlādēti ūdens pilieni, kuru rādiuss l mm un lādiņs 10 -10 C saplūst vienā ūdens pilienā. Aprēķināt lielā piliena potenciālu. [3600 V].
17-32. Lodītei, kas uzlādēta līdz 792 V potenciālam, virsmas lādiņa blīvums ir 3.33∙10 -7 C/m2. Cik liels ir lodītes rādiuss? [2.1 cm].
17-33. Divas vienāda rādiusa R = 2 cm un vienāda svara P = 0.0153 N lodītes uzlādētas līdz vienādam potenciālam U = 3 kV un atrodas viena no otras kādā attālumā r,. Turklāt to savstarpējā gravitācijas enerģija ir 10 -11 J. Lodītes tuvojas viena otrai, līdz attālums starp tām kļūst r2. Darbs, kas nepieciesams lādiņu tuvināsanai, ir 2∙10 -6 J. Aprēķināt lodīsu elektrostatisko enerģiju pēc to satuvināsanas. [26.6∙10 -7 J].
17-34. Jāizgatavo kondensators, kura kapacitāte būtu 2.5∙10 -4 µF. Sim nolūkam uz 0.05 mm bieza parafinēta papīra abām pusēm uzlīmē staniola ripiņas. Cik lielam jābūt so ripiņu diametram? [3 cm].
17-35. Plakana gaisa kondensatora katras plates laukums ir 100 cm2 un attālums starp tām 5 mm. Platēm pielikta 300 V potenciālu starpība. Pēc kondensatora atvienosanas no sprieguma avota, telpu starp platēm aizpilda ar ebonītu. 1) Kāda ir potenciālu starpība starp platēm pēc telpas aizpildīsanas? 2) Kāda ir kondensatora kapacitāte pirms un pēc telpas aizpildīsanas? 3) Cik liels ir virsmas lādiņa blīvums uz platēm pirms un pēc telpas aizpildīsanas? [l 15 V; 2) 1.77∙10 -11 F, 4.6∙10 -11 F; 3) 5.3∙10 -7 C/m2].
17-36. Starp plakana kondensatora platēm, kas atrodas attālumā d = l cm viena no otras, pielikta potenciālu starpība U = 300 V. Telpā starp platēm novietota plakanparalēla stikla plāksnīte, kuras biezums d1 = 0.5 cm, un plakanparalēla parafīna plāksnīte, kuras biezums d2 = 0.5 cm. Aprēķināt: 1) elektriskā lauka intensitāti katrā slānī; 2) potenciāla kritumu katrā slānī; 3) kondensatora kapacitāti, ja plasu laukums S = 100 cm2; 4) virsmas lādiņa blīvumu uz platēm. [1) 15 kV/m, 4.5∙10 4 V/m; 2) 75 V, 225 V; 3) 2.66∙10 -11 F; 4) 8∙10 -7 C/m2].
17-37. Koaksiāls elektriskais kabelis sastāv no centrālās dzīslas un koncentriska cilindriska apvalka; starp dzīslu un apvalku atrodas izolācija. Aprēķināt sāda kabeļa garuma vienības kapacitāti (mikro farados uz metru), ja centrālās dzīslas rādiuss ir 1.3 cm, apvalka rādiuss 3.0 cm un izolācijas dielektriskā caurlaidība 3.2. [2.14∙10 -4 µF/m].
17-38. Cilindriskā gaisa kondensatora ieksējā cilindra rādiuss r = 1.5 cm, ārējā cilindra rādiuss R = 3.5 cm. Starp cilindriem pielikta potenciālu starpība U = 2300 V. Cik lielu ātrumu sī kondensatora lauka iedarbībā iegūst elektrons, pārvietodamies no attāluma l1 = 2.5 cm līdz attālumam l2 = 2 cm, skaitot no cilindra ass? [1.46∙107m/s].
17-39. Lodes rādiuss ir 3 cm. Cik liels ir sās lodes potenciāls, ja: 1) tās lādiņs ir 10 -9 C; 2) to koncentriski aptver otra lode, kuras rādiuss 4 cm un kura savienota ar zemi? [1) 300 V; 2) 75 V].
17-40. Aprēķināt sfēriska kondensatora kapacitāti, kurs sastāv no divām koncentriskām sfērām ar rādiusiem R1 = 10 cm un R2 = 10.5 cm. Telpa starp sfērām piepildīta ar eļļu. Cik lielam jābūt eļļā ievietotās lodes rādiusam, lai iegūtu sādu kapacitāti? [1.17∙10 -9 F; 2.1 m].
17-41. Sfēriska gaisa kondensatora ieksējās lodes rādiuss R1 = l cm, ārējās lodes rādiuss R2 = 4 cm. Starp lodēm ir potenciālu starpība U = 3000 V. Aprēķināt elektriska lauka intensitāti attāluma x = 3 cm no lozu centra. [44.5 kV/m].
17-42. Sfēriska gaisa kondensatora ieksējās lodes rādiuss R1 = l cm, ārējās lodes rādiuss R2 = 4 cm. Starp lodēm ir potenciālu starpība U = 3000 V. Cik lielu ātrumu iegūst elektrons, tuvodamies lozu centram no attāluma r1 = 3 cm līdz attālumam r2 = 2 cm? [1.54∙107 m/s].
17-43. Lai ar elektrometru salīdzinātu divu kondensatoru kapacitātes, kondensatorus uzlādē līdz dazādiem potenciāliem: U1 = 300 V un U2 = 100 V un savieno paralēli. Tad ar elektrometru izmērītā potenciālu starpība starp platēm U = 250 V. Aprēķināt kapacitāsu attiecību C1/C2. [3].
17-44. Potenciālu starpība starp punktiem A un B (sk 17-1. Att.) 6.0 V. Pirmā kondensatora kapacitāte 2 µF, bet otrā 4 µF. Aprēķināt lādiņu un potenciālu starpību uz katra kondensatora platēm. [8∙10 -6 C, 8∙10 -6 C, 4 V, 2V].
17-45. Kādas robezas var mainīties divu kondensatoru sistēmas kapacitāte, ja viena kondensatora kapacitāte ir nemainīga un ir 3.33∙10 -9 F, bet otra kondensatora kapacitāte var mainīties no 2.2∙10 -11 F līdz 55,6∙10 -11 F? [No l∙10 -8 C līdz 1.7∙10 -7 C paralēlā slēgumā un no 2.23∙10 -9 C līdz 3.27∙10 -9 virknes slēgumā].
17-46. Kādās robezas var mainīties divu mainkondensatoru sistēmas kapacitāte, ja katra kondensatora kapacitāte var mainīties no 10 pF līdz 450 pF? [No 20 pF līdz 900 pF paralēlā slēguma un no 5 pF līdz 225 pF virknes slēgumā].
17-47. Petrolejā iegremdētas lodes potenciāls ir 4500 V un virsmas lādiņa blīvums 1.13∙10 -5 C/m2. Aprēķināt lodes: 1) rādiusu; 2) lādiņu; 3) kapacitāti un 4) enerģiju. [1)7∙10 -3 m; 2) 7.0∙10 -9C; 3) 1.55∙10 -6 µF; 4) 1.58∙10 -5 J].
17-48. Uzlādēta lode A, kuras rādiuss 2 cm, saskaras ar neuzlādētu lodi B, kuras rādiuss 3 cm. Pēc lozu savstarpējās attālināsanās lodes B enerģija ir 0.4 J. Aprēķināt lādiņu uz lodes A pirms lozu saskarsanās. [2.7∙10 -6 C].
17-49. Starp plakana kondensatora platēm ievietota plāna vizlas plāksnīte. Cik liels spiediens uz sīs plāksnītes, ja elektriskā lauka intensitāte ir 10 kV/cm? [26.5 N/m2].
17-50. Potenciālu starpība starp plakana kondensatora platēm, kuru laukums 100 cm2, ir 280 V. Virsmas lādiņa blīvums uz platēm 4.95-∙10 -11 C/cm2. Aprēķināt: 1) lauka intensitāti kondensatorā; 2) attālumu starp platēm; 3) ātrumu, kādu iegūst elektrons, noejot kondensatorā ceļu no vienas plates līdz otrai; 4) kondensatora enerģiju; 5) kondensatora kapacitāti, [l) 560 V/cm; 2) 5 mm; 3) 107 m/s; 4) 6.95∙10 -7 J; 5) 1.77∙10 -11 F].
Līdzsvāra. Vadītāju pretestība
18-1. Strāvas stiprums I vadītājā mainās atkarībā no laika t pēc vienādojuma I = 4 + 2t, kur I izteikts ampēros un t - sekundēs. 1) Cik liels elektrības daudzums izplūst caur vadītajā sķērsgriezuma laukumu laika no t1 = 2 s līdz t2 = 6 s? 2) Kādam jābūt līdzstrāvas stiprumam, lai caur vadītāja sķērsgriezuma laukumu sajā laikā izplūstu tāds pats elektrības daudzums? [ 1) 48 C; 2) 12 A].
18-2. Lampu reostats sastāv no piecām paralēli saslēgtām elektriskajām spuldzēm. Aprēķināt reostata pretestību: 1) ja deg visas spuldzes; 2) ja izskrūvē: a) vienu, b) divas, c) trīs, d) četras spuldzes. Katras spuldzes pretestība ir 350 W W W b) 116.7 W c) 175 W d) 350 W
18-3. Kādam jābūt nihroma stieples vijumu skaitam ap porcelāna cilindru, kura rādiuss 2.5 cm, lai iegūtu sildītāju ar 40 W pretestību? Stieples diametrs l mm. [200 vijumu].
18-4. Vara stieples spoles pretestība R = 10.8 W Vara stieples svars P = 33.45 N. Cik metru gara un kāda diametra d stieple uztīta uz spoles? [500 m; l mm].
18-5. Aprēķināt dzelzs stieņa pretestību, ja tā svars 9,8 N un diametrs l cm. [0.0018 W
18-6. Diviem cilindriskiem vara un alumīnija vadītājiem ir vienāds garums un vienāda pretestība. Cik reizu vara vads ir smagāks par alumīnija vadu? [2.22 reizes].
18-7. Aprēķināt potenciāla kritumu vara vadā, kura garums 500 m un diametrs 2 mm, ja strāvas stiprums tajā ir 2 A. [5.4 V].
18-8. Aprēķināt potenciāla kritumu pretestības R1, R2 un R3 (18-2. Att.), ja ampērmetrs rāda 3 A; R1 = 4 W, R2 = 2 W un R3 = 4 W Aprēķināt I2 un I3 strāvas stiprumu pretestības R2 un R3. [12 V; 4 V; 4 V; 2 A; l A].
18-9. 18-3. attēla shēmā R2 = 20 W, R3 = W un caur pretestību R2 plūst 0.3 A stipra strāva. Ampērmetrs rāda 0.8 A. Aprēķināt pretestību R/. [60 W

18-10. Ampērmetrs, kura pretestība 0.16 W, suntēts ar 0.04 W pretestību. Ampērmetrs rāda 8 A. Cik stipra strāva plūst maģistrālē? [40 A].
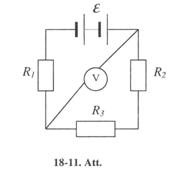
18-11. Līdz 10 A stipras strāvas mērīsanai paredzēts ampērmetrs ar 0.18 W pretestību, kura skalā ir 100 iedaļas. 1) Cik liela pretestība jāņem un kā jāieslēdz, lai ar so ampērmetru varētu izmērīt līdz 100 A stipru strāvu? 2) Kā mainās sajā gadījumā ampērmetra iedaļas vērtība? [1) Paralēli ampērmetram jāieliedz pretestība 0.02 W; 2)ampērmetra iedaļas vērtība palielinās no 0.1 A/ied. līdz l A/ied.].
18-12. Miliampērmetram ar skalu no 0 līdz 15 mA ir 5 W liela pretestība. Kā jāieslēdz mērinstruments kopā ar pretestību (un cik lielu), lai izmērītu 1) strāvas stiprumu no 0 līdz 0.15 A; 2) potenciālu starpību no 0 līdz 150 V? [1) paralēli mēraparātam ieslēgta pretestība 0.555 W; 2) virknē ar mēraparātu ieslēgta pretestība 9950 W
18-13. Spole un ampērmetrs savienoti virknē un pieslēgti sprieguma avotam. Spoles spailēm pieslēgts voltmetrs, kura pretestība Rv = 4 kW Ampērmetrs rāda strāvu I = 0.3 A, voltmetrs - spriegumu U = 120 V. Aprēķināt spoles pretestību. Cik procentu liela kļūda radīsies, ja aprēķinā neņems vērā voltmetra pretestību? [445 W
18-14. Diviem cilindriskiem vadītājiem, alumīnija un dzelzs, ir vienāds garums un vienāda pretestība. Cik reizes dzelzs vadītājs ir smagāks par alumīnija? [10.5 reizes].
18-15. Uz elektrostacijas spailēm ir spriegums U = 6.6 kV. Patērētājs atrodas attālumā I = 10 km. Kādam jābūt divu vadu līnijas vada sķērsgriezuma laukumam, lai sprieguma zudumi vados nepārsniegtu 3 %? Pa līniju plūst strāva I = 20 A. [3.42 10 -5m2].
18-16. Ar suntētu ampērmetru var mērīt strāvu I = 10 A. Cik lielu maksimālo strāvu var mērīt ar so ampērmetru bez sunta, ja ampērmetra pretestība RA = 0.02 ii, bet sunta RS = 0.005 W? [2 A].
18-17. Atrast strāvas blīvumu, ja 2 sekundēs caur vadītāja sķērsgriezumu ar laukumu 1.6 mm2 izgāja 2 1019 elektronu, [l A/mm2].
18-18. Ķēdē uz 18-4 . Art. ampērmetrs uzrāda strāvu I = 1.5 A. Strāvas, kura plūst caur pretestību R1 stiprums I = 0.5 A. Pretestības R2 = 2 W, R3 = 6 W Atrast pretestību Rh kā arī strāvas stiprumus I2 un I1. [R1 = 3 W,I2 = 0.75 A, I1 = 0.15A].

18-19. Voltmetrs, ieslēgts virkne ar pretestību R1 uzradīja spriegumu U1 = 198 V, bet ieslēgts virknē ar pretestību R2 = 2R1, - spriegumu U2 = 180 V. Atrast pretestību R1 un spriegumu tīklā, ja voltmetra r - 900 W [l 10 W, 220V].
18-20. Pa alumīnija vadu ar sķērsgriezuma laukumu S = 0.2 mm2 plūst strāva / = 0.2 A. Noteikt spēku, kurs darbojas uz brīviem elektroniem no elektriskā lauka puses. [4.16-10"21 N].
18-21. Noteikt elektriskā lauka intensitāti alumīnija, vadā ar tilpumu V = 10 cm3, ja strāvai plūstot caur to laikā t = 5 min izdalījās 2.3 kJ siltuma. [0.141 V/m].
18-22. Kā ir jāsavieno pretestības R1 = 2 W, R2 = 3 W un R3 = 6 W, lai iegūtu rezultātā R = 4 W? [paralēli savienotos R2 un R3 saslēgt virknē ar R1].
18-23. Vienāda garuma vara un dzelzs vadi ieslēgti paralēli ķēdē. Dzelzs vada diametrs ir divas reizes lielāks nekā vara vada diametrs. Pa vara vadu plūst 60 mA stipra strāva. Cik liela strāva plūst pa dzelzs vadu? [34 10 -3 A].
18-24. Ķēdei, kuras pretestība 100 W, pieslēgts līdzspriegums. Lai izmērītu strāvas stiprumu, ķēdē ieslēdza ampērmetru ar ieksējo pretestību l W. Cik stipra strāva plūda ķēdē pirms ampērmetra ieslēgsanas, ja ampērmetrs rāda 5A? [5.05 A].
18-25. Alumīnija stieples spoles pretestība R = 20.8 W. Stieples svars P = 30.5 N. Cik metru gara un kāda diametra d stieple uztīta uz spoles? [715 m; 1.46 mm].
Oma likums noslēgtai ķēdei.
18-26. Elements, kura EDS ir 1.1 V un ieksējā pretestība l W, pieslēgts ārējai ķēdei, kuras pretestība 9 W. Aprēķināt: 1) strāvas stiprumu ķēdē; 2) potenciāla kritumu ārējā ķēdē; 3) potenciāla kritumu elementā; 4) lietderības koeficientu, ar kuru darbojas elements. [1) 0.11 A; 2) 0.99 V; 3) 0.11 V; 4) 0.9].
18-27. Elementam ar 2 V lielu elektrodzinējspēku ieksējā pretestība ir 0.5 ii. Aprēķināt potenciāla kritumu elementā, ja ķēdē plūst 0.25 A stipra strāva. Aprēķināt sajā gadījumā ķēdes ārējo pretestību. [0.125 V; 7.5 W
18-28. Elementa elektrodzinējspēks ir 1.6 V un tā ieksējā pretestība 0.5 ii. Kāds ir elementa lietderības koeficients, ja strāvas stiprums ir 2.4 A? [25 %].
18-29. Elementa elektrodzinējspēks ir 6 V. Ja ārējā pretestība l.l W, tad strāvas, stiprums ķēdē ir 3 A. Aprēķināt potenciāla kritumu elementā un tā pretestību. [2.7 V; 0.9 W
18-30. Kāda daļa no elementa elektrodzinējspēka ir potenciālu starpība uz elementa galiem, ja elementa pretestība ir n reizes mazāka par ārējo pretestību. Uzdevumu atrisināt, ja 1) n = 0.1, 2) n = l, 3) n = 10. [1) 9.1 %; 2) 50 %; 3) 91 %].
18-31. Elements, reostats un ampērmetrs saslēgti virknē. Elementa EDS ir 2 V, ieksējā pretestība 0.4 W. Ampērmetrs rāda l A stipru strāvu. Ar kādu lietderības koeficientu darbojas elements? [80 %].
18-32. Ir divi vienādi elementi ar 2 V lielu elektrodzinējspēku un 0.3 W ieksējo pretestību. Kā jāsavieno sie elementi (virknē vai paralēli), lai iegūtu lielāku strāvas stiprumu, ja ārējā pretestība: 1) 0.2 W W? Katrā no siem gadījumiem aprēķināt strāvas stiprumu. [1) 5 A, 5.7 A; 2) 0.24 A, 0.124 A; Tādējādi, ja ārējā pretestība ir maza, elementus izdevīgāk saslēgt paralēli, bet, ja ārējā pretestība ir liela, tad virknē].
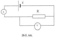
18-33. Pieņemot, ka voltmetra pretestība ir bezgalīgi liela, tiek aprēķināta reostata pretestība R pēc voltmetra un ampērmetra rādījumiem 18-5 attēla shēmā. Noteikt atrastās pretestības relatīvo kļūdu, ja patiesībā voltmetra pretestība ir Rv. Uzdevumu atrisināt, ja Rv = 1000 W un 1) R = 10 W; 2) R = 100 W; 3) R = 1000 W [1) l%; 2) 10%; 3) 100%].
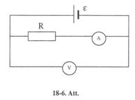
18-34. Pieņemot, ka ampērmetra pretestība ir bezgalīgi maza, tiek aprēķināta reostata pretestība R pēc ampērmetra un voltmetra rādījumiem 18-6 attēla shēmā. Noteikt atrastās pretestības relatīvo kļūdu, ja patiesībā ampērmetra pretestība ir RA. Uzdevumu atrisināt, ja RA = 0.2 W un 1) R = l W; 2)R = 10 W; 3) R = 100 W
18-35. 18-7 attēla shēmā pretestība R = 0.5 W e un e ir divi elementi ar vienādu 2 V elektrodzinējspēku. So elementu ieksējās pretestības attiecīgi ir r1 = l W un r2 = l .5 W. Aprēķināt potenciālu starpību uz katra elementa spailēm. [4/3 A; 2/3 V; 0].
18-36. Elements, ampērmetrs un pretestība saslēgti virknē. Pretestība izgatavota no vara stieples, kuras garums 100 m un sķērsgriezuma laukums ir 2 mm2, ampērmetra pretestība 0.05 W; ampērmetrs rāda l .43 A. Ja ņemtu pretestību no alumīnija stieples, kuras garums 57.3 m un sķērsgriezuma laukums l mm2, tad ampērmetrs rādītu l A. Aprēķināt elementa elektrodzinējspēku un tā ieksējo pretestību. [2 V; 0.5 W


18-37. Aprēķināt strāvas stiprumu, ko rāda ampērmetrs 18-8 attēla shēmā. Spriegums uz elementa spailēm ķēdē 2.1 V; R, = 5 W, R2 = 6 W un R3 = 3 W Ampērmetra pretestību neievērot. [0.2 A].
18-38. 18-9 attēla shēmā £ ir baterija ar 100 V elektrodzinējspēku, R1 = R3 = 40 W un R4 = 34 W. Aprēķināt: 1) strāvas stiprumu, kas plūst caur pretestību R2, 2) potenciāla kritumu sajā pretestībā. Baterijas pretestību neievērot. [1) 0.4 A; 2) 32 V].


18-39. 18-10 attēla shēmā C ir baterija ar 120 V elektrodzinējspēku, R3 = 20 W, R4 = 25 W un potenciāla kritums pretestībā R1 ir 40 V. Ampērmetrs rāda 2 A. Aprēķināt pretestību R2. Baterijas un ampērmetra pretestību neievērot. [60 W
18-40. 1) Cik stipru strāvu rāda ampērmetrs 18-10. attēla shēmā, ja e = 10 V, r - l W un lietderības koeficients 0.8? 2) Cik liels ir potenciāla kritums pretestība R2, ja zināms, ka potenciāla kritums pretestība R1 ir 4 V un pretestība R4 2 V? [1) 2 A; 2) 2 V].
Attēla shēmā e ir baterija ar 100 V elektrodzinējspēku, R1 = 100 W, R2 = 200 W un R3 = 300 W. Cik lielu spriegumu rāda voltmetrs, ja tā pretestība 2000 W? Baterijas pretestību neievērot. [80 V].
18-42. 18-11. attēla shēmā R1 = R2 = R3 = 200 W. Voltmetrs rāda 100 V; voltmetra pretestība Rv = 1000 W. Aprēķināt baterijas elektrodzinējspēku. Baterijas pretestību neievērot. [170 V].
18-43. Elementam, kura EDS ir 1.5 V, pieslēgta spole, kuras pretestība R1 = 0.1 W ampērmetrs rāda strāvu I = 0.5 A. Kad ar pirmo elementu virknē saslēdza vēl vienu elementu ar tādu pasu EDS, ampērmetrs rādīja strāvu I = 0.4 A. Aprēķināt pirmā elementa ieksējo pretestību r1 un otrā elementa ieksējo pretestību r2. [2.9 W W
18-44. Divas pretestības R1 = 6 W un R2 = 9 W saslēgtas paralēli un pieslēgtas virknē ar n vienādiem elementiem, kuriem katram ir l .2 V EDS un r = 0.1 W ieksēja pretestība. Ķēde plūst strāva I = 3 A. Aprēķināt elementu skaitu. [12 elementi].
18-45. Divas grupas ar trīs saslēgtiem elementiem savienotas paralēli. Katra elementa EDS ir 1.2 V, bet ieksējā pretestība r = 0.2 W. Iegūtajai baterijai pieslēgta pretestība R = 1.5 W. Aprēķināt strāvas stiprumu ārējā ķēdē [2A].
18-46. Divi elementi (e = 1.2 V, r1 = 0.1 W e 0.9 V, r2 = 0.3 W) savienoti paralēli ar vadiem, kuru pretestība R = 0.2 W. Aprēķināt strāvas stiprumu ķēdē. [0.5 A].

18-47. Ja ķēdes ārēja pretestība R1 = 3 W, strāva ķēdē I1 = 0.3 A, ja ārēja pretestība R2 = 5 W - strāva I2 = 0.2 A. Aprēķināt avotu EDS un īsslēguma strāvu. [1.2A].
18-48. Divas baterijas (e 10 V, r1 = l W e 8 V, r2 = 2 W) un reostats (R = 6 W savienoti, ka parādīts 18-12. Att. Aprēķināt strāvas stiprumus baterijās un reostatā. [6.4 A; 5.8 A; 0.6 A].
18-49. Trīs baterijas, kuru EDS ir e 1.2 V, e 5 V un e 10 V , bet ieksējas pretestības r1 = r2 = r3 = 1 W, savienoti paralēli. Savienotāju vadu pretestību neievērot. Aprēķināt strāvu stiprumus, kuras plūst caur baterijām. [3 A; 4A;
l A].
18-50. Divi vienādi sprieguma avoti, kuru EDS ir 1.2 V, bet ieksējās pretestības r = 0.4 W saslēgti, kā parādīts 18-13. Att. a, b. Aprēķināt potenciālu starpību starp punktiem A un B un strāvas stiprumu ķēdē abos gadījumos, [a) 3 A, 0; b) 0; l .2 V].
Kirhofa likumi.
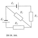
18-51. 8-14. attēla shēmā e ir elements, kura EDS 2. l V, e = l .9 V, R1 = 45 W, R2 = 10 W un R3 = 10 W. Aprēķināt strāvas stiprumu visos ķēdes zaros. Elementu ieksējo pretestību neievērot. [0.04 A,-0.01 A, 0.03 A].
18-52. Cik liela potenciālu starpība rodas uz divu paralēli saslēgtu elementu spailēm, ja to EDS attiecīgi ir e 1.4 V un e 1.2 V, bet ieksējā pretestība r1 = 0.6 W un r2 = 0.4 W? [1.28 V].
18-53. 18-15. attēla shēmā e un e ir elementi ar vienādu 2 V lielu EDS. So elementu ieksējās pretestības attiecīgi ir r1 = l W un r2 = 2 W. Cik liela ir ārējā pretestība R, ja strāvas stiprums I1, kas plūst caur e ir l A? Aprēķināt strāvas stiprumu I2, kas plūst caur e Aprēķināt strāvas stiprumu IR, kas plūst caur pretestību R. [2/3 W; 0.5 A; 1.5 A].
18-54. Atrisināt ieprieksējo uzdevumu, ja = e 4 V, r1 = r2 = 0.5 W un I1 = 2 A. [0.75 W; 2 A; 4 A].
18-55. 18-16. attēla shēmā e 110 V, e = 220 V, R1 = R2= 100 W, R3 = 500 W. Aprēķināt ampērmetra rādījumu. Bateriju un ampērmetra ieksējo pretestību neievērot. [0.4 A].



18-56. 18-16. attēla shēmā e = 2 V, e 4 V, R1 = 0.5W un potenciāla kritums pretestībā R2 ir l V. Aprēķināt ampērmetra rādījumu. Elementu un ampērmetra ieksējo pretestību neievērot. [2 A].
18-57. 18-16. attēla shēmā e 30 V, e 10 V, R2 = 20 W, R3 = 10 W. Caur ampērmetru plūst l A stipra strāva. Aprēķināt pretestību r. Baterijas un ampērmetra ieksējo pretestību neievērot. [20 W
18-58. Cik stipru strāvu 18-17. attēla shēmā rāda miliampērmetrs mA, ja e 2V, e 1V, R1= 103 W, R2 = 500 W, R3 = 200 W un ampērmetra pretestība RA = 200 W? Elementu ieksējo pretestību neievērot. [0.45 mA].
18-59. Cik stipru strāvu 18-17. attēla shēmā rāda miliampērmetrs mA, ja e 1 V, e 2V, R3= 1500 W, RA = 500 un sprieguma kritums uz pretestības R2 ir l V? Elementu pretestību neievērot, [l mA].
18-60. 18-18. attēla shēmā e 2 V, e 4 V, e = 6 V, R1 = 4 W, R2 = 6 W un R3 = 8 W. Aprēķināt strāvas stiprumu visos ķēdes posmos. Elementu pretestību neievērot. [0.385 A; 0.077 A; 0.308 A].
18-61. 18-18. attēla shēmā e e e , R1 = W, R2= W iz un potenciāla kritums pretestībā R2 ir 6 V. Aprēķināt strāvas stiprumu visos ķēdes zaros. Aprēķināt pretestību R3. Elementu ieksējo pretestību neieverot. [0.3 A; 0.5 A; 0.8 A; 7.5 W
|