Technologinių matavimu
Laboratorinis darbas Nr.
NUOSEKLUS IR LYGIAGRETUS REZISTORIŲ JUNGIMAS
Ataskaita ......
Tikrino R.Strelčiūnienė
Darbo tikslas: ismokti bandymo keliu patikrinti nuoseklaus ir lygiagretaus rezistorių jungimo ypatumus.
Darbo eiga:
1.Sujungti schemas.
2.Ismatuoti sroves, įtampas ant rezistorių, duomenis surasyti į lenteles.
3.Apskaičiuoti nematuotas reiksmes ir rezultatus pateikti lentelėse.
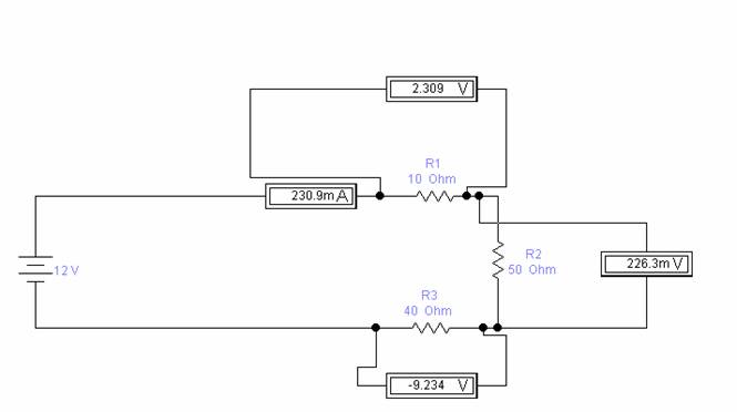
1 schema

1 lentelė
|
Grandinė |
R |
U |
I |
P |
|
R1 |
10 Ohm |
2.309 V |
230.9 A | |
|
R2 |
50 Ohm |
226.3 V |
230.9 A | |
|
R3 |
40 Ohm |
-9.234 V |
230.9 A | |

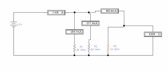
2 lentelė
|
Grandinė |
R |
U |
I |
P |
|
R1 |
40 Ohm |
264.1 mA | ||
|
R2 |
50 Ohm |
211.3 mA | ||
|
R3 |
10 Ohm |
960.4 mA | ||

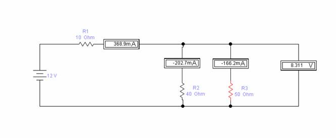
3 lentelė
|
Grandine |
R |
U |
I |
P |
|
R1 |
10Ohm | |||
|
R2 |
40Ohm | |||
|
R3 |
50Ohm | |||
4.Pateikti isvadas. 
|