Grandinės dažninių savybių analizė
Užduotis: Apskaičiuoti ir nubraižyti duotos grandinės dažnines amplitudės ir fazės charakteristikas. Nustatyti grandinės pralaidumo juostą.

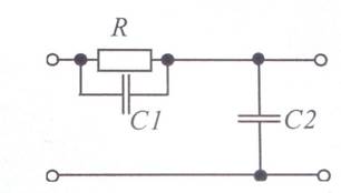
1 pav. Darbo schema
Duota: R=1 W; C1=1 mF; C2=5 mF.
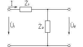
Supaprastindami schemą talpą C1 ir
varžą R1 pakeičiame kompleksine varža
, ji lygi šių elementų lygiagrečiajam
jungimui, o talpą C2 ir pakeičiame kompleksine varža
:
2 pav. Supaprastinta darbo schema
;
;
Grandinės įėjimo varža yra lygi varžų, per kurias teka srovė, sumai:
;
Įėjimo įtampa lygi įėjimo varžos ir srovės
sandaugai:
;
Išėjimo įtampa lygi įtampos kritimui varžoje
:
;
Grandinėlės kompleksinė dažninė charakteristika yra lygi išėjimo ir įėjimo įtampų santykiui:
;
Toliau randame aktyviąją ir reaktyviąją dedamąsias:

Aktyvioji dedamoji:
Reaktyvioji dedamoji: 
Randame dažninę įtampos amplitudės perdavimo charakteristiką (DACh):
;
Nubraižome grandinės DACh, tam naudosime kompiuterinę programą Electronics Workbench

3 pav. Grandinėlės dažninė amplitudės
charakteristika
Surandame dažninę fazės charakteristiką:

Nubraižome grandinėlės dažninę fazės charakteristiką:
4pav. Grandinėlės dažninė
fazės charakteristika
Grandinės pralaidumo juostą nustatome iš DACh (3. pav). Nagrinėjama
grandinėlė turi žemųjų dažnių filtro savybes, jos
praleidžiamųjų dažnių juosta bus nuo nulio iki to taško, kur
virpesio amplitudė sumažės
kartų ir bus lygi
–3 dB prie dažnio, lygaus ~26,7 kHz. Vadinasi duotos grandinėlės
pralaidumo juosta lygi: P 26,7 kHz.
Išvados:
Nubraižę grandinėlės dažnines charakteristikas matome, kad grandinėlė gerai praleidžia žemųjų dažnių virpesius, žemuosiuose dažniuose ji yra aktyvioji,nes fazių skirtumo kampas yra lygus nuliui.
Esant dažniui didesniam už ribinį, grandinėlė virpesius pradeda slopinti, pakeičia jų pradinę fazę kampu beveik lygiu - p/2, grandinėlė tampa talpinio pobūdžio.
Grandinėlės pralaidumo juosta lygi: P 26,7 kHz.
Literatūra:
R. Kirvaitis, R. Martavičius. Analoginė elektronika. Vadovėlis aukštųjų mokyklų studentams. Vilnius: Technika,
|