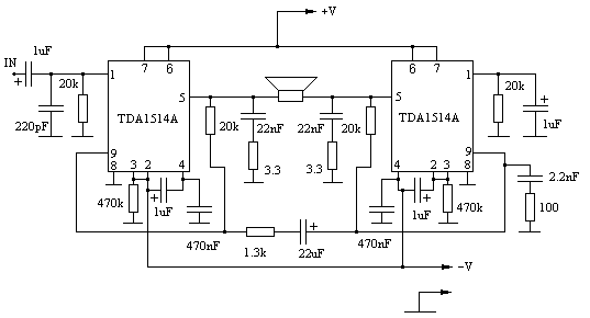
Stiprintuvo kainos deja nezinau. Maitnimo įtampa, nuo +/-15 V iki +/-24 V. Esant +/-15V maitinimui isėjimo galingumas 55 W prie 4 omų, o +/-24V isėjimo ga 20120q1617u lia siekia 100W prie 8 omų, kai iskraipymai apie 1-1,5%. Visų poliarinių kondensatorių darbo įtampa 50V. Is principo galma naudoti tik vieną mikroschemą, tada isėjimo galingumas nukristų per pusę, nors būtų pigiau. Is esmės galima naudoti ir vieną mikroschemą ir gauti 100 W bet ji gali greitai sugesti.

|