Am uitat parola
x
Creaza cont nou
Home
Exploreaza
Upload
0.075W stiprintuvas (ausinėms, racijoms)
Lituaniana
ALTE DOCUMENTE
1 pavyzdys. Verslo plano antrastinis lapas
Vyro laiskas zmonai
INZINERINIU MEDZIAGU SAVARANKISKAS DARBAS
mobilios technikos atsarginių dalių tiekimas Baltijos valstybėms
VERSLO PLANAS - EKONOMIKA
PAGRINDINIO PROFESINIO MOKYMO PROGRAMŲ ATITIKTIES SĄRAŠAS
2001 metų informatikų 2-o koliokviumo uzdaviniai
FIZIKOS KURSO 9-OJE KLASĖJE KARTOJIMO FRAGMENTAS \"KVIEČIU PRIE STALO\"
POLITINĖS MINTIES RAIDA
ZEMDIRBYSTĖ IR APLINKOS APSAUGA
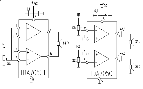
0.075W stiprintuvas (ausinėms, racijoms)
U= 1
,6
..6V, K= 26 dB, I
max
=0,15 A, R
ap
= 32 ,
R
in
=2 M.
Document Info
Accesari: 1333
Apreciat:
Comenteaza documentul:
Nu esti inregistrat
Trebuie sa fii utilizator inregistrat pentru a putea comenta
Creaza cont nou
A fost util?
Daca documentul a fost util si crezi ca merita
sa adaugi un link catre el la tine in site
Copiaza codul:
in pagina web a site-ului tau.
0.075W stiprintuvas (ausinėms, racijoms)
eCoduri.com - coduri postale, contabile, CAEN sau bancare
Politica de confidentialitate
|
Termenii si conditii de utilizare
Copyright
©
Contact
(
SCRIGROUP Int. 2025
)