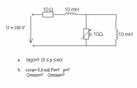
Alapfogalmi kérdések
Egy szimmetrikus háromfázisú rendszerben egy csillag kapcsolású fogyasztó 10 A-rel terheli a hálózatot. A fogyasztót deltába kapcsolva mekkore lesz a hálózat árama?
Írja fel azt a
feszültségátviteli
függvényt, amelynek fázisszöge az w << 500 1/s
tartományban 0°, az w = 500 1/s körfrekvencián 45°, az w >> 500 1/s
tartományban pedig 90°!
Rajzolja meg egy soros R-L tag impedancia és admittancia diagramját az L értékének változtatásával (0 p a p=0 ,p=0,5 éa a p=∞ pontban !
Mekkora az u(t) = 90 sin t - 30 sin 3t [V] jel csúcstényezôje
Egy soros RC tagra (R = 5 kW, C = 10 mF) a t = 0 pillanatban egyenfeszültséget kapcsolunk. Mekkora a feszültségforrás feszültsége, ha 50 ms elteltével az áram 7,36 mA?
Írja fel egy passzív lineáris kétpóluspárt helyettesítô p kapcsolás
paraméterét a
kapcsolásban szereplô elemekkel!
Soros RLC-körre 10 V-os egyenfeszültséget kapcsolunk t = 0-ban. Elôzôleg a kör energia-mentes volt. R = 100, L = 20 mH, C = 15 F. Rajzolja fel jellegre helyesen a kondenzátor feszültségének idôfüggvényét! Választását indokolja!
8 Ezt nem tudtam leirni
Példák:


A villamosságatn III című jegyzet 52 oldal 13. példa
a. i(t) = ?
b. Melyik időpillanatban lesz a kondenzátor feszültsége nulla ?
Bode-diagrammok című jegyzet 42 oldal 6. pálda
a. ábrázolni az amplitúdó karakterisztikát törtvonalas közelítéssel és bejelölni a töréspontok helyét
b. U1 =100 V és U2 = 31,6 V esetén ω= ?
|