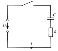
1. Загальнo 636c26g 0; поняття.
Перехідні процеси ввімкнення реальної індуктивної котушки змінного струму.
1. Загальнo 636c26g 0; поняття
,
q
U

.
L const
;
Звичайно
називають
усталеним
струмом,
тобто таку силу
має струм
після
закінчення
перехідного
явища. Це
струм, що
встановлюється
у колі, коли
перехідних
явищ немає.
;
.
![]()
– стала інтегрування, що визначається за початковими умовами. Після відповідних перетворень можна дістати
.
Щоб
визначити
початкові
умови, треба
використати
перший закон
комутації.
При
,
=
0, тобто при t =
0). За
допомогою
підстановки
початкових
умов у
останній
вираз
визначаємо
.
Величина
Вважають,
що при
перехідний
процес
практично
закінчується.
.
,
;
,
,
A стала
інтегрування,
що
визначається
за початковими
умовами
,
.
,
.
;
,
t
,

Ця
залежність
зображена на
рис. 5. Стала
часу
характеризує
швидкість
процесу.
u iR

Стала
часу
визначає
швидкість
перебігу
процесу (рис.7).
Вважають, що
перехідний
процес
закінчується
у термін,
який
дорівнює
;
;
де
(струм
під впливом
синусоїдної
ЕРС) завжди є
синусоїдним
і відстає від
напруги на
зсув фаз
, тобто
.
;
;
![]()
стала
інтегрування,
що
визначається
за початковими
умовами. При
, але
тобто
,
,
,
.

|