Operatia de omorare a unei sonde se executa cu scopul de a asigura la nivelul stratului productiv conditiile de tinere in respect a acestuia, prin intreruperea afluxului de fluid pentru o perioada de timp.
Aceasta operatie se realizeaza prin introducerea in gaura de sonda a unui fluid cu o anumita densitate, astfel incat presiunea pfo exercitata de aceasta coloana de fluid asupra stratului productiv sa fie mai mare decat presiunea fluidelor continute in strat pstrat:
(4.1)
unde: H este adancimea stratului productiv;
ρfo - densitatea fluidului de omorare.
Prin aplicarea operatiei de omorare se poate evita pericolul scaparii eruptiei de sub control, respectiv se poate opri o manifestare eruptiva libera a sondei, cand este necesara extragerea coloanei de tevi de extractie si nu se recurge la folosirea unui dispozitiv de extragere a acesteia sub presiune, sau este necesar sa se demonteze unele elemente ale instalatiei de la gura sondei.
Alegerea fluidului de omorare are o deosebita importanta. In functie de conditiile existente in sonda si de caracterul operatiei ce trebuie executata se poate folosi ca fluid de omorare titei, apa sau noroi.
In general, apa trebuie evitata in operatiile de omorare, atunci cand stratul omorat trebuie sa fie repus in productie si cand presiunea este relativ mica.
Apa dulce, care patrunde in 939e48j porii stratului productiv la contactul sau cu titeiul produce fenomene molecular - superficiale, care provoaca o reducere importanta a permeabilitatii efective fata de titei. In acest caz nisipurile cu permeabilitate absoluta mica, impiedica iesirea apei spre sonda si ingreuneaza foarte mult operatiile de punere in productie, facand necesara crearea unei diferente de presiune foarte mare intre strat si sonda.
Apa se recomanda ca fluid de omorare la strate ce se cimenteaza sub presiune in vederea abandonarii si la sondele de gaze cu presiune mare, intrucat nu se gazeifica usor.
De asemenea apa sarata se foloseste sub forma de dop de separare intre fluidul din sonda si noroi pentru a impiedica gazeificarea noroiului.
Titeiul curat este cel mai bun agent pentru omorarea sondelor de productie cu presiuni mici de strat
Daca cerintele de contrapresiune asupra stratului impun un fluid cu densitate mare se va folosi un fluid de foraj.
Conditiile pe care trebuie sa le indeplineasca acest fluid de omorare pentru a se evita efectele negative asupra stratului sunt urmatoarele:
- vascozitate mica pentru a fi mai usor pompat;
- filtratie mica incat in stratul productiv sa patrunda cat mai putina apa;
- turta cat mai redusa, dar compacta, pentru a micsora filtrarea apei.
Presiunea exercitata de coloana de fluid de omorare pfo se recomanda a fi cu 20 - 50 bari (20 - 50)∙105 Pa) mai mare decat presiunea statica a stratului si astfel se poate determina densitatea fluidului de omorare ρfo cu relatia 4.2.
, (4.2)
in care:
Pentru formatiunile ale caror presiuni statice nu sunt cunoscute se recomanda a se lucra cu noroi cu aceeasi densitate ca a celui folosit in timpul traversarii prin foraj a formatiunii respective, fara ca sonda sa fi prezentat fenomene de manifestare.
In functie de conditiile existente si de constructia sondei se pot folosi mai multe sisteme de omorare a sondelor:
a) omorarea normala a sondelor prin tevile de extractie;
b) omorarea sondelor prin coloana;
c) omorarea sondelor prin lubricare;
d) omorarea prin tevile de extractie perforate.
a. Omorarea sondelor prin tevile de extractie.
La majoritatea sondelor, fluidul de omorare este introdus prin interiorul coloanei de tevi de extractie, iar evacuarea fluidului din sonda se face prin spatiul inelar, pana cand sonda se umple cu fluid de omorare.
Pentru operatiile de omorare se utilizeaza agregate de pompare mobile, care pot realiza presiuni pana la 1050 bar.
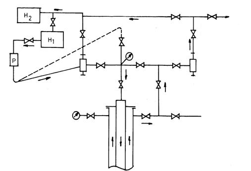
In figura 4.1. se poate urmari schema instalatiei de omorare a sondelor prin tevile de extractie, pentru cazul echiparii sondei cu un cap de eruptie cu doua brate sau cu un brat.
Fazele operatiei de omorare a sondelor prin tevile de extractie se succed in modul urmator:
. Se realizeaza o presiune la agregat cu 5 - 10 bari mai mare decat cea din capul de eruptie. In aceasta faza ventilele de pe traseul haba cu fluidul de omorare - tevile de extractie sunt deschise si ventilele ce fac legatura cu coloana sunt inchise.
. Se deschide ventilul de la coloana dupa ce presiunea din coloana creste cu 15 - 20 bari si se incepe scurgerea fluidului din spatiul inelar,prin duza reglabila de la capul de eruptie, spre parcul de separatoare. Manevrarea duzei reglabile se va face in concordanta cu debitul de fluid care se introduce in sonda si cu presiunea din coloana.
. Se continua introducerea fluidului de omorare, urmarind scaderea presiunii in coloana si cand se considera ca stratul nu mai produce, se deschide complet duza pentru evacuarea titeiului din sonda si pentru realizarea circulatiei cu fluidul de omorare.

Fig. 4.1.Schema instalatiei de omorare a unei sonde prin tevile de extractie
. Fluidul de omorare este dirijat spre batal cand apare la robinetul de scurgere de la port - duza si continua sa se faca circulatie in sonda o perioada de timp (cca. 30 - 60 minute).
In timpul omorarii sondei, presiunea in tevile de extractie ajunge la zero, se mentine catva timp si apoi incepe sa creasca usor datorita frecarilor si contrapresiunii din coloana.
Operatia este reusita, daca oprind pomparea, sonda este linistita si fluidul nu mai iese din sonda pentru ca stratul nu mai produce.
Dupa ce se constata acest lucru, se poate trece la efectuarea celorlalte operatii programate la sonda.
Omorarea sondelor prin tevile de extractie prezinta urmatoarele avantaje:
- durata mai mica a operatiei deoarece tevile de extractie au un volum interior mai mic decat spatiul inelar si se umplu mai repede cu fluid de omorare;
- necesita presiuni de lucru mai mici si deci se pot realiza debite mai mari;
- posibilitatea de contaminare cu gaze este mai mica, datorita suprafetei mici in sectiunea transversala a tevilor de extractie, cand viteza de deplasare a fluidului prin interiorul acestora este mai mare.
b. Omorarea sondelor prin coloana
Aceasta metoda este recomandata la sondele cu presiuni foarte mari, peste 250 - 300 bari (300∙105 Pa) cand coloana de exploatare este solicitata aproape de limita ei de rezistenta.
Fazele necesare pentru operatia de omorarea sondelor prin coloana sunt urmatoarele:
. Se monteaza legaturile de la agregatul de pompare la coloana, avand demontata supapa ventilului de retinere.
Se va face o presiune in linia de pompare mai mare decat cea din coloana si se incepe pomparea fluidului de omorare prin spatiul inelar.
Se deschide duza reglabila de la capul de eruptie, pentru evacuarea fluidului din tevile de extractie.
. Se urmareste presiunea in tevile de extractie pentru stabilirea ritmului de scurgere a fluidului de omorare. Dupa o crestere a presiunii in tevi in domeniul de 20 - 50 bari, incepe scurgerea fluidului de omorare prin duza reglabila intr-un ritm din ce in ce mai mare.
Cu cat se mentine o presiune mai mare in tevile de extractie, cu atat exista mai multa siguranta ca stratul nu va debita si fluidul de omorare se va contamina in proportie mai mica.
La omorarea sondei prin coloana, cand noroiul ajunge la capatul superior al tevilor de extractie, presiunea in tevi este inca mare din cauza contaminarii cu gaze a noroiului. Pe masura ce se circula noroiul, presiunea scade si cand noroiul nu mai este contaminat, cu gaze presiunea este mai mica.
Daca, la oprirea circulatiei, sonda nu mai debiteaza inseamna ca operatia de omorare este reusita.
In general, pentru omorarea completa a unei sonde, trebuie sa se circule un volum de fluid egal cu 1,5 - 2 ori volumul gaurii de sonda. O parte din noroi (aproximativ un volum corespunzator cu volumul tevilor de extractie) se pierde din cauza contaminarii cu gaze si trebuie eliminat din circuit.
c. Omorarea sondelor prin lubricare
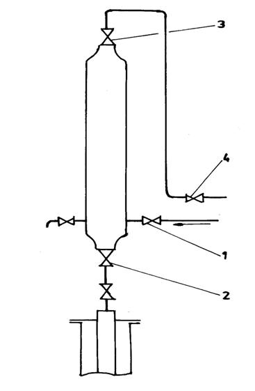
Metoda consta in introducerea lichidului de omorare in sonda cu ajutorul unui lubricator montat deasupra capului de eruptie (fig. 4.2) sau direct peste ventilul principal de siguranta (fig. 4.3). Acest procedeu se utilizeaza in cazurile cand nu se poate obtine circulatie in sonda, deoarece tevile de extractie sau coloana sunt blocate, fie pentru ca tevile de extractie nu sunt introduse in sonda, cum ar fi in timpul operatiei de perforare, cand sonda incepe sa manifeste.

Fig. 4.2. Schema omorarii sondei cand tevile sunt blocate
Blocarea poate fi realizata de dopuri de nisip, depuneri de parafina, instrumente scapate in sonda sau chiar turtirea coloanei.
Lubricatorul este un burlan cu lungime de cca. 10 - 12 m si cu diametrul intre 8 - 10 in.
Operatia de omorare a unei sonde cu un lubricator montat deasupra capului de eruptie, cand tevile de extractie sunt blocate (fig. 4.2) se executa astfel:
. Se pompeaza apa sarata sau noroi in lubricator prin ventilul 7, pana cand acesta se umple si deverseaza la batal prin ventilul 1.
. Se inchide ventilul 7 si apoi ventilul 1, se face comunicatie cu coloana de exploatare prin deschiderea ventilului 2, dar si a ventilelor 3, 4, 5 si 6. Apa sarata patrunde in coloana, iar in locul ei vine fluidul din sonda (titei si gaze).
. Verificarea umplerii lubricatorului cu fluidul din coloana se realizeaza prin deschiderea ventilului 8 de la lubricator.
. Se inchide comunicatia cu coloana, se deschide ventilul 1 si ventilul 7 pentru pomparea apei sarate in lubricator. Aceasta elimina titeiul si gazele din lubricator. Se va intrerupe pomparea apei in lubricator, cand aceasta apare la batal prin ventilul 1.
Operatia se repeta pana la umplerea coloanei cu apa sarata.

Fig. 4.3. Schema omorarii sondei cand spatiul inelar este blocat
Daca spatiul inelar este blocat, se vor umple tevile de extractie prin lubricare conform schemei 4.3. procedand astfel:
- Se pompeaza apa sarata in lubricator prin ventilul 1, pana cand acesta se umple. Ventilul 2 este inchis in acest timp, iar ventilele 3 si 4 sunt deschise, prin ele trecand apa sarata.
- Se inchid ventilele 1 si 4, apoi se deschide ventilul 2 prin care apa sarata din lubricator curge prin tevi spre talpa sondei, iar titeiul si gazele din sonda fiind mai usoare,se ridica in lubricator.
- Se inchide ventilul 2 cand lubricatorul s-a umplut cu lichid din sonda.
- Se scurge presiunea din lubricator.
Dupa inchiderea ventilului de scurgere a presiunii, etapele de pompare a apei sarate in sonda se reiau in succesiunea prezentata, pentru evacuarea titeiului din sonda.
Operatia se executa pana cand gaura de sonda se umple cu apa sarata, creand contrapresiunea necesara pe strat.
d. Omorarea prin tevile de extractie perforate
Metoda se foloseste in cazurile cand tevile de extractie sunt infundate la partea inferioara cu nisip si alte obiecte sau instrumente scapate accidental.
Daca tevile de extractie sunt blocate numai cu nisip, fara alte corpuri sau obiecte metalice, se poate proceda la o spalare a nisipului cu ajutorul unei garnituri de tevi de extractie cu diametru mic de 1 1/4 in, utilizand noroi ca lichid de spalare cu densitatea ceruta de adancimea dopului si de presiunea stratului.
In cazul cand blocarea este datorita nu numai nisipului, ci si unui obiect metalic infundat in nisip, se utilizeaza direct metoda de perforare a tevilor de extractie si omorarea in continuare a sondei cu noroi cu caracteristici adecvate.
Se va proceda in felul urmator:
. Se masoara adancimea dopului de nisip in tevile de extractie.
. Se va introduce prin coloana de tevi existenta in sonda o coloana de tevi de diametru 1 1/4 in pentru inlocuirea fluidului din tevile de extractie cu noroi cu densitatea corespunzatoare. In timpul manevrelor cu aceasta garnitura de tevi, sonda va fi asigurata cu un prevenitor cu bacuri pentru garnitura de tevi de diametru mic.
. Se extrag tevile de extractie de diametru mic (1 1/4 in) dupa aducerea fluidului adecvat in tevile existente initial in sonda.
. Se va introduce un perforator special cu tevile de 1 1/4 in. Acest perforator se armeaza la adancimea dorita in tevile de extractie (existente initial in sonda) printr-o miscare la stanga a garniturii de introducere.
cu ajutorul unei rozete perforatoare, prin tractiuni repetate ale corpului perforatorului, se perforeaza peretele tevii de extractie pe o lungime de 2 - 5 m deasupra dopului.
Dupa perforarea tevilor de extractie, daca fluidul din tevile de extractie este mai greu decat cel din spatiul inelar, se va observa o usoara crestere a presiunii la manometrul de la coloana si o scadere a nivelului in tevi..
. Se pompeaza incet fluidul de omorare prin tevi cu spatiul inelar inchis. Acest fluid trece prin perforaturile din tevi in spatiul inelar al sondei.
. Se deschide incet duza reglabila, cand presiunea in coloana creste cu cca. 10 bari (10∙105 Pa).
Pe masura ce fluidul de omorare se ridica in spatiul inelar, presiunea in coloana scade.
. Se circula in continuare, cu presiunea 0 la coloana, pana se constata ca fluidul care iese din sonda este omogen si cu caracteristici identice cu ale fluidului care se pompeaza prin tevi. In acest moment sonda este omorata.
. Se incepe extragerea tevilor de extractie.
Toate manevrele cu tevile de extractie se fac cu o instalatie de prevenire completa pentru asigurarea sondei contra eventualelor manifestari accidentale. In timpul extragerii tevilor de extractie, sonda va trebui sa ramana plina cu fluid de omorare si in acest scop se va pompa fluid de omorare la fiecare 2 - 4 dubli extrasi, pentru a completa volumul dislocuit de tevile de extractie.
|