PREDIMENSIONARI
![]()
![]()
![]()
Rezulta ca avem placi armate bidirectional. Grosimea acestora va fi:
![]()
Ca urmare aleg ![]()
&n 434b18e bsp; &n 434b18e bsp; 2.2.1. GRINDA METALICA TRANSVERSALA
![]()
![]()
![]()
![]()
t=20mm
h=![]()
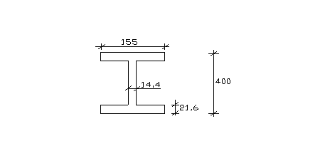
Vom alege ca sectiune profilul I40, avand urmatoarele
caracteristici geometrice:

![]()
a) Incarcari permanente
![]()

![]()
![]()
b) Incarcari temporare

![]()
![]()
![]()
![]()
![]()
0,282 coeficient ce tine seama de
modul de incarcare
![]()
![]()
![]()
Vom alege ca
sectiune profilul I 40, cu ![]()
A1. Conditia de rigiditatate
![]()
- &n 434b18e bsp; &n 434b18e bsp;
alegem: ![]()
![]()
![]()
![]()
t=
aleg t=20mm
- avem h=![]()
![]()
-aleg ![]()
a) incarcari permanente
![]()

![]()
![]()
b) Incarcari temporare

![]()
![]()
![]()
![]()
![]()
![]()
Pentru profilul I 30 avem: ![]()
Deci, sectiunea profil I 30 e corespunzatoare.



Vom lua beton de clasa BC 20, cu Rc=12,5N/mm![]()
a) stilp de colt K=1,4
![]()
b) stilp marginal K=1,35
![]()
c) stilp interior K=1,15
![]()
Aleg ![]()
![]()
![]()
![]()
![]()
![]()
![]()
Alegand bxh=40x40,
avem: 
Ca urmare vom alege ca sectiune de stalpi:
S,P,ETAJ,I-II-III -IV , iau 55x45 cm.
ETAJ V - VII, iau 50x45 cm.
ETAJ VIII - X, iau 45 x 45 cm.
Stalpii se vor realiza ca sectiune mixta, de otel-beton, conform EC-4; folosim relatia:


*Pentru stalpii 55 x45:
(1)Luam egalitatea cu limita superioara:
Presupun p=0 %![]()

![]()
![]()


![]()

(3)aleg P=0,3% si egalez cu valoarea minima (0,2)
![]()

(4)aleg p=0,3% si egalez cu valoarea maxima


In urma acestor
calcule, aleg urmatoarea sectiune 

![]()

*Pentru stalpii 50x45
(1)Luam egalitatea cu limita superioara
Presupun p=0 %![]()

![]()
![]()


![]()

(3)aleg P=0,3% si egalez cu valoarea minima (0,2)
![]()

(4)aleg p=0,3% si egalez cu valoarea maxima


In urma acestor calcule, aleg sectiunea de mai jos, cu:


Rezulta ca procentul efectiv de armare este
![]()

*Pentru stalp 50 x45
(1)Luam egalitatea cu limita superioara
Presupun p=0 %![]()

![]()
![]()


![]()

(3)aleg P=0,3% si egalez cu valoarea minima (0,2)
![]()

(4)aleg p=0,3% si egalez cu valoarea maxima


In urma acestor calcule, aleg sectiunea de mai jos, cu:


Rezulta ca procentul efectiv de armare este
![]()

|