UNIVERSITATEA
TEHNICA "GH ASACHI"
FACULTATEA DE CONSTRUCTII SI INSTALATII
SPECIALIZAREA C.C.I.A.
PROIECT DE DIPLOMA
COORDONATOR STIINTIFIC:
ABSOLVENT:
BORDEROU
PIESE SCRISE:
-Tema proiectului;
-Memoriu tehnic justificativ;
-Calculul higrotermic;
-Calculul sarpantei;
-Evaluarea incarcarilor;
-Calculul structurii;
-Calculul scarii;
-Calculul stalpilor,stalpisorilor si al centurilor;
-Calculul planseului;
-Calculul fundatiei;
-Calculul tehnologic;
-Calculul economic.
PIESE DESENATE:
-Fatada principala;
-Fatada laterala;
-Plan subsol;
-Plan parter;
-Plan etaj;
-Plan acoperis;
-Plan fundatii.Detalii;
-Armare stalpi si stalpisori;
-Armare centuri in elevatie;
-Plan cofrare-armare scara;
-Plan cofrare-armare planseu;
-Plan sarpanta.Detalii.
MEMORIU TEHNIC JUSTIFICATIV
MEMORIU TEHNIC JUSTIFICATIV
A. Memoriu de arhitectura
DATE GENERALE ALE INVESTITIEI:
Denumire proiect: Construire locuinta pe teren proprietate privata;
Beneficiar: Horez Iulian si Viorica;
Amplasament: Str.Spancioc,Nr.15.
2.TEMA DE PROIECTARE:
Prezenta documentatie s-a intocmit la comanda beneficiarului ,in baza temei de proiectare ,in conformitate cu prevederile Certificatului de Urbanism si cu legislatia in vigoare referitoare la autorizarea executarii lucrarilor de constructie.
Prin tema,beneficiarul solicita construirea unei locuinte individuale cu regimul de inaltime S+P+M.
Proiectul a fost intocmit in baza urmatoarelor documente:
●Certificat de urbanism;
●Act de proprietate;
●Ridicare topografica;
●Studiu geotehnic.
3.AMPLASAMENT:
Terenul pe care se amplaseaza constructia,cu o suprafata totala de 418 mp,se afla in intravilanul Municipiului Iasi.Acesta are o forma poligonala neregulata si nu prezinta denivelari semnificative,panta generala fiind descendenta de la nord la sud.
Accesul auto si accesul pietonal se vor face din strada Spancioc pe latura nordica a amplasamentului.
Zona este studiata din punc de vedere
urbanistic (aliniament,regim de inaltime,distanta fata
de vecinatati,plastica arhitecturala) prin Planul Urbanistic de Detaliu aprobat
de Primaria Municipiului
Accesul pietonal principal la locuinta, se desfasoara prin intermediul unei alei descoperite, care dirijeaza circulatia dinspre accesul de la strada catre o terasa de acces situata la nivelul parterului(cota ±0,00).Imobilul beneficiaza si de un acces secundar pozitionat pe latura sudica a constructiei.
4. DATE CARACTERISTICE ALE BUNULUI IMOBIL:
Suprafata construita a cladirii este de 94 mp avand inaltimea la streasina de 3,92 m.
Structura de rezistenta se va realiza din pereti portanti din zidarie de caramida,cu fundatii din beton armat si elemente de rezistenta
(plansee,grinzi,stalpi,stapisori,si centuri), de asemenea din beton armat.
Sarpanta se va realiza din lemn, cu invelitoarea din tabla cutata tip "Lindab" de culoare verde.
Perimetral locuinta va fi prevazuta cu trotuare din beton.
●Pentru incarcari seismice, zona C, Ks=0 si Tc=1,0 s , conform normativului P100-92;
●Pentru
incarcari produse de actiunea vantului, zona C, conform STAS 10101/20-90, cu o
presiune dinamica de baza
=0,55 KN/
la inaltimea de
10 m deasupra terenului si coeficientul de variatie
a presiunii dinamice de baza
in raport cu inaltimea z deasupra terenului liber este de 0,65;
●Pentru incarcari date de zapada
, zona C, conform STAS 10101/21-92,cu o valoare a greutatii de referinta
a stratului de zapada
=1,50 KN/
, pentru o perioada de revenire de 10 ani;
●Categoria de importanta conform normativului P100-92 este C(normala);
●Clasa de importanta conform STAS 10100/0-75 este III.
5. SOLUTIA DE ARHITECTURA:
Locuinta propusa prin prezenta documentatie se inscrie in plan, in principal, intr-un dreptunghi cu decupaje.Inaltimea totala a constructiei este de 7,35 m de la cota trotuarului pana la cota coamei acoperisului.
Avand in vedere configuratia, dimensiunile si topometria terenului, imobilul S+P+M propus se va amplasa in teren in modul urmator:
-fata de strada Spancioc,acesta va avea o retragere variabila de la 4,00 m in coltul cel mai apropiat de limita proprietatii;
-fata de limita laterala vestica a proprietatii, se va alinia paralel, la o distanta de 3,00 m;
-fata de limita sudica a proprietatii, locuinta va fi amplasata, de asemenea la distante variabile fata de aceasta, in coltul cel mai apropiat distanta fiind de 3,15 m.
Se propune un volum simplu care sa se integreze in imprejurimi, respectandu-se prevederile din certificatul de urbanism.Volumul va fi amplasat in partea vestica a terenului, astfel incat sa ramana cat mai mult spatiu pentru amenajarea unei gradini in partea de est.
Din punct de vedere functional locuinta este rezolvata astfel:
La nivelul parterului (S.C=94 mp; S.U=71,15 mp) sunt organizate spatiile de zi ale locuintei: holul de acces (S=15,35 mp), camera de zi (S=19,15 mp), bucatarie (S=11,05 mp),centrala termica (S=2,05 mp), grup sanitar de serviciu (S=4,55 mp), garaj (S=16,25 mp).Acestea sunt dispuse astfel incat locul de luat masa si camera de zi vor beneficia de orientare favorabila spre sud, cu posibilitatea accesului spre terasa exterioara ce se desfasoara in partea din spate a casei.
In legatura cu holul de intrare va fi amplasat un grup sanitar de serviciu si garajul, situat la cota ±0,00 a locuintei, cu acces din exterior pe o rampa de la cota -0,45 a terenului.
Din holul locuintei se distribuie accesele atat pe orizontala cat si pe verticala.
La mansarda (S.C=92,80 mp; S.U=65,65 mp) este organizata zona de noapte care cuprinde trei dormitoare cu urmatoarele suprafete: dormitor matrimonial, S=19,05 mp; dormitor 2, S=11,95 mp; dormitor 3, S=15,30mp si o baie cu suprafata de 7,30 mp.
Tencuielile interioare sunt simple, acoperite cu un strat de vopsea lavabila alba.Tamplariile se vor executa din lemn stratificat si geam termopan.Mana curenta a parapetelor teraselor si balcoanelor se va realiza deasemeni din lemn stratificat.
Invelitoarea se va executa din material tip "Lindab" de culoare verde-inchis.
Acoperisul va fi prevazut cu jgheaburi si burlane,care vor favoriza scurgerea apelor meteorice.
Aleea de acces situata intre accesul dinspre strada pe parcela si terasa de intrare amenajata la cota ±0,00 este tratata cu pavele din piatra care directioneaza circulatia pietonala catre accesul in locuinta. Restul terenului va fi amenajat cu spatii verzi plantate, realizate printr-un studiu atent peisagistic. Perimetral, pe limitele de proprietate laterale, posterioara si partial pe limita de proprietate dinspre strada se vor planta arbori.
6. INDICATORI FIZICI REALIZATI:
●S.C. (aria construita) - 94 mp;
●S.D. (aria desfasurata) - 187 mp;
●S.U. (aria utila) - 137 mp.
8.RESPECTAREA NORMELOR P.S.I.:
La executie se vor respecta prevederile normativelor si instructiunilor de prevenire si stingere a incendiilor.
Se vor respecta normele si instructiunile privind protectia muncii pe tot parcursul executiei.
9. FAZELE DE EXECUTIE LA CARE PROIECTANTUL VA FI PREZENT:
Acestea se vor stabili prin intocmirea unui program de urmarire a executiei de catre proiectant de comun acord 454d31e cu beneficiarul in baza unui contract.
Dupa contractarea executiei de catre beneficiar, acesta va pune proiectantul in legatura cu executantul pentru analizarea si insusirea corecta a proiectului, spre o executie corecta.
10.DISPOZITII FINALE:
Pe toata durata executarii lucrarilor de constructie se vor lua masuri de protectie a muncii specifice fiecarei categorii de lucrari.
Dupa primirea documentatiei, beneficiarul are obligatia obtinerii avizelor si studiilor specificate in Certificatul de Urbanism, a verificarii tehnice de la un verificator atestat, toate acestea fiind necesare obtinerii autorizatiei de construire.
Prezenta documentatie P.A.C. este valabila numai pentru obtinerea autorizatiei de construire.
Inceperea lucrarilor se face numai dupa obtinerea autorizatiei de construire.
Orice modificare a proiectului, atat ca solutie tehnica, cat si ca materiale se va face numai de catre proiectant, indiferent ca ea este solicitata de beneficiar, executant sau oricare alta parte. In caz contrar proiectantul isi declina orice responsabilitate si este absolvit de eventualele urmari nedorite din timpul executiei sau a exploatarii constructiei.
Proiectul nu poate fi reutilizat, multiplicat, instrainat fara acordul proiectantului. Nerespectarea acestui aliniat atrage sanctiuni utilizatorului (incalcarea dreptului de autor).
B. MEMORIU TEHNIC STRUCTURA
GENERALITATI:
Constructia este situata in Municipiul Iasi pe strada Spancioc nr. 15,beneficiar fiind dl. Horez Iulian si Viorica.
Regimul de inaltime : subsol partial+parter+mansarda.
Inaltimea subsolului este de 2,4 m, inaltimea parterului este de 2,8 m, iar inaltimea mansardei variaza de la 1,60 m la peretii din axele 1-4 pana la 2,80 m la peretii din axa B.
Clasa de importanta este III (α=0,8), iar categoria de importanta este normala "C".
Conform normativului P100/92, amplasamentul se afla in zona seismica "C" avand Ks=0 si perioada de colt Tc=1,0 s.
Amplasamentul se incadreaza in:
●zona climatica II - STAS 1907/91;
●zona "C" din punct de vedere al actiunii date de zapada - STAS 10101/21-92;
●zona "C" din punct de vedere al actiunii date de vant - STAS 10101/20-90.
2.INFRASTRUCTURA
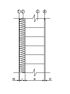
Infrastructura se va realiza sub forma unor fundatii continui sub zidurile structurale, realizate dintr-o talpa de fundatie din beton simplu Bc10 (C8/10),cu sectiunea de 40x60 cm si elevatie din beton Bc15 (C12/15), prevazuta cu centuri la partea inferioara si superioara.Inaltimea elevatiei va fi de 40 cm.
Partea superioara a elevatiei este la cota - 0.05 m.
In infrastructura se vor ancora barele din stalpisorii suprastructurii.
Armarea se va realiza cu otel PC52 si OB37.
-NOTA GEOTEHNICA:
Conform studiului geotehnic, terenul de pe amplasament are urmatoarele caracteristici:
*umplutura de pamant in grosimi de 1,70 pana la 1,90 m;
*argila grasa contractila, neagra-cenusie, plastic vartoasa, in grosimi de 4,40 pana la 4,50 m;
*praf nisipos cu trecere in nisip in grosimi de 4,50 pana la 4,60 m;
*argila marnoasa bazalta prezenta la peste 10,50 m;
*apa subterana este prezenta la adancimea de 1,60 m de la cota terenului natural (C.T.N.);
*adancimea de fundare este de 1,90 m fata de cota terenului natural (C.T.N.);
*portanta terenului de fundare (fundate in stratul de argila grasa contractila), cu conditia patrunderii cu 10 cm in stratul de argila grasa contractila,este urmatoarea:
-pentru G.F.:
![]()
pentru G.S.:
![]()
*fundarea constructiei se va realize in stratul de praf nisipos argilos, cu o adancime de patrundere de minim 20 cm;
*adancimea de inghet este de 0,90 m fata de suprafata terenului natural (STAS 6054-77).
3. SUPRASTRUCTURA:
Structura de rezistenta a cladirii este alcatuita din pereti structurali din zidarie de caramida solidarizati cu stalpisori si centuri.
Zidaria se va realize din caramizi cu goluri verticale 290x240x138 mm de marca 75, iar mortarul din rosturi va fi de marca M50z.Peretii exteriori portanti au grosimea de 37,5 cm,iar cei interiori portanti de 25 cm.
Stalpisorii si centurile din peretii exteriori, vor fi placati cu polistiren extrudat in grosime de 12,5 cm pentru a se evita formarea puntilor termice.Stalpisorii si centurile vor avea sectiunea de 25x25 cm, stalpii de 25x45 cm, iar grinzile de 25x35 cm.Toate golurile de usi si ferestre vor fi bordate la partea superioara cu centuri buiandrug.
Materialele utilizate in stalpisori, stalpi, centuri si grinzi vor fi: beton clasa Bc15 ( C12/15) conform NE 012-99 si armaturi PC52 si OB37.
Ancorarea zidariei de umplutura in dreptul stalpisorilor se face prin prevederea de strepi din beton si de bare Φ6 mm (mustati) lasate din stalpi la intervale de 60 cm pe verticala, care intra in rosurile orizontale ale zidariei (cf. normativ P2-85 pct. 13.1.9;pct. 13.2.15).
Scara de acces la subsol precum si la mansarda se va realize din beton armat.
Planseul peste parter se va realize din beton armat monolit marca Bc15 (C12/15 conform NE 012-99), de 13 cm grosime si va fi armat cu otel PC52 si OB37.
Ca structura de rezistenta mansarda va avea un parapet perimetral din zidarie de caramida cu inaltimea de 1,60 m, prevazut cu stalpisori si centuri, in care se va ancora cosoroaba cu ajutorul unor mustati Φ8/40 cm.
Toti peretii portanti de la parter impreuna cu stalpisorii aferenti lor, vor fi prelungiti la mansarda pana la cote variabile in functie de panta acoperisului.
In centura de la partea superioara a peretior mansardei se vor prevedea mustati Φ8/40 cm cu care se vor ancora elementele din lemn ale acoperisului.
Toate elementele din lemn de brad care formeaza structura de rezistenta a mansardei se vor ignifuga si proteja cu substante contra daunatorilor lemnului.
4.LUCRARI DE TERASAMENTE:
4.1 EXECUTAREA SAPATURILOR:
Executarea sapaturilor se vor realiza in conformitate cu prevederile din "Normativ privind executarea lucrarilor de terasamente pentru realizarea fundatiilor constructiilor civile si industriale" indicative C169-88.
-se dezafecteaza zona;
-se executa sapaturile pentru fundatii sub protectia sprijinirilor;
-se verifica natura terenului de fundare la cota de fundare;
-nu se va trece la executia lucrarilor de betoane decat dupa incheierea proceselor verbale de verificare a naturii terenului de fundare;
-la executie se vor respecta ordinea si tehnologia, aferente lucrarilor prevazute in poroiect.
4.2 EXECUTAREA UMPLUTURILOR:
-umpluturile de pamant in jurul fundatiilor sau sub pardoseli se vor realiza din pamant sortat din cariera-argila prafoasa,praf argilos conform normativului C169/88;
-umpluturile se vor executa in straturi elementare de 10-15 cm care se vor compacta cu maiul mecanic sau manual, pana la atingerea unui grad de compactare mediu de 95% si minim de 92%. Inainte de punerea in lucru a pamantului se va determina umiditatea optima de compactare si se vor aduce corectii dupa caz;
-verificarile se vor efectua conform normativului C169-88 pentru fiecare strat elementar.Abaterile admisibile fata de gradul de compactare prevazut in STAS este de 1% pentru mediu si 2% pentru minim.Rezultatele acestor verificari se vor consemna in procesul verbal de lucrari ascunse.
5.LUCRARI DE FUNDATII:
-lucrarile de fundatii se vor executa in conformitate cu prevederile din "Normativ privind proiectarea si executarea lucrarilor de fundatii directe la constructii" indicativ P10-86;
-lucrarile de fundatii se incep spre executare numai dupa receptionarea lucrarilor de terasamente;
-la executarea fundatiilor se vor avea in vedere:
*materialele intrebuintate trebuie sa corespunda indicatiilor din proiect si prescriptiilor tehnologice in vigoare;
*rosturile de turnare vor respecta prevederile din prescriptii tehnice "Cod de practica pentru executarea lucrarilor din beton, beton armat si beton precomprimat", indicativ NE 012-99;
Receptionarea lucrarilor de fundatii:
-lucrarile de fundatii se vor receptiona conform normativului C56-85;
-se vor mai verifica urmatoarele aspecte la receptionarea lucrarilor de fundatii:
*clasa betonului;
*aplicarea masurilor de protectie prevazute in proiect la turnarea betoanelor;
*modul in care se respecta acoperirea armaturilor cu beton, pozitia si diametrul armaturilor;
*continuitatea betonului sau respectarea rosturilor de lucru prevazute in proiect;
*existenta si conformitatea cu proiectul a armaturilor ce pleaca din fundatii (armaturi longitudinale din stalpi).
-toate verificarile si constatarile efectuate cu ocazia receptiei fundatiilor se vor consemna in procesele verbale de lucrari ascunse.
6.EXECUTAREA LUCRARILOR DE BETON ARMAT MONOLIT:
-lucrarile se vor realiza in conformitate cu prevederile din NE 012-99;
-stalpisorii, grinzile, centurile si planseele unui nivel se vor executa in aceeasi etapa sau in 2 etape astfel:
*se vor executa in prima etapa stalpii pana la cota inferioara a grinzilor si centurilor;
*se vor executa in a doua etapa grinzile inclusiv nodurile stalp-grinda si planseele;
-in varianta de turnare a structurii nivelului in 2 etape, vor aparea rosturi de turnare la partea inferioara a grinzilor.Rosturile de turnare (de lucru) se vor trata conform prevederilor din NE 012-99;
-lucrarile de turnare a betonului monolit se vor executa numai dupa ce au fost realizate corespunzator masurile pregatitoare, s-au adus si verificat materialele necesare, iar utilajele si dotarile necesare sunt in stare de functionare;
-betonarea va incepe dupa verificarea existentei proceselor verbale de lucrari ascunse, care sa confirme ca suportul structurii ce urmeaza a se executa corespunde intocmai prevederilor tehnice precum si ca toate cofrajele si elementele de constructie adiacente corespund ca pozitie si dimensiuni cu proiectul si au fost curatate si corect pregatite.
7.LUCRARI DE HIDROIZOLATII:
-lucrarile de izolatii se vor executa in conformitate cu prevederile proiectului si a normativului C112-86.Hidroizolatia folosita va fi de tip elastic, realizata din carton asfaltat si amorsaj din bitum;
-inainte de inceperea lucrarilor se verifica daca suprafata de aplicare a hidroizolatiei nu prezinta discontinuitati, zone segregate sau fisuri peste limitele admise, precum si daca golurile de instalatii sunt corect pozitionate astfel incat sa nu fie necesare spargeri ulterioare; se va verifica daca sunt asigurate conditiile realizarii aderentei stratului suport (suprafete umezite in prealabil, fara impuritati, etc.);
-nu se vor executa lucrari de hidroizolatii pet imp de ploaie;
-receptia hidroizolatiilor se face pe baza proceselor verbale de lucrari ascunse din care sa reiasa:
*daca structura hidroizolatiei este identica cu cea prevazuta in proiect;
*daca executia s-a efectuat in ordinea si etapele corespunzatoare;
*daca pe parcursul executiei au fost verificate suprafetele suport, calitatea amorsajului si realizarea corecta a straturilor.
8.LUCRARI DE TERMOIZOLATII:
-lucrarile de termoizolare a elementelor din beton (plansee, centuri si stalpisori) vor fi executate in conformitate cu prevederile tehnice specifice materialului din care este executata termoizolatia;
-termoizolatia stalpisorilor din beton se va executa intre rebordurile din dreptul planseelor, iar a grinzilor se va executa pe inaltimea grinzii sub rebordul din placa;
-ancorarea placajului din polistiren se face cu plase de rabit prinse de bare Φ6 prevazute la 60 de cm distanta pe verticala pentru stalpi (sau cu bolturi impuscate) si 40 cm distanta pentru grinzi;
-indiferent de tipul de izolatie prevazut, la receptie se vor avea in vedere:
*calitatea si dimensiunile materialelor folosite;
*continuitatea stratului izolator pe toata suprafata, conform proiectului;
*modul de prindere si protectie.
9.EXECUTAREA LUCRARILOR PE TIMP FRIGUROS:
Pe timp friguros lucrarile se vor executa in conditii prevazute in actele normative in vigoare, printre care:
-normativ pentru executarea lucrarilor de beton si beton armat: NE 012-99;
-normativ pentru executarea lucrarilor pe timp friguros: C16-84;
-instructiuni tehnice pentru sudarea armaturilor din otel beton: C28-83.
10. MASURI DE PROTECTIE A MUNCII:
La executarea lucrarilor se vor respecta toate masurile de protectie a muncii prevazute in legislatia in vigoare in special din: "Regulamentul privind protectia si igiena muncii in constructii" editia 1993; Legea Protectiei Muncii Nr. 90-1996; "Norme generale de protectie a muncii " editia 1996; precum si "Norme specifice de protectie a muncii pentru diferite categorii de lucrari".
Lucrarile se vor executa pe baza proiectului de organizare si a fiselor tehnologice elaborate de tehnologul executant, in care se vor detalia toate masurile de protectie a muncii. Se va verifica insusirea fiselor tehnologice de catre intreg personalul din executie.
Dintre masurile speciale ce trebuie avute in vedere se mentioneaza:
*zonele de lucru periculoase vor fi marcate cu placaje si inscriptii;
*se vor face amenajari speciale (podine de lucru, parapeti, dispozitive, etc.);
*toate dispozitivele, mecanismele si utilajele vor fi verificate in conformitate cu normele in vigoare;
*asigurarea cu forta de munca calificata si care sa cunoasca masurile de protectie a muncii in vigoare din "Regulamentul privind protectia si igiena muncii in constructii" editia 1993 cap.
Se atrage atentia asupra faptului ca masurile de protectie a muncii prezentate nu au caracter limitativ, constructorul avand obligatia de a lua toate masurile necesare pentru prevenirea eventualelor accidente de munca (masuri prevazute si in "Norme specifice de securitate a muncii pentru diferite categorii de lucrari").
11. CONTROLUL CALITATII LUCRARILOR:
Verificarea calitatii materialelor componente si a betoanelor se va face in conformitate cu prevederile din NE 012-99.
Pentru lucrarile de beton si beton armat pe diferite faze de executie care devin lucrari ascunse, verificarea calitatii trebuie consemnata in "Registrul de procese verbale pentru verificarea calitatii lucrarilor ce devin ascunse".
Nu se admite trecerea la o noua faza de executie inainte de incheierea procesului verbal referitor la faza precedenta daca aceasta urmeaza sa devina o faza ascunsa.
La urmatoarele faze verificarile se vor face in prezenta proiectantului:
*dupa executarea sapaturilor la fundatii;
*dupa armarea centurilor elevatiei;
*dupa montarea armaturilor pentru stalpisori, grinzi si centuri.
CALCULUL HIGROTERMIC
CALCULUL TERMIC
Executia unei constructii presupune respectarea unor exigente de performanta.Acestea sunt de mai multe feluri si anume:
-Exigente de rezistenta si stabilitate;
-Exigente de siguranta in exploatare;
-Exigente de siguranta la foc;
-Exigente de igiena, sanatatea oamenilor, refacerea si protectia mediului;
-Protectia termica, hidrofuga si economia de energie;
-Protectia impotriva zgomotului.
Fiecare exigenta in parte implica indeplinirea unor criterii de performanta.Aceste criterii se pot exprima astfel :
-Capacitatea
de izolare termica, exprimata prin rezistenta termica specifica corectata, la
transmiterea caldurii
;
-Eficienta
de ansamblu a protectiei termice, exprimata prin coeficientul global de izolare
termica
;
-Capacitatea
anvelopei de a anula si intarzia efectul variatiilor de temperatura (inertie
termica) exprimata prin defazajul
;
-Confortul
termic, exprimat prin temperatura medie rezultanta a suprafetelor elementelor de
constructie
;
-Calculul la condens :
* pe suprafata elementelor de inchidere;
*in interiorul elementelor, cu verificarea posibilitatii de acumulare a apei de la an la an.
-Ventilarea incaperii, exprimata prin permeabilitatea la aer.
1.Calculul rezistentei termice specifice R
NOTA:Acest calcul se efectueaza pe tipuri de elemente intr-o zona curenta.
a) PERETE EXTERIOR:
Cladirea este amplasata in
localitatea


|
Nr.crt. |
Denumire strat de material |
Grosime (m) |
Coeficient de conductivitate termica λ ( W/mK ) |
|
Tencuiala exterioara | |||
|
Izolatie termica polistiren extrudat |
x | ||
|
Zidarie cu goluri verticale | |||
|
Tencuiala interioara M50T |

Verificare:

b) PLANSEU INFERIOR:
b1) Planseu inferior peste sol (cu pardoseala rece):

|
Nr.crt. |
Denumire strat de material |
Grosime (m) |
Coeficient de conductivitate termica λ (W/mk) |
|
Padroseala C8/10 | |||
|
Placa din b.a | |||
|
Izolatie termica:polistiren extrudat |
x | ||
|
Strat filtrant | |||
|
Strat 1 pamant |
|||
|
Strat 2 pamant |
Verificare:
b2) Planseu inferior peste subsol (cu pardoseala rece)


|
Nr.crt. |
Denumire strat de material |
Grosime (m) |
Coeficient de conductivitate termica λ (W/mk) |
|
Tencuiala intrados M50T | |||
|
Izolatie termica:polistiren expandat |
x | ||
|
Placa din b.a | |||
|
Mozaic turnat |

Verificare:

c) ACOPERIS:


Se calculeaza o rezistenta medie :




d) TAMPLARIE:
NOTA:Tamplaria se va realiza din lemn stratificat si geam termopan.
![]()
2.Calculul rezistentei termice specifice corectate R'
2.1.Calculul lungimilor puntilor termice
a) R.V.:colt iesind-5 bucati

![]()
b)R.V.:colt intrand-1 bucata

![]()
c) R.V.:curent-3 bucati

![]()
d) R.V.:curent-1 bucata

![]()
e) R.O.:pereti exteriori pe fundatii

![]()
f) R.O.:pereti interiori pe fundatii

![]()
g) R.O.:planseu current-perete exterior

![]()
h) R.O.:centura de rezemare a mansardei

![]()
i) R.O.:contur tamplarie

La parter:

La mansarda:

Lungimea tamplariei pe contur :
![]()
2.2Calculul efectiv al rezistentei termice specifice corectate R'
-Calculul se efectueaza tabelar :
|
Element |
Denumire punte |
L |
Ψx L |
A |
R |
U' |
R' |
|
|
PERETE EXTERIOR |
R.V.:colt iesind | |||||||
|
R.O.:contur tamplarie | ||||||||
|
R.V.:colt intrand | ||||||||
|
R.V.:curent | ||||||||
|
R.V.:curent | ||||||||
|
R.O.:pereti ext. pe fundatii | ||||||||
|
R.O.:planeseu current-perete ext. | ||||||||
|
R.O.:centura de rezemare a mansardei | ||||||||
|
TOTAL | ||||||||
|
PLANSEU INFERIOR |
R.O.:pereti ext. pe fundatii | |||||||
|
R.O.:pereti int. pe fundatii | ||||||||
|
TOTAL | ||||||||
|
ACOPERIS |
R.O.:centura de rezemare a mansardei | |||||||
|
TOTAL | ||||||||
|
TAMPLARIE |
R.O.:contur tamplarie | |||||||
|
TOTAL |
Unde : 
3.Calculul coeficientului global de izolare termica G
3.1.Volumul interior incalzit :

3.2.Suprafata tamplariei exterioare : ferestre si usi

3.3.Suprafata opaca a peretilor exteriori :
![]()
3.4.Suprafata totala a anvelopei :
![]()

3.5.Determinarea
lui
:
Se
calculeaza raportul
:
![]()
3.6.Calculul efectiv al coeficientului global de izolare termica G :
Calculul se face folosind formula :
![]()

Cladirea
se afla in oras, deci rata ventilatiei va fi : ![]()

CALCULUL SARPANTEI
CALCULUL SARPANTEI
Calculul sarpantei se face in baza codului NP 005-2003 MLPAT pentru calculul si alcatuirea elementelor de constructii din lemn.
Verificarea se face in domeniul elastic de comportare al materialului.
Capriorii, panele si popii se calculeaza la incarcarile de calcul, ca grinzi simplu rezemate.
1. Calculul capriorului
a) Schema statica si suprafata aferenta :




b) Evaluarea incarcarilor:
- invelitoare si suportul invelitorii :
- greutate proprie :
![]()

- incarcari din actiunea zapezii :

- incarcari din actiunea vantului :

- incarcari utile :

c) Ipoteze de calcul :

d) Verificari :
- de rezistenta la incovoiere plana :

de rezistenta la forfecare :
![]()
![]()

de rigiditate :
![]()
![]()
![]()




Calculul panei:
a) Schema statica si suprafata aferenta :



b) Evaluarea incarcarilor :
invelitoare si suportul invelitorii :
![]()
- capriori :

- greutate proprie :

- incarcari din actiunea zapezii :

-incarcari din actiunea vantului:

- incarcari utile :

c) Ipoteze de incarcare :

d) Verificari :
- de rezistenta la incovoiere plana :
![]()
![]()

de rezistenta la forfecare :
![]()
![]()

de rigiditate :
![]()
![]()
![]()
![]()

![]()


3.Calculul popului
Schema statica si suprafata aferenta:



b) Evaluarea incarcarilor :
- invelitoare si suportul invelitorii :
![]()
- capriori :
![]()
- pane :
![]()
- greutate proprie :

- incarcari din actiunea zapezii :

-incarcari din actiunea vantului:

- incarcari utile :

c) Ipoteze de incarcare :

d).Verificarea de rezistenta la stabilitate elastica :
![]()
; unde: 


![]()
EVALUAREA INCARCARILOR
EVALUAREA INCARCARILOR
1. Clasificarea incarcarilor:
A. Incarcari permanente:
- greutatea peretilor exteriori si interiori, a planseelor si a sarpantei;
- presiunea pamantului.
B. Incarcari temporare:
- cvasipermanente (pereti despartitori );
- variabile ( vantul, zapada, incarcarile utile ).
C. Incarcari exceptionale:
- seismul.
2. Incarcari permanente si cvasipermanente:
Incarcarile permanente sunt rezultatul greutatii proprii a elementelor structurale si nestructurale ale cladirii si, in acelasi timp, a altor incarcari aplicate cu caracter permanent : presiunea pamantului.
Greutatea proprie a elementelor componente se determina prin multiplicarea volumului elementelor respective cu greutatea specifica fiecarui material ce intra in compozitia elementelor de constructie.
Greutatea proprie de calcul a elementelor de constructie se determina cu ajutorul relatiei :
:
- incarcarea
permanenta de calcul;
- coeficientul
incarcarii, conform STAS 10101/10-92;
- intensitatea normata
a incarcarii permanente;
- volumul elementelor,
conform cu detaliile din proiect;
- greutatea
specifica a materialelor.
Incarcarile permanente sunt prezentate ca incarcari uniform distribuite pe lungimea elementelor de constructie.Aceste incarcari vor fi luate in calcul in majoritatea combninatiilor nefavorabile de incarcari.
Incarcarile se calculeaza pe fiecare element, dupa cum urmeaza :
a) Planseu curent - pardoseala rece ( hol, casa scarii,balcon,logie ):

|
Nr.crt |
Denumire material |
|
|
|
|
|
|
Tencuiala tavan M50T | ||||||
|
Planseu - beton armat | ||||||
|
Sapa de egalizare M100 | ||||||
|
Mozaic turnat | ||||||
|
Total incarcari permanente | ||||||
|
Incarcare utila | ||||||
|
TOTAL | ||||||
b) Planseu curent - pardosela rece ( grup sanitar ):

|
Nr.crt |
Denumire material |
|
|
|
|
|
|
Tencuiala tavan M50T | ||||||
|
Planseu - beton armat | ||||||
|
Sapa de egalizare M100 | ||||||
|
Gresie + adeziv | ||||||
|
Total incarcari permanente | ||||||
|
Incarcare utila | ||||||
|
TOTAL | ||||||
c) Planseu curent - pardoseala calda:

|
Nr.crt |
Denumire material |
|
|
|
|
|
|
Tencuiala tavan M50T | ||||||
|
Planseu - beton armat | ||||||
|
Sapa de egalizare M100 | ||||||
|
Suport pardoseala PFL | ||||||
|
Pardoseala parchet | ||||||
|
Total incarcari permanente | ||||||
|
Incarcare utila | ||||||
|
TOTAL | ||||||
d) Planseu peste subsol-pardoseala rece:
|
Nr.crt |
Denumire material |
|
|
|
|
|
|
Tencuiala tavan M50T | ||||||
|
Izolatie termica-polistiren expandat | ||||||
|
Placa-beton armat | ||||||
|
Mozaic turnat | ||||||
|
Total incarcari permanente | ||||||
|
Incarcare utila | ||||||
|
TOTAL | ||||||
e) Scara:
NOTA:Pentru scara, incarcarile se evalueaza separat pentru rampa si podest :
) Podestul scarii:
|
Nr.crt |
Denumire material |
|
|
|
|
|
|
Tencuiala tavan M50T | ||||||
|
Planseu - beton armat | ||||||
|
Sapa de egalizare M100 | ||||||
|
Mozaic turnat | ||||||
|
Total incarcari permanente | ||||||
|
Incarcare utila | ||||||
|
TOTAL | ||||||
) Rampa scarii:

-Incarcarile se calculeaza pe 1m inclinat de rampa:

f) Perete exterior portant:

|
Nr.crt |
Denumire material |
|
|
|
|
|
|
Tencuiala exterioara(mortar cu polimeri) | ||||||
|
Izolatie termica-polistiren extrudat | ||||||
|
Zidarie G.V. | ||||||
|
Tencuiala interioara M50T | ||||||
|
TOTAL | ||||||
g) Perete interior portant:

|
Nr.crt |
Denumire material |
|
|
|
|
|
|
Tencuiala interioara M50T | ||||||
|
Zidarie-caramida plina | ||||||
|
Tencuiala interioara M50T | ||||||
|
TOTAL | ||||||
h) Perete despartitor ( neportant sau purtat):

|
Nr.crt |
Denumire material |
|
|
|
|
Placi din ipsos armat | ||||
|
Izolatie fonica din vata minerala tip 70 | ||||
|
TOTAL | ||||

3 Incarcari variabile:
a) Incarcarea din actiunea zapezii
Cladirea este amplasata in
localitatea
Intensitatea normata a incarcarii din actiunea zapezii :
; unde termenii au urmatoarele semnificatii
:
- greutatea de referinta a stratului de zapada ce depinde de
zona climatica si de perioada de revenire :

- coeficient ce tine seama de conditiile de expunere ale
constructiei; Cum constructia se afla intr-o zona cu conditii normale de
expunere, atunci :
![]()
- coeficient ce tine seama de aglomerarea cu zapada pe suprafata
constructiei expusa zapezii si de forma acoperisului ( acoperis usor profilat
si

Intensitatea normata a incarcarii din actiunea zapezii va fi :
![]()
Intensitatea de calcul a incarcarii data de actiunea zapezii :
Pentru calculul la starea limita ultima de rezistenta si stabilitate :
![]()
- coeficient partial de siguranta
![]()
Clasa de importanta a cladirii este
III, deci: ![]()

Pentru calculul la starea limita a exploatarii normale :
![]()
- coeficient partial de siguranta
![]()
Clasa
de importanta a cladirii este III, deci: ![]()

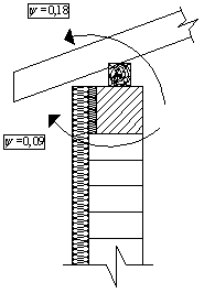
b) Incarcarea din actiunea vantului :
Cladirea este amplasata in
localitatea
Intensitatea normata a incarcarii din actiunea vantului:
;unde termenii au urmatoarele
semnificatii :
- coeficient de rafala, functie de categoria constructiei
Categoria
- constructii curente, putin sensibile la actiunea vantului
![]()
- coeficient aerodinamic pe suprafata
:


- coeficient de variatie a presiunii
dinamice de baza, in raport cu inaltimea Z a constructiei, deasupra terenului
liber, ce depinde de tipul de amplasament.
-Tip de amplasament II : amplasament din oras, cu exceptia marilor orase.

- presiunea dinamica de baza stabilizata la h=10m deasupra
terenului, functie de amplasamentul constructiei :
Zona C: 

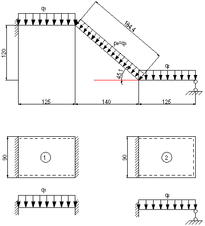
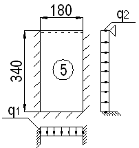
CALCULUL STRUCTURII DE REZISTENTA
CALCULUL STRUCTURII DIN ZIDARIE LA ACTIUNI ORIZONTALE (SEISM)
NOTA: Latimea talpilor (montantilor peretilor structrali) la sectiuni in forma de: I, T, L, se face conform normativului P2-85, privind alcatuirea, calculul si executarea structurilor din zidarie:


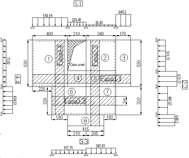
1. Identificarea, caracteristicile si pozitionarea montantilor peretilor structurali de la parter;
Suprafete aferente montantilor peretilor structurali de la parter:
de pe directia transversala a structurii;
de pe directia longitudinala a structurii;
3. Identificarea, caracteristicile si pozitionarea montantilor peretilor structurali de la mansarda;
4. Suprafete aferente montantilor peretilor structurali de la mansarda:
de pe directia transversala a structurii;
de pe directia longitudinala a structurii;
5. Calculul incarcarilor pe montantii peretilor structurali de la mansarda:
5.1 Incarcari din invelitoare si suportul invelitorii:
- se calculeaza incarcarea pe
de suprafata inclinata:
* tabla cutata tip "Lindab":
![]()
* astereala
![]()
![]()
- se calculeaza incarcarea pe
de suprafata orizontala:

5.2 Incarcari provenite din actiunea zapezii:

5.3
Incarcari pe
de suprafata orizontala,
provenite din capriori si pane:
-capriori : 10x15(cm) dispusi la 70cm(±10 cm) unii fata de altii:

-pane : 12x12(cm) ; 17x17(cm):

![]()
● Aceasta incarcare se imparte la proiectia orizontala a acoperisului:
![]()
● Pentru a determina incarcarea din zapada, invelitoare si suportul invelitorii, se determina toata incarcarea de pe toata suprafata si apoi se raporteaza greutatea respectiva la proiectia proiectia orizontala a acoperisului:

5.4 Determinarea greutatii pe
de perete exterior, situat peste extradosul
planseului de la cota +2,75 m:
Determinarea suprafetelor tuturor peretilor exteriori:

Determinarea lungimilor tuturor peretilor exteriori:

Determinarea inaltimii medii
a peretilor
exteriori de la mansarda:

Determinarea incarcarii din perete exterior ( de la mansarda ):

●NOTA: Se considera
pentru simplificare:
Determinarea
greutatii pe
de perete exterior:

5.5 Determinarea greutatii pe
de perete interior, situat peste extradosul
planseului de la cota +2,75 m:
Determinarea suprafetelor tuturor peretilor interiori:

- Determinarea lungimilor tuturor peretilor interiori:

Determinarea
inaltimii medii
, a peretilor interiori de la
mansarda:

Determinarea incarcarii din perete interior ( de la mansarda ):

NOTA: Se considera pentru
simplificare:
Determinarea
greutatii pe
de perete interior:

5.6 Determinarea fortei axiale N, pe montantii peretilor structurali de la mansarda, din:
-zapada;
-invelitoare + suportul invelitorii;
-capriori + pane;
-centuri;
-greutatea proprie a peretilor (dupa caz : interiori sau exteriori).
![]()
Pe directie transversala:

Pe directie longitudinala:

6. Determinarea fortei axiale N, pe montantii peretilor structurali de la parter:
6.1 Determinarea fortei axiale N, pe montantii peretilor structurali de la parter , provenita din greutatea proprie a planseului si sarcinile utile aferente:
![]()
●NOTA: Suprafetele se masoara din axele planului:

![]()
●NOTA: Incarcarile din planseu includ si incarcarile utile (evaluarea incarcarilor).
![]()
Pe directie transversala:

Pe directie longitudinala:

6.2 Determinarea greutatii pe
de perete exterior ( de la parter ):


6.3 Determinarea greutatii pe
de perete exterior ( de la parter ):


6.4 Determinarea fortei axiale N, pe montantii peretilor structurali de la parter, provenita din podestul intermediar si rampa scarii:
● Din podestul intermediar al scarii:
NOTA: Se distribuie incarcarea din podestul intermediar al scarii, montantilor peretilor structurali de la parter (D7-1 si D7-2,longitudinali).
Suprafata aferenta a podestului se masoara din axele planului.
![]()
Jumatate din aceasta suprafata, devine aferenta montantului peretelui structural D7-1, iar cealalta jumatate devine aferenta montantului peretelui structural D7-2.

● Din rampa scarii:
NOTA: Se distribuie incarcarea din rampa scarii, montantilor peretilor structurali de la parter (D4-1 si D5-2,transversali).
Din etapa referitoare la calculul scarii s-a determinat:


6.5 Determinarea fortei axiale N, pe montantii peretilor structurali de la parter:
![]()
Pe directie transversala:

Pe directie longitudinala:

7. Calculul greutatii structurii (G):


NOTA:Calculul structurii la actiunea seismica, se va face cu ajutorul programului automat de calcul C.S.Z (calculul structurilor din zidarie), ce respecta intocmai prevederile normativului P2-85:
CALCULUL SCARII
CALCULUL SCARII
Scarile: sunt elemente de constructie care asigura legatura pe verticala intre diferite etaje ale cladirii, precum si intre trotuar si interiorul constructiei, prin planuri orizontale numite trepte, asezate denivelat unele in raport cu altele, de regula echidistant.Pe langa functia de circulatie curenta, scarile trebuie sa asigure si evacuarea rapida a persoanelor aflate in cladire in cazul unui incendiu sau cutremur, ceea ce determina numarul necesar de scari intr-o cladire, amplasarea si alegerea latimii lor.
Elementele din care este alcatuita o scara sunt: rampa cu trepte si contratrepte, podestul sau odihna, vanguril scarii, precum si balustrada cu mana curenta.
Treapta: este elementul alcatuit dintr-o suprafata orizontala pe care se calca si care formeaza treapta propriu-zisa si o suprafata verticala care leaga doua trepte consecutive intre ele, numita contratreapta. La scarile exterioare, fata unei trepte trebuie sa aiba o panta usoara spre exterior, pentru a asigura scurgerea apelor.
Pentru ca o scara cu rampe drepte sa
fie comoda la urcat, trebuie ca intre latimea
si inaltimea
a treptelor sa existe
relatia:
![]()
Latimea scarii L, care corespunde cu lungimea treptelor, se alege in functie de destinatia cladirii si de numarul de persoane evacuate intr-un anumit interval de timp, alfate la un moment dat in cladire. Circulatia pe scari se considera ca se face sub forma de fluxuri. Numarul de fluxuri prin care se evacueaza un anumit numar de persoane se determina cu relatia:
; unde:
F - Numarul de fluxuri prin care se evacueaza un anumit numar de personae;
N - numarul de persoane care trebuie sa treaca prin calea de evacuare;
C - capacitatea de evacuare a unui flux.
1. Stabilirea schemei statice:


Placa 1 - dupa conditiile de rezemare, este de tip 3, doua dintre laturi fiind considerate simplu rezemate, iar celelalte doua incastrate.
armare
pe o singura directie.
![]()
Placa 2 - dupa conditiile de rezemare, este de tip 2, trei dintre laturi fiind considerate simplu rezemate, iar una din laturi incastrata.
armare
pe o singura directie.
![]()
2. Calculul incarcarii pe podest:
|
Nr.crt |
Denumire material |
|
|
|
|
|
|
Tencuiala intrados M50T | ||||||
|
Planseu - beton armat |
| |||||
|
Sapa de egalizare M100 | ||||||
|
Mozaic turnat | ||||||
|
Total incarcari permanente | ||||||
|
Incarcare utila | ||||||
|
TOTAL | ||||||
3. Calculul incarcarilor pe rampa:
●NOTA:Incarcarile se calculeaza pe 1m inclinat de rampa:




![]()
NOTA:
Incarcarile
ar trebui
inmultite cu 0.9, corespunzator cazului de fata, dar in mod acoperitor vor ramane valorile calculate anterior
pentru 1 ml latime a podestulu sau rampei scarii.
4. Calculul momentelor incovoietoare:
-Calculul se efectueaza automat folosind programul de calcul AXIS, rezultatele concretizandu-se prin:
trasarea deformatei;
trasarea diagramei de forta taietoare, cu valori caracteristice in diferite sectiuni;
trasarea diagramei de moment incovoietor, cu valori caracteristice in diferite sectiuni.
5. Armarea scarii:
5.1 Armarea podestului scarii:

Se adopta
pentru armatura de
rezistenta si
pentru repartitie.
![]()
5.2 Armarea rampei scarii:
Se adopta
pentru armatura de
rezitenta si
pentru repartitie.
![]()
CALCULUL PLANSEULUI
CALCULUL PLANSEULUI
Planseele sunt elemente de constructie orizontale care compartimenteaza volumul cladirii pe verticala in etaje si o inchid la partea superioara. Din punct de vedere al rolului in structura de rezistenta, planseele au rolul de a prelua incarcarile gravitationale si de a le transmite altor elemente structurale ( grinzi, pereti, stalpi ), precum si de a asigura intrarea in lucru a altor elemente verticale (stalpi, diafragme ) la actiunea incarcarilor orizontale ( efectul de saiba ).
In general, planseele se dimensioneaza la incarcari verticale si se verifica la incarcari orizontale.
Incarcari verticale la plansee:
greutatea proprie a planseelor ( placa, sapa, pardoseala, tencuiala );
utile ( persoane, mobilier, pereti despartitori );
temporare ( zapada → doar la planseul de acoperis ).
Conditii de rezemare si descarcare: Se refera la rezemarea si conlucrarea planseelor cu elemente de constructie pe care reazema: grinzi, pereti portanti.
Rezemarea elementelor de planseu se considera astfel:
simplu rezemate, atunci cand rotirile de reazeme sunt posibile, iar momentele pe care reazemul le poate prelua sunt de valori neglijabile.
Incastrate, cand rotirile de reazem sunt extreme de mici, momentul de incastrare se poate prelua si transmite integral, iar rigiditatea reazemului este suficient de mare.
Incastrate partial, atunci cand sunt indeplinite conditii intermediare simplei rezemari si incastrarii.
Eforturile la care sunt solicitate placile planseelor se determina prin calcul static in domeniul elastic, utilizand una sau mai multe scheme de incarcare.
Armarea planseelor din beton armat se poate realiza:
Dupa o singura
directie, cand :
;
Dupa doua
directii, cand :
.
1. Stabilirea incarcarilor:
a) Planseu curent - pardoseala rece ( hol, casa scarii, balcon, logie ):

|
Nr.crt |
Denumire material |
|
|
|
|
|
|
Tencuiala tavan M50T | ||||||
|
Planseu - beton armat | ||||||
|
Sapa de egalizare M100 | ||||||
|
Mozaic turnat | ||||||
|
Total incarcari permanente | ||||||
|
Incarcare utila | ||||||
|
TOTAL | ||||||
b) Planseu curent - pardosela rece ( grup sanitar ):

|
Nr.crt |
Denumire material |
|
|
|
|
|
|
Tencuiala tavan M50T | ||||||
|
Planseu - beton armat | ||||||
|
Sapa de egalizare M100 | ||||||
|
Gresie + adeziv | ||||||
|
Total incarcari permanente | ||||||
|
Incarcare utila | ||||||
|
TOTAL | ||||||
c) Planseu curent - pardoseala calda ( dormitoare ):

|
Nr.crt |
Denumire material |
|
|
|
|
|
|
Tencuiala tavan M50T | ||||||
|
Planseu - beton armat | ||||||
|
Sapa de egalizare M100 | ||||||
|
Suport pardoseala PFL | ||||||
|
Pardoseala parchet | ||||||
|
Total incarcari permanente | ||||||
|
Incarcare utila | ||||||
|
TOTAL | ||||||
d) Incarcari cvasipermanente - pereti despartitori (neportanti sau purtati):

|
Nr.crt |
Denumire material |
|
|
|
|
Placi din ipsos armat | ||||
|
Izolatie fonica din vata minerala tip 70 | ||||
|
TOTAL | ||||

2. Calculul momentelor in camp si reazem:
Pentru un calcul simplificat, sitemul real se va echivala cu doua sisteme ale caror moduri de deformare sunt cunoscute : sistem A + sistem B.


Determinarea
incarcarilor
si
pentru fiecare placa
din sistemul a:

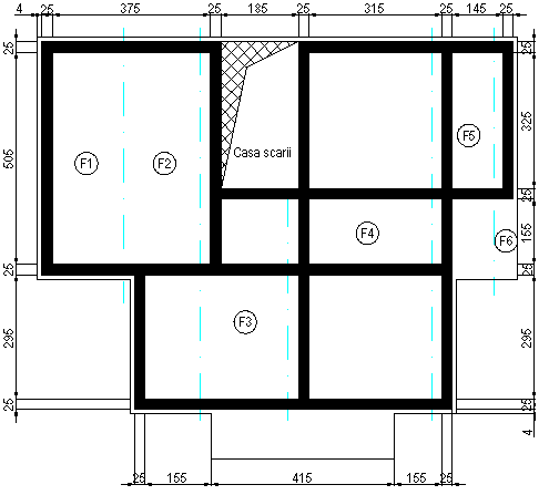
a) Placa 1 - tip 2:


b) Placa 2 - tip 4:


c) Placa 3 - tip 14:


-armarea se va face doar dupa o singura directie: cea scurta(principala).
d) Placa 4 - tip 6:


e) Placa 5 - tip 5:


f) Placa 6 - tip 4:

g) Placa 7 - tip 4:

h) Placa 8 - tip 14:

-armarea se va face doar dupa o singura directie: cea scurta(principala).
Determinarea
incarcarilor
si
pentru fiecare placa
din sistemul B:
NOTA:In acest caz toate
placile sunt simplu rezemate pe contur (tip
1) si incarcate cu
.
![]()

a) Placa 1:

b) Placa 2:

c) Placa 3:

-armarea se va face doar dupa o singura directie: cea scurta(principala).
d) Placa 4:

e) Placa 5:

f) Placa 6:

g) Placa 7:

h) Placa 8:

-armarea se va face doar dupa o singura directie: cea scurta(principala).
NOTA: Calculul momentelor in camp si reazem a fost efectuat cu ajutorul programului de calcul automat AXIS.Rezultatele s-au concretizat in :
Deformata fiecarei fasii ( grinzi continue );
Diagrama de forta taietoare si valori in sectiuni caracteristice;
Diagrama de moment incovoietor si valori in sectiuni caracteristice.
Momentele in camp si reazem au fost cumulate in cele doua sisteme si rezultatele sunt prezentate in tabelul de mai jos :
Valorile momentelor finale pe placile planseului
|
Placa |
Directia 1 |
Directia 2 |
||
|
In camp |
In reazem |
In camp |
In reazem |
|
3 Armarea planseului:
*Directia 1:
In camp : ![]()
![]()

In reazem :

*Directia 2:
In camp :

In reazem : ![]()

In final, pentru usurinta la montaj, precum si acoperitor se va adopta:
In camp, pe
ambele directii :
cu ![]()
In reazem, pe
ambele directii :
cu ![]()
ARMAREA ELEMENTELOR DIN BETON
ARMAT ALE STRUCTURII
ARMAREA ELEMENTELOR DIN BETON ARMAT ALE STRUCTURII, CONFORM NORMATIVULUI P2-5
1 Stalpisorii din beton armat:
Stalpisorii din beton armat turnati dupa executarea zidariei ce conlucreaza cu acestia, se prevad pentru :
- sporirea capacitatii portante si a stabilitatii peretilor la incarcari verticale;
- sporirea capacitatii portante a peretilor structurali la actiunea combinata a sarcinilor verticale si orizontale;
Prin intarirea zidariei cu stalpisori si centuri si prin conlucrarea acestora se realizeaza panouri de zidarie inramata pe contur.
Alcatuirea stalpisorilor din beton armat se va face tinand seama de urmatoarele:
- laturile sectiunilor stalpisorilor se coreleaza cu grosimile peretilor in care sunt turnati; stalpisorii care se prevad pentru pereti structurali exteriori se izoleaza termic prin placarea lor la exterior, pentru evitarea formarii puntilor termice;
- armarea
longitudinala a stalpisorilor se face constructiv cu (minim bare cu
din otel
-conform normativului P2-85)
din
- armarea
transversala se realizeaza cu etrieri din bare de otel
din
(conform normativului P2-85, se
folosesc in mod current etrieri din bare de otel
) la
, indesiti la
in zonele de inadire a barelor
longitudinale, precum si la partea superioara stalpisorilor, sub centura, pe o
lungime de minim
Ancorarea barelor in centura ultimului nivel se face
pe o lungime de 20 de diametre.Stalpisorii se vor solidariza cu zidaria
adiacenta prin bare dispuse in rosturile orizontale ale zidariei,
la
, patrunzand
in zidarie sau pana la
marginea golului, cand distanta de la stalpisor la gol este mai mica de
.

La nivelul planseelor, stalpisorii vor fi legati monolit cu centurile din b.a.
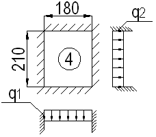
2 Centurile din beton armat:
Centurile din beton armat se prevad in mod obligatoriu in peretii structurali din zidarie la nivelul fiecarui planseu al cladirii, ele alcatuind o retea inchisa si continua pe toata suprafata nivelelor constructiei.
Centurile din beton armat de la nivelul planseelor, prin forma, dimensiuni si suprafata de contact cu zidaria, vor asigura :
-transmiterea directa a sarcinilor gravitationale din planseele cladirii la peretii structurali si de la nivelurile superioare la cele inferioare acesteia;
-transmiterea fortelor de inertie ce apar la nivelul planseului ca raspuns al cladirii la miscarile seismice, la peretii structurali;
-preluarea eforturilor de intindere ce apar in peretii structurii sub actiunea sarcinilor orizontale seismice, efectul tasarilor neuniforme sau al variatiilor de temperatura.
Prin conlucrarea cu planseele cladirii, centurile participa la preluarea eforturilor de intindere sau compresiune ce apar in saiba orizontala, formata de plansee, solicitata in planul ei de forte de inertie seismice.
Centurile din beton armat au fost proiectate tinand seama de urmatoarele aspecte :
-latimea centurilor este egala cu grosimea peretelui structural pe care il intareste, iar inaltimea este mai mare decat grosimea planseului.
-centurile prevazute in peretii exteriori se protejeaza termic, pentru e se evita formarea puntilor termice.
Armarea centurilor se face astfel
-armarea
longitudinala a centurilor prevazute in peretii structurali interiori se face
cu bare din otel
sau
rezultate din calculele de rezistenta , aria minima corespunzatoare fiind de
-sectiunea armaturilor longitudinale a centurilor
marginale (prevazute pe peretii structurali de pe conturul cladirii) va fi cu
mai mare decat a
centurilor interioare;
-barele din centuri se innadesc prin suprapunere pe o
lungime de
de diametre si legare;
in aceeasi sectiune se vor innadi cel mult
din bare, distanta dintre zonele de innadire fiind de minim
;
-barele longitudinale se ancoreaza la intersectii pe o
lungime de
diametre dincolo de
marginea centurii in care se ancoreaza;
-Conform
normativului P2-85, diametrul minim al barelor longitudinale care se vor
utiliza in centur este:
pentru bare din
si
si
pentru cele din
-Continuitatea barelor din planseu considerate ca armatura de centura trebuie sa fie asigurata prin suprapunere (in cazul planseului monolit);
-barele longitudinale ale centurilor se leaga cu
etrieri sau agrafe
minimum
/
.
-In portiunile alaturate stalpisorilor din beton armat se recomanda indesirea la 10 cm a etrierilor pe lungimi de circa 50 de cm stanga-dreapta;
-Centurile intermediare vor avea latimea egala cu grosimea peretelui, admitandu-se in cazul peretilor exteriori centuri cu latime mai mica pentru a se putea realiza izolarea termica a acesora, dar nu mai putin de 24 cm;
-Inaltimea centurilor intermediare va fi egala cu cel putin un rand de de caramida (14 cm);
-Distanta maxima intre doua centuri pe verticala va fi de maxim 4,0 m pentru gradul de protectie antiseismica 3 si 3,0 pentru gradul 7 si mai mare, fara insa a depasi suprafetele de zidarie incadrate de centuri si stalpisori;
NOTA:Solutia adoptata in cazul de fata respecta intocmai prevederile normativului P2-85 si anume :
●Sectiunea centurii este de 25x25(cm) si se armeaza astfel:
*armatura
longitudinala din bare de otel
pe sectiune (3 bare sus si 3 jos);
*armature
transversala (etrierii) din bare de otel
in portiunile alaturate stalpisorilor din beton armat indesinu-se la
10 cm.

3 Buiandrugii:
Golurile mari prevazute in peretii structurali vor fi marginite la partea superioara de buiandrugi din beton armat turnati monolit.
Buiandrugii au latimea sectiunii transversale egala cu
grosimea peretelui structural, iar inaltimea de minim
din lumina
golului.Distanta dintre partea superioara a buiandrugului si cota inferioara a
centurii de la nivelul planseului se completeaza cu zidarie si este egal cu un
numar intreg de asize de zidarie (conform normativului P2-85);
Atunci cand
diferenta de nivel dintre cota inferioara a buiandrugului si cea superioara a
planseului nu depaseste
, buiandrugii din beton armat monolit se executa impreuna cu centurile
planseelor, formand centuri buiandrugi.

Lungimea minima de rezemare a buiandrugilor este de minim
.
Daca distanta dintre capetele a doi buiandrugi este
mai mica decat
, se prevede un singur buiandrug continuu pe ambele goluri
vecine.
DIMENSIONAREA FUNDATIEI
DIMENSIONAREA FUNDATIEI
FUNDATIILE RIGIDE:
Sunt fundatiile la care, sub actiunea incarcarilor date de constructie si reactiunii terenului in sectiunea cea mai solicitata, apar numai tensiuni de compresiune, iar daca apar si tensiuni de intindere, acestea vor fi preluate de capacitatea de rezistenta la compresiune si intindere a materialului din care sunt realizate.
Fundatiile rigide pot fi:
●Izolate;
●Sub ziduri cu descarcari pe reazeme izolate;
●Continue sub ziduri si diafragme.
Fundatii continue de beton simplu sub ziduri sau diafragme:
Aceste fundatii se executa in mod curent din beton simplu sau din beton armat. Fundatiile din beton simplu sau beton ciclopian sunt rigide, neputand prelua eforturi de incovoiere.
Fundatiile de sectiune dreptunghiulara se recomanda atunci cand talpa fundatiei depaseste peretele sau soclul cu cel mult 15-20 cm de fiecare parte.

![]()
1. Determinarea capacitatii portante a terenului de fundare:
-Calculul se face in gruparea fundamentala:
;unde
coeficient al
conditiilor de lucru (conform tabelului 4.7 din "Geotehnica si fundatii" I.P.
Iasi 1981);
=media ponderata a greutatilor volumice de
calcul a straturilor de sub fundatie, cuprinsa pe o adancime de B/4 masurata de
la talpa fundatiei (
B =latura mica a fundatiei (m);
q= supraincarcarea de calcul la nivelul talpii fundatiei (KPa):
c= valoarea de calcul a coeziunii stratului de pamant, de sub talpa fundatiei (KPa);
= coeficienti adimensionali, functie de valoarea de calcul a unghiului
de frecare interioara ( ) a terenului
de sub talpa fundatiei.
NOTA: Prin studiul geotehic s-au stabilit
caracteristicile stratului de fundare ( argila grasa contractila): Ф,c,γ cu care s-a
determinat
-pentru G.F.:
![]()
2. Determinarea latimii talpii de fundare (B):
→
Fundatie dezvoltata simetric
![]()

→ Se adopta latimea fundatiei: B=60cm=o,6m.
Determinarea inaltimii fundatiei (H):
Pentru ca eforturile de intindere din incovoiere in fundatia de beton simplu sa fie neglijabile ca valoare, trebuie satisfacuta relatia:
unde
=este dat tabelar, functie de clasa betonului si de presiunea efectiva
pe teren.
=1,6; pentru beton clasa Bc10 (B150) - C8/10 si 2
p

→ Se adopta inaltimea fundatiei: H=40cm=0,4m.
Verificarea capacitatii portante a terenului:

→ Conditie indeplinita!
CALCULUL TEHNOLOGIC
CALCULUL TEHNOLOGIC
1 TEHNOLOGII DE EXECUTIE:
Lucrari pregatitoare:
a) Curatirea si nivelarea amplasamentului (cu pante de
scurgere spre exterior, pentru a nu permite stagnarea apelor din precipitatii
si scurgerea lor in sapaturile de fundatii), trasarea axelor constructiei si
satbilirea cotei
;
b) Devierea sau dezafectarea retelelor din amplasament (ingropate si aeriene).
Sapaturi pentru fundatii:
Acestea vor incepe dupa verificarea trasarii si intocmirea procesului verbal:
- sapatura pentru santurile fundatiilor continue se va executa manual dar si mecanic, la cotele si dimensiunile din proiect;
- receptia terenului si a sapaturilor cu intocmirea procesului verbal pentru lucrari ce devin ascunse.
Fundatiile se executa direct in
terenul bun de fundare, la cotele prevazute si cu o incastrare minima de
in acest strat.
Lucrarile de sapaturi vor incepe dupa efectuarea operatiilor de predare-primire a amplasamentului, a trasarii topometrice si a stabilirii reperelor de nivelment conform planurilor din proiect, acestea facandu-se prin procesul verbal de trasare a lucrarilor.
Lucrarile de sapaturi se vor organiza astfel incat sa se asigure masurile de prevenire a degradarii terenului de fundare si anume :
- nu se va strica echilibrul natural al terenului in jurul gropii de fundatie pe o distanta suficienta pentru ca stabilitatea constructiilor invecinate sa nu fie influentata;
- se va asigura pastrarea caracteristiclor pamatului sub talpile fundatiilor;
- turnarea fundatiilor se va executa fara intarzieri, dupa ce sapatura a ajuns la cota de fundare din proiect;
- se va asigura evacuarea rapida a apelor din precipitatii, fundul gropii de fundatie trebuind sa fie lasat sa se usuce.
Umpluturile in jurul fundatiilor se
vor executa cu pamant de natura specificata in proiect, fara teren vegetal si
vor avea un grad de compactare de
cu o abatere de maxim
.
Executarea fundatiilor:
Incepe dupa turnarea betonului simplu in santurile sapate pentru fundatiile continue si receptionarea acestor lucrari.
La executarea fundatiilor se vor avea in vedere urmatoarele aspecte :
- materialele intrebuintate trebuie sa corespunda indicatiilor din proiect si prescriptiilor din standardele si normele in vigoare;
- fundatiile se vor executa fara intrerupere;
- inaintea turnarii betonului se vor verifica armaturile montate, precum si pozitionarea cofrajelor laterale, respectandu-se prevederile din STAS 10107/0-90 privind acoperirea minima cu beton si NE012-99;
- in cazul aparitiei apei subterane se vor prevedea epuismente si masuri contra efuierii terenului si a spalarii laptelui de ciment din beton;
- pentru a asigura conditii favorabile
de intarire si a se reduce deformatiile din contractie, se va mentine umiditatea
betonului din primele zile dupa turnare, protejand suprafetele libere prin
acoperirea cu materiale de protectie si stropirea periodica cu apa care va
incepe dupa
ore de la turnare, functie de tipul cimentului folosit si de temperatura
mediului.
Cofrajele se executa pentru elementele din beton ale fundatiilor situate peste cota superioara a sapaturii generale.
Principalele operatiuni sunt :
- trasarea pozitiei cofrajului cu ajutorul sarmelor intinse intre reperele materializate la trasarea sapaturilor;
- transmiterea pe verticala a cotelor (cu firul cu plumb);
- cofrajele si sprijinirile lor se vor confectiona din lemn;
- inainte de montare, panourile de cofraj vor fi curatate si unse;
- dupa montare, va fi verificata pozitia, etansietatea, stabilitatea si rezistenta si se va executa incheierea definitiva, sprijinirea si etansarea.
Depozitarea cofrajelor se face astfel incat sa se evite deformarea sau degradarea lor pe toata durata executiei.
Montarea
armaturii din elevatii se executa la pozitia si dimensiunile prevazute in
proiect cu
- otelul va avea calitatea si fasonarea va fi facuta conform prescriptiilor din proiect;
- barele vor fi montate in elementul
de beton armat sub forma de carcase sau bare, pozitia barelor in cadrul
carcasei asigurandu-se prin legare cu sarma,
- se va acorda deosebita atentie pozitiei mustatilor pentru stalpisorii de la parter.
Turnarea betonului simplu si armat pentru fundatii se va face respectand prevederile normativelor NE012-99si P10-86 si se vor avea in vedere urmatoarele :
- se executa controlul sapaturilor si a cofrajelor;
- se verifica calitatea materialelor ce urmeaza a fi introduse in lucrare;
- fundatia se va executa pe cat posibil fara intrerupere pe distanta dintre doua rosturi de tasare; in cazul in care nu se poate indeplini aceasta conditie, se vor introduce rosturi de lucru conform NE012-99.
- turnarea benzilor de fundatie se va face in straturi orizontale de 30-50 cm, iar suprapunerea stratului superior se va face obligatoriu inainte de inceperea prizei cimentului din stratul inferior;
- nu se admit rosturi de lucru inclinate la fundatii;
- durata maxima admisa la intreruperea de betonare, pentru care nu se vor lua masuri speciale la reluarea betonarii, va fi intre 1,5 si 2 ore;
- atunci cand rostul de turnare nu poate fi evitat, acesta va fi realizat vertical la o distanta de 1m de la marginea stalpilor sau a intersectiilor de pereti
Rostul de tasare se va face intr-un plan perpendicular pe talpa fundatiei si va avea latimea prevazuta in proiect.
Izolatia sub placa suport a pardoselii:
Se executa din :
- un strat nivelator de nisip aplicat peste stratul de pietris de rupere a capilaritatii;
- un strat de folie de polietilena aplicat peste stratul de pietris peste care se toarna betonul in placa suport a pardoselii.
Executarea zidariilor din blocuri si caramida plina:
Executarea peretilor din blocuri de zidarie se realizeaza conform proiectului si normativului P2-85.
Materialele folosite sunt blocuri de ceramica si caramida plina, manipularea, transportul si depozitarea facandu-se in pachete balotate si acoperite.
Principalele operatiuni :
- trasarea zidariilor, numai daca exista procese verbale de receptie a structurii;
- zidaria se
executa din blocuri intregi sau fractiuni taiate, teserea se face la fiecare
rand, rosturile verticale fiind decalate cu
din bloc;
- colturile si ramificatiile se vor tese;
- zidaria se
va ancora in stalpisorii structurii cu tije din
la
);
- placarea stalpisorilor, centurilor si a buiandrugilor se face cu placi care se introduc in cofraj inainte de turnarea betonului;
- prinderea
placilor (de izolatie) de centuri si stalpi se face cu mustati din sarma
galvanizata
la
.
Executarea planseelor si a centurilor de beton armat:
Alcatuirea si tehnologia lucrarilor de cofraje cu panouri din placaj pentru
plansee turnate monolit, prezinta
- turnarea betonului pentru planseu se executa o singura data cu turnarea centurilor peretilor structurali;
- sustinerile cofrajului vor fi sustinute prin intermediul unor talpi sau elemente ale constructiei si vor fi prevazute cu pene care sa permita decofrarea;
- placa se cofreaza cu panouri demontabile din placaj cu rama din lemn, cu prevederea unor fururi de compensare necesare decofrarii;
- cofrarea fetelor laterale ale centurilor se face cu panouri dispuse cu latura lunga pe orizontala;
- esafodajele de sustinere a cofrajelor pentru planseu se alcatuiesc din grinzi extensibile si popi metalici contravantuiti pe doua directii perpendiculare.
Executarea lucrarilor de betonare
Prepararea si transportul betonului se fac conform NE012-99.
Inceperea turnarii betonului se face numai dupa ce au fost efectuate verificarile asupra cofrajelor si a armaturilor montate.
Se executa curatirea cofrajelor, udarea cu apa si etansarea.Turnarea betonului cuprinde in general urmatoarele operatiuni si conditii :
- inaltimea de cadere libera a betonului nu va depasi 1,5m;
- centurile si planseul se toarna in acelasi timp, cu
admiterea unor rosturi de lucru la placi de
din deschiderea lor;
- turnarea placilor se face folosind repere dispuse din 2m in 2 m;
- compactarea se face prin vibrare mecanica si suprafata se niveleaza cu dreptarul imediat dupa vibrare.
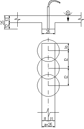
Executarea scarii din beton armat:
Betonul folosit va trebui sa aiba lucrabilitatea L, pentru a nu curge pe panta cofrajului. Betonarea incepe la partea de jos a scarii si se compacteaza prin indesarea cu sipci si baterea cofrajului cu ciocanul de lemn.
La turnarea scarii se admit rosturi de lucru numai in lungul grinzilor de podest cand acestea nu se pot turna integral.
Inainte de turnarea betonului se
Pentru a asigura legatura treptelor cu placa de beton, este necesar ca la turnarea placii de beton armat sa se prevada mustati de legatura sau sa se infiga in placa cupoane scurte de otel beton cu diametru mic.
Treptele din beton simplu se toarna direct pe placa de beton armat, in cofraje puse pe inaltimea contratreptei.
2. TEHNOLOGIA PROIECTARII COFRAJELOR PENTRU PLANSEE
Betoanele pentru plansee se toarna in cofraje de lemn, de inventar (cofraje modulate). La betonarea unui planseu apar trei categorii de elemente:
a) Cofrajele, care sunt alcatuite din :
- plinul panoului, placaj foarte rezistent la umiditate si de grosime 8mm;
- elementele de rezistenta, se numesc coaste si sunt din cherestea de rasinoase, provenite din dulapi rindeluiti;
- distantieri, nu sunt elemente de rezistenta, dar au rolul de a pastra distanta intre coaste.
Caracteristicile materialelor din alcatuirea panourilor sunt :
pentru
placaj: 
pentru
coaste: 
Privit frontal, panoul arata astfel :
|
|
|
|
|
| ||
|
| ||
|
| ||
|
| ||
|
| ||
|
| ||
|
| ||
|
| ||
|
| ||
|
| ||
|
| ||
|
|
b) Elemente de sustinere primara (grinzi extensibile):
Se caracterizeaza prin lungimi variabile care conduc pe tipuri de grinzi extensibile la marirea momentului capabil specific fiecarui tip de grinda.
Tipurile de grinzi extensibile sunt
: 
c) Elemente de sustinere secundara (popi metalici extensibili):
Pot fi cu extensie fina (popi filetati) sau cu extensie grosiera (la care cele doua tronsoane ale popului care se imbina sunt prevazute cu gauri la 50cm distanta, prin care se petrec buloane de prindere).
3. TEHNOLOGIA PREPARARII BETONULUI:
Compozitia betonului se stabileste conform
si ![]()
Stabilirea codului betonului :
![]()
Clasa de expunere: 2a
A. Compozitia preliminara - agregate uscate
a) Cantitatea orientativa de apa :
Conform
, anexa I.4, tabel I.4.4:

b) Raportul
: Conform
, anexa I.4, tabel I.4.2 si anexa I.4, punctul 3.3.4:
![]()
c) Cantitatea de ciment :

Conform
tabel 5.5, pentru
clasa de expunere 2a → ![]()
d) Cantitatea de agrgate uscate :
●
de beton cuprinde:

Conform
, tabel I.5.2, pentru agregate de natura silicioasa de
balastiera : → ![]()
Conform
, anexa I.5, punctul 2.3 → ![]()
Volumul de aer oclus : ![]()

d.1) Agregate pe sorturi :
![]()
-Se
fragmenteaza agregatul in 4 sorturi :
.
d.2) Zona de granulozitate recomandata :
Conform
, tabel I.4.5:
→ zona de granulozitate recomandata este II (III*)
Conform
, tabel I.4.6:
|
Zona |
Limita |
% Treceri in masa prin sita sau ciur |
||||
|
II D = 16mm | ||||||
|
max | ||||||
|
min | ||||||
|
med | ||||||

e) Densitatea aparenta a betonului proaspat :
![]()
B. Compozitia de baza (etalon) - agregate uscate:
La probele preliminarii, pentru obtinerea lucrabilitatii impuse, a fost necesara o cantitate de apa :
Pentru
, vom avea o tasare de:
.
Densitatea
betonului va fi : ![]()
Se recalculeaza cantitatea de ciment :

Se recalculeaza cantitatea de agregate uscate :
![]()

C. Compozitia de lucru - componenti reali:
Se cunosc umiditatile agregatului :
si ![]()
a).Cantitatea de apa din agregate
:
→![]()
b) Cantitatea de agragate umede : ![]()
c) Cantitatea de apa de
amestecare :
d) Densitatea betonului : ![]()
f) Compozitia de lucru pentru un amestec in betoniera de capacit.: ![]()
; unde ![]()
●Cantitatea de apa :
●Cantitatea de ciment :
●Cantitati de agregate, pe sorturi :

|
FISA TEHNOLOGICA PENTRU COMPOZITIA BETONULUI |
F.T.1 |
||||||||||||||||||||||||||||||||||||||||||||||||||||
|
| |||||||||||||||||||||||||||||||||||||||||||||||||||||
|
Compozitia
betonului se stabileste conform Stabilirea
codului betonului :
|
|||||||||||||||||||||||||||||||||||||||||||||||||||||
4. PUNEREA IN OPERA A BETONULUI:
4.1 Betonarea planseului si a centurilor:
a) Compactarea betonului:
Procedee de compactare :
Betonul din centuri :
vibrare interioara cu pervibratorul VEI 36
raza de vibrare :
![]()
lungimea capului
vibrator : ![]()
diametrul capului
vibrator : ![]()
Betonul din planseu :
vibrare exterioara cu placa vibratoare VEE 250
forta de vibrare
: ![]()
adancimea de
vibrare : 
lungime placa
vibranta : ![]()
latime placa
vibranta : ![]()
- Plan de compactare :
Sectiune
centura : ![]()
*Conditii :

Grosime
placa : ![]()
Conditie :
b) Turnarea betonului:
Conditia de continuitate a turnarii betonului :
![]()
●Se considera intreg planseul ca o fasie :



●Se
imparte planseul in fasii, turnarea facandu-se cu macaraua ![]()
-fasia cu volum maxim este

→Conditie indeplinita!
Obs.Pentru
turnarea betonului se vor folosi 4 bene papuc de
.
4.2 Betonarea stalpilor si a stalpisorilor:
a) Compactarea betonului
Procedee de compactare :
vibrare interioara cu pervibratorul VEI 36
raza de vibrare :
![]()
lungimea capului
vibrator : ![]()
diametrul capului
vibrator : ![]()
- Plan de compactare :
sectiune
stalpisori :
sectiune stalpi :
![]()
inaltime stalpi si
stalpisori : ![]()

,
Deci se va vibra dintr-o singura pozitie a capului vibrator.
b) Turnarea betonului:
Conditia de continuitate a turnarii betonului :
![]()

-Turnarea se face cu macara si bena pentru: 6 stalpi+stalpisori , cu 12 muncitori

→ dar
si atunci se vor
adopta 2 bene papuc de
in loc de 4 bene pauc de
.
Se recalculeaza durata minima de asteptare a ultimei bene : ![]()
minute
Atunci:
minute
![]()
|
FISA TEHNOLOGICA PENTRU TURNAREA PLANSEULUI SI A CENTURILOR |
F.T.2 |
|
|||||||||||||||||||||||||||||||||||||||||||||||||||||||||
|
|
|
||||||||||||||||||||||||||||||||||||||||||||||||||||||||||
|
1.Plan de turnare :
2.Plan de compactare :
3.Conditii de turnare :
4.Mijloace utilizate :
|
|
||||||||||||||||||||||||||||||||||||||||||||||||||||||||||
|
FISA TEHNOLOGICA PENTRU TURNAREA STALPILOR SI A STALPISORILOR |
F.T.3 |
||||||||||||||||||||||||||||||||||||||||||||||||||||||||||
|
| |||||||||||||||||||||||||||||||||||||||||||||||||||||||||||
|
1.Plan de turnare :
2.Plan de compactare :
3.Conditii de turnare :
4.Mijloace utilizate :
|
|||||||||||||||||||||||||||||||||||||||||||||||||||||||||||
5. ORGANIZAREA PROCESULUI COMPLEX DE PREPARARE, TURNARE SI PUNERE IN OPERA A BETONULUI:
5.1 Corelarea capacitatilor mijloacelor utilizate la procesul complex:
-Procesul complex se va executa cu macara MT si bena papuc.
![]()

5.2 Stabilirea duratelor fazelor caracteristice procesului complex:
a) Durata de preparare a unui amestec si descarcare in buncar :
![]()
b) Durata minima de asteptare in buncar, inclusiv descarcarea in autoagitator :
![]()
c).Durata de transport si descarcare la obiect :

d) Durata minima a ciclului de lucru al macaralei pentru turnarea betonului
intr-o bena :

e) Durata minima de asteptare a ultimei bene de beton :
![]()
f) Durata de punere in opera a betonului dintr-o bena :
![]()
Obs.: Conditia ca procesul de punere in opera sa nu devina loc ingust, se asigura prin numarul de muncitori necesari si egalitatea :
![]()

g) Varsta betonului la terminarea punerii in opera : ![]()

Obs Conditia ca procesul complex de transport sa nu devina loc ingust, se asigura prin numarul de mijloace de transport necesare :

h) Ritmul de transport :
![]()
Obs.: Conditia ca procesul de preparare sa nu devina loc ingust, se asigura prin numarul de mijloace de preparare necesare :
![]()
i) Verificarea
conditiei de betonare : ![]()

5.3 Schema logica de organizare a fluxului complex:
|
Prepararea betonului si punere in opera: GRAVITATIONALA |
Asteptare in buncar si descarcare GRAVITATIONALA |
Transport la obiect si descarcare | |||
|
Malaxor
|
Buncar
|
Autoagitator
| |||
|
|
|
|
|
Asteptare la obiect |
Ridicare pe obiect si turnare |
Punere in opera, imprastiere si compactare |
| ||||
|
Bene papuc
|
|||||||
|
Macara MT100
|
|||||||
|
Manual
|
|||||||
|
| |||||||
|
|
|||||||
|
|
|||||||
|
|
CALCULUL ECONOMIC
CALCULUL ECONOMIC
NOTA :Acest calcul va cuprinde: LISTA DE ACTIVITATI, ANTEMASURATOAREA si TABELUL CONSUMURILOR DE RESURSE.
Lista de
activitati si antemasuratoarea se intocmesc pe baza planselor de executie.Tabelul consumurilor se efectueaza cu
ajutorul programului de calcul automat WINDEV, ce se
bazeaza pe colectia de indicatoare de norme de deviz (
etc).
Norma de consum este un proces de constructie pentru care sunt calculate, corespunzator unor conditii tehnico-organizatorice foarte bine definite, consumurile de resurse necesare pentru executia unei cantitati unitare din respectivul proces de constructie. Pentru a putea fi usor si corect utilizata, norma de deviz are o structura foarte bine determinata, cuprinzand urmatoarele elemente :
|
S |
S |
S |
C |
PNC |
PNC |
VE |
VM |
VM |
VM |
VM |
VM |
- S = simbol "Indicator de norme de deviz" :
;
- C = capitolul din indicator : A, B, C, .,Z;
- PNC pozitia normei in cadrul capitolului : 1,2,3,.,99;
- VE = varianta de executie : A, B, C, .,Z;
- VM = varianta materiale
Simbolul normei este un cod format din litere si cifre cu semnificatiile specifciate anterior.
Denumirea normei reprezinta descrierea foarte detaliata a procesului de constructie la care se refera norma, cu specificarea caracteristicilor tehnice, tehnologice si organizatorice de executie.
Unitatea
de masura reprezinta unitatea de masura fundamentala corespunzatoare careia
i se calculeaza cantitatea de lucrare (
).
Tabelul consumurilor de resurse cuprind tipuri de resurse si cantitati maxime ce se consuma pentru a executa o unitate din procesul la care se refera.Tipuri de resurese : materiale, manopera, utilaj.
Norma de consum specific reprezinta cantitatea maxima dintr-un material pe care norma o accepta sa fie consumata pentru realizarea unei cantitati unitare dintr-un procesul de constructie la care se refera norma.
(materiale
inglobate in lucrare)
(materiale ce nu raman inglobate in lucrare)
- consum
tehnic ;
- pierderi tehnologice;
- pierderi din transport si
manipulare.
Devizul sintetic este documentatia economica prin intermediul careia se calculeaza costul de executie a lucrarilor de constructie, respectiv contravaloarea in lei a cantitatilor de resurse care se vor consuma pe santier pentru realizarea cantitatilor de lucrari precizate prin antemasuratori. Se estimeaza contravaloarea in lei a cantitatilor totale de resurse ce se consuma pentru realizarea proiectului.
Devizul analitic
urmareste costul total de executie
utilizand in acest scop notiunea de pret unitar al resursei (
).Prin acesta se intelege contravaloarea in lei a cantitatii
maxime de resursa (
) acceptata de normele de consum a fi folosita pentru
realizarea unei cantitati unitare din procesul de constructie la care se refera
norma.
LISTA DE ACTIVITATI SI ANTEMASURATOAREA
1.
si
Cantitate : ![]()
2.TSA03B1 Sapatura manuala in spatii limitate sub 1.0m latime, fara sprijiniri:
Cantitate : ![]()
3.TSA04E1 Sapatura manuala in spatii limitate sub 1.0m latime, cu sprijiniri si evacuare manuala:

Cantitate : ![]()
4.TSD01B1 Imprastierea manuala a pamantului, in straturi uniforme de 10.30 cm grosime:
Cantitate : ![]()
5.TSD04A1 Compactare cu maiul de mana a umpluturilor:
Cantitate
: ![]()
6.TRB01A12 Transportul materialelor cu roaba pe pneuri la 20 de m:
Cantitate
:
7.TRI1AA01C1 Incarcarea materialelor grele si marunte in mijloc auto:
Cantitate :
8.TRA01A50P - Transport rutier al pamantului sau molozului cu autobasculanta la 50 km:
Cantitate : ![]()
9.CA01A1 - Turnare beton simplu in talpi fundatii:
Cantitate : ![]()
10.CA01D1 - Turnare beton simplu in straturi de 3 de 3.20 cm grosime la constructii cu H<35m:
Cantitate : ![]()
11.CZ0301A1 - Confectionare armatura, fasonare bare pentru fundatii izolate continue (OB37→ D=6.8mm):
Cantitate : ![]()
12.CZ0301E1 - Confectionare armatura, fasonare bare pentru fundatii izolate continue (PC52→ D=10.16mm):
Cantitate
: ![]()
13.CC01C1 - Montare armature din otel beton:
Cantitate :
14.CB02B1 - Cofraje pentru beton in elevatie din panouri refolosibile:
Cantitate :
15.CA02C1 -Turanare beton armat in fundatii continue,radiere si pereti sub cota 0:
Cantitate : ![]()
16.CD05C1 - Zidarie din caramida tip G.V.P la constructii cu H<35m:
Cantitate : ![]()
17.CD04I1 - Zidarie din caramida presata 240x115x63 mm:
Cantitate : ![]()
18.CB04A1 - Cofraje din panouri refolosibile din scanduri:
Cantitate : ![]()
19.CB44A1 - Sustineri cu popi extensibili
Cantitate : ![]()
20.CZ0302M1 -Confectionare armaturi pentru placi inclusiv scari, podeste (OB37→ D=6.8mm):
Cantitate : ![]()
21.CZ0302P1 - Confectionare armaturi pentru placi inclusiv scari, podeste (PC52→ D=10.12mm):
Cantitate : ![]()
22.CZ0302O1 -Confectionare armaturi pentru placi inclusiv scari, podeste (PC52→ D=6.8mm):
Cantitate : ![]()
23.CC02I1 - Montare armaturi la constructii in grinzi,stalpi,placi:
Cantitate : ![]()
24.CA02J1 - Turnare beton armat la constructii cu H<35m in plansee:
Cantitate :
![]()
25.TRA06A10 - Transportul rutier al betonului-mortarului cu autobetoniera:
Cantitate : ![]()
26.TRA02A10 - Transportul rutier al materialelor,semifabricatelor cu autocamionul:
Cantitate : ![]()
Obs Cu aceste valori si cu ajutorul programului de calcul automat WINDEV se vor elabora devizul analitic, extrasul de resurse si recapitulatia.
|