UNIVERSITATEA TRANSILVANIA
CATEDRA DE AUTOMATIZARI SI ACTIONARI ELECTRICE
SECTIA: AUTOMATICA SI INFORMATICA INDUSTRIALA
Proiect
C. L. S.
Sa se proiecteze schema de comanda pentru automatizarea dozarii materialelor la s statie de betanare.
Descrierea instalatiei si modul de functionare: Exista numeroase domenii (industria materialelor de constructii, statii de betonare, fabrici de electrozi de sudura etc.), la care este necesara realizarea unor amestecuri in doze prestabilite, din mai multe materiale pulverulente, aflate in rezervoare (silozuri) de mare capacitate. Dozarea se poate face prin cantarire cumulativa direct in buncarul de amestec si detectia greutati (doze tensiometrice, masurari numerice ale deplasarii tijei cantarelor), sau prin umplerea intr-un timp prefixat a unor rezervoare tampon, inainte ca elementele sa fie captate de buncarul de amestec sau de un carucior. O schema principala pentru o astfel de cantarire este prezentata in figura.

Dozarea se asigura prin mentinereadeschisa pe o durata prestabilita, T1 a clapetei CB, actionata de cilindrul pneumatic B (resort comprimat). Temporizarea incepe cind d=1 (CB complet deschisa). Dupa timpul T1 clapeta CB se inchide si poate avea loc golirea. Golirea este comandata de apasarea mentinuta pe butonul a, manual sau automat ( de exemplu de catre caruciorul pozitionat pentru a fu umplut). Sistemul este astfel conceput incit deplasarea cilindrului A se face lent, pe o durata T2 prestabilita; atingerea contactului b semnifica terminarea golirii si inchiderea rapida a clapetei CA. Cand limitatorul c se inchide, se comanda iar umplerea.
Intreruperea accidentala a contactului a provoaca intreruperea golirii (inchiderea clapetei CA ). Golrirea se reia daca contactul a se inchide si b nu fusese in prealabil atins. Umplerea este permisa numai cit timp c=1 si a=0.
Pentru a evita operatii defectuoase, se conditioneaza posobilitatea deschiderii clapetei CA de inchiderea clapetei CB (e=1).
In proiect se vor trata separat (pentru simplificare) comanda clapetei CA si respectiv comanda clapetei CB.
Comanda clapetei CA f(A): variabilele primare sunt: a, b, c cu interblocarea suplimentara e=0, f(A)=0.
Ciclul de functionare:
Stare de asteptare (starea initiala), cu tamponul plin dupa implere;
Sosirea caruciorului (sau comanda maunala de golire)l se comanda deschidere lenta;
Perioada de golire;
Terminarea golirii (b=1); se comanda inchiderea rapida;
Plecarea accidentala a caruciorului, sau comanda manuala de oprire a golirii; se comanda inchiderea rapida;
Cursa de inchidere normala;
Plecarea accidentala a caruciorului sau comanda manuala de oprire, chiar in momentul terminarii golirii, CA se inchide;
Sfirsitul cursei de inchidere;
Cursa de inchidere, a se deschide accidental;
CA s-a inchis, dar golirea nu a fost completa. La revenirea lui a in 1, se comanda terminarea golirii.
In proiectarea instalatiei de comanda pentru clapeta CA se impun urmatoarele restrictii in functionare (stari indeferente) :
b si c nu pot avea simultan valoarea logica 1;
c nu poate trece 1-> 0, cand A=0;
c nu poate trece 0->1, cand A=1;
b nu poate trece 0->1, cand A=0;
Comanda clapetei CB f(b). Clapeta CB se deschide doar daca c=1 (CA inchisa).
Variabilele primare sunt t, d, c, unde t semnifica temporizarea si devine 1 numai cand d=1; T trece apoi in 0 dupa durata de timp T1.
Ciclu de functionare
c=0, se efectueaza golirea, B=0;
c=1, se poate efectua umplerea;
d=1, incepe temporizarea;
umplerea temprizata;
inchiderea temporizarii, se opreste umplerea;
cursa de revenire a clapetei;
In proiectarea instalatiei de comanda pentru clapeta CB se impun urmatoarele restrictii in functionarea (stari indeferente):
t nu poate trece 0->1, cu d=0;
d nu poate trece 0->1,cu B=0;
c nu poate trece 1->0, cu d=1;
Observatie: Problema prezinta in continuare o ambiguitate. Starea c=1, care permite umplerea, apare si in ciclu de golire (initiere si incheiere), dar atingerea lui c in urma deplasarii accidentale a caruciorului sau a opririi manuale fara ca sa se fi terminat golirea nu trebuie sa provoace umplerea.
Pentru a se rezolva acest lucru, se introduce o conditie de functionare suplimentara: golirea poate fi efectuata numai daca a=1, fie prin comanda manuala cu automentinere, fie prin carucior. Se va prezenta in conitunare variante cu carucior.
Comanda caruciorului se poate executa manual sau automat (deplasare dupa ciclu impus, deplasare dupa greutate). De exemplu, caruciorul se opreste in fata rezervorului daca egal si poate pleca numai daca este plin. In acesta conditii, golirea este permisa doar daca a=1, umplerea doar daca a=0. Deci, conditia de deplasare devine DC=p*c (unde p=1 este semnal dat de un contact de fund ce semnifica carucior plin), iar conditia de oprire este c*P.
Schema pentru comanda clapetei CB nu se modifica, dar c se inlocuieste cu c`=c*A.
Comanda clapetei CA se simplifica in acest mod. Se pastreaza conditia de interblocare e=0, A=0.
Noul ciclu dde functionare pentru clapeta CA :
se efectueaza umplerea;
sosire carucior, incepe golirea;
perioada de golire;
terminarea golirii;
sfirsitul cursei de revenire, caruciorul poate pleca;
In proiectarea instalatiei de comanda pentru clapeta CA se impune (in noua situatie) urmatoarele restrictii in functioanre (stari indiferente):
c nu poate trece 1->0 cu A=0;
a nu poate trece 1->0 cu C=0;
c nu poate trece 0->1 cu A=1;
b nu poate trece 0->1 cu A=0;
Proiectul va cuprinde:
a. Diagrama de semnal intrari-iesiri pentru automatul secvential proiectat.
b. Determinarea matricei (tabelei) primitive a strarilor.
c. Reducerea numarului de stari ale matricei primitive (construirea matricei reduse a starilor).
d. Codificarea starilor matricei reduse.
e. Determinarea matricei tranzitiilor starilor si obtinerea functiei de excitatie ale automatului.
f. Determinarea matricei iesirilor si a functiei de iesire ale schemei.
g. Implementarea functiei logice obtinute.
h. Analiza schemei logice obtinute.
Pentru comanda clapetei CA este :
Pentru comanda clapetei CB este :
Vom denumi matrice primitiva a starilor unit automat secvential asincron acea tabela care reflecta pe coloane corespondenta dintre combinatiile variabilelor de intrare si cel putin o stare interna stabila a automatului, iar pe linii contine toate tranzitiile posibile dintr-o singura stare interna stabila.
Numarul de coloane al acestor doua matrici este cunoscut de la inceput, el fiind: M = 2m , unde m este numarul variabilelor de intrare in schema. Coloanele se modifica in cod ciclic, astfel incit de la o coloana la altasa nu se modifice mai mult de o variabila de intrare.
Numarul de linii al matricei nu este cunoscut decit in momentul determinarii complete a matricii primitive a starilor, prin transpunerea tuturor conditiilor functionale ale automatului.
Fiecarei stari stabile, unice, dintr-o linie, ii sunt asociate automat combinatia valorilor marimilor de intrare care au determinat evolutia sistemului in acea stare, cit si valorile marimilor de iesire, care reprezinta efectul tranzitiei de stare.
In matricea primitiva a starilor trebuie neaparat completate toate locatiile, chiar daca unele dintre locatii nu sunt ninciodata atinse prin ciclurile de functionare complete. Din aces punct de vedere, se disting doua situatii posibile:
a) stari indiferente: aceste locatii corespund unor situatii de functionare care nu pot fi niciodata atinsa datorita specificului procesului.
b) stari interzise: acestea corespund unor situatii de functionare pe care protocolul de functionare al automatului le interzice, desi ele pot fi atinse.
Matricea primitva a pentru comanda clapetei CA este :
|
X |
X | |||||||
|
X |
X | |||||||
|
X |
X | |||||||
|
X |
X | |||||||
|
X |
X | |||||||
|
X |
X | |||||||
|
X |
X | |||||||
|
X |
X | |||||||
|
X |
|
X | ||||||
|
X |
X |
Unde:
Stare de asteptare (starea initiala), cu tamponul plin dupa implere;
Sosirea caruciorului (sau comanda maunala de golire)l se comanda deschidere lenta;
Perioada de golire;
Terminarea golirii (b=1); se comanda inchiderea rapida;
Plecarea accidentala a caruciorului, sau comanda manuala de oprire a golirii; se comanda inchiderea rapida;
Cursa de inchidere normala;
Plecarea accidentala a caruciorului sau comanda manuala de oprire, chiar in momentul terminarii golirii, CA se inchide;
Sfirsitul cursei de inchidere;
Cursa de inchidere, a se deschide accidental;
CA s-a inchis, dar golirea nu a fost completa. La revenirea lui a in 1, se comanda terminarea golirii.
Matricea primitiva pentru comanda clapetei CB :
Unde:
c=0, se efectueaza golirea, B=0;
c=1, se poate efectua umplerea;
d=1, incepe temporizarea;
umplerea temprizata;
inchiderea temporizarii, se opreste umplerea;
cursa de revenire a clapetei;
Pentru complementarea matricii iesirilor trebuie analizate toate tranzitiile posibile dintre starile stabile. Se urmaresc doua aspecte de baza si anume:
a) In situatiile in care o tranzitie I -> j -> j nu duce la shimbarea valorii iesirii in j fata de I , iesirea automatului trebuie mentinuta neschimbata si pe durata tranzitiei j. O proiectare corecta a automatului presupune neaparat respectarea acestei conditii.
b) In situatiile in care o tranzitie I -> j -> j duce la modificare valorii iesirii y, pe durata tranzitiei iesirea este indiferenta (daca se atribuie tranzitiei j valoarea iesirii di n I , modificarea iesirii are loc la sfirsitul tranzitiei, iar daca se atribuie tranzitiei j valoarea iesirii din j modificarea se produce chiar la incepultul tranzitiei). Astfel, continutul locatiilor corespunzatoare starilor instabile ale matricei complete a iesirilor reflecta in acest al doilea caz momentul bascularii iesirii. Cand nu prezinta importanta momentul bascularii iesirii ( la inceputul sau sfirsitul tranzitiei I) se completeaza locatia respectiva cu semnul idiferent x.
Matricea iesiri:
|
X |
X | |||||||
|
X |
X | |||||||
|
X |
X | |||||||
|
X |
X | |||||||
|
X |
X | |||||||
|
X |
X | |||||||
|
X |
X | |||||||
|
X |
X |
|
||||||
|
X |
X | |||||||
|
X |
X |
Prin modificarea c = ca , matricea primitiva a starilor se modifica pentru comanda clapetei CA :
|
X |
X | |||||||
|
X |
X | |||||||
|
X |
X | |||||||
|
X |
X | |||||||
|
X |
X | |||||||
|
X |
X |
Technica reducerii numarului de stari ale matricei primitive se bazeaza exclusiv pe teoria echivalarii automatelor secventiale. Reducerea numarului de stari primare se obtine prin fuzionarea, sau alipirea unui numar de stari dupa anumite reguli.
Alipirea sau fuzionarea a doua linii ale matriceii primitive a starilor , devine posibila daca respecta urmatoarea definitie:
Doua linii ale matricei primitive a starilor ( coresp. starilor unice i, respectiv j ) se pot alipi, si in felul acesta se obtine o forma redusa, daca tranzitiile din starile stabile i , j , ale celor doua linii conduc, pentru aplicarea acelorasi valori ale variabilelor de intrare, intr-o stare viitoare k unica.
Alipirea starilor se poate face tinand cont si de un criteriu suplimentar, si anume acela al concordantei iesirilor. In felul acesta, minimizarea automatului secvential se extinde si asupra sectiunii logice de generare a iesirilor. In felul acesta, minimizare automatuluisecvential se extinde si asupra sectiunii logice de generare a iesirilor.
Rezulta ca pentru a alipi, conform definitiei date mai sus, doua linii ale matricii primitive, caracterizate de starile unice stabile i si j trebuie ca in fiecare coloana a matricii, continutul locatiilor sa corespunda uneia din combinatiile urmatoare:
i j i j
i j i j
Pentru comanda clapetei CA am facut gruparea:
A : (1, 2, 3)
B : (4, 5, 6)
Matricea redusa pentru comanda clapetei CA :
|
A |
X |
X |
X |
X | ||||
|
B |
X |
X |
X |
X |
Pentru comanda clapetei CB am facut gruparea:
C : (1, 2, 3)
D : (4, 5, 6)
Matricea redusa pentru comanda clapetei CB :
|
| ||||||||
|
|
Codificarea starilor matricii reduse
Aceasta etapa creaza premizele obtinerii functiilor de excitatie Xi , i=1,2, ,p ale schemei secventiale. Ea se refera la codificarea univoca a starilor fuzionate ale automatului redus echivalent, descris de matricea redusa a starilor si iesirilor. Pentru un numar de q stari reduse, sunt necesare p variabile de stare , conform relatiei:
2p >= q
Pentru acest caz, pentru 2 stari fuzionate, numarul variabilelor de stare necesare este 1, caci 21 = 2.
O importanta conditie este conditia legata de hazardul care poate apare datorita modificarii simultane a mai mult de o singura variabila secundara in decursul unei tranzitii. Acest tip de hazard se numeste hazard de tranzitie. Din aceasta cauza rezulta necesitatea interzicerii tranzitiilor de stare in care se modifica 2 , variabile de stare simultan. Codificarea se face astfel incit tranzitiile sa aiba loc numai intre stari adiacente.
![]()
Nu intotdeauna acest lucru este
posibil; de aceea, pentru codificarea corecta a starilor fuzionate se impune,
in aceasta etapa a sintezei, construirea poligonului
tranzitiilor. Nodurile acestui poligon reprezinta starile stabile fuzionate
iar laturile (orientate ca sens) reprezinta tranzitii intre starile alipite. O
tranzitie poate fi marcara intre doua stari alipite i si j , daca in cel putin una din
coloanele matrici reduse a starilor apare situatia K , sau K .
K K
Codificare variabilelor de stare pentru clapeta CA :
A = 0
B = 1
|
X |
X |
X |
X |
| ||||
|
X |
X |
X |
X |
Codificare variabilelor de stare pentru clapeta CB :
C = 0
D = 1
|
| ||||||||
|
|
Matricile tranzitiilor starilor reduse se obtin direct din matricea redusa a starilor, si permit obtinerea excitatiilor sectiunii de memorie a automatului. Matricea redusa a starilor genereaza un numar de matrici de tranzitie egal cu numarul variabilelor interne, de stare.
Continutul locatiilor matricilor de tranzitie evidentiaza natura starii: pentru o stare stabila, continutul locatiei (X) este identic cu valoarea variabilei de stare x cu care a fost codificata starea fuzionata din care face parte respectiva stare stabila; pentru o stare instabila, continutul locatiei este identic cu valoarea variabilei de stare care a codificat starea stabila corespunzatoare starii instabile considerate.
Pentru comanda clapetei CA :
Starile 1, 2, 3 iau valoarea 0 si 4, 5, 6 valoarea 1.
|
X |
X |
X |
X | |||||
|
X |
X |
X |
X |
Pentru comanda clapetei CB :
Starile 1, 2, 3 iau valoarea 0 si 4, 5, 6 valoarea 1.
De unde rezulta functia de excitare pentru comanda clapetei CA :
X = b + ax
De unde rezulta functia de excitare pentru comanda clapetei CB :
Y = cy + ct
Matricea iesirilor si functiile de iesire ale scheme:
Pentru comanda clapetei CA :
|
X |
X |
X |
X | |||||
|
X |
X |
X |
X |
Functia de iesire, f(A) = ax.
Pentru comanda clapetei CB :
Functia de iesire, f(B) = cy + ct.
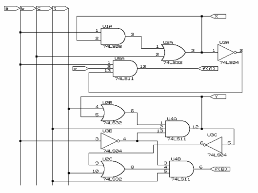
Implementare
Implementarea cu porti logice:

Pentru implementare am folosit:
1 x 74LS08 SI 4 x 2 intrari
1 x 74LS32 SAU 4 x 2 intrari
1 x 74LS04 INVERTER 6 x 1
2 x 74LS11 SI 2 x 3 intrari
Odata implementata schema , se procedeaza la testarea functionarii acesteia. Se analizeaza secventele de functionare conform diagramei de semnale intrare-iesire (sau in concordanta cu descrierea in cuvinte facute). Aceasta analiza urmareste identificarea unor situatii de avarii, prin simularea unor cicluri de functionare complete.
Comanda clapetei CA:
Starea de asteptare: a=0 b=0 e= X=0 f(A)=0
Deschidere lenta: a=1 b=0 e=1 X=0 f(A)=1
Terminarea golirii: a=1 b=1 e=1 X=1 f(A)=0
Cursa de inchidere normala: a=1 b=0 e=1 X=0 f(A)=0
Comanda clapetei CB:
Se efectuaza golirea: a=1 c=0 t=0 Y=0 f(B)=0
Se poate efectua umplerea: a=0 c=1 t=0 Y=0 f(B)=1
Umplere temporizata: a=0 c=1 t=1 Y=1 f(B)=1
Incheierea temporizarii: a=0 c=1 t=0 Y=1 f(B)=0
|