Documente online.
Zona de administrare documente. Fisierele tale
Am uitat parola x Creaza cont nou
 HomeExploreaza
upload
Upload




REFERAT AUTOMATIZARI - SISTEME DE REGLARE AUTOMATE - Sisteme de reglare automata ale proceselor tehnologice si legi tipice de reglare

Arhitectura constructii


Universitatea Tehnica de Constructii Bucuresti

Facultatea de Instalatii



REFERAT AUTOMATIZARI

SISTEME DE REGLARE AUTOMATE

Sisteme de reglare automata ale proceselor tehnologice si legi tipice de reglare

Functii si proprietati principale ale sistemelor de reglare automata
Sistemele de reglare automata (SRA) constituie elementele principale ale oricaror sisteme de automatizare (SA), inclusiv si ale proceselor tehnologice (PT) industriale. SRA sunt concepute pentru a realiza urmatoarele functii :

  • Masurarea si controlul parametrilor principali de reglare;
  • Reglarea optima si intr-un diapazon larg a parametrilor principali de ies 424i86e ire;
  • Optimizarea proceselor statice si dinamice de pornire, oprire, reglare;
  • Limitarea valorilor maxime ale parametrilor si protectia elementelor ;
  • Stabilizarea parametrilor de iesire la actiunea semnalelor perturbatoare;
  • Indicarea si afisarea necesara a parametrilor masurati si controlati;
  • Obtinerea unor proprietati noi ale obiectului sau procesului reglat.

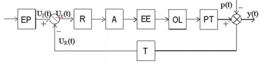
Insa pentru realizarea tuturor acestor functii SRA trebuie sa satisfaca anumitor cerinte. In primul rand, ele fie sa aiba o structura inchisa, in care parametrul principal de iesire y(t), masurat cu ajutorul unui traductor (T), se aduce printr-un circuit de reactie negativa UR(t) la intrarea regulatorului (R), unde se compara cu parametrul de referinta (prescriere) de la intrare UI(t) , impus de un element de prescriere (EP) (fig. 1.1). Datorita reactiei negative, numai in regimuri dinamice poate aparea o abatere (eroare) Uε(t)=UI(t) - UR(t) relativ mare, deoarece in regim stationar aceasta eroare, fiind prelucrata continuu de regulator, amplificata de amplificator(A), pune astfel in functiune elementul de executie(EE) si organul de lucru (OL), incat sistemul este adus la starea de echilibru, cand Uε(t)≈0, adica cand UR(t)≈UI(t) si y(t)=const. In procesele tehnologice industriale in calitate de marime de iesire y(t) poate fi presiunea, nivelul, debitul sau temperatura unui lichid sau gaz, iar ca element de executie si organ de lucru - electromagnetul unui ventil sau servomotorul unui robinet din conducta de transportare a lichidului.

Fig. 1.1. Structura generala a SRA a PT cu o singura bucla de reglare automata

In aceasta structura parametrul p(t) reprezinta perturbatia PT, de exemplu debitul de consum al lichidului sau gazului respectiv, care, de regula, are o actiune negativa asupra parametrului reglat y(t), de aceea se indica cu semnul minus. 

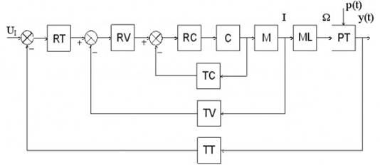
In sistemele de automatizare ale PT cu actionari electrice reglabile (AER) aceste actionari indeplinesc rolul EE, ele insasi avand sistemul lor propriu de reglare automata cu una sau doua bucle inchise, legate in cascada (serie). In figura 1.2 este prezentata o structura generala a unui astfel de sistem cu traductor de curent (TC), regulator de curent (RC) si convertor (C)in bucla interioara, traductor de viteza (TV) si regulator de viteza (RV) a motorului (M) in bucla mijlocie, traductor tehnologic (TT) si regulator tehnologic (RT) in bucla exterioara a parametrului tehnologic y(t). In aceasta structura motorul pune in miscare masina de lucru (ML) - o pompa, de exemplu, sau un ventilator.



Fig. 1.2. Structura generala a SRA a PT cu actionare electrica reglabila

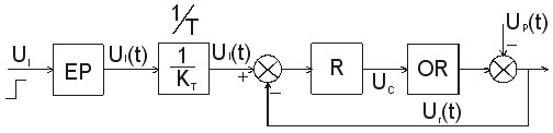
Pentru a identifica proprietatile statice si dinamice principale ale SRA, este suficient de analizat o singura bucla, in care elementele conectate consecutiv si cu parametri constanti se reprezinta pentru simplificare printr-un singur element combinat [8, 10]. In figura 1.1 printr-un singur element, numit obiect de reglare (OR), pot fi reprezentate amplificatorul, elementul de executie, organul de lucru, procesul tehnologic si traductorul. Insa traductorul, cu coeficientul sau de transfer KT, se afla in circuitul de reactie, de aceea pentru ca schema simplificata sa fie echivalenta cu cea initiala, el se transfera nu numai in circuitul principal, ci si in cel de prescriere de la intrare cu o functie inversa, adica 1/KT (fig. 1.3).

Fig. 1.3. Schema simplificata si echivalenta a SRA cu circuit de reactie unitara

Elementele SRA, mentionate mai sus, se descriu prin una sau cateva ecuatii algebrice sau diferentiale cu parametri diferiti, care caracterizeaza principiul fizic de functionare al lor si care pot fi chiar neliniare. Tinand cont de numarul mare de elemente, numarul total de ecuatii devine si mai mare, alcatuind un sistem de ecuatii algebrice si diferentiale, liniare si neliniare, rezolvarea caruia devine o problema dificila, posibila numai cu ajutorul calculatorului. Pentru iesirea din aceasta situatie, teoria sistemelor automate propune o metoda relativ simpla, dar universala, cunoscuta sub denumirea de metoda operationala, (sau sub alta denumire), bazata pe inlocuirea ecuatiilor diferentiale cu ecuatii algebrice cu ajutorul Transformatei Laplace si a variabilei ei s=d/dt, precum si pe reprezentarea fiecarui element printr-o functie de transfer (f,d.t.), iar a schemei bloc - printr-o schema structurala.
O functie de transfer, notata de exemplu prin H(s), se defineste ca raportul dintre imaginea marimii de iesire a unui element sau a unei bucle, (ca o functie de parametrul s) catre imaginea marimii de intrare pentru conditii initiale nule, adica reprezinta coeficientul complex ( dinamic si static) de amplificare (transfer) al lor :

Aceasta functie caracterizeaza cum variaza iesirea elementului in raport cu variatia semnalului de intrare, deoarece.

Inlocuind fiecare element din figura 1.3 cu functia lui de transfer, se obtine schema structurala a buclei sau SRA (fig. 1.4).

Fig. 1.4. Schema structurala a SRA simplificat din figura 1.3

A doua conditie, necesara pentru obtinerea functiilor enumarate mai sus, consta inacordarea optima a SRA sau a parametrilor regulatorului electronic, care pot fi modificati usor in conformitate cu parametrii obiectului de reglare, care sunt, de regula, constanti. Daca aceasta acordare este efectuata, SRA poate asigura performante dinamice (timp de pornire, oprire sau reglare) mult mai bune decat in bucla deschisa, iar daca nu este facuta, poate chiar sa nu functioneze de loc, adica sa fie instabil. Ca urmare, acordarea optima este obligatorie pentru implementarea in practica a oricarui sistem de reglare automata. Insa ea necesita, la randul ei, o cunoastere sau identificare a parametrilor statici si dinamici ai elementelor OR, care pot fi obtinuti pe baza ecuatiilor modelului matematic in raport cu semnalele de intrare si iesire. In unele cazuri acest model nu este cunoscut, sau este cunoscut partial. De aceea au fost elaborate diferite metode analitice, grafo-analitice si experimentale de identificare a proceselor si OR [2-4]. Ultimele se bazeaza pe aplicarea unor semnale tipice la intrare, de exemplu a unui semnal treapta unitara, urmarind reactia in timp a semnalului de iesire. 
Presupunem, ca in rezultatul utilizarii unei anumite metode, s-a identificat un obiect de reglare cu 2 elemente aperiodice, cu un coeficient sumar de transfer KOR si cu 2 constante de timp diferite : una mare Tor si alta mica Tµ :

In afara de aceasta identificare, acordarea optima a SRA mai prevede inca o treapta importanta - alegerea tipului si parametrilor regulatorului. Alegerea tipului regulatorului presupune, la randul sau, identificarea legii realizate de reglare.




Document Info


Accesari: 33660
Apreciat: hand-up

Comenteaza documentul:

Nu esti inregistrat
Trebuie sa fii utilizator inregistrat pentru a putea comenta


Creaza cont nou

A fost util?

Daca documentul a fost util si crezi ca merita
sa adaugi un link catre el la tine in site


in pagina web a site-ului tau.




eCoduri.com - coduri postale, contabile, CAEN sau bancare

Politica de confidentialitate | Termenii si conditii de utilizare




Copyright © Contact (SCRIGROUP Int. 2025 )