Scopul lucrarii
Studiul variatiei inductivitatii bobinelor si a capacitatii condensatoarelor la modificarea unor parametrii a lor dat de o deplasare liniara. Determinarea curbei de variatie a inductivitatii respectiv a capacitatii cu distanta.
Studiul constructiei unui traductor rezistiv pentru deplasari unghiulare determinarea unghiului maxim si minim care se pot sesiza. Se va determina precizia masurarii unghiului, efectuand mai multe masurari.
Consideratii teoretice
Deplasarile liniare mici se considera de ordinul 10-2 - 102mm. Pentru masurarea acestor deplasari se foloseste element sensibil tip inductiv, capacitiv sau rezistiv.
Sesizoare de tip inductiv isi modifica inductanta proprie sau mutuala la deplasarea unui miez mobil, actionat de marimea de masurat. Caracteristica este pronuntat neliniar. Elementul sensibil poate sa-si modifice inductivitatea si prin variatia intrefierului. In acest caz sesizorul este de tip transformator. Caracteristica obtinuta este logaritmica. In figura 1 se prezinta doua tipuri de senzori inductivi (bobina cu miez de fier si transformator) si variatia inductivitatii respectiv a tensiunii de iesire cu pozitia miezului.

Fig. 1. Tipuri de senzori de deplasare inductive
Sesizoarele de tip capacitiv se bazeaza fie pe modificarea distantei dintre armaturi, fie pe modificarea suprafetei armaturilor, sau prin variatia dielectricului. In figura 2 se arata un traductor de deplasare capacitiva cu modificarea distantei dintre armaturi si variatia de capacitate cu distanta. Capacitatea scade cu cresterea distantei, sensibilitatea traductorului scade cu patratul distantei, deci se poate utiliza pentru masurarea unor distante mici pana la 3-4mm.
(1)

Fig. 2. Senzor capacitiv de deplasare liniara
Ambele tipuri de sesizoare trebuie sa fie introduse in circuite electrice de conditionare alimentate de la o sursa exterioara de frecventa mare (>5kHz). Numai in aceste conditii se pot pune in evidenta deplasarile foarte mici.
Sesizoarele de tip rezistiv sunt cele mai simple, dar utilizarea lor este redusa din cauza erorilor si rezolutiei mici. Sunt realizate prin bobinarea unui conductor pe un suport izolator cu pas uniform. Erorile care apar se datoresc variatiei rezistentei firului cu temperatura mediului ambiant, modificarea rezistentei de contact dintre cursor si senzor, calcarea simultana a cursorului pe doua spire invecinate sau variatia prea brusca a rezistentei datorita bobinajului.
![]() |
- indicatorul valorii condensatorului etalon
2 - buton pentru reglarea condensatorului etalon
3 - aparatul indicator al factorului de calitate Q
4 - potentiometru de ajustare la calibrare
5 - buton de calibrare
6 - selectorul intervalului de masura
7 - alegerea modului de lucru a instrumentului
8 - semnalizare prezenta tensiune
9 - scala de frecventa a generatorului de frecventa interna
10 - intrerupator de retea
11 - selectorul domeniului frecventei generatorului
12 - potentiometru pentru reglajul continuu al frecventei generatorului
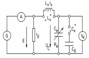
In figura 3 se prezinta schema
de principiu simplificata a Q-metrului
G - generator de inalta frecventa
A - ampermetru de inalta frecventa, poate fi si magnetoelectric cu termocuplu
r0 - rezistenta de cuplaj de valoare foarte mica (r0 < 0,05)
Ce - condensator etalon variabil cu pierderi neglijabile
rx - rezistenta echivalenta serie a bobinei Lx - exterioara aparatului
Ve - voltmetru electronic
Traductoarele rezistive sunt cele mai simple din punct de vedere al constructiei fiind construite dintr-un suport pe care se infasoara cu un pas de spiralare constant un fir rezistiv si un cursor care matura spirele. Suportul trebuie sa fie din material izolator, iar firul conductor din material, al carui coeficient de variatie a rezistentei cu temperatura sa fie mica (αR < 10-2). Materialele folosite sunt constantan, nichelina, neusilber, manganina, nicrom. Cursorul se face din cupru, in punctul de contact cu o placuta de carbon sau argint pentru reducerea rezistentei de contact. Se realizeaza si senzori cu film rezistiv. Pentru masurarea deplasarii unghiulare se realizeaza senzori de tip potentiometric si la deplasarea unghiulara a cursorului se obtine o variatie de rezistenta. In figura 4 se arata constructia unui senzor de deplasare unghiulara rezistiv bobinat.
Relatia de functionare este:
unde UX este tensiunea dintre una din terminale (1 sau 2) si cursor (3), iar Ua este tensiunea de alimentare aplicata intre terminalele 1 si 2.
Dezavantajul acestor tipuri de traductoare este ca au o precizie mica datorita distantei dintre spire respectiv cursorul poate atinge deodata mai multe spire. Ca constructie pot fi de doua feluri:
unitur - executa o singura rotatie de la α0 la αmax. Domeniul de utilizare (0 - 350 º)
multitur - executa mai multe rotatii (variantele standard cu 3 sau 10 ture). Suportul este de tip elicoidal si se masoara unghiuri peste 360º sau se folosesc pentru masurarea deplasarii liniare mari.
Desfasurarea lucrarii
Se studiaza modificarea inductantei unei bobine prin deplasarea in interiorul ei a unei bare de ferita. Se face montajul de pe figura 5 in care bobina de studiat se va lega in serie cu condensatorul etalon din Q-metru si la o frecventa fixa se stabileste rezonanta prin modificarea valorii condensatorului etalon cu butonul 2 al Q-metrului. Dupa modificarea pozitiei barei de ferita fata de mijlocul bobinei se reface rezonanta, frecventa ramane neschimbata. Pozitia barei de ferita se modifica din 10mm in 10mm pana se ajunge la capat. Se completeaza tabelul 1 si inductivitatea se calculeaza din relatia care se scrie la rezonanta:

![]()
Fig. 5. Legarea bobinei de studiat la Q-metru
Tabelul 1.
|
Nr.crt. |
x [mm] |
Cacord [pF] |
L [mH] |
f [kHz] |
|
340-500kHz |
||||
|
| ||||
Pe baza calculelor se ridica graficul L=f(x).
Se studiaza modificarea capacitatii unui condensator plan, cu dielectric aer, prin variatia distantei dintre armaturi. Modificarea de distanta se masoara cu un ceas comparator montat pe celula de masurare. Condensatorul (celula de masurare) se leaga in paralel cu condensatorul etalon din interiorul Q-metrului. Modul de legare a celulei de masurare se prezinta in figura 6, iar schema echivalenta electrica cu care se lucreaza si pentru care se scriu relatiile pe figura 7. Pentru a forma un circuit rezonant se foloseste o bobina etalon L7 din componenta Q-metrului. Distanta dintre armaturi se modifica de la 0,5mm pana la 4mm cu pasul de 0,5mm.
Fig. 7. Schema echivalenta a circuitului de masurare
Condensatorul Cx al carei capacitate se masoara se leaga in paralel cu Cacord.
Capacitatea totala este Ctotal = Cx + Cacord unde Ctotal = C0 constant.
Capacitatea Cx a condensatorului care variaza cu distanta se calculeaza din relatia:
unde C0 este capacitatea pentru care circuitul intra in rezonanta la frecventa reglata, fara legarea condensatorului de masura ( Cx ).
Se va calcula capacitatea condensatorului Cx
de tip plan paralel pentru fiecare distanta reglata
.
Suprafata armaturilor se
calculeaza cu
unde d = 58mm.
Permitivitatea relativa a aerului este εraer ≈ 1, ε = ε0εr ,iar cea a vidului ε0 = 8,854..10-12 F/m.
Rezultatul masuratorilor si a calculelor se trec in tabelul 2, apoi se deseneaza pe aceeasi grafic Cx=f(x) si Cxcalculat=f(x).
Tabelul 2.
|
Nr.crt. |
x [mm] |
Cacord [pF] |
Cx [pF] |
f [kHz] |
S [mm2] |
C0 [pF] |
Cxcalc [pF] |
|
| |||||||
Structura traductorului rezistiv care se studiaza este cea prezentata pe figura 4. Pe periferia suportului S este fixat rezistenta R realizat din Ni-Cr si sudat la un capat cu un fir din Cu emailat de diametru mai mic care are rolul de a mentine constant pasul de spiralare. Deplasand cursorul de la capatul cu sudura, se mareste rezistenta de la valoarea minima la valoarea maxima.
Se fac urmatoarele incercari:
a) Se ridica caracteristica rezistenta-deplasare unghiulara R=f(α)
Se leaga la bornele 1 si 3 un ohmmetru electronic si deplasand cursorul de la α=0 la αmax cu un pas de 10º, se citeste rezistenta. Rezultatele se trec in tabelul 3.
Tabelul 3.
|
a [grad] |
10º |
20º | ||
|
R[Ω] |
b) Se verifica exactitatea bilaterala a senzorului.
Se determina mijlocul senzorului, considerand acesta ca punct de referinta (punct de nul) fata de care se va deplasa cursorul spre dreapta (sens pozitiv) si stanga (sens negativ) cu pasul de 10º. Cunoscand valoarea rezistentei corespunzator pozitiei din mijloc se calculeaza modificarea de rezistenta si se verifica daca este aceeasi in ambele directii.
Se ridica si in acest caz graficul R=f(α) pentru α Є [-αmax ; + αmax]
Masuratorile se trec in tabelul 4.
Tabelul 4.
|
α [grad] |
-20º |
-10º |
+10º |
+20º |
|
|
R' [Ω] |
R' | ||||
|
ΔR'=R'-R' |
c) Se determina caracteristica U=f(α)
Se face un montaj potentiometric, alimentand rezistenta intre bornele 1 si 2 cu o tensiune de 10 V, si se leaga un voltmetru intre bornele 1 si 3 sau 2 si 3 masurand tensiunea U2. Rezultatul masuratorilor se trec in tabelul 5.
Tabelul 5.
|
α [grad] |
10º |
20º |
|
|
U [V] |
Se deseneaza graficul U2=f(α) si in final se calculeaza sensibilitatea senzorului cu relatia:
sau ![]()
Intrebari
Ce fel de lege de variatie au senzorii studiati?
Dati solutii pentru liniarizarea caracteristicilor si scheme de circuite de conditionare.
Determinati expresia analitica a uneia din caracteristicile obtinute experimental, folosind metoda aproximarii sau metoda celor mai mici patrate.
|