UNIVERSITATEA TEHNICA DE CONSTRUCTII BUCURESTI
FACULTATEA DE UTILAJ TEHNOLOGIC
Utilaje pentru recuperarea si reciclarea materialelor de constructii
--Foarfece pentru demolari-

Cuprins
1.Introducere
1.1 Tehnologia de realizare a demolarilor si reabilitare a terenului
1.2 Gestionarea deseurilor generate
1.3 Deseul valorificat - molozul
1.3.1 Colectare si depozitare moloz
1.3.2Valorificare moloz
2. Foarfeca Rammer RD 19
Principalele parti componente
Conditii de utilizare
Conditii speciale de utilizare
Depozitare
Puncte de gresare
Ulei hidraulic
Dimensiuni
3. Bibliografie
1. Introducere
Deseurile municipale cuprind deseuri menajere si alte deseuri, care, prin natura sau compozitie, sunt similare cu deseurile menajere si cuprind : deseuri menajere si asimilabile, deseuri din servicii municipale si deseuri din constructii si demolari.
Dintre deseurile municipale, voi trata in acest proiect deseurile din constructii si demolari.
Deseurile din constructii si demolari sunt acele deseuri provenite din demolarea sau construirea obiectivelor industriale sau civile.
Ca urmare a restructurarilor din economie, multe dintre fostele intreprinderi de stat, actualmente societati comerciale, detin active imobilizate nerentabile (cladiri si hale din structuri de beton armat sau metalice, turnuri, pasarele, rezervoare, constructii civile, utilaje si instalatii aferente (termotehnice, hidrotehnice si electrice), care nu mai pot fi redate circuitului economic. Solutia pentru acestea este dezafectarea lor.
Demolarea constructiilor se face in baza unui proiect ce va avea in vedere conceptia generala ce sta la baza demolarii in urma analizei factorilor legati de pretul de cost, asigurarea protectiei cladirilor invecinate, timp redus de lucru si realizarea unei fragmentari impuse. Metoda aleasa trebuie sa fie compatibila cu:
· 252e47c 252e47c amplasamentul cladirii;
· 252e47c 252e47c natura solului;
· 252e47c 252e47c forma exterioara si interioara a cladirii;
· 252e47c 252e47c capacitatea portanta;
· 252e47c 252e47c materialele explozive ce se folosesc.
Metodele de demolare cunoscute sunt:
· 252e47c 252e47c tehnologii de demolare manuale;
· 252e47c 252e47c tehnologii de demolare mecanizate;
· 252e47c 252e47c tehnologie de demolare cu jet de apa sub presiune;
· 252e47c 252e47c tehnologie de demolare mecanica prin explozii controlate;
Proiectul trebuie aprobat si acceptat de catre tehnicianul responsabil cu executia, pentru evitarea accidentelor de munca si pentru protejarea vecinatatilor.
Ordinea lucrarilor:
se intrerup utilitatile: gazul, apa, energia electrica;
se scot usile si ferestrele;
se decoperteaza acoperisul;
se demoleaza peretii conform unui plan care va arata care pereti se darama primii si pana la ce inaltime pentru ca sa nu apara accidente de munca ori sa fie degradate vecinatatile.
In prezent demolarile se executa cu:
mijloace manuale si cu utilaje nespecifice;
cu utilaje specifice demolarii ca de exemplu: cleste hidraulic, macara-bila, schele mobile hidraulice, etc.
demolari cu jet de apa;
demolari mecanice prin implozii sau explozii controlate;
Metoda aleasa trebuie sa fie compatibila cu amplasamentul cladirii, natura solului, forma exterioara si interioara a cladirii, capacitatea portanta.
Dupa executarea lucrarilor de demolare se impune refacerea si amenajarea sitului operatie care include:
- 252e47c 252e47c amenajarea unui cadru geomorfologic functional prin asigurarea conditiilor pedologice (edafice) pentru dezvoltarea biodiversitatii.
Alternativele posibile pentru dezafectarea cladirii si metodele de demolare sunt prezentate comparativ in urmatorul tabel:
Tabelul nr 1.
Metode de demolare
Tehnologia de demolare manuala traditionala consta in: montarea - demontarea si mutarea jgheaburilor de evacuare a deseurilor si a schelelor simple de inventar, executarea lucrarilor propriu zise de demolare si desfacere cu unelte specifice, manipularea materialelor rezultate, sortarea si stivuirea acestora.
Tehnologia de demolare mecanizata implica utilizarea utilajelor specifice si a tehnologiilor specifice (cleste hidraulic, macara-bila, schele mobile, hidraulice, etc., demolari cu pompe de apa de [nalta tensiune). In figura 1 este reprezentata foarfeca hidraulica, unul din utilajele cu care se realizeaza demolarea mecanizata.

Figura 1. Foarfeca hidraulica
Tehnologia de demolare cu jet de apa sub presiune se bazeaza pe un sistem de pulverizare a apei, reglabil, functie de necesitatea lucrarii, la o presiune cuprinsa intre 100 si 2500 bar. Aceasta tehnologie prezinta urmatoarele avantaje:
foloseste o gama diversificata de unelte si accesorii;
vibratii si sunete minime;
indepartarea impuritatilor si a depunerilor intr-un mod foarte sensibil, fara a dauna materialelor de baza;
nu influenteaza proprietatile mecanice si structurale ale suprafetelor supuse curatorii;
se evita folosirea de aditivi chimici sau abrazivi;
curatarea si decontaminarea sunt de buna calitate.
Echipamentele si uneltele de curatare cu jet de apa de inalta presiune sunt folosite cu succes in toate activitatile din domeniul constructiei: pregatirea solului si a fundatiei, proiecte de reconstructii, demolare si reciclare.
Demolarea mecanica prin explozii controlate este mai sigura decat demolarea clasica, mecanica, mai ales atunci cand e vorba despre constructii industriale.
Metoda demolarii cladirilor prin explozie controlata este foarte des folosita, datorita
avantajelor evidente pe care le prezinta.
Dintre avantajele majore ale demolarii cladirilor cu ajutorul explozivilor amintim:
consumul redus de timp si forta de munca;
cheltuieli reduse (aproximativ din costul demolarii prin metode clasice);
valorificarea mai buna a materialelor rezultate din demolare;
grad ridicat de securitate.
Sunt consacrate doua metode de demolare a cladirilor prin explozie controlata:
La demolarea unei cladiri se folosesc materiale de protectie moderne, obligatorii in astfel de operatiuni: plase de sarma sau din materiale sintetice, foarte elastice, cu ochiuri mici, covoare de cauciuc, plase antipraf, care nu permit ca fragmente din cladire sa fie imprastiate.
Demolarea constructiilor prin explozii controlate este un proces complex ce cuprinde mai multe etape:
analiza situatiei actuale a constructiei;
relevee ale constructiei pentru evidentierea elementelor de rezistenta ale structurii;
elaborarea proiectului de demolare;
executarea lucrarilor de perforare;
demolarea controlata prin explozii dirijate;
- executarea lucrarilor de maruntire cu ajutorul mijloacelor mecanice sau prin impuscari secundare;
evacuarea materialului rezultat din demolare.
In concluzie, utilizarea explozivilor pentru demolarea cladirilor prin explozie controlata prezinta avantaje si dezavantaje. Dintre avantaje putem aminti:
gradul ridicat de securitate;
consumul redus de timp si forta de munca;
cheltuieli scazute;
valorificarea mai buna a materialelor rezultate in urma demolarii.
Dezavantajele sunt legate de afectarea factorilor de mediu si a biodiversitatii, in majoritatea cazurilor daunele aduse ecosistemelor fiind ireversibile.
Dupa executarea lucrarilor de demolare se impune refacerea si amenajarea sitului , operatie care include:
· 252e47c 252e47c amenajarea unui cadru geomorfologic functional prin
- 252e47c 252e47c racordul cu relieful natural si cu obiectivele ce urmeaza a se amenaja;
- 252e47c 252e47c amenajarea formelor de relief proiectate in cadrul reliefului antropic ce se amenajeaza (modelarea si organizarea teritoriului) ;
- 252e47c 252e47c lucrari cu aspecte de hidrologie (canale, debuseuri, combaterea eroziunii solului -C.E.S.).
· 252e47c 252e47c asigurarea conditiilor pedologice (edafice) pentru dezvoltarea biodiversitatii ce se poate realiza prin
- 252e47c 252e47c asternerea solului fertil
- 252e47c 252e47c fara sol fertil (fertilizare organica
- 252e47c 252e47c fertilizare ameliorative (de baza).
1.1. Tehnologia de realizare a demolarilor si reabilitare a terenului
Starea cladirilor, ce urmeaza a fi dezafectate este urmatoarea: sunt realizate din cadre de beton armat, plansee de beton armat, inchideri din zidarii de caramida si de beton, acoperisuri terasa din beton, hidroizolate bituminos. Finisajele si placajele prezinta degradari.
Ordinea lucrarilor ce urmeaza a fi efectuate sunt enumerate dupa cum urmeaza si prezentate si in figura urmatoare:
se intrerup utilitatile: gazul, apa, energia electrica;
se scot usile si ferestrele;
se decoperteaza acoperisul;
se demoleaza peretii conform unui plan care va arata care pereti se darama
primii si pana la ce inaltime pentru ca sa nu apara accidente de munca ori sa fie degradate
vecinatatile.
Figura 2. Tehnologia de realizare a
demolarilor si reabilitare a amplasamentului
Transport
![]()

![]()
Transport
![]()
![]()
![]()


![]()
Transport
Transport
![]()
![]()

Transport
![]()
![]()
![]()

Transport
![]()
![]()
Transport
Transport
Lucrarile de dezafectare sunt precedate de :
intreruperea tuturor legaturilor cu sursele exterioare de alimentare cu apa, gaze, energie electrica, termificare, telefon canalizare, ventilatie , climatizare;
interzicerea accesului persoanelor neautorizate sau neinstruite in zona lucrarilor prin imprejmuirea acestora;
asigurarea iluminatului artificial corespunzator cu semnalarea zonelor de pericol de accidentare;
stabilirea tehnologiilor de executie a demolarii adecvate.
Lucrarile de demontari conducte sunt precedate de identificarea tevilor, armaturilor si flanselor, marcarea lor pe culori standardizate, stabilirea liniilor care se demonteaza total, partial sau care raman in functiune; se face o estimare cantitativa a greutatii tuturor utilajelor propuse spre demontare; se face o estimare a partilor de instalatii ce se vor refolosi odata cu numerotarea lor;
Lucrarile de demontari conducte vor consta in :
desfacerea de izolatii, desfaceri de asamblari, in urma carora vor rezulta materiale ce nu pot fi folosite;
- operatii din care rezulta elemente de conducte care se pot reutiliza (in urma verificarilor).
Lucrarile de dezmembrari rezervoare vor consta in:
- se vor analiza materialele componente din constructia utilajelor (tevi, suporturi, armaturi), greutatea, dimensiunile, forma si calitatea acestora in vederea trierii lor, transportului, depozitarii si asigurarii pazei; se vor desface flansele de legatura dintre rezervor si conductele existente si se verifica daca sunt acumulari de gaze sau noxe; se executa spalarea si/sau damfuirea interiorului; se vor demonta armaturile de pe rezervor, izolatia termica exterioara si constructia metalica de acces; se va incepe taierea tablelor capacului, mantalei si fundului la dimensiuni transportabile si a constructiei metalice ce vor fi transportate la locul stabilit;
Principalele etape in cadrul procesului de demolare vor fi: pregatirea activitatii, dezechiparea constructiei, demolarea propriu zisa, sortarea materialelor rezultate, valorificarea resurselor, receptia lucrarilor rezultate.
Materii si materiale preconizate a fi folosite in activitatile de dezafectare: oxigen, carbura de calciu.
Masini si utilaje ce vor fi folosite: motocompresor aer, ciocan pneumatic, troliu electric, macara pe pneuri, incarcator frontal, schele metalice tubulare externe, convertizor de sudura, mijloace pentru transportul materialelor si altele (traverse, corniere aripi, cablu dublu normal, tabla constructii metalice, dulapi fag, placi PFL, cuie).
Activitatea de refacere a amplasamentului
In figura 3 sunt prezentate masinile si utilajele folosite la demolarea cladiriisi pentru reciclarea meterialelor
a)

b)
c)
d)
e)
c)
f)

g)
h)
Figura 3. Masini si utilaje pentru demolare si reabilitare amplasament: a)gama de utilaje pentru recuperare si reciclare; b) basculanta; c) ciocan pneumatic; d) schela metalica tubulara ; e)incarcator frontal; f) troliu electric; g) macara cu pneuri; h) cilindru compactor
1.2. Gestionarea deseurilor generate
In urma procesul de demolare a cladirii au rezultat urmatoarele deseuri :

![]()


Aluminiu, tigla, lemn, sticla, caramizi Desfacere invelitori, tamplarii, aticuri, elemente
de finisaj

Executare umpluturi cu pamant
Compactare si nivelare umpluturi
![]()
Imprastiere
si nivelare pamant vegetal
Semanare gazon
Figura 4. Schema deseurilor generate
In urma procesului de demolare a cladirii au rezultat urmatoarele deseuri:
· 252e47c 252e47c Moloz;
· 252e47c 252e47c Lemn;
· 252e47c 252e47c Beton;
· 252e47c 252e47c Pamant;
· 252e47c 252e47c Fier;
· 252e47c 252e47c Azbest;
· 252e47c 252e47c Sticla;
· 252e47c 252e47c Caramida;
· 252e47c 252e47c Mase plastice;
· 252e47c 252e47c Cabluri.
Molozul material de constructie (caramida, mortar, tencuiala), provenit din demolarea cladirii. Acesta este de doua tipuri:
· 252e47c 252e47c moloz mineral neincarcat
· 252e47c 252e47c moloz incarcat
Sticla provenita de la operatia de demolare este colectata in containere depozit, acestea sunt golite in vehiculele de colectare, iar sticla este direct predata industriei prelucratoare.
Fierul provenit si el din urma demontarilor de conducte este colectat in containere si transportat catre otelarii.
Lemnul, rezultat de la desfacerea tamplariilor si a elementelor de finisaj, este depozitat si valorificat termic sau material.
Pamantul, rezultat din desfacerea drumurilor si a aleilor este depozitat la groapa de gunoi.
Caramida rezultata este colectata de excavatoare, sortata manual si depozitata in depozite, urmand a fi data spre folosinta in reabilitarea constructiilor civile.
Deseurile din azbest, considerate deseuri periculoase, vor fi consolidate mecanic sub jet de apa fara presiune, dupa caz, apoi ambalate in saci rezistenti din plastic si introduse in butoaie de deseuri compatibile ce vor fi amplasate temporar pentru deseuri periculoase.
Transportul deseurilor provenite din constructii si demolari se face in urmatorul mod:
· 252e47c 252e47c Se utilizeaza numai mijloace de transport adecvate naturii deseurilor transportate, care sa nu permita imprastierea deseurilor si emanatii de noxe in timpul transportului, astfel incat sa fie respectate normele privind sanatate populatiei si a mediului inconjurator;
· 252e47c 252e47c Sa asigure instruirea personalului pentru incarcarea , transportul si descarcarea deseurilor in conditii de siguranta si pentru interventie in cazul unor defectiuni sau accidente;
· 252e47c 252e47c Sa detina toate documentele necesare de insotire a deseurilor transportate, din care sa rezulte detinatorul, destinatarul, tipurile de deseuri, locul de incarcare, locul de destinatie si, dupa caz, cantitatea de deseuri transportata si codificarea acestora conform legii;
· 252e47c 252e47c Sa nu abandoneze deseurile pe traseu;
· 252e47c 252e47c Sa respecte pentru transportul deseurilor periculoase reglementarile specifice transportului de marfuri periculoase cu aceleasi caracteristici;
· 252e47c 252e47c Sa foloseasca traseele cele mai scurte si/sau cu cel mai redus risc pentru sanatatea populatiei si a mediului si care au fost aprobate de autoritatile competente.
1.3. Deseul valorificat - molozul
Molozul este materialul de constructie, (caramizi, mortar, tencuiala) provenit din demolarea cladirii si este clasificat astfel:
· 252e47c 252e47c 252e47c 252e47c 252e47c 252e47c Moloz mineral neincarcat poate fi supus, dupa o maruntire corespunzatoare si respectandu-se cerintele minimale privind granulatia, unei valorificari in constructia de drumuri, ca si ca material de umplere. Pentru materialul care nu se cauta, se recomanda depozitarea in zone speciale de la deponiile de materiale inerte;
· 252e47c 252e47c 252e47c 252e47c 252e47c 252e47c Molozul incarcat contine substante care pot polua solul si apa freatica. Amintim aici diverse elemente de echipamente si instalatii, zidarie de la cosurile de fum, materiale izolante, de vopsit, de lipit (de ex. bucati de lemn) cu impuritati organice si anorganice. Pana cand vor fi create in Romania posibilitatile corespunzatoare de tratare si prelucrare, in privinta depozitarii acestui moloz sunt valabile aceleasi cerinte ca si pentru pamantul incarcat. In privinta tipului de incarcare, ar trebui sa se realizez o separare in functie de tipul de incarcare.
1.3.1. Colectarea si depozitarea molozului
Colectarea molozului se face mecanizat cu ajutorul excavatoarelor urmata de o "sortare simpla", dupa care se depoziteaza materialele valorificabile in gramezi in spatii speciale ale deponiilor.
Prelucrarea molozului este oferita de o "sortare simpla" , parcurgand urmatoarele etape:
1.3.2. Valorificarea molozului
In urma colectarii si depozitarii, molozul este valorificat in noi materiale de constructii: pietris, nisip,( obtinute din trecerea molozului prin concasor) care se utilizeaza in constructiile civile si de drumuri.
Figura
5. Concasor conic pe senile
Molozul poate fi reutilizat si direct de la locul producerii demolarii, in reabilitari, renovari, constructia depozitelor, depozitare in subteran. In figura 5 este prezentat un concasor care are rolul de a sfarama molozul in scopul obtinerii de pietris si nisip.
In figura 6 se prezinta principalele moduri de gestionare a molozului rezultat de la demolari.
Figura 6. Schema principalelor moduri de valorificare a molozului din demolari
2. Foarfeca Rammer RD 19
Foarfeca pentru demolari este operata hidraulic. Poate fi folosita pe orice tip de excavator care detine instalatia hidraulica si mecanica necesara.
Principalele parti componente:

Figura 7. Principalele parti componente ale foarfecii
A - placuta montaj;
B - falca;
C - coroana de rotire;
D - dintele din fata (pentru sfaramarea betonului);
E - dintele din spate;
F - lama;
G - cilindru;
H - motor hidraulic
Foarfecele contribuie la reciclarea materialelor si ajuta utilizatorii sa isi atinga obiectivele de mediu. In timpul fabricarii sunt luate toate masurile necesare de protectie a mediului.
Foarfeca este creata pentru spargearea betonului si taierea barelor de otel, la demoalarea cladirilor.
Aproape toate excavatoarele intalnesc conditiile mecanice si hidraulice pentru montarea foarfecelor. Atasamentul se monteaza pe excavator intr-un mod similar u montarea cupei sau a celorlalte atasamente.
Foarfeca este conectata la circuitul hidraulic al excavatorului cu un kit de instalare.
Obtional foarfeca poate fi echipata cu un sistem cu jet de apa (figura 8). Acest principiu cu jet de apa este foflosit pentru a reduce praful care se produce in timpul operatiunii de spargere. Folosirea acestui sistem este recomandata in special pentru aplicatiile demolarilor.

Figura 8. Sistem cu jet de apa
Falcile si dintii foarfecii sunt confectionati din otel special cu duritate mare. Falcile sunt operate de cilindrul hidraulic, ele se inchid si se deschid simultan.
Spargerea betonului se face folosind dintii din fata ai foarfecii care si ei sunt confectionati dintr-un otel special. Ei sunt montati cu bolturi si pot fi inlociti.
Lamele pentru taierea otelului pot fi si ele inlocite la nevoie.
Conditii de utilizare:
Pentru utilizarea zilnica trebuie sa se tina cont de urmatoarele:
- Foarfeca nu trebuie operata cu oameni in jur.
- Foarfeca nu trebuie utilizata sub apa.

- Cablurile de otel cand sunt taiate daca patrund intre cutite pot produce defectiuni foarfecii

- Pentru demolare se pozitioneaza obiectul intre falcile foarfecii, acestea se stang si sfarama betonul.

Trebuie sa se evite taierea betonului cu lamele.

Blocurile de beton pot fi usor demolate daca sunt prinse mai intai intr-un punct pana se produc fisuri, apoi se strange intr-un al doilea punct provocandu-se multiple fisuri. Demolarea finala se face apoi prinzand blocul intre cele doua puncte, se blochaza falcile foarfecii si se smulge(figura de mai jos).

- Pentru protectia operatorului este recomandat sa se foloseasca un grilaj pentru protejarea parbrizului de bucatile din demolare. Este recomandat ca geamurile si sile cabinei sa fie inchise in timpul lucrului.

- Foarfeca nu trebuie folosita pentru a lovi obiecte. Lateralele ei nu trbuiesc folosite pentru mutarea blocurilor de beton sau a diferitelor obiete. Aceste operatii pot produce daune atasamentului.

- Foarfeca nu trebuie folosita pentru ridicarea diverdelor obiecte.

- La mutarea excavatorului nu trebuie sa se foloseasca forfeca ca in figura de mai jos:

- In timpul utilizarii operatorul trebuie sa aiba grija sa nu loveasca foarfeca de bratul excavatorului sau de furtunele hidraulice.

- Cand falcile foarfecii sunt inchise cilindrul este expus. Operatorul trebuie sa aiba grija sa nu il loveasca de beton sau de barele metalice. Lovirea ii poate provoca caune sau scurgeri de ulei.

- Patrunderea bucatilor de metal intre falcile foarfecii sau la cilindru pot provoca daune foarfecii.

Mecanismul de rotire trebuie sa fie bine gresat .

La demontarea de pe excavator:
Echipamentul trebuie asigurat sa nu cada cand este deconectat de pe excavator.
Uleiul hidraulic fierbinte poate cauza rani severe.
Se pozitioneaza atasamentul orizontal pe podea.
Se opreste motorul excavatorului.

Se deconecteaza cuplele rapide.
Se deconecteaza furtunele, avand grija la scurgerile de ulei.
Dupa ce se scot si bolturile excavatorul poate fi indepartat.
Inainte de remonatre aerul rezidual trebie intotdeauna evacuat.
Pozitiile pentru transport si depozitare sunt aratate in figura de mai jos:

Conditii speciale de utilizare:
Echipamentul poate cere modificari sau mentenanta deosebita daca este folosit in conditii speciale ca:
- 252e47c 252e47c temperaturi foarte scazutesau foarte ridicate;
- 252e47c 252e47c folsirea de lichide hidraulice speciale;
- 252e47c 252e47c folosirea pe excavatoare speciale.
Depozitarea
Pentru depozitarea pe termen lung este vital ca piesele atasamentului sa fie protejate de rugina.
Zona de depozitare trebuie sa fie uscata si foarfeca trebuie gresata.
Pentru a nu se crea daune cilindrului foarfeca trebuie lasata cu falcile deschise la maxim.
Sub foarfeca trebuiesc intoduse blocuri de lemn.
Daca este depozitata afara foarfeca trebuie acoperita.

Puncte de gresare
Punctele de gresare ale forfecii sunt aratate in figura de mai jos:

Intotdeauna foarfeca trebuie gresata inainte de a incepe lucrul si dupa opt ore de lucru. Gresarea insuficienta sau cu produse nepotrivite poate cauza daune pieselor.
Uleiul hidraulic
In general se poate folosi uleiul excavatorului, dar deoarece lucrul cu acest produs incalzeste uleiul mai mult decat la lucrarile norale de excavare temperatura trebuie monitorizata.
Daca tempetatura depaseste +80oC este nevoie de un cooler suplimentar. Vascozoitatea uleiului trebuie sa fie intre 1000-20cSt cand atasamentul este folosit.
Cand produsul este folosit continuu, temperatura uleiului hidraulic se normalizeaza la un anumit nivel depinzand de conditii si de excavator. Temperatura rezervorului nu trebuie sa depaseasca temperatura maxima admisa.
Atasamentul nu trebuie pornit daca temperatura de inghet sau uleiul este foarte gros. Masina trebuie mutata pentru a aduce uleiul la temparatura de peste 0oC inainte de a incepe lucrul.
Tabelul de mai jos sunt aratate uleiurile recomandate pentru echipment. Cel mai potrivit ulei este selectat in asa fel incat temperatura uleiului hidrauic in continua folosire este in zona ideala a graficului.

Daca uleiul este prea gros pornirea se face mai greu.
Daca uleiul este prea subtire pot avea loc scurgeri interne.
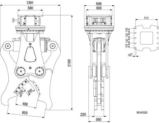
Dimensiuni


3. Bibliografie
|