CONVERSIA PRIN ELECTRODIALIZĂ A SULFATULUI DE SODIU LA HIDROXID DE SODIU sI ACID SULFURIC
1.Introducere
Sulfatul de sodiu (sarea lui Glauber) are putine utilizari. El rezulta ca produs secundar în procesul de fabricare a matasii artificiale.
Conversia prin electrodializa a sulfatului de sodiu are la baza reactia globala:
Na2SO4 + 3H2O 2NaOH + H2SO4 + H2 + 1/2O2 (1)
De fapt, în reactorul compartimentat cu o MSI, are loc electroliza apei. La catod reac 535x2313f 55;ia de descarcare a hidrogenului genereaza ioni OH-, iar la anod reactia de degajare a oxigenului conduce la formarea unui numar echivalent de ioni H3O+. Ionii Na+ ai sulfatului de sodiu, alimentat în spatiul anodic, traverseaza MSI, dând nastere, în spatiul catodic, la hidroxid de sodiu. Anionii sulfat si ionii H3O+ din spatiul anodic, formeaza H2SO4, care se evacueaza la o anumita concentratie, din acest spatiu împreuna cu sulfatul de sodiu nereactionat.

Figura 1. Schema
bilantului de materiale în celula bicompartimentata.
Principalul dezavantaj al acestui proces este faptul ca nu se poate atinge o concentratie mare de acid sulfuric si respectiv de hidroxid de sodiu, datorita imperfectiunii de functionare a MSI.
2. Scopul lucrarii
Lucrarea urmareste conversia prin electroliza a sulfatului de sodiu la hidroxid de sodiu si acid sulfuric si studierea efectelor unor parametri asupra procesului.
3. Principiul lucrarii
Principiul masuratorilor consta în electrodializa galvanostatica. Influenta diferitilor factori (densitatea de curent, concentratia solutiilor, durata electrolizei, etc.) este evidentiata prin efectuarea unor teste în care acesti parametrii sunt modificati (pe rând) si se evalueaza efectul modificarii.
4. Aparatura si materialele necesare
sursa de tensiune continua, stabilizata reglabila;
ampermetru digital 10 A;
voltmetru digital 20 V;
reactor electrochimic compartimentat;
solutie de sulfat de sodiu saturata;
solutie hidroxid de sodiu 0.1 N;
solutie de acid sulfuric 0.1 N
5. Modul de lucru
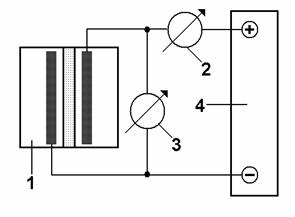
Reactorul utilizat este compartimentat. Între cele doua compartimente se interpune MSI (separatorul interpolar). Catodul este realizat dintr-o placa de otel inox iar anodul este de plumb. Montajul electric folosit este prezentat în Figura 2.
|
|
Figura 2. Schema montajului electric pentru electrodializa Na2SO4: reactorul electrochimic; ampermetru digital; voltmetru digital; sursa de curent continuu. |
Dupa ce a fost realizat montajul electric (mai putin conectarea sursei de curent continuu) se introduce în spatiul anodic 75 ml solutie saturata de sulfat de sodiu, iar în compartimentul catodic 75 ml solutie NaOH 0,1 N.
Se porneste sursa de curent reglând intensitatea curentului astfel încât sa avem o densitate de curent de circa 1000A/m2, care va fi mentinuta constanta pe toata durata experientei. Se întocmeste un tabel în care se va trece timpul si tensiunea la borne reactorului la fiecare 5 minute
Dupa 30 minute, se opreste sursa de curent si se iau doua probe de 5 ml din catolit si se determina continutul de NaOH prin titrare cu H2SO4 0,1 N în prezenta de fenolftaleina. De asemenea, se iau doua probe de 5 ml din anolit si se determina continutul de H2SO4 prin titrare cu NaOH 0,1 N în prezenta de fenolftaleina.
Dupa prelevarea probelor si efectuarea titrarilor, se reconecteaza sursa de curent, reglând intensitatea curentului la aceeasi valoare ca si în cazul primului experiment. Se continua electrodializa înca 30 de minute (timp în care se citeste, din 5 în 5 minute, tensiunea la borne reactorului), dupa care se iau din nou câte 2 probe din catolit si 2 din anolit si se titreaza. Experimentul se repeta de înca doua ori, pentru a totaliza o durata a electrodializei de doua ore.
6. Interpretarea rezultatelor
Datele obtinute vor fi trecute într-un tabel ce va contine:
numarul experimentului;
concentratia de NaOH din catolit dupa fiecare experiment;
concentratia de H2SO4 din anolit dupa fiecare experiment;
randamentul de curent pentru fiecare experiment;
consumul specific de energie electrica (exprimat în kWh / kg de NaOH).
Se va reprezenta grafic randamentul de curent si consumul specific în functie de concentratia de NaOH, determinându-se astfel concentratia de NaOH pentru care se obtine randamentul maxim si consumul energetic minim.
7. Sectiunea finala
1. Precizati cauzele care duc la scaderea randamentului de curent pentru procesul de conversie prin electrodializa a Na2SO4.
2. Care ar fi modalitatile de crestere a randamentului de curent.
|