Problema 4.5.
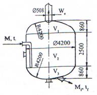
Intr-un cazan de fierbere Huppmann combinat cu Whirlpool, cu dimensiunile din fig. 4.10, prevazuta cu schimbator de caldura exterior se introduce 380 hl must de bere la temperatura de 750 C si extract 11%. Încalzirea pana la temperatura de fierbere dureaza 0,5 h, iar fierberea propriu-zisa 1,5 h. Extractul final este 12%, temperatura de fierbere este 102,5oC, iar presiunea aburului de incalzire 5 bar.
Sa se determine:
1. &n 21221s1810v bsp; Volumul total al cazanului si coeficientul de umplere realizat;
2. &n 21221s1810v bsp; Cantitatea de must fiert cu hamei si evaporatia;
3. &n 21221s1810v bsp; Debitul de abur necesar pentru faza de incalzire si faza de fierbere.
Rezolvare :

M'=380 hl
ti=75oC
eM=11%
τin=0,5 h
τf=1,5 h
eMf=12%
tf=102,5oC
pab=5 bar
Cazanul de fierbere Huppmann are forma cilindrica cu funduri sferice racordate.
1. &n 21221s1810v bsp; Volumul total este:
![]()

Volumul util al cazanului se calculeaza pentru temperatura de 200C.

![]()
Coficientul de umplere este :

Cifra de evaporare este:
Aceeasi valoare se obtine si prin calcularea evaporatiei de bilant caloric intocmite pentru faza de incalzire si pentru faza de fierbere:
![]()
![]()
Evaporatia rara este :
![]()
Debitul de abur necesar se determina din ecuatiile de bilant caloric intocmite pentru faza de incalzire si pentru faza de fierbere.
Pentru faza de incalzire :

Problema 4.6
Sa se dimensioneze schibatorul de caldura multitubular care face parte din instalatia de fierbere Huppmann, care functioneaza cu datele din problema 4.5., daca este confectionat din tevi din otel inoxidabil cu diametrul 50x3 mm si lungimea 3 m si are k= 1300W/(m2·K)
Rezolvare
Dimensionarea se va face pentru faza de incalzire la temperatura de fierbere, intrucât în faza de fierbere propriu-zisa, fierberea nu are loc în tevi ci prin detenta în cazan.
1. &n 21221s1810v bsp; &n 21221s1810v bsp; Aria suprafetei de schimb de caldura pentru faza de încalzire este:

Diferenta medie de temperatura se calculeaza din diagrama termica :
t, 0C
tf=102,50C
ti=750C
A, m2

2. &n 21221s1810v bsp; Dimensionarea schimbatorului de caldura multitubular consta în determinarea numarului de tevi, a numarului de treceri si a diametrului mantalei.
Numarul de tevi se determina din ecuatia:

Determinarea numarului de treceri si a numarului de tevi pentru o trecere se face stiind ca în timpul fierberii mustul este recirculat de 7-12 ori/h prin fierbatorul exterior, iar viteza lui este de 2,5 m/s.
Din ecuatia continuitatii debitului, pentru 7 recirculari/h, se calculeaza numarul de tevi pentru o trecere:

Numarul de treceri este:
![]()
Schema schimbatorului de caldura multitubular cu 3 treceri este reprezentata în fig.4.12.

Pentru determinarea diametrului
mantalei se va tine cont ca asezarea tevilor este pe
cercuri concentrice, dar distanta dintre tevi nu ramâne
Pentru o dispunere a tevilor pe 5 cercuri concentrice cu pasul dintre tevi pmed=80mm, diametrul mantalei este:

Problema 4.7.
O fabrica de bere cu capacitatea 500.000 hl bere/an are în dotare un cazan de fierbere Hydroautomatic, de constructie paralelipipedica cu fundul în forma de pana asimetrica, cu unghiuri de înclinare a peretilorde 33o si 38o. Celelalte dimensiuni sunt conform cu fig.4.13. Pentru o sarja de fierbere cu capacitatea de 550 hl sunt necesare 40 minute pentru încalzirea mustului de la 75oC la 100oC si 90 minute pentru fierberea propriu-zisa. Cifra de evaporare este de 8%.
Sa se determine:
1. &n 21221s1810v bsp; Volumul total al cazanului si coeficientul de umplere realizat;
2. &n 21221s1810v bsp; Debitul de abur necesar, daca pab=5 bar;
3. &n 21221s1810v bsp; Aria suprafetei de schimb de caldura.
Rezolvare:
mm
l =4000 mm
H1=2700 mm
H2=1000 mm
α1=33o
α2=38o
Vu=550 hl
τînc=40 min
τf=90 min
CE=8%
Pab=5 bar
1. &n 21221s1810v bsp; Volumul total al cazanului este:
![]()
Pentru calculul volumelor V1,V2,V3, si V4 avem nevoie de dimensiunile l1,h1, si l2,h2.

Se întocmeste sistemul:


![]()
Coeficientul de umplere este:
![]()
Coeficientul de abur se încadreaza încadreaza în limitele recomandate φ=60÷80%.
2. Debitul de abur se calculeaza pentru cele doua faze separat din ecuatia de bilant caloric.
Pentru faza de încalzire:

P entru faza de fierbere :
Cantitatea de apa evaporata
![]()

3. Aria suprafetei de schimb de temperatura se calculeaza pentru cele doua faze separate si se allege valoarea cea mai mare.
Pentru faza de incalzire:
![]()

Diterenta de temperatura se calculeaza din diagrama termica:


Fig.4.14.Diagrama
termica la incalzire
Coeficientul total de transfer de caldura este:
Se adopta pentru incalzire kI=800 W/(m2.K)

În care:
α1-este coeficientul partial de transfer de caldura convectiv pentru aburul care condenseaza, W/(m2.K);
δ2=4,5 mm-grosimea tablei din otel carbon;
δ2=1,5 mm-grosimea tablei din otel inoxidabil
α2-coeficientul partial de transfer de caldura convectiv pentru lichidul care fierbe, W/(m2.K);
Pentru calculul lui α1 la condensarea pe un perete inclinat se aplica formula:
![]()
În care:
β este unghiul formatted perete cu planul orizontal;
αc-coeficientul de transfer termic pentru peretele vertical, care se calculeaza cu relatia 1.29:

Caracteristicile termofizice ale filmului de condensate la
temperatura medie ![]()
|
t, oC |
ρ,kg/m3 |
λ,W/(m·k) |
η,Pa·s |
|
143,5 |
920 |
0,68 |
0,190·10-3 |
l=2108,4 KJ/Kg-caldura latenta de condensare
tc=152oC-temperatura de condensare a aburului
tp=135oC-temperatura peretelui
H=a=3,8 m

Pentru calculul lui α2 se aplica formula:
α2=αa·f
În care :
αa este coeficientul partial de transfer de caldura pentru apa în ferbere, W/(m2·K) si se calculeaza cu relatia 1.36.:
f-factor de fierbere pentru lichidul în fierbere.

Caracteristici termofizice pentru apa si pentru mustul de bere la temperatura de fierbere de 100oC sunt:
|
ρ, kg/m3 |
λ, W/(m·K) |
c, J/(kg·K) |
η, W/(m2·K) |
|
|
Apa |
959 |
0,68 |
4218 |
0.279·10-3 |
|
Must |
995 |
0,5 |
3200 |
0,3·10-3 |

Coeficientul total de transfer de caldura este:


Se va lua kII=1400 w/(m2·K).
Diferenta de temperatua utila se calculeaza din diagrama termica:

Se va lua aria suprafetei de schimb de caldura cea mai mare A=39,5 m2.
Aria suprafetei de schimb de caldura poate fi dispusa în mai multe feluri:
Aria fundului cu inclunare mare este:
Aa=L·a [m2]

Aria fundului cu inclinare mica este:

Suprafata de încalzire formata din profile în forma de L sudate va fi distribuita pe cele doua funduri înclinate.
5
FERMENTETOARE
Problema 5.1.
Pentru obtinerea vinurilor albe de calitate, mustul cu o concentratie in zaharuri 200g/l, este fermentat în cisterne din otel inxidabil cu sistem interior de racire, cu capacitatea utila de 25 t. Durata de fermentare este de 7 zile la temperatura de 18oC, continutul de zahar remanent fiind de 4 g/l.
Sa se determine:
Rezolvare :
Mi=25t zf=4 g/l
Zi=200 g/l H/D=1,5
τf=7 zile α=45o
topt=18oC
1. &n 21221s1810v bsp; Bilantul de materiale la fermentarea mustului este:
![]()
![]()

MCO2-cantitatea de dioxid de carbon degajata, kg/sarja
Mapa+alc.-pierderile prin apa si alcoolul antrenate de dioxidul de carbon, kg/sarja
Cantitatea de CO2 degajata se calculeaza în functie de modul in care este consumat substratul fermentescibil în timpul fermentatiei mustului.
Consideram ca vinul tânar contine 0,5 g/l CO2, iar substratul fermentescibil se consuma astfel:
Reactiile globale pentru fermentatia alcoolica si pentru respiratie sunt:
Pentru fermentatia alcoolica:
C6H12O6→2CH3−CH2OH+2CO2+25,4Kcal
180oglucoza→2·46g alcool +2·44g CO2+106,4 KJ
Prin transformarea unei molecule de hexoza în alcool si dioxid de carbon se elibereaza 40kcal si ramân la dispozitia drojdiilor 14,6 kcal, deci sub forma de caldura se degaja 40-14,6=25,4 kcal.
Pentru respiratie:
C6H12O6+6O2→6·CO2+6H2O+408,6 kcal
180g glucoza→6·44g CO2+6·18g apa + 1712 KJ
1kg glucoza→1,47kg CO2+0,6kg apa + qr=9511,11 KJ
prin transformarea unei molecule de hexoza în dioxid de carbon si apa se elibereaza 686 kcal si ramân la dispozitia drojdiilor 277,4 kcal, deci sub forma de caldura se degaja 686-277,4=408,6 kcal. [15,p.320].
Cantitatea totala de zahar care se consuma din mustul care fermebteaza este:

Din acesta pentru fermentattse consuma:
![]()
iar pentru respiratie:
![]()
Cantitatea de dioxid
de carbon care se degaja este:
![]()
Cantitatea de alcool si de apa antrenata sub forma de vapori de catre dioxidul de carbon care se degaja se calculeaza considerând ca amestecul contine 30% alcool etilic si 70% apa.
Masa moleculara medie a vaporilor este:
![]()
Continutul maxim de umezeala din gaz este:
![]()
Cantitatea de alcool antrenata este:
![]()
Cantitatea de apa antrenata este:
![]()
Cantitatea de vin rezultata este:
Pierderile totale la fermentatie exprimate procentual
sunt:
![]()
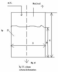
2. &n 21221s1810v bsp; Schema cisternei de fermentare este redata în fig.5.1.

Volumul util al cistewrnei este:
![]()
Volumul total al cisternei este:

3. &n 21221s1810v bsp; Temperatura la care ar putea ajunge mustul dupa fermentare se calculeaza din ecuatia de bilant caloric:

Cantitatea de caldura cedata prin reactie este:
![]()
Cantitatea de caldura iesita cu dioxidul de carbon:

Cantitatea de caldura pierduta cu apa si alcoolul antrenate in forma de vapori:

Cantitatea de caldura pierduta prin radiatie si convectie in mediul inconjurator este:
![]()
în care:
k1 este coeficientul global de transfer de caldura pentru aria A1 udata de must în interior, W/(m2·K);
k2-coeficientul global de transfer de calldural pentru aria A2 neudata de must în interior, W/(m2·K);
-dieferenta medie de temperatura, oC;
- durata de fermentare ,s.
Înaltimea lichidului în partea cilindrica a cisternei, H1, se calculeaza din ecuatia volumului util:
![]()
![]()
Aria udata de must în interior este:
m2
Aria neudata de must în interior este:
m2
Se adopta: k1=10W/(m2·k)
k2=5W/( m2·k)
Diferenta
medie de temperaturv se determinv din diagrama termica:

kj/sarja
s
Temperatura finala a mustului fermentat este:

cmf=3700 J/(kg·k) ![]()
Temperatura la care poate sa ajunga mustul în timpul fermentarii este mult prea mare fata de temperatura optima recomandata, astfel încat este necesara racirea acestuia prin sistemul interior de racire.
Temperatura la care se poate încalzi mustul în timpul fermentatiei se poate calcula cu aproximatie cu formula empirica:
![]()
Observatie: În calcul s-a neglijat continutul în zahar al maielei de drojdie selectionata folosita la ânsamantare.
Problema 5.2.
Pentru mentinerea temperaturii de fermentare a mustului de struguri în jurul valoroo optime de 18oC este necesara racirea acestuia, folosind ca agent de racire propilenglicol cu temperatura initiala de 5oC si temperatura finala de 10oC. Acesta circula printr-o serpentina din teava de otel inoxidabil cu diametrul de 25x2 mm. Restul conditiilor sunt cele din problema 5.1..
Sa se determine:
Debitul de agent de racier necesar;
Aria suprafetei de schimb de caldura necesara;
Dimensionarea serpentinei, care este montaa in treimea de mijloc a cisternei.
Rezolvare:
1. &n 21221s1810v bsp; Bilantul caloric la fermentare, in conditiile când se procedeaza la racirea mustului este:
[ Kj/sarja]
De aici se calculeaza cantitatea de caldura ce trebuie extrasa în timpul fermentatiei prin racire, Qracire.
Kj/sarja
Restul termenilor cu semnificatia si valoarea din problema 5.1.
Kj/sarja![]()
Aceasta cantitate de caldura nu se extrage uniform în
cele 7 zile de fermentatie pentru ca degajarea de caldura
este mai intensa în faza de fermentare tumultuoasa.Consideram durata
de racire numai jumatate din durata de fermentare:
![]()
Debitul de agent de racire se calculeaza din ecuatia:
![]()
kg/h
kj/(kg·K) -pentru propilenglicol la 7,5oC
2. &n 21221s1810v bsp; Aria suprafeteide shimb de caldura se calculeaza din ecuatia fluxului termic transmis:

![]()
![]()
Diferenta medie de temperatura este:

Coeficientul total de transfer de caldura se calculaza cu formula:

în care:
α1-este coeficientul partial de transfer de caldura convectiv de la peretele tevii la agentul de racier, W/(m2·K);
- grosimea tevii, m;
- conductivitatea termica a tevii, W/(m·K);
α2- coeficientul partial de transfer de caldura convectiv de la peretele tevii la agentul de racire, W/(m2·K);
Calculul lui α1 se face pentru convectie naturala cu formula:
![]()
Caracteristicile
termofizice ale mustului la temperatura medie, care este toptim=18oC. ![]()
|
t, oC |
kg/m3 |
cp, J/(kg·K) |
W/(m·K) |
mPa·s |
|
18 |
1107 |
3481 |
0,47 |
1,96 |


Pentru Gr·Pr<109 C=0,47; m=0,25 (relatia 1.7)

Calculul
lui
se face pentru
convectie fortata.
Viteza de cirgere a agentului de racire prin interiorul tevii se calculeaza din ecuatia continuitatii debitului:
Caracteristicile
termofizice ale agentului de racire la temperatura medie ![]()
![]()
|
t, oC |
kg/m3 |
W/(m·K) |
cp, J/(kg·K) |
mPa·s |
Pr |
|
7,5 |
1005 |
0,57 |
41,24 |
1,373 |
9,9 |

Pentru Re>10000 Nu=0,023·Re0,8·Pr0,4 (relatia 1.14)

Aria suprafetei de schimb de caldura este:
![]()
- coeficient de
utilizare a suprafetei
Dimensionarea serpentinei

Lungimea totala a tevii este:
![]()
Considerând diametrul de dispunere a serpentinei:
Ds=2,5 m
se calculeaza lungimea unei spire
![]()
numarul de spire este: ![]()
se vor lua 5 spire.
Problema 5.3.
O cisternv de fermentare de forma cilindrica verticala, cu fund si capac plan, construita din tabla de otel inoxidabil are diametrul D=3 m si înaltimea H=6 m. În ea are loc fermentatia mustului de struguri cu 210 g/l zahar pe o durata de 5 zile. stiind ca coeficientul de umplere a cisternei este de 75.80%, sa se determine temperatura la care ar ajunge vinul la sfârsitul fermentatiei alcoolice daca acesta nu este racit in timpul fermentatiei. Temperatura initiala este 20oC. Vinul fermentat nu mai are zahar remanent si se considera ca glucidele fermentescibile sunt consummate astfel: 92% pentru fermentatia alcoolica, 1% pentru respiratie, 3%pentru formare de biomasa si 4% pentru formarea produsilor secundari.
Temperatura optima de fermentare este 28oC.
Rezolvare:
![]()
D=3 m; H=6 m; ti=20oC
Z=210 g/l;
toptim=28oC

Substratul fermentescibil consumat:
-92% fermentatia alcoolica
-1% respiratie
-3% formare de biomasa
-4% produsi secundari

kg/sarja
, densitatea mustului
de struguri cu 20%s.u. la 20oC ![]()
![]()
[Kj/sarja]
Cantitatea de CO2 rezultata la fermentatia alcoolica se calculeaza din ecuatiile stoiechiometrice de bioconversie a glucozei (fructozei) în alcool, CO2 si H2O la fermentatia alcoolica si la respiratie, dupa cum urmeaza:
- &n 21221s1810v bsp; &n 21221s1810v bsp; Pentru fermentatia alcoolica:
C6H12O6→2CH3−CH2OH+2CO2+22,4 kcal
180g hexoza ...2·44 g CO2...22,4·4,19 KJ
1000 g.......mco2f......qf
![]()
- &n 21221s1810v bsp; &n 21221s1810v bsp; Pentru respiratie:
C6H12O6+6O2→6·CO2+6H2O+674 Kcal
180 g hexoza.....6·44 g CO2.....674·4,19 KJ
1000 g ........mco2r......qr

Substratul fermentescibil(glucoza+fructoza) din cantitatea de must aflata in cisterna este:

Substratul fermentescibil consumat pentru fermentatia alcoolica este:
![]()
Substratul fermentescibil consumat pentru respiratie este:
Kg/cisterna
Masa de dioxid de carbon degajata în timpul fermentatiei:
Kg/sarja
Dioxidul de carbon degajat
antreneaza o cantitate de alcool si apa sub forma de
vapori. Aceasta reprezinta 3% din cantitatea de CO2 degajata
(30% alcool si 70% apa). ![]()
Deci pierderile prin antrenare sunt:
Kg/sarja
Din bilantul de materiale se determina cantitatea de must fermentata pe sarja:
Kg/sarja
KJ/sarja
este caldura degajata prin reactie si se
calculeaza cu relatia:
![]()
KJ/sarja
Qp- reprezinta pierderile de caldura prin radiatie si convectie prin peretii cisternei si se calculeaza cu relatia:
KJ/sarja
în care:
k1 este coeficientul global de transfer de caldura de la mustul din cisterna la aerul din mediul înconjurator; W/(m2·K);
A1-aria suprafetei laterale a cisternei în contact cu mustul, m2;
k2 - coeficientul global de transfer de caldura de la aerul din cisternaa la aerul din mediul înconjurator. W/(m2·K);
A2- Aria suprafetei laterale a cisternei care nu este în contact cu mustul, m2;
- diferenta ndintre temperatura medie din interiorul
cisternei si temperatura din mediul încoonjurator, oC;
durata de fermentare, s;

Se adopta:

Tmi=
- temperatura nmedie din interiorul cisternei nu se poate
calcula pentru ca tf este necunoscuta si se ia egala
cu aproximatie cu temperatura optima de fermentare.
tmi=toptim=28oC
Temperatura mediului înconjurator se ia egala cu temperatura initiala
tme=ti=20oC

Din ecuatia de bilant caloric se determina temperatura finala a mustului fermentat, în conditiile în care nu se intervine cu racirea mustului în timpul fermentatiei.

= 0,838 Kj/(kg·K) - capacitatea termica masica a CO2
ci= 3,559 Kj/(kg·K) - pentru must de struguri la 20oC
cf= 3,663 Kj/(kg·K) - pentru vin la 40oC ![]()
reprezinta temperatura medie a dioxidului de carbon în
timpul fermentatiei si pentru aceleasi rationamente
aratate mai sus în legatura cu tmise ia:
![]()
Daca nu se face
racirea mustului în timpul fermentatiei temperatura lui ajunge la 40oC
ceea ce este inadmisibil pentru obtinerea unor vinuri de calitate.
|