CUPRINS
I. REFERAT DE LITERATURA
Istoric, Importanta Produsului Finit, Dinamica Productiei Mondiale
Pocedee generale de sinteza
2.1 Polimerizarea in masa
2.2 Polimerizarea in emulsie
Polimerizarea in suspensie
3. Justificarea procedeului ales
4. Descrierea detaliata a procedeului de sinteza ales
4.1 Chimismul si mecanismul reactiei
4.2 Cinetica procesului
4.3 Influenta principalilor parametrii asupra procesului de sinteza
4.3.1 Faza apoasa
4.3.2 Faza de hidrocarbura
4.3.3 Raportul fazelor
4.3.4 pH-ul mediului
4.3.5 Temperatura
Agitarea
II. TEHNOLOGIA DE FABRICATIE
Descrierea procesului tehnologic
Fluxul tehnologic
Schema tehnologica a polistirenului in suspensie
Caracteristicile materiei prime
Caracteristicile produsului finit
III. DIMENSIONARE TEHNOLOGICA
Bilant de material
Bilant termic
IV. BIBLIOGRAFIE
POLISTIREN
I. REFERAT DE LITERATURA
ISTORIC, IMPORTANTA PRODUSULUI FINIT, DINAMICA PRODUCTIEI MONDIALE
Polistirenul este unul dintre primii polimeri sintetici obtinuti la scara industriala. Cunoscut inca din 1845 polistirenul a inceput sa fie produs in anul 1930, dar materialele plastice polistirenice au capatat o dezvoltare deosebita dupa cel de-al doilea raazboi mondial.
In 1786 William Nicholson scria "dictionarul chimiei practice si teroretice" in care mentioneaza ca un chimist pe nume Neuman a obtinut prin distilarea storaxului (un balsam provenit din arboreal Liquambar orientalis) un ulei aromat. In 1839 E. Simon efectueaza independent aceeasi experinta obtinand acelasi ulei pe care-l numeste sterol. Prin incalzirea acestui ulei Simon a obtinut un produs solid pe care l-a numit sterol oxid. Din acest moment cercetarile pentru obtinerea stirolului (azi stiren) si a polistirenului s-au extins.
In 1845 M. Glenard si R. Boudault au obtinut stiren prin distilarea unei rasini obtinute din fructele unui palmier malaiezian iar Hofman si Blythe au obtinut polistiren prin incalzirea stirenului la 200° C, pe care l-au denumit metastiren si au observat ca reactia este exoterma.
In 1869 Berthelot obtine stirenul prin dehidrogenarea etilbenzenului, procedeu care sta si astazi la baza fabricarii industrial a stirenului.
Primul brevet de aplicare a polistirenului ca material plastic a fost inregistrat in anul 1900 de Dr. Abraham Kronstein din Karlsruhe.
In anul 1911, chimistul englez Mathews descrie procedeul termic si catalitic de polimerizare a stirenului, cu obtinerea de substante care pot fi folosite pentru producerea de articole altadata obtinute din lemn, sticla, cauciuc sau celuloid, recunoscand totodata insusirile sale ca izolant electric.
Au fost necesare numeroase cercetari pentru punerea la punct a fabricarii economice a stirenului si a stocarii lui fara polimerizare.Un progres insemnat in problema eliminarii polimerizarii premature a stirenului in timpul depozitarii a fost inregistrat in urma lucrarilor chimistilor francezi Mourean si Durafise, care in anul 1922 lucrand in domeniul reactiilor autocatalitice si al inhibarii lor, au gasit numeroase substante in deosebi amine aromatice si fenoli, care intarzie polimerizarea stirenului.
Desi inca din anul 1920 s-au pus la punct metode pentru producerea pe scara industriala a stirenului, polistirenul se produce pe scara larga abia din anul 1930. Insa polistirenul obtinut a avut insusiri mecanice slabe, a fost casant si s-a ingalbenit cu timpul, din cauza impuritatilor continute in stiren ti a tehnicii de polimerizare aflate abia la inceput.
Producerea industriala a polistirenului este legata practic de fabricarea cauciucului sintetic butadien - stirenic, o data cu care se rezolva obtinerea la scara mare a stirenului. Datorita proprietatilor sale remarcabile: transparenta, stabilitate chimica ridicata, absorbtie aproape nula de apa, proprietati dielectrice excelente, polistirenul se afirma ca un produs de baza in ierarhia materialelor plastice.
Largirea productiei de polistiren cu noi sortimente rezistente la soc, de larga folosinta pentru fabricarea diferitelor produse industriale si de uz casnic, ca si producerea de polistiren expandat - cu insusiri deosebite ca material de izolare termica si acustica, cu utilizari in componenta betoanelor usoare, ca material pentru ambalarea produselor fragile si fine - au facut ca in prezent polistirenul sa ocupe locul al treilea in domeniul productiei mondiale de materiale plastice ( dupa policlorura de vinil si polietilena).
La noi in tara a inceput producere de polistiren la Combinatul petrochimic Borzesti in 1963. De atunci productia de polistiren si copolimeri stir 222g66c enici s-a dezvoltat prin intarea in functiune a noi capacitati de productie la Combinatul petrochimic Pitesti.
Astazi polistirenul se obtine prin toate metodele cunoscute: polimerizare in bloc, solutie, suspensie si emulsie. In afara homopolistirenului, pentru imbunatatirea proprietatilor acestuia se fabrica: copolimeri cu acrilonitrilul sau alti comonomeri, polistiren rezistent la soc ( prin compoundare cu cauciucuri sau prin plastifiere), polistiren expandat, copolimer ABS, polistiren armat cu fibre de sticla etc.
Utilizarile de pana acum ale materialelor plastice din grupa polistirenului cunosc o diversitate neatinsa de nici un alt material plastic. Utilizarile "consacrate" ( in raport cu lista materialelor cunoscute astazi), sunt semnificative, prin aceea ca atesta indeplinirea integrala de catre material a conditiilor de expoatare. Cele neconsacrate, adica cele la care polistirenul este utilizat in competitie cu alte materiale sunt atat de interesante pentru ca permit aflarea acelor conditii de exploatare, care fiind indeplinite, justifica folosirea si a altor materiale plastice.
Se poate aprecia ca folosirea exclusiva a polistirenului pentru o gama importanta de obiecte, este determinata, cel putin de una din urmatoarele caracteristici de prelucrare si expoatare, generale:
diversitatea de prezenari de la transparent incolor la opac si intr-o paleta de culori nerealizate de nici un alt material plastic pana astazi;
capacitatea de curgere care permite realizarea obiectelor mai complicate ca geometrie si cu detalii foarte fine
usurinta de imbinare a obiectelor din aceste materiale intre ele si cu numeroase alte materiale
pretul de cost al materialului care, insotit de masa specifica foarte mica si de cea mai ridicata productivitate a utilajelor face ca obiectele obtinute sa fie competitive cu oricare material plastic.
Stirenul este materie prima importanta pentru o varietate de produse de polimer. Din totalul de stiren produs, aproape 50% este folosit pentru a produce polistiren, 20% pentru elastomeri, rasini si polimeri, 15% este utilizat la obtinerea de copolimeri ABS si SAN, 10% pentru polistirenul expandat precum si intr-o varietate de copolimeri si materiale de specialitate.
Productia anuala de stiren ( 1000 t)
|
Vestul Europei | |||
|
Estul Europei | |||
|
America de Nord | |||
|
America Latina | |||
|
Africa/Vestul Asiei | |||
|
Japonia | |||
|
China | |||
|
Australia | |||
|
Total |

|
LOCATION |
GRADE |
TRADE NAME |
CAPACITY, Kt/year |
||
|
Resinor |
Brazil, Sao Paolo |
EPS | |||
|
EUROPE |
LOCATION |
GRADE |
TRADE NAME |
CAPACITY, Kt/year |
|
|
Dwory S.A. |
Poland, Oswiecim |
GPPS/EPS |
Owispol/Owipian | ||
|
ASIA |
LOCATION |
GRADE |
TRADE NAME |
CAPACITY, Kt/year |
|
LG Chemicals |
Korea, Yeosu |
GPPS/HIPS/EPS |

POCEDEE GENERALE DE SINTEZA
Polimerizarea stirenului se poate realiza prin diferite procedee, determinate pe deoparte de scara productiei iar pe de alta parte de utilizarile care urmeaza sa le aibe polimerul.
Principalele procedee de polimerizare sunt
v in masa ( bloc);
v in solutie;
v in suspensie;
v in emulsie.
2.1 Polimerizare in masa
Se poate realiza prin doua procedee
Polimerizarea in masa sau in bloc a stirenului se efectueaza mai intai trecand prin faza formarii prepolimerului prin incalzirea stirenului in aparate prevazute cu agitator, manta dubla si condensator.
Se obtine o solutie diluata de polimer ( 25 - 35 %) in monomer, care se formeaza la o temperatura de 80 - 1000C. Polimerul este un lichid vascos la temperatura obisnuita, ramane fluid la 1000C. Din cauza acestei vascozitati, reactia de polimerizare nu poate continua in vase cu dimensiuni industriale ( 5 - 10 m3) agitarea si evacuarea polimerului nemaifiind posibila; solutia de polimer dupa polimerizare de transforma, in functie de procedeu, fie in forme metalice inchise puse in cuptoare - forme in care se desavarseste reactia de polimerizare, fie intr-un turn incalzit in care prepolimerul este introdus in partea superioara.
In primul caz ( forme) este vorba de un procedeu discontinuu de polimerizare in bloc, iar in al doilea caz ( turn) de un procedeu continuu.
In timp ce in cazul procedeului discontinuu polimerul contine monomer nereactionat, in procedeul continuu se obtine un polimer cu continut mic de monomer, avand o masa moleculara mai mare decat a celui obtinut prin procedeul discontinuu.
Procedeul continuu de polimerizare in bloc poate fi realizat in turnuri.
Principiul polimerizarii in bloc, in turnuri, in sistem continuu, consta in faptul ca substantele reactante initial introduse pe masura ce se deplaseaza in aparat intra in reactie cu formare care sunt dezlocuiti continuu, fara a se amesteca cu reactantii proaspat introdusi in aparat. Procedeul decurge cu respectarea unui raport determinat intre durata de reactie, inaltimea turnului si viteza de reactie.
In cazul polimerizarii in bloc, stirenul nu se transfoma niciodata complet in polistiren si contine excesul de de stiren nepolimerizat. Prezenta monomerului inrautateste stabilitatea termica a polistirenului si duce la imbatranirea, manifestata prin formarea fisurilor si prin conferirea opacitatii polimerului. Acest defect poate fi remediat prin macinarea polimerului si extractia monomerului cu un dizolvant care nu dizolva polimerul ( ca de exemplu metanolul) sau prin eliminarea stirenului sub vid.
2.2 Polimerizarea in emulsie
Polimerizarea stirenului se realizeaza in emulsie apoasa. Ca emulgatori se folosesc sapunuri (saruri ale acizilor grasi), alcooli superiori sulfonati, saruri ale acizilor sulfonici ca cele ale acidului izopropil - naftalin - sulfonic, iar ca initiator, in special, peroxizi solubili in apa (ca apa oxigenta, persulfat de potasiusau de amoniu).
Procesul de fabricatie a polistirenului prin metoda polimerizarii in emulsie cuprinde urmatoarele faze principale: indepartarea inhibitorului din stiren, polimerizarea stirenului, filtrarea polistirenului, spalarea, centrifugarea, uscarea, macinarea, sitarea si ambalarea.
Polimerizarea in emulsie prezinta un deosebit interes datorita unei serii de particularitati; ea permite o reglare a regimului tehnologic de asa naturaincat problema transferului caloric nu constituie nicio dificultate pentru desfasurarea normala a reacsiei. Acest fapt contribuie la obtinerea unor polimeri cu proprietati superioare celor sintetizati prin alte procedee.
Sistemul eterogen creeza de asemenea posibilitati tehnice mult mai mari pentru reglarea procesului, decat la polimerizarea in faza omogena.
Efectuarea polimerizarii in faza eterogena, creeza posibilitatea variatiei din punct de vedere cantitativ a componentilor si o data cu acesta micsorarea rolului reactiilor secundare, ca transferul de lant, ramificari etc.
Faptul ca procesul de polimerizare in emulsie decurge cu viteze mari la temperaturi scazute, influenteaza nu numai desfasurarea reactiei dar si aparatura care devine astfel mai accesibila si mai productiva. Conducerea procesului permite totodata evitarea inconvenientelor legate de efectuarea polimerizarii in masa sau in solutie.
Un avantaj economic de necontestat il constituie posibilitatea recuperarii monomerului nerectionat prin simpla antrenare cu vapori, datorita faptului ca in marea majoritate a cazurilor mediul de dispersie este apa.
Polimerizarea in emulsie a stirenului decurge mai rapid decat in bloc sau in solutie, procesul putand fi controlat si reglat usor. Ea permite obtinerea unui polistiren cu masa moleculara medie (100000 - 200000) la o viteza mare de polimerizare. Polistirenul obtinut prin aceasta metoda are un continut redus de monomer si se obtine sub forma de pulbere fina, adecvata pentru prelucrarea ulterioara prin presare sau valtuire.
Contaminarea polimerului cu emulgator constituie principalul dezavantaj al procedeuluide polimerizare in emulsie. Datorita cantitatii importante de emulgator folosit in polimerizare si greutatii in eliminarea lui, metoda de polimerizare in emulsie nu permite obtinerea unui polistiren incolor si transparent.
2.3 Polimerizarea in suspensie
Procedeul de polimerizare in suspensie a stirenului este aplicat pe scara larga in industrie si se afla in continua dezvoltare.
Princiupiul acestui procedeu consta in polimerizarea stirenului dispersat in apa cu ajutorul unor stabilizatori de suspensie organici sa anorganici ca de exemplu alcool polivinilic sau fosfat de calciu.
Principalele faze de fabricatie a polistirenului dupa procedeul in suspensie sunt: dezinhibarea stirenului, prepararea substantelor auxiliare necesare polimerizarii (initiatori, stabilizatori de suspensie, lubrifianti), polimerizarea propiu - zisa, prelucarea suspensiei de polimer, uscarea, granularea, depozitarea, si ambalarea polistirenului.
Stirenul este un monomer practic insolubil in apa, ceea ce permite conducerea procesului de polimerizare in suspensie in mediu apos. Procedeul consta in dispersarea monomerului in picaturi foarte fine in apa, prin agitare, polimerizarea avand loc in picaturile de monomer, deci in microbloc.
Datorita acestui fapt, polimerizarea in suspensie prezinta avantajul obtinerii unui polimer cu masa moleculara mare si puritate ridicata, realizandu-se in acelasi timp si o eliminare eficienta a caldurii de reactie.
Pe masura ce reactia de polimerizare avanseaza, vascozitatea perlelor creste continuu pana la conversia de circa 20%, ele devin lipicioase deoarece polimerul format ramane dizolvat in monomer si prezinta pericol de aglomerare.
Pentru a impiedica unirea perlelor in acest stadiu se folosesc agenti de suspensie. Acestia au rolul de a mari vascozitatea fazei apoase (ceea ce contribuie la o dispersare mai fina a monomerului in apa) si de a inconjura picaturile de monomer cu un strat fin de agent inert care impiedica unirea acestora in faza critica. Stratul de agent de suspensie care inconjoara picatura de monomer nu permite patrunderea altor particule in perle, ceea ce impune ca initiatorul sa fie solubil in monomer si procesul de polimerizare sa nu aiba loc la reflux.
Agentii de suspensie utilizati sunt: compusi macromoleculari naturali (amidon, gelatina, etc), compusi macromoleculari sintetici sau derivati celulozici solubili in apa (alcool polivinilic, polietilenoxizi, copolimer acetat de vinil - anhidrida maleica), pulberi anorganice hidrofile (Mg(OH)2, BaSO4, CaCl2, Na3PO4 ).
JUSTIFICAREA PROCEDEULUI ALES ( POLIMERIZAREA IN SUSPENSIE A POLISTIRENULUI)
Polimerizarea in suspensie consta in dispersarea monomerului in picaturi foarte fine de apa, prin agitare, polimerizarea avand loc in picaturile de monomer, deci in microbloc.
Datorita acestui fapt, polimerizarea in suspensie prezinta avantajul obtinerii unui polimer cu masa moleculara mare si puritate ridicata, realizandu-se si eliminarea suficienta a caldurii de reactie. Pe masura ce reactia de polimerizare avanseaza, vascozitatea perlelor creste continuu pana la conversii de 20%, ele devin lipicioase deoarece polimerul format ramane dizolvat in monomer si prezinta pericol de aglomerare.
Acest impediment este, insa, impiedicat prin folosirea agentilor de suspensie. Acestia au rolul, pe de o parte, de a mari vascozitatea fazei apoase, ceea ce contribuie la o dispersie mai buna a monomerului in apa, iar pe de alta parte de a inconjura picaturile de monomer cu un strat fin de agent inert, care impiedica unirea acestora in faza critica. Stratul de agent de suspensie nu permite patrunderea altor particule in perle, ceea ce impune ca initiatorul sa fie solubil in monomer si procesul de polimerizare sa nu aiba loc la reflux.
Pentru a mari viteza de intarire a perlelor si pentru a preveni unirea acestora se introduce si un initiator solubil in apa, care initiaza reactia la interfata picaturilor de monomer.
Polimerizarea in suspensie poate fi efectuata pana la conversii foarte mari, conducand la produse macromoleculare cu un continut redus de monomer, chiar fara o degazare speciala.
Pentru ca eficienta polimerizarii sa fie cat mai ridicata se recomanda o crestere programata a temperaturii. In efectuarea studiilor cinetice, polimerizarea in suspensie prezinta avantajul posibilitatii mentinerii temperaturii consante.
Polimerizarea in suspensie este singurul procedeu aplicabil la sintetizarea unor produsi tridimensionali, pentru transformari chimice ulterioare. Obtinandu-se polimeri sensibil mai puri decat prin procedul emulsie, perlele obtinute detin proprietati dielectrice superioare.
Un alt avantaj foarte important al metodei, care determina faptul ca este aplicat foarte des, este ca se pot obtine diverse sorturi de polistiren, printre care:
û polistiren de uz general;
û polistiren rezistent la soc;
û polistiren cu masa moleculara mica;
û polistiren cu masa moleculara mare;
û polistiren cu punct de inmuiere ridicat;
û polistiren cu masa moleculara mare si punct de inmuire ridicat;
û polistiren expandat;
û schimbatori de ioni.
DESCRIEREA DETALIATA A PROCEDEULUI DE SINTEZA ALES
4.1 Chimismul si mecanismul reactiei
o Initierea
. .
![]()
![]()
CH2 ═
CH CH2 ─ CH
─ CH ─ CH2
![]()
![]()
![]()
![]()
![]()
2 ![]()
. . .
![]()
![]()
![]()
![]()
![]()
CH2 ─ CH ─ CH ─ CH2 CH2 ═ CH CH3 ─ CH
![]()
![]()
![]()
![]()
![]()
CH ═ CH
![]()
![]()
![]()
![]()
![]()
![]()
+ + + CH2─ CH
- peroxid de benzoil O
![]()
![]()
![]()
![]()
![]()
k
║ .
![]()
![]()
![]()
![]()
C
─ O ─ O ─ C 2 C O
║ ║
O O
![]()
![]()
![]()
![]()
C
═ O . +
CO2
│
O. O
║ .
C6H5
─ C ═ O + H2C ═ CH C6H5
─ C ─ O ─ CH2 ─ CH
│ │ │
O. C6H5 C6H5
. .
C6H5
+ H2C ═ CH ki C6H5
─ CH2 ─ CH
│ │
C6H5 C6H5
o Propagarea
I k0 2R.
R. + m ki R1
. .
![]()
![]()
![]()
![]()
( CH2 ─ CH )
CH2
─ CH + CH2 ═
CH kp ( H2C
─ CH )
CH2
─ CH
│ │ │ │ │
C6H5 C6H5 C6H5 C6H5 C6H5
R1 + m kp R2
Rj + m kp Rj+1
o Intreruperea
a. prin combinare
C6H5
k
│
2
H2C ─ CH.
H2C ─ CH ─ CH ─ CH2 ![]()
│ │
C6H5 C6H5
b. prin transfer
a. cu monomerul
.
H2C ─ CH + H2C ═ CH k
H
C
═ CH + H3C
─ CH
│ │ │ │
C6H5 C6H5 C6H5 C6H5
b. cu initiatorul
.
H2C ─ CH + ( C6H5
─ COO)2 k
H2C ─ CH ─ O ─ C ─ C6H5
+ C6H5 ─ COO
│ │ ║
C6H5 C6H5 O
c. cu solventul
H2C ─ CH. + H3C k
H2C ─ CH2 + H2C
│ │ │ │
C6H5 C6H5 C6H5 C6H5
4.2 Cinetica procesului
S-a determinat experimental ca polimerizarea stirenului in solutie poate fi descrisa de urmatoarea lege:
- ![]()
Literatura de specialitate indica faptul ca, constantele de viteza ale polimerizarii in suspensie nu difera mult de cele ale polimerizarii in masa. De aceea polimerizarea in suspensie este considerata o polimerizare in masa, divizata in particule mici suspendate in apa.
Din studiile cinetice ale lui W. P. Hohenstein si H. Mark rezulta faptul ca viteza de polimerizare este proportionala cu radacina patrata a initiatorului. Calculul energiei de activare a polimerizarii in suspensie a stirenului a condus la valoarea de 23 kcal/mol, cifra ce demonstreaza o buna concordanta cu cea obtinuta la polimerizarea in masa.
Literatura semnaleaza, totusi ca in functie de marimea perlelor se realizeaza viteze diferite in cazul acestui proces. Astfel, in situatia formarii unor perle foarte mici se observa viteze mai mari de polimerizare.
In cazul polimerizarii stirenului efectul de gel este mai scazut decat in cazul altor monomeri si nu incepe sa se manifeste decat la conversii mai ridicate.
|
Conversie ( %) |
Viteza (%/h) |
Timpul de viata a radicalului ( sec) |
kcr/kt |
Tabel 2. Dependenta efectului de gel in functie de conversie
Reactivitatea redusa a reactorului stiril conditioneaza slaba intensitate a proceselor de transfer de lant, caracterizate prin valorile relativ scazute ale constantelor respective cu solventii uzuali, monomerul si polimerul propriu.
|
Agentul de transfer |
C |
E |
|
|
600C |
1000C |
||
|
Toluen | |||
|
Etilbenzen | |||
|
Benzen | |||
|
Ciclohexan | |||
|
Clorura de butil | |||
|
Bromura de butil | |||
|
Iodura de butil | |||
|
Tetraclorura de carbon | |||
|
Clorura de benzil | |||
Tabel 3. Valoarea unor constante de transfer in polimerizarea stirenului
Ponderea redusa a reactiilor de transfer cu polimerul conditioneaza prezenta foarte rara a ramificatiilor in polistirenul obtinut in conditii uzuale de reactie. Ecuatia lui Flory a densitatii de grefare ( numarul grefelor pe unitatea de monomer din lant) este data de relatia:
![]()
in care α reprezinta conversia aplicata in cazul polimerizarii stirenului. Relatia arata, de exemplu, ca pentru conversii de circa 20% o ramificare apare la circa 105 unitati de monomer.
La inceputul polimerizarii sunt putine ramuri, dar lungi, iar spre sfarsitul procesului multe ramuri ( mult polimer), dar scurte ( putin monomer).
Gradul de polimerizare este dat de relatia
![]()
Influenta principalilor parametrii asupra procesului de sinteza
H. Hopff sublinieaza faptul ca desfasurarea polimerizarii in suspensie depinde de corelarea parametrilor de baza, si anume: viteza de agitare, temperatura, natura si concentratia stabilizatorului, raportul fazelor, pH-ul mediului, tipul de agitator, forma vasului.
4.3.1 Faza apoasa
Aceasta serveste drept mediu schmbator de caldura si in acelasi timp ca mediu de vehiculare in timpul polimerizarii. Apa trebuie sa fie lipsita de ioni si impuritati cea ar putea influenta procesul.
In apa se introduce agent de suspensie, care dupa C.E SCHILDKNECHT, actioneaza asupra sistemului astfel: adaugarea unei cantitati de monomer nemiscibil cu apa peste un strat de apa, urmata de agitarea ambelor lichide determina formarea de picaturi de monomer dispersate in apa. La incetarea agitarii, picaturile de monomer, avand o densitate mai mica, se ridica la suprafata unde se contopesc, formand un strat omogen. Datorita tensiunii superficiale exista tendinta de a se mentine forma lor sferica. Cu cat tensiunea superficiala este mai mica, cu atat mai usor picaturile de monomer sunt deformate sub influenta apei in miscare. La tensiuni superficiale scazute picaturile au forme alungite sau neregulate. O tenisiune superficiala ridicata are drept efect o crestere a stabilitatii formei sferice. In aceasta situatie o cionire poate provoca o deformare a picaturii sferice, insa printr-o reactie elastica picatura este readusa la forma ei initiala. Tendinta de mentinere a formei sferice este redusa in cazul unei tensiuni superficiale scazute si o picatura deformata va fi deformata din ce in ce mai mult datorita ciocnirilor si se obtin astfel picaturi din ce in ce mai mici, cu o suprafata cat mai mare. Deci o tensiune superficiala redusa, proportionala cu concentratia agentului de suspensie conduce, in functie de agitare, la dispersarea monomerului in picaturi din ce in ce mai mici, pana cand la o anumita concentratie a stabilizatorului se obtin emulsii veritabile.
In cazul unor monomeri cum sunt esterii inferiori ai acidului acrilic, activitatea de stabilizare a sarurilor anorganice disociate este suficienta pentru a realiza o polimerizare in suspensie.
Pulberile anorganice nu influenteaza viscozitatea fazei apoase; acestea se afla suspendate in apa si particulele lor umectate impiedica fuzionarea celor ale monomerului.
Cu ajutorul unui microscop, folosind monomer colorat, se pot observa barierele din particulele de pulberi, de exemplu de carbonat de magneziu, intre picaturile monomerului.
Marimea perlelor scade de regula cu cresterea concentratiei stabilizatorului. In cazul alcoolului polivinilic se obtin perle mai mari daca acesta este total saponificat. Cu cat masa moleculara a acestuia este mai mare scade diametrul particulelor.
Stabilizatorii nu maresc solubilitatea monomerului in apa, rolul acestora este dublu: in prima faza cresc densitatea mediului apos, pentru a favoriza o cat mai mare dispersare a monomerului, iar apoi imbraca suprafata fiecarei perle cu o pelicula subtire, inlaturand contactul direct al acestora.
Cantitatea utilizata dintr-un stabilizator sau altul nu depinde numai de eficacitatea lui ci este si functie de ceilalti factori ai reactiei ca temperatura, raportul fazelor, pH, agitare. Un stabilizator fara eficacitate se distinge prin faptul ca favorizeaza formarea de globule mari si de aglomerate chiar cand este folosit in cantiate mare. Un stabilizator bun favorizeaza obtinerea de perle cu dimensiuni mici si uniforme. Cantitatea necesara de stabilizator poate fi foarte redusa daca ceilalti parametrii ai procesului sunt foarte bine alesi.
4.3.2 Faza de hidrocarbura
Pincipala conditie ce trebuie indeplinita de catre monomer este cea de a fi insolubil sau putin solubil in mediul de polimerizare. Majoritatea monomerilor folositi la polimerizarea in suspensie, sunt la temperatura normala in stare lichida. In principiu nu exista greutati tehnice in realizarea conditiilor adecvate pentru polimerizarea in suspensie a monomerilor in stare gazoasa.
Monomerul se adauga fazei apoase sub agitare la o temperatura data. In cursul procesului, datorita exotermicitatii reactiei de polimerizare, temperatura poate depasi punctul de fierbere al monomerului si al apei. In astfel de situatii trebuie alese reactoare care sa reziste la tensiunea formata.
Pentru a obtine perle deosebit de mari se obisnuieste sa se introduca solutie de polimer in monomer, solutii ce maresc vascozitatea fazei organice. Monomerul se poate adauga treptat sau intreaga cantitate se introduce la inceputul procesului.
Polimerizarea in suspensie recurge la aceiasi initiatori ca cei folositi la procesele in masa sau solutie, ca de exemplu: peroxidul de benzoil, de lauroil sau de tolil, hidroperoxidul de cumen, azoizobutironitrilul, diclorbenzoil peroxidul.
Initiatorul se dezvolta in monomer inaintea introducerii acestuia in reactor. El se alege in functie de temperatura sa de descompunere si de cea de polimerizare. In cazuri speciale, atunci cand se urmareste obtinerea unor perle clare, lipsite de monomer, se folosesc pe langa initiatori solubili in monomeri si initiatori solubili in apa.
Cantitatea de initiator necesara se exprima procentual fata de greutatea monomerului. Concentratia acestuia are o influenta hotaratoare asupra duratei polimerizarii, a conversiei si a masei moleculare a polimerului.
4.3.3 Raportul fazelor
Polimerizarea in suspensie este favorizata de un exces al fazei apoase. Atunci cand raportul apa: monomer variaza de la 10 la 4, procesul poate fi realizat in bune conditii. In practica industriala se recurge la rapoarte mai mici.
De raportul fazelor depinde obtinerea unor perle fine si uniforme constituite dintr-un polimer cu masa moleculara ridicata. Aceasta ultima caracteristica, ca si un transfer caloric corespunzator, sunt favorizate de un raport mare apa : monomer.
4.3.4 pH-ul mediului
pH-ul mediului poate usura sau impiedica desfasurarea procesului. Astfel, la un pH mai mic decat 4 se constata dificultati in desfasurarea reactiei, in timp ce la un pH alcalin, in jur de 8.5, formarea perlelor decurge in conditii corespunzatoare.
Se constata o scadere a pH-ului in timpul procesului; se considera ca astfel de variatii se datoreaza reactiilor secundare ale initiatorului cu monomerul si stabilizatorului. Pentru ca scaderea pH-ului sa fie cat mai mult diminuata, se acorda o atentie deosebita puritatii initiatorului, ca si lipsei sarurilor in mediu apos.
4.3.5 Temperatura
Temperatura de polimerizare este determinata atat de temperatura de scindare a initiatorilor in radicali, cat si in cea de fuziune a polimerului format.
Temperatura procesului influenteaza durata sa, conversia si masa moleculara a polimerului format. Astfel, temperatura procesului trebuie sa fie cu 10-200C mai mica decat temperatura de fierbere.
4.3.6 Agitarea
Polimerizarea in suspensie decurge in reactoare inchise, prevazute cu agitator, refrigerent de reflux, manta de incalzire-racire.
Pentru a se asigura o suprafata mai mare de racire se prefera forma cilindrica si verticala. Un rol important il are tipul de agitator folosit. Agitarea intensa favorizeaza formarea unor perle mici, in timp ce o agitare mai lenta conduce la perle mari. Agitarea determina si compozitia granulometrica a amestecului obtinut la polimerizare.
II. Tehnologia de fabricatie
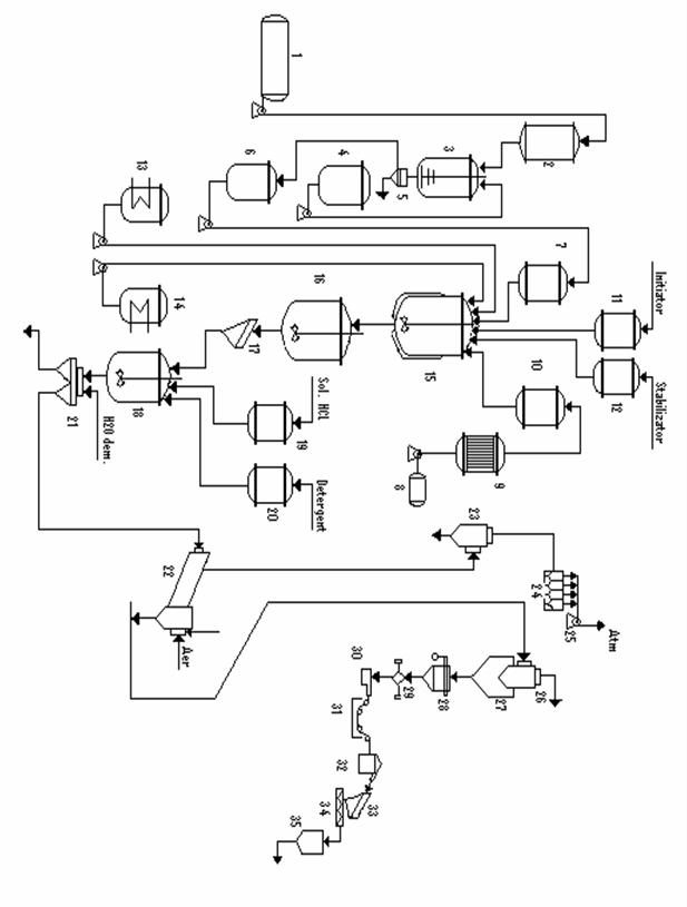
Descrierea procesului tehnologic
Procesul tehnologic de polimerizare in suspensie a stirenului cuprinde urmatoarele faze: pregatirea materiilor prime, polimerizarea, neutralizarea, centrifugarea si spalarea perlelor, uscarea, amestecarea si granularea, sitarea si depozitarea granulelor.
Pregatirea materiilor prime consta in purificarea stirenului, obtinerea apei demineralizate si prepararea solutiilor de agenti de suspensie.
Stirenul inhibat din vasul tampon 1 este pompat prin intermediul vasului de masura 2 in vasul de dezinhibare 3 unde este spalat cu solutie de hidroxid de sodiu din vasul tampon 4. Stirenul dezinhibat separat in vasul separator 5 este trecut in vasul tampon 6.
Dezinhhibarea stirenului se poate realiza si prin distilare, procedeul utilizat depinzand de natura inhibitorului de stocare.
Apa demineralizata se obtine pe coloane cu schimbatori de ioni si se depoziteaza in vasul tampon 8. Pentru a micsora timpul de incalzire al acesteia in reactorul de polimerizare, apa demineralizata este trecuta prin schimbatorul de caldura 9. Apa astfel preincalzita este trecuta in vasul de masura 10.
Reactia de polimerizare are loc in reactorul 15, confectionat din otel inoxidabil si prevazut cu agitator tip elice sau cu paleta. In reactor se introduce apa demineralizata din vasul de masura 10 si apoi stirenul din vasul tampon 6 prin intermediul vasului de masura 7. Amestecul monomer - apa se incalzeste pana la temperatura de 55°C cand se introduce plastifiantii si lubrefiantiidin vasele tampon 13, respectiv 14. Drept lubrifianti se utilizeaza parafina, uleiul de vaselina.
Pentru a mari fluiditatea acestora vasele tampon sunt prevazute cu serpentine de incalzire.
Amestecul de reactie se incalzeste apoi pana la 65°C cand se introduce initiatorul. Drept initiator se utilizeaza peroxid de benzoil, perbenzoat de tertbutil. Initiatorii se pot introduce sub forma lichida, cand se cantaresc in vase special emailate sau de aluminiu se introduc sub forma de solutie in monomer prin intermediul vasului de masura 11. Frecvent se utilizeaza introducerea acestora sub foma solida.
Dupa introducerea initiatorului sistemul se incalzeste pana la temperatura de 85°- 90°C cand se introduc stabilizatorii (fosfat trisodic, alcool polivinilic) sub forma solida sau sub foma de solutie apoasa prin intermediul vasului de masura 12.
In momentul in care temperatura a ajuns la 86°C se intrerupe introducerea aburului in mantaua reactorului si incepe introducerea apei de racire pentru prelucrarea caldurii de polimerizare. Datorita exotermicitatii reactiei de polimerizare temperatura in mediul de reactie creste pana la 90°C.
Pentru a mari viteza de intarire a perlelor si de a preveni unirea acestora in ultimul timp se introduce si un initiator solubil in apa care initiaza reactia de polimerizare la interfata monomer - apa, producand o polimerizare mai intensa in suprafata picaturii de monomer.
Procesul de polimerizare are lor in intervalul de temperatura prins intre 90°-120°C. Dupa terminarea procesului de polimerizare sistemul se raceste pana la temperatura de 50°C si amestecul de reactie care transvazeaza in vasul tampon 16. Suspensia de polimer este trecuta apoi prin sita vibratoare 17 in care se retine polimerul aglomerat. Suspensia sitata este trecuta in vasul de neutralizare 18 unde se adauga solutii de acid clorhidric din vasul 19 pentru dizolvarea fosfatului trisodic de pe suprafata perlelor. Pentru imbunatatirea culorii polimerului se adauga si un detergent din vasul tampon 20. In cazul in care se utilizeaza alcoolul polivinilic drept agent de suspensie in vasul 18 se introduce apa demineralizata pentru spalarea polimerului.
Perlele de polistiren se separa in centrifuga 21. Pentru indepartarea completa a urmelor de agenti de suspensie pe centrifuga se realizeaza si spalarea perlelor cu apa demineralizata in raportul polimer : apa = 1: 3.
Perlele separate prin centrifugare se usuca in uscatorul rotativ 22 cu aer cald de 110°-120°C. Praful de polimer antrenat este retinut in ciclonul 23 si filtrul cu saci 24, iar polimerul uscat este transportat pneumatic, separate in ciclonul 26 si depozitat in buncarul 27. Perlele de polistiren se amesteca apoi in amestecatorul 29 cu stearat de zinc, coloranti si alte adaosuri. Pentru obtinerea sorturilor opace in amestecator se introduce bioxid de titan.
Din amestecator polimerul este preluat de extruderul 30 care functioneza intr-un regim de temperatura cuprins intre 185°-230°C. In extruder se realizeaza si indepartarea monomerului nereactionat sub vacuum.
Firul de polimer obtinut prin extrudare este racit in baia cu apa 31, taiat in granulatorul 32 si sortat in sita vibratoare 33. Granulele de polistiren neconforme separate pe sita 33 sunt reintroduse in procesul de extrudare.
Fluxul tehnologic

![]()
PROCES
FILTRARE
DISCONTINUU
![]()
NEUTRALIZARE
HCl
![]()

![]()
apa de
spalare

PROCES
CONTINUU
EXTRUDERE
GRANULARE
colorant
![]()

Schema tehnologica a polistirenului in suspensie
Specificatia utilajelor la instalatie
Vas tampon stiren
Vas de masura
Vas dezinhibare
Vas tampon solutie NaOH
Vas separator
Vas tampon stiren dezinhibat
Vas de masura stiren
Vas tampon apa demineralizata
Schimbator de caldura
Vas de masura apa demineralizata
Vas de masura solutie intiator
Vas de masura stabilizator
Vas tampon plastifiant
Vas tampon lubrifianti
Reactor polimerizare
Vas tampon
Sita vibratoare
Vas de neutralizare
Vas tampon solutie HCl
Vas tampon detergent
Centrifuga
Uscator rotativ
Ciclon
Filtru cu saci
Pompa
Ciclon
Buncar
Cantar
Amestecator
Extruder
Baie de apa
Granulator
Sita vibratoare
Transportor cu snec
Buncar
Caracteristicile materiilor prime
Stirenul este cunoscut prin utilizarile sale in domeniul productiei polimerilor. Homopolimerul, impreuna cu copolimerii cu acrilonitril - metacrilat de metil, clorura de vinil, constituie o treime din productia de materiale termoplaste.
Stirenul se obtine industrial prin hidrogenarea etil benzenului:
C6H6
+ CH2 ═ CH2 AlCl3 C6H5CH2CH3
90 - 950C
C6H5CH2CH3 ZnO C6H5CH ═
CH2 + H2
600 - 6300C
Conversia procesului de dehidrogenare a etilbenzenului este de 40% in timp ce, dupa reciclarea benzenului nereactionat productia finala este de 90%.
Stirenul se prezinta sub forma unui lichid incolor cu miros specific. Este solubil in majoritatea solventilor organici uzuali si practic insolubil in apa ( solubilitatea stirenului in apa este de 0.0032%, iar a apei in stiren de 0.07% la 250C).
In prezenta aerului stirenul sufera un proces de oxidare, in urma caruia se formeaza peroxizi capabili sa initieze polimerizarea sa. Stirenul are o mare capacitate de a polimeriza atat prin mecanism radicalic, cat si ionic, utilizarile sale de baza fiind in productia de polimeri si copolimeri.
Pentru polimerizare stirenul trebuie sa fie de puritate inalta, conditiile de calitate ale acestuia trebuie sa fie urmatoarele:
û puritate%min 99.7
û etilbenzen%..max 0.3
û izopropilbenzen%..max 0.1
û n - propilbenzen%.max 0.05
û ortoxilen%.lipsa
û ( m + p) xilen%0.08
û inhibitor%..lipsa
û culoare.incolor si lipsit de sedimente
û vascozitate, cp/200C..max 0.87
û densitate, g/cm3/250C0.9038 - 0.9057
û indice de refracție, nd25..min 1.5434
û polimer%..max 0.1
û fenilacetilena%..max 0.02
û benzaldehida%..max 0.02
û clor%..max 0.02
û peroxizi%.max 0.02
û punct de inghet, 0C. - 30.6.. - 30.8
Stirenul la o concentratie mai mare de 0.2 mg/l produce iritatii ale pielii si respiratorii.
Proprietatile fizice ale stirenului
|
Proprietate |
U.M |
Valoare |
|
Masa moleculara |
g/mol | |
|
Temperatura de fierbere |
C | |
|
Temperatura de ingheț |
C | |
|
Densitate critica, Dc |
g/ml | |
|
Presiune critica, Pc |
MPa | |
|
Temperatura critica, Tc |
C | |
|
Volum critic, Vc |
ml/g | |
|
Limita de inflamabilitate |
% volum in aer | |
|
Flash point |
C | |
|
Punct de autoaprindere |
C | |
|
Entalpia de ardere, ∆Hc |
kJ/g | |
|
Entalpia de formare, ∆Hf gaz lichid |
kJ/gc la 250C | |
|
Entalpia de topire, ∆Hm |
kJ/g | |
|
Entalpia de polimerizare, ∆Hp |
kJ/g la 250C | |
|
Entalpia de evaporare, ∆Hv la 250C la 1450C |
kJ/g | |
|
Coeficientul de expansiune cubic, per 0C la 200C la 300C la 400C | ||
|
Concentratia specifica de volum la polimerizare | ||
|
Solubilitatea, oxigen ( din aer) in stiren la: 150C 250C 350C stiren in apa, 250C apa in stiren, 250C |
ppm ( masa) ppm ( masa) | |
|
Presiunea de vapori, kPa, dupa ecuatia Antoine |
log10 = [ 6.08201- 1445.58/ ( 209.43 + T0C)] |
|
|
Indice de refractie, nD C C C C C | ||
|
Caldura specifica ( a lichidului ) 00C 200C 400C 600C 800C |
J/ ( g* K) | |
Initiator
Peroxidul de benzoil
C6H5 ─ C ─ O ─ O ─ C ─ C6H5
║ ║
O O
Substanta alba, cristalina. Se descompune usor cu degajare de CO2. Peroxidul uscat explodeaza la lovire, la incalzire la 1000C sau in contact cu H2SO4. Din aceasta cauza in timpul depozitarii temperatura nu trebuie sa depaseasca 300C
Caracteristicile produsului finit
Polistirenul, ca homopolimer integral in forma denumita ,,natur", adica cu insusirile de baza ce se obtin prin sinteza este transparent si incolor.
Cele mai apropiate materiale plastice cu care eventual ar putea fi confundat sunt polimerii acrilici si esterii celulozici. Diferentierea de aceste materiale este destul de clara prin comportarea lor in flacara. Polistirenul arde linistit cu fum mult, cu flacsrs galbena-portocalie, degajand miros de stiren; polimerii acrilici ard cu o flacara galbena-albastruie, cu fum putin si imprastie un miros asemanator cu cel de alcool. Derivatii celulozici ard mai greu, cu fum putin si degaja mirosul diferitilor acizi organic.
Homopolimerul poate fi intalnit colorat, transparent, opac. In cazul colorarii opace, gama produselor cu care poate fi confundat creste foarte mult, mai ales cu cele din seria copolimerilor si a aliajelor care comtin stiren, precum si cu o parte din poliolefine. La proba de ardere se adauga semnificativ pentru recunoasterea homopolimerului faptul ca un obiect din acest material laasat sa cada pe o suprafata din lemn sau ciment de la o inaltime de 10-20 cm, produce un sunet mecanic.
Polistirenul este un material plastic dur, rigid, transparent sau opac, avand indice de refractie ridicat (1,59); este un produs lipsit de miros si de gustare o greutate specifica mica (1,054).
Caracteristici chimice
In general materialele plastic sunt inerte fata de multi agenti chimici in care majoritatea celorlalte materiale reactioneaza. Materialele din grupa polistirenului prezinta in general buna rezistenta chimica.
In ceea ce priveste produsele la care aceste material sunt sensibile, trebuie diferetiasi dizolvantiicare chimic nu modificaprodusele si ca atare constituie si baza posibilitatilor de imbinare prin lipire, de agenti oxidanti care modifica chimic si ireversibil structura polimerilor.
Caracteristici fizice
Masa moleculara a polistirenului. Polistirenul este un polimer in care predomina hidrocarbura (C
H
cu masa moleculara mare, valoarea lui n
fiind cuprinsa intre 500 si 2000. In polimer se mai gasesc mici cantitati de
stiren, etil - benzen, urme de catalizatori si polimeri cu masa moleculara
mica, cantitati care variaza in functie de procedeul de polimerizare folosit.
Distributia masei moleculare influenteaza proprietatile polistirenului si in deosebi rezistenta la tractiune, rezistenta la soc, vascozitatea, respectiv curgerea atat de importanta in timpul prelucrarii prin injectie sau extrudere.
Componenta cu masa moleculara mica a polimerului influenteaza la randul ei curgerea, stabilitatea la lumina, proprietatile electrice, stabilitatea chimica.
Solubilitatea polistirenului. Polistirenul este solubil intr-o serie de dizolvanti organici In tabelul urmator este indicata solubiliatatea polistirenului dupa datele lui Staudinger si Heuer.
Solubiliatatea polistirenului (dupa datele lui Staudinger si Heuer)
|
Dizolvantul |
Polistiren |
Polistiren hidrogenat M 5000 |
|
|
M 130000 |
M 5000 |
||
|
Benzen |
solubil |
solubil |
solubil |
|
CCl |
solubil |
solubil | |
|
CHCl |
solubil |
solubil | |
|
Tetralina |
solubil |
solubil |
solubil moderat |
|
Dioxan |
solubil |
solubil |
insolubil |
|
Ester acetic |
solubil |
solubil |
insolubil |
|
Ciclohexan |
usor solubil |
solubil |
solubil |
|
Hexan |
insolubil |
insolubil |
solubil |
masa moleculara Staudinger
Caracteristici mecanice
La temperatura camerei, materialele din grupa polistirenului sunt rigide, homopolimerul fiind cel mai dur dintre ele si casant. Alaturi de copolimerul cu acrilonitril el prezinta un modul de elasticitate care-l situeaza printre cele mai rigide termoplastice.
Caracteristici termice
La temperatura ambianta, produsele din grupa polistirenului sunt rigide. La temperaturi joase, rigiditatea si casanta lor cresc.
Prin incalzire, rigiditatea materialelor scade, devenind succesiv elastice, plasctice, visco-elastice si in final vanscoase.
Caracteristici electrice
Produsele din grupele polistirenului au proprietati electrice deosebit de ridicate.
Aceste caracteristici au facut din polistiren, copolimerii si aliajele lor, material de baza in industria electrotehnica si electronica, inclusiv ca izolator in domeniul curentilor de inalta frecventa.
Caracteristici optice
Caracteristicile optice ale materialelor plastice sunt de obicei intelese numai drept criteriu de transparenta, desi gama efectelor luminii asupra materialelor este mai larga.
Polistirenul, in special cel obtinut prin polimerizare in bloc, prezinta o transparenta foarte mare, motiv pentru care tipurile de polistiren putin aditivate se numesc ,,cristal".
III. Dimensionare tehnologica
Bilant de material
Reteta de fabricatie
z apa demineralizata : 49,68%
z stiren : 49,04%
z CaCl
:
0,18%
z acid stearic : 0,04%
z stearat de butil : 0,18%
z peroxide de benzoil : 0,11%
z fosfat trisodic : 0,13%
z mersolat : 0,0004%
z persulfat de potasiu : 0,03% (se introduce sub forma de solutie 2%)
z neutralizare cu HCl 32% in exces cu 10% fata de cantitatea stoechiometrica
z apa
de spalare la centrifugare =
din cantitatea de suspensie
z perlele de polistiren intra la uscare cu o umiditate de 2% si iese cu o umiditate de 0,1%
z la extrudare se introduce colorant 1% masic
z pierderi tehnologice :
C polimerizare : 0,1%
C filtrare : 0,3%
C centrifugare : 0,3%
C uscare : 0,5%
C extrudare/granulare : 0,2%
C
=
19.5 tone
C
=
34000 t/an
Sa se calculeze numarul de reactoare:
a) Timp de lucru disponibil
T = 365-30-5 = 330 · 24 = 7920
b) Numarul de sarje realizate intr-un an de un reactor
N
![]()
N
= 609.23 numar sarje/an reactor
c) Capacitatea unei sarje
C
=C
·
=9.36
tone = 9360 kg/an
d) Numar de sarje pe an
N =
=
reactoare
2 linii cu cate 3 reactoare
Materiale intrate :
H
O din datele de proiectare
cantitate persulfat de K
m
:
kg solutie de persulfat de K
masa apa solutie = masa solutie - masa persulfat de K = 292,5 - 5,85 = 286,65 kg
masa apa introdusa in reactor = masa apa - masa apa solutie = 9687,6 -286,65 = 9400,95 kg/sarja
masa stiren = 0,4904
19500
= 9562,8 kg/sarja
masa PB =
kg/sarja
masa CaCl
=
kg/sarja
masa ulei de vaselina =
kg/sarja
masa stearat de butil =
kg/sarja
masa acid stearic =
kg/sarja
masa fosfat de Na =
kg/sarja
masa mersolat =
kg/sarja
Materiale iesite :
masa Pst = ( 1- pierderi)
(conversie · masa stiren + masa acid
stearic + masa stearat de butil + masa ulei de vaselina + masa PB + masa
persulfat de K) =
kg/sarja
masa stiren nereactionat = ( 1- pierderi)
(1- conversie) · masa stiren =
kg/sarja
masa H
O = ( 1- pierderi)
masa H
O =
kg/sarja
masa mersolat = 0,999 · 0,078 = 0,078 kg/sarja
25,35 x y z
![]()
![]()
![]()
![]()
![]()
![]()
![]()
2Na
PO
+ 3CaCl![]()
Ca
(PO
+ 6NaCl
2·164 3·111 310 6·58,5
x =
kg
CaCl
y =
kg
Ca
(PO
z =
kg NaCl
CaCl
: 35,1 - 25,73 = 9,37 kg in exces
masa CaCl
=
0,999 · 9,37 = 9,36 kg/ sarja
masa Ca
(PO
)
=
0,999 · 23,95 = 23,92 kg/ sarja
masa NaCl = 0,999 · 27,12 = 27,09 kg/ sarja
pierderi = 0,001 ·
materiale intrate = 0,001 · 19496,18 =
19,5 kg/ sarja
|
Materiale intrate |
Unitate de masura |
Cantitate |
Materiale iesite/pierderi |
Unitate de masura |
Cantitate |
|
Stiren |
|
Pst |
| ||
|
PB |
St nereactionat | ||||
|
CaCl |
H | ||||
|
Ulei de vaselina |
Mersolat | ||||
|
Stearat de butil |
CaCl | ||||
|
Acid stearic |
Ca | ||||
|
Fosfat de Na |
NaCl | ||||
|
mersolat |
pierderi | ||||
|
Persulfat de K | |||||
|
H | |||||
|
TOTAL |
TOTAL | ||||
![]()
polistiren
FILTRARE
![]()
![]()
![]()
H
O H
O
![]()
CaCl
CaCl![]()
![]()
Ca
(PO
)
Ca
(
)
![]()
NaCl NaCl
![]()
mersolat pierderi
Materiale iesite :
masa Pst = (1 - pierderi) · masa Pst intrat = 0,997 · 9929,13 = 9899,34 kg/ sarja
masa H
O
= 0,997 · 9391,54 = 9363,36 kg/ sarja
masa CaCl
=
0,997 · 9,36 = 9,33 kg/ sarja
masa mersolat = 0,997 · 0,078 = 0,078 kg/sarja
masa NaCl = 0,997 · 27,09 = 27 kg/ sarja
masa Ca
(PO
)
=
0,997 · 23,92 = 23,84 kg/ sarja
pierderi = 0,003 ·
materiale
intrate = 0,003 · 19381,11 = 58,14 kg/ sarja
|
Materiale intrate |
Unitate de masura |
Cantitate |
Materiale iesite/pierderi |
Unitate de masura |
Cantitate |
|
Pst |
|
Pst |
| ||
|
H |
H | ||||
|
mersolat |
CaCl | ||||
|
CaCl |
mersolat | ||||
|
Ca |
NaCl | ||||
|
NaCl |
Ca | ||||
|
pierderi | |||||
|
TOTAL |
TOTAL |
polistiren polistiren
![]()
![]()
NEUTRALIZARE
H
O H
O
mersolat mersolat
![]()
Ca
(PO
)
H![]()
CaCl
exces CaCl![]()
![]()
![]()
![]()
NaCl NaCl
![]()
![]()
![]()
![]()
HCl HCl dizolvat
![]()
CaCl
exces
Materiale intrate:
x 23,84 · 3 y z
![]()
![]()
![]()
![]()
![]()
![]()
![]()
6 HCl + Ca
(PO
2H
PO
+ 3CaCl
6 · 36,5 310 2 · 98 3 · 110
x =
=
50,52 kg HCl pur
y =
kg/h H
PO
z =
kg/h CaCl
masa solutie HCl (conc. 32%) =
solutie HCl 32% cantitate
stoechiometrica
exces 10%
masa solutie HCl =
= 173,64 solutie HCl
Materiale iesite:
masa Pst = 9899,34 · 3 = 29698,02 kg/sarja
masa Pst =
kg/h
masa mersolat = 0,078 · 3 = 0,234 kg/sarja
masa mersolat =
kg/h
masa NaCl = 27 · 3 = 81 kg/sarja
masa NaCl =
kg/h
masa H
O = masa H
O intrata + masa H
O solutie HCl = 28090,08 +
kg/h
masa HCl dizolvat =
· (173,64 - 157,86) = 5,04 kg/sarja
masa HCl =
kg/h
|
Materiale intrate |
Unitate de masura |
Cantitate |
Materiale iesite |
Unitate de masura |
Cantitate |
|
Pst |
|
Pst |
| ||
|
H |
H | ||||
|
mersolat |
CaCl | ||||
|
CaCl |
mersolat | ||||
|
Ca |
NaCl | ||||
|
NaCl |
H | ||||
|
HCl |
HCl dizolvata | ||||
|
CaCl | |||||
|
TOTAL |
TOTAL |
polistiren
![]()
CENTRIFUGARE
H
O
![]()
CaCl
Pst (u = 2%)
CaCl
exces H
O
reziduala
![]()
mersolat pierderi
![]()
![]()
![]()
![]()
![]()
![]()
H
![]()
HCl
H
O
de spalare
NaCl
![]()
Materiale intrate:
H
O
de spalare =
·
cantitate de suspensie iesita la neutralizare =
·
4472,48= 559,06 kg/h
Materiale iesite:
masa Pst = (1 - pierderi)
· masa Pst intrat =
kg/h
masa Pst (2%) ...........100
masa Pst (2%) =
2328,74
kg/h
masa Pst (u = 2%) =
kg/h
masa H
O reziduala = (1 - pierderi) · (masa
H
O + masa mersolat + masa NaCl +
masa H
PO
+ masa CaCl
+ masa CaCl
exces + masa HCl + masa H
O de spalare -
· masa Pst (u = 2%)) = 0,999 · (2169,86
+ 0,018 + 6,23 + 3,47 + 5,91 + 2,15 + 0,38 + 559,06 -
· 2331,08) = 2697,75 kg/h
pierderi = 0,001 ·
materiale
intrate = 0,001 · 5025,30 = 5,03 kg/h
|
Materiale intrate |
Unitate de masura |
Cantitate |
Materiale iesite/pierderi |
Unitate de masura |
Cantitate |
|
Pst |
|
Pst (u = 2%) |
| ||
|
H |
H | ||||
|
mersolat |
pierderi | ||||
|
CaCl | |||||
|
CaCl | |||||
|
NaCl | |||||
|
HCl | |||||
|
H | |||||
|
H | |||||
|
TOTAL |
TOTAL |
USCARE
5.
![]()
Pst
(u = 0,1%)
H
O
iesita
Pst (u = 2%)
pierderi
Materiale iesite:
masa Pst uscat =
kg/h
Pst uscat (u = 0,1%) = ![]()
masa H
O
=
kg/h
Din :
masa H
O =
kg/h
H
O = 46,57 - 2,28 = 44,29 kg/h
H
O iesita =
kg/h
Pst uscat (u =
0,1%) = 2284,44 ·
kg/h
pierderi = 0,005 ·
materiale intrate = 0,005 · 2328,74 =
11,64 kg/h
|
Materiale intrate |
Unitate de masura |
Cantitate |
Materiale iesite/pierderi |
Unitate de masura |
Cantitate |
|
Pst (u = 2%) |
|
Pst (u = 0,1%) |
| ||
|
H | |||||
|
pierderi | |||||
|
TOTAL |
TOTAL |
Pst (u = 0,1%) Pst granulat
colorant pierderi
Materiale intrate:
masa Pst (u = 0,1%) = 2273,03 kg/h
masa colorant =
kg/h
Materiale iesite:
masa Pst = (1 - pierderi) · masa Pst (u = 0,1%) + masa colorant = (1 - 0,002) · 2273,03 + 22,73
= 2291,21 kg/h
pierderi = 0,002 ·
materiale intrate = 0,002 · 2273,03 = 4,54
kg/h
|
Materiale intrate |
Unitate de masura |
Cantitate |
Materiale iesite/pierderi |
Unitate de masura |
Cantitate |
|
Pst (u = 0,1%) |
|
Pst granulat |
| ||
|
colorant |
pierderi | ||||
|
TOTAL |
TOTAL |
7.
AMBALARE
Pst ambalat
![]()
![]()
Pst granulat
pierderi
Materiale intrate:
masa Pst granulat = 2291,21 kg/h
Materiale iesite:
masa Pst ambalat = (1 - pierderi) · masa Pst granulat = (1 - 0,002) · 2291,21 = 2286,62 kg/h
pierderi = 0,002 ·
materiale
intrate = 0,002 · 2291,21 = 4,58 kg/h
|
Materiale intrate |
Unitate de masura |
Cantitate |
Materiale iesite/pierderi |
Unitate de masura |
Cantitate |
|
Pst granulat |
|
Pst ambalat |
| ||
|
pierderi | |||||
|
TOTAL |
TOTAL |
Bilant total de materiale pe instalatie
![]()
apa de spalare
![]()
HCl sol 32%
stiren

![]()
apa demineralizata
PB Pst
![]()
umiditate
acid
stearic apa reziduala
stiren nereactionat
![]()
stearat de butil pierderi
![]()



![]()
![]()
fosfat de Na
mersolat
ulei de vaselina
CaCl![]()
Na
PO![]()
![]()
colorant
Calcul pe faza discontinua :
![]()
Calcul pe faza continua :
Materiale intrate:
masa stiren =
t/an
masa CaCl
t/an
masa acid stearic =
t/an
masa ulei de vaselina =
t/an
masa stearat de
butil =
t/an
masa PB =
t/an
masa fosfat de Na
=
t/an
masa mersolat =
t/an
masa H
O =
t/an
masa HCl =
t/an
masa colorant =
t/an
masa apa de
spalare =
t/an
masa persulfat de
K =
t/an
Materiale iesite:
masa stiren
nereactionat =
t/an
masa H
O reziduala =
t/an
H
O iesita =
t/an
masa Pst ambalat
=
t/an
pierderi =
t/an
|
Materiale intrate |
Unitati de masura |
Cantitate |
Materiale iesite |
Unitati de masura |
Cantitate |
|
stiren |
|
PSt |
| ||
|
apa demineralizata |
Umiditate | ||||
|
Pb | |||||
|
acid stearic |
Apa reziduala | ||||
|
stearat de butil | |||||
|
fosfat de Na |
Pierderi | ||||
|
mersolat |
St neract | ||||
|
ulei de vaselina | |||||
|
CaCl | |||||
|
persulfat de K | |||||
|
HCl sol. 32% | |||||
|
apa spalare | |||||
|
colorant | |||||
|
Total materiale intrate |
Total materiale iesite | ||||
Bilant termic
Preincalzirea H
O
demineralizata
masa
· Cp · Δt = λ
· masa
+
·
(λ
·
masa
)
Q
= Q
+ Q![]()
Q
= masa
·
λ![]()
Q
= masa apa · Cp apa · Δt
Q
= 2% (pierderi)
t
= 20 °C
t
= 60 °C
t = t
- t
= 40 °C
t
= 150 °C
λ
masa
λ
= masa
· Cp apa · t +
λ
· masa
masa
· 505 = 9687,6 · 1 · 40 · 10,1 · masa
masa
masa
= 782,99 kg
Q
= 782,99 ·505 = 395409,95 kcal
Q
=
9687,6 · 1 · 40 = 387504 kcal
Q
=
·
395409,95 = 7908,19 kcal
Q
= Q
= 387504 kcal
Bilant termic pe reactor
a) incalzire stiren + H
O
Apa demineralizata 60 - 65 °C. Stiren temperatura 20 - 65 °C.
Q
= Q
+ Q![]()
Q
= masa
· Cp apa · Δt apa + masa stiren · Cp stiren · Δt stiren
Q
= 2% pierderi
Cp stiren = 0,45
Cp apa = 1
Δt apa = 65 - 60 °C
Δt stiren = 65 - 20 = 45 °C
masa
· λ
=
masa
· Cp apa · Δt apa +
·
(λ
· masa
)
+ masa stiren · Cp stiren · Δt stiren
masa
·
(505 - 0,02 · 505) = masa
·
1 · 5 + masa stiren · 0,45 ·45
masa
·
494,49 = 9687,6 · 1 · 5 + 9562,8 · 0,45 ·45
masa
=
kg
Q
=
masa
·
λ![]()
Q
=
489,15 · 505 = 247020,75 kcal
Q
= masa
· Cp apa · Δt apa + masa stiren · Cp stiren · Δt stiren
Q
= 9687,6 ·1 · 5 + 9562,8 · 0,45 · 45 =
48438 + 193646,7 = 242084,7 kcal
Q
· Q
Q
· 247020,75 = 4940,41 kcal
Q
= Q
=
242084,7 kcal
b) incalzirea amestecului de la 65 °C - 90 °C
La 65 °C se incarca restul componentilor. Are loc incalzirea amestecului de la 65 °C - 90 °C.
λ
= 150 °C, pierderi 2,5%
Q
= Q
+ Q
Q
= masa
λ
Q
= masa
· Cp apa · t + masa
· Cp stiren · t
masa
= faza apoasa
masa
= faza organica
faza apoasa = apa demineralizata, CaCl
Na
PO
faza organica = stiren, Pb, K
S
O
, ulei de vaselina, acid stearic,
stearat de butil, mersolat
t = 90 - 65 °C
masa
masa
Q
= 9748,05 · 1 · 25 + 10034,78 ·
0,45 · 25 = 243701,25 + 112891,28 = 356592,53 kcal
Q
· Q![]()
Q
= Q
![]()
![]()
· Q
= Q![]()
masa
masa
= 724,23 kg
Q
= 724,23 · 505 = 365736,15 kcal
Q
· Q
= 9143,40 kcal
Q
=
Q
=
356592,53 kcal
c) preluare caldura de reactie ( mentinerea temperaturii in reactor la 90 °C); temperatura in reactor 90 °C.
q
= reprezinta caldura de reactie degajata
la polimerizarea stirenului. Caldura de reactie se preia cu H
O de racire care se incalzeste de la
20 - 50 °C.
Q
= q
· masa stiren · x
x = conversia = 0,99
masa stiren = 9562,8
Q
= 160,2 · 9562,8 · 0,99 = 1516640,95 kcal
Q
= masa apa racire · Cp apa · t apa racire
t apa racire = 50 - 20 = 30 °C
masa apa racire =
Q
= masa stiren · 160 = 9562,8 · 160 = 1530048 kcal
d) definitivarea reactiei de polimerizare
Incalzirea amestecului de reactie de la 90 - 130 °C.
Q
=
masa
·
λ![]()
Q
= masa
· Cp apa · Δt + masa
·
Cp polistiren · Δt + masa stiren · Cp stiren · Δt stiren
Q
= 3,5 % (pierderi)
Cp polistiren = 0,32
t = 130 - 90 = 40 °C
masa
= masa
+ masa Ca
(PO
+ masa NaCl + masa CaCl
= 9363,36 + 23,92 + 27,09 + 9,36 = 9423,73
kg solutie apoasa
masa
= masa stiren nereactionat + masa mersolat
= 95,53 + 0,078 = 95,60 kg solutie organic
Q
= 9423,73 · 1 · 40 + 95,60 · 0,32 · 40
+ 9562,8 · 0,45 · 40 = 376949,2 + 1223,68
+ 172130,4 = 550303,28 kcal
Q
· Q![]()
![]()
· Q
= Q![]()
masa
kg
Q
=
1129,23 · 505 = 570261,15 kcal
Q
=
Q
=
550303,28 kcal
e) racirea amestecului de reactie
Amestecul se raceste de la 125 - 65 °C cu H
O
de racire care se incalzeste de la 20 - 50 °C
Q
=
Q![]()
Cp polistiren = 0,32 ![]()
Q
= masa
· Cp apa · Δt + masa polistiren · Cp polistiren · Δt
Δt = 125 - 65 = 60 °C
Q
= 9423,73 · 1 · 60 + 9929,13 · 0,32 · 60 = 565423,8 + 190639,29 = 756063,09
kcal
Δt apa racire = 50 - 20 = 30 °C
masa apa racire =
=
kg
IV. BIBLIOGRAFIE
M. Dimonie, Gh. Hubca - Tehnologia sintezei polimerilor
D.Feldman - Tehnologia compusilor macromoleculari
N.Hodos -Polistirenul monografie
|