ALTE DOCUMENTE |
ACUSTICA
Producerea si propagarea sunetelor
Vibratiile corpurilor materiale se propaga prin aer (si, īn general, prin orice alt gaz) si ajungand la ureche produc senzatia auditiva, pe care o numim sunet. Trebuie sa mentionam īnsa ca nu toate oscilatiile receptionate de ureche sunt percepute auditiv. Obiectul acusticii īl constituie studiul producerii si propagarii sunetelor, īnglobīnd aici nu numai vibratiile auditive, ci si pe cele care nu produc senzatie auditiva, cum ar fi ultrasunetele.
Vibratiile produse intr-un punct al unui mediu elastic se propaga īn acel mediu din aproape in aproape sub forma de unde. Īn aer (ca si īn orice alt gaz) sau īn lichide avem de-a face cu unde longitudinale. Undele sonore fiind oscilatii ale mediului, produse de vibratiile unor corpuri materiale, vor avea proprietatile undelor elastice. Astfel, dupa cum am aratat viteza de propagare v-a fi v=√E/ρ
Īn cazul gazelor aceasta relatie devine v=√γRT/√M
unde M este masa unui mol de gaz, T temperatura absoluta, R constanta gazelor, iar este raportul dintre caldura specifica a gazului la presiune constanta si, respectiv, la volum constant ( =cp/cv) *. Aceasta relatie, numita formula Iui Laplace, ne arata ca viteza de propagare a undelor sonore este proportionala cu radacina patrata a temperaturii T si nu depinde de presiunea gazului. Īn realitate, īn afara de temperatura, mai exista si alti factori care influenteaza viteza de propagare a sunetului si care nu au fost luati īn considerara la deducerea formulei. Astfel de factori sīnt umiditatea aerului (viteza e mai mare īn aerul umed decit īn cel uscat), ionizarea aerului care duce la cresterea vitezei, curentii de aer, precum si intensitatea sunetului. Deoarece ne intereseaza īndeosebi propagarea sunetului īn aer, nu mai dam formulele pentru viteza de propagare īn. alte medii, ci prezentam numai un tabel cu valorile vitezei pentru unele medii (pentru gaze si lichide este indicata si temperatura)
|
Substanta v(m/s) |
Temperatura (°C) |
Substanta |
v (m /s) |
|
Aer 331,8 |
Aluminiu |
| |
|
|
Dioxid de carbon 259 |
Fier | ||
|
Hidrogen 1 261 |
Plumb | ||
|
Apa curata 1 440 |
Lemn de brad |
500 |
|
|
Apa de mare 1 503 |
Cupru | ||
|
Cauciuc |
circa 50 |
||
Cīnd izvorul sonor (presupus punctiform) este īn repaus, undele sonore care pornesc din acest punct sint unde sferice, fronturile de unda fiind suprafete sferice concentrice. Īn cazul īn care sursa sonora se misca (sa presupunem rectiliniu); centrele suprafetelor sferice se vor gasi pe linia care reprezinta traiectoria sursei. Īn functie de viteza sursei īn raport cu viteza de propagare a sunetului, avem trei situatii:
a) Viteza sursei sonore (u) mai mica decīt viteza (v) a sunetului. Undele sonore se īnconjoara una pe alta fara sa se īntretaie, īnsa nu mai au acelasi centru, ingramadindu-se īn directia īn care se misca sursa. Dupa cum se vede, punctul A spre care se īndreapta izvorul sonor este strabatut de un numar mai mare de unde īn unitatea de timp (frecventa creste efectul Doppler-Fizeau). Situatia este inversata pentru punctul B, fata de-care izvorul se departeaza.
b) Viteza sursei sonore (u) este egala cu viteza sunetului (v). Undele sferice se ating īn fiecare moment īntr-un punct comun, care este punctul īn care se gaseste sursa īn acel moment . Un observator asezat īn directia spre care se misca sursa primeste deodata toate undele sub forma unui pocnet.
c) Viteza sursei sonore (u) mai mare ca viteza (v) a sunetului. Īn acest caz, undele sferice se īntretaie. Īnfasuratoarea acestor unde este un con cu vĪrful īn punctul īn care se gaseste sursa īn momentul respectiv.

Unghiul dintre generatoarea conului (A06) si directia de deplasare a sursei (0106) este dat de relatia:
Sin j = ||O1A||/ ||O1O6|| = vΔt / uΔt = r/u
(Δt este timpul īn care sursa s-a deplasat de la 01 la 06 si respectiv, unda sonora excitata in 01 s-a propagat pe distanta ||01A||). Situatia apare ca si cum sursa sursa sonora- ar trage dupa ea undele sonore, un observator situat in partea īnspre care īnainteaza sursa va primi undele sonore in ordinea inversa in raport cu cea īn care au fost produse.
Corpurile care se misca cu o viteza mai mare decit viteza sunnetului (super sonice) produc, prin comprimarea aerului īn directia de īnaintare, o unda care nu are caracter periodic, reprezentīnd doar un domeniu de comprimare care se propaga cu viteza sunetului. O astfel de unda.' se numeste unda de soc sau unda balistica. Ele provoaca senzatia unui soc puternic. Aceste unde apar, de exemplu, īn cazul miscarii proiectilelor sau al avioanelor cu reactie.
In īncheierea acestui paragraf, mentionam ca, deoarece undele sonore sunt unde, elastice, si in cazul propagarii sunetelor apar fenomenele, caracteristice undelor ca reflexia, refractia, interferenta, difractia. Unele dintre aceste fenomene, mai ales din punct de vedere al particularitatilor prezentate de sunete, vor fi discutate īn paragrafele urmatoare.
Calitatile sunetului
Sunetele pot fi caracterizate prin trei calitati principale: īnaltime, intensitate si timbru.
a) Īnaltimea sunetului este proprietatea sa de a fi mai profund (grav) sau mai acut (ascutit, subtire). Experimental s-a constatat ca īnaltimea sunetului depinde de frecventa oscilatiilor sonore. Astfel, urechea apreciaza doua sunete ca au aceeasi īnaltime (sunt la unison) daca au aceeasi frecventa; iar īn cazul īn care au frecvente diferite, este mai īnalt (acut) cel care are frecventa mai mare. Din aceasta cauza, īnaltimea sunetului se exprima numeric prin frecventa undei sonore.
Sa observam aici ca vibratiile libere ale corpurilor materiale au loc, īn general, cu diferite pulsatii proprii, spre deosebire de cazul oscilatiilor punctului material īn care avem o singura frecventa de vibratie, determinata de masa punctului si constanta fortei elastice (w = k/m). Astfel, un corp material care vibreaza va produce sunete de diferite īnaltimi, de frecvente bine determinate pentru fiecare corp. Sunetul emis de corp, sunet cu frecventa cea mai mica, se numeste sunet fundamental, iar cele corespunzatoare unor frecvente egale cu multiplii īntregi ai frecventei sunetului fundamental se numesc armonice superioare.
Īn natura se īntalnesc foarte rar sunete curate'', care sa aiba o frecventa bine determinata, sunetele naturale fiind, de fapt, compuse din sunete de. diferite frecvente.
b) Intensitatea sau taria sinetului īntr-un anumit punct din spatiu este determinata de cantitatea de energie pe care o transporta unda sonora īn unitatea de timp prin unitatea de suprafata asezata īn acel punct, perpendicular pe directia de propagare. Pentru a vedea care sunt marimile de care depinde intensitatea, sa consideram un paralelipiped de sectiunea ΔS, perpendicular pe directia de propagare a undei si de lungime vT. Suprafata ΔS va fi strabatuta intr-o perioada T de energia medie W a undei sonore care se gaseste in paralelipipedul considerat WW
W̃=w · ΔS · vT
Intensitatea va fi deci: I= W / ΔS · T = w · v = ½ ρA2 w v
Sau I = 2π2 ρA2v2v
Se vede ca intensitatea sunetului depinde atat de marimi care caracterizeaza oscilatia sonora (A, v), cīt si de marimi care caracterizeaza mediul (ρ, v).
In cazul undei plane, amplitudinea oscilatiei nu depinde de distanta de la izvorul sonor si, in consecinta, intensitatea va fi aceeasi īn orice punct. Daca īnsa sunetul se propaga prin unde sferice, situatia se schimba. Pentru a vedea cum, sa consideram cantitatea de energie care strabate īntr-o perioada o suprafata sferica de raza r, cu centrul īn punctul īn care se gaseste unda sonora. Daca consideram propagarea īntr-un mediu omogen, energia care strabate un element S, suficient de mic, al suprafetei este data tot de paralelipiped. Cum w, v si T au aceleasi valori īn. orice punct de pe suprafata sferica de raza r, energia care trece prin toata suprafata sferica va fi:
W̃ = 4 πr2 w A2 ρvT
c) Timbrul Intre sunetele de aceeasi intensitate si īnaltime, emise de instrumente diferite exista o deosebire calitativa pe care o numim timbrul sunetului. Aceasta deosebire este legala de faptul ca un corp material emite, īn afara sunetului fundamental, si o serie de sunete de frecvente superioare, insa de intensitati mult mai mici decat a celui fundamental. Timbrul este determinat tocmai de aceste sunete superioare, care īnsotesc sanetul fundamental. Experienta arata ca timbrul undei sonore depinde de numarul, īnaltimea si intensitatea sunetelor superioare, dar nu depinde de diferenta de faza dintre aceste vibratii. Asupra modului in care apar sunetele superioare si legatura cu timbrul instrumentelor muzicale vom reveni īn capitolul surse sonore.
Perceperea sunetelor
Perceperea sunetelor de catre om se realizeaza prin intermediul urechii. Descrierea anatomica a urechii si mecanismul auditiei pot fi gasite de cititor īn orice manual de anatomie. Aici vom mentiona doar ca vibratiile auditive sunt transmise prin intermediul diferitelor parti ale urechii, facand sa vibreze asa-numitele fibre ale lui Corti. Sub actiunea unui sunet de nltime (frecventa) data, vibreaza anumite fibre, excitīnd terminatiile corespunzatoare ale nervului auditiv, care, la randul sau, transmite excitatia la creier.
In continuare, ne vom ocupa de conditiile pe care trebuie sa le īndeplineasca o vibratie acustica pentru a fi perceputa ca sunet, adica sa discutam limitele de audibilitate. Se constata ca frecventa sunetelor audibile este cuprinsa aproximativ īntre Hz si G Hz. Aceste limite variaza insa de la persoana la persoana si īn general, cu vīrsta. Vibratiile de frecventa mai mica decat Hz se numesc infrasunete, iar cele de frecventa mai mare decat 20 000 Hz se numesc ultrasunete.
Se constata, de asemenea, ca si intensitatea sunetelor audibile este cuprinsa īntre anumite limite si anume, aproximativ īntre 4·10-12 W/m2 si 2 W/m2. Intensitatea minima care determina senzatia auditiva se numeste prag de audi-bilitate. Daca intensitatea sunetelor creste foarte mult, īn ureche apare o senzatie de presiune si apoi de durere.Intensitatea maxima peste care apare aceasta senzatie, se numeste prag tactil sau pragul senzatiei de durere. Limitele de intensitate depind de frecventa sunetului. Astfel, se constata ca pentru frecvente cuprinse īntre circa l000 Hz si Hz urechea este cea mai sensibila, pragul de audibilitate este cel mai jos, atingīnd valori de ordinul W/m2. Pentru frecvente mai joase sau mai īnalte urechea este mai putin sensibila, pragul de audibilitate fiind mai ridicat.In figura urmatoare sunt reprezentate schematic pragul de audibilitate si pragul senzatiei de durere (curbele pline). Regiunea dintre cele doua curbe reprezinta suprafata intensitatilor audibile sau suprafata de audibilitate.
Intensitatea senzatiei auditive (intensitatea subiectiva a sunetului) nu este proportionala cu intensitatea sunetului fizic, pe care am definit-o mai inainte. In general, pentru un sunet de o frecventa data-, senzatia auditiva creste (de la pragul de audibilitate) rapid cu cresterea intensitatii si apoi, cand ne apropiem de pragul senzatiei de durere, intensitatea trebuie sa creasca foarte mult pentru ca urechea sa perceapa o diferenta. De fapt, intensitatea subiectiva a sunetului nu poate fi masurata cantitativ exact. O evaluare aproximativa este data de legea psiho-fizica formulata de Weber si Fechner. Conform acestei legi, diferenta dintre senzatiile auditive produse de doua sunete este proportionala cu logaritmul raportului dintre intensitatile celor doua sunete. S2 S1 = k log ( I2 / I1)

In aceasta relatie S1 reprezinta senzatia auditiva (sau nivelul intensitatii sunetului) produsa de sunetul de intensitate I1. Desi ipotezele pe baza carora se deduce aceasta relatie nu sunt exact satisfacute, ea este foarte importanta, deoarece sistemul de masura a intensitatilor sonore (scara nivelelor de intensitate a sunetelor) se bazeaza pe aceasta lege.
Daca luam ca nivel zero (senzatia auditiva S0 = 0) pragul de audibilitate I0, I0 = 10-12W/m2, nivelul intensitatii sunetului este dat de relatia S = k log ( I / I0).
Daca se ia k = l, unitatea de masura pentru nivelul intensitatii sonore se numeste bel, iar daca se ia k = 10, decibel (dbel). Unei intensitati I = 10 I0 īi corespunde un nivel S = 10 dbel, pentru I = 100 I0 avem S = 20 dbel, iar pentru o intensitate apropiata de pragul senzatiei de durere I = 10Ī4 I0 avem valoarea S = 140 dbel.
In tabelul urmator dam nivelele intensitatii sunetelor pentru cīteva sunete obisnuite; valorile intensitatilor se refera la sunetul de l 000 Hz. Pentru a percepe-o vibratie ca sunet, īn afara conditiilor de frecventa si intensitate mai exista si-o conditie de durata. Astfel, pentru ca un om obisnuit sa perceapa bine īnaltimea unui sunet, trebuie ca urechea sa sa primeasca unde sonore cel putin. timp de aproximativ o sutime de secunda, adica cel putin 5 vibratii pentru. un sunet de 500 Hz, 10 vibratii pentru l 000 Hz etc. Totusi, dupa mult exercitiu, aceasta limita coboara sensibil ajungīnd, de exemplu, la doua vibratii pentru a percepe destul de corect īnaltimea unui sunet īntre 40 Hz si 3 000 Hz.
|
Sursa sunetului |
Nivelul (decibeli) |
Intensitatea sunetului (W/m2) |
|
Pragul audibilitatii (liniste absoluta) | ||
|
Freamatul frunzelor | ||
|
soapte | ||
|
Pasi, ruperea hīrtiei | ||
|
Vorbirea | ||
|
Muzica tare la radio | ||
|
Nituirea | ||
|
Motor avion (la 3 m departare) |
Din punctul de vedere al senzatiei auditive pe care o produc, sunetele pot fi īmpartite īn trei clase: sunete muzicale (simple sau compuse), zgomote si pocnete. Se arata experimental ca sunetele muzicale sīnt produse de miscari periodice, zgomotele - de miscari neregulate, iar pocnetul este rezultatul lovirii urechii de o variatie brusca si scurta a presiunii aerului.
Relatia dintre doua sunete produse succesiv sau simultan este caracterizata prin raportul dintre frecventele celor doua sunete, v2 si v1 numit interval, iar daca reprezinta raportul dintre anumite numere īntregi, avem un interval muzical. Principalele intervale muzicale sunt: unisonul (v2 / v1= ; secunda mare (v2 / v1 = 9/8 sau 10/9) si secunda mica (v2/v1 = 16/15); terta mare (v2/v1= 5/4) si terta mica v2/v1= 6/5), cvarta (v2/v1 cvinta (v2/v1 = 3/2); sexta mare (v2/v1 = 5/3) si sexta mica (v2/v1 = 8/5); septima mare (v2/v1 si septa mica (v2/v1= 9/5) si octava (v2/v1
Doua sau mai multe sunete produse simultan, separate prin intervale muzicale, formeaza un acord. Senzatia auditiva pe care o produc poate fi mai mult sau mai putin placuta, In functie de aceasta, acordul se numeste consonant sau disonant. Cele mai consonante acorduri sīnt cele de octava, terta majora si cvinta, iar disonante cele de cvarta, sexta, secunda si septima. In general, acordul este cu atat mai consonant cu cit numerele care definesc raportul sunt mai mici. Trei sunete formeaza uu acord perfect, daca ultimele doua sunt separate de primul (sunet fundamental) printr-o terta si, respectiv, o cvinta. Avem acord perfect major, daca terta este majora (luīnd pentru primul sunet unitatea, rapoartele sunt: 1 5/4, 3/2) si acordul perfect minor (1,6/5, 3/2).
O alta notiune importanta este cea de scara muzicala, care desemneaza o secventa, de sunete separare prin intervale muzicale. Aceste secvente se reproduc prin serii de cīte sapte sunete, numite game. De exemplu, secventa de mai jos cu denumirile notelor cunoscute de toti, reprezinta gama do major:
note: do re mi fa sol la si do
interval fata de
prima nota a gamei 1 9/8 5/4 4/3 5/3 15/8
interval succesiv 9/8 10/9 16/15 9/8 10/9 9/8 16/15
Intervalele 9/8 si 10/9 se numesc ton major, respectiv, ton minor, iar semiton.
Se pot obtine aceste note lovind numai clapele albe ale pianului, pornind de la clapa do central (do4) spre dreapta. Prin conventie, notei la, imediat urmatoare lui do central (la4), īi corespunde frecventa de 440 Hz si; conform intervalelor indicate, se pot calcula si celelalte frecvente.
Scara muzicala avīnd succesiunea de tonuri si semitonuri de mai īnainte se numeste scara diatonica naturala si contine serii de game īn tonalitatea indicata de nota de la care se porneste (tonica gamei), īn exemplul dat, avem gama do major si, respectiv, relativa ei - la minor (daca apasam pe clapele albe, incepīnd de la nota la pīna ajungem din nou la nota la).
Semnul # (diez) implica ridicarea notei cu un semiton - in scara, temperara, echivalent cu īnmultirea intervalului cu 21/12, iar semnul Ь (bemol) implica coborārea cu un semiton. La pian. notele cu diez sau bemol corespund clapelor negre.
In scara temperata se poate construi usor orice gama avind ca tonica oricare dintre cele 12 note date mai sus. Intervalele succesive sunt: ton, ton, semiton, ton, ton, ton, semiton pentru gama majora (de exemplu, re major = re, mi, fa #, so,l la, si, do # , re) sau ton, semiton, ton, ton, ton, semiton, ton, ton pentru gama minora (de exemplu gama fa diez minor = fa #, sol# , la, si, do#, re, mi, fa diez).
In scara temperata toate intervalele (afara de octava) sunt usor diferite de cele din scarile diatonice. Aceasta īnseamna ca un instrument acordat īn scara temperata nu va suna deosebit de bine, dar va suna la fel de bine indiferent de tonalitatea īn care se va cānta, īn timp ce, daca ar fi acordat īntr-o anumita gama diatonica. naturala, va suna foarte bine daca compozitia cintata. este in acea tonalitate, dar foarte prost pentru orice alta tonalitate.
Reflexia sunetelor
Ajungānd la suprafata de separare dintre doua medii, unda sonora, ca orice unda elastica, este partial reflectata, o alta parte fiind transmisa īn cel de-al doilea mediu, In acest 'fel, intensitatea sunetelor reflectate este, de obicei, mai mica decīt a sunetului incident.
Un fenomen natural foarte cunoscut, consecinta a reflexiei sunetului, este
ecoul. Acesta consta īn faptul ca, producānd un sunet de durata scurta īn fata unui obstacol (perete, deal etc.) īn anumite conditii se aude si sunetul reflectat de obstacol. Pentru ca sunetul reflectat sa fie perceput distinct (ca ecou) el trebuie sa ajunga la ureche dupa ce a īncetat perceperea sunetului initial.
Senzatia auditiva produsa de sunetul initial persista īn ureche cel putin o zecime de secunda, astfel ca sunetul reflectat va fi perceput ca un ecou doar daca ajunge la ureche dupa un interval de cel putin 1/10 secunde fata de primul. Pentru un sunet foarte scurt, distanta pīna la obstacol trebuie sa fie de cel putin 17 m, deoarece sunetul - care are viteza īn aer de circa 340 m/s - va parcurge distanta de 34 m (sursa - obstacol si īnapoi) īn aproximativ o zecime de secunda. Pentru sunete articulate, distanta trebuie sa fie de cel putin dublul lui 17 m. Astfel, vorbind īn fata unui perete reflectator situat la 34 metri distanta, ecoul va repeta ultima silaba, din care cauza se numeste ecou monosilabic. Daca distanta este de 68 m sau 102 m, ecoul va diisilabic sau trisilabic, repetānd ultimele doua,' respectiv, trei silabe. In cazul a doi pereti situati fata īn fata se poate obtine fenomenul de ecou multiplu, produs de reflexia succesiva pe fiecare din cei doi pereti reflectatori. Se poate aminti aici castelul Simonetta de līnga Milano unde un cuvīnt pronuntat īntre cele doua aripi ale cladirii este repetat de 40 de ori. Fenomenul de ecou are o serie de aplicatii importante precum masurarea adāncimii marilor, descoperirea submarinelor cu imersiune sau a unor bancuri de peste. Adāncimea marii se determina, de exemplu, masurīnd timpul dupa care sunetul produs pe un vas la suprafata marii se reīntoarce sub forma de ecou īn urma reflexiei pe fundul marii.
In cazul īn care distanta la peretele reflectator este mai mica decīt distanta minima pentru producerea ecoului, sunetul reflectat va sosi īnainte de īncetarea senzatiei auditive a sunetului direct, producānd o prelungire si o īntarire acestuia. Fenomenul poarta numele de reverberatie. Daca sunetul reflectat este perceput aproape concomitent cu cel direct, fenomenul de reverberatie devine foarte util, deoarece produce o īntarire a senzatiei auditive, fara a produce si deformarea (distorsionarea) sunetului direct.
Fenomenul de reflexie a sunetului trebuie luat īn consideratie la constructia īncaperilor care cer conditii acustice speciale (sali de curs, de concert, de teatru etc.). Atīt fenomenul de ecou. cīt si cel de reverberatie trebuie atenuate sau chiar eliminate īn astfel de īncaperi. Acustica arhitecturala cauta sa īmbine cerinta eliminarii efectelor daunatoare ale ecoului si reverberatiei cu cea a folosirii efectului de īntarire fara distorsionarea sunetului. Pentru aceasta se folosesc mai multe solutii: draperii care absorb puternic sunetele, pereti cu tencuiala zgrunturoasa sau ornamentatii care, īn locul reflexiei nete, dau o difuzare a sunetului sau sala este astfel construita īncat sunetele reflectate sa nu se īntālneasca cu cele directe (arcade, pereti īnclinati etc).
Interferenta sunetelor
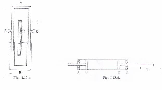
In cazul undelor sonore putem observa usor fenomenul de interferenta. Acesta se poate pune īn evidenta cu ajutorul aparatului imaginat de Quincke, compus din doua tuburi īn forma de U intrīnd unul īn altul si care pot culisa, astfel ca lungimea unuia din cele doua tuburi poate fi variata (fig. I.12.4) Vibratiile sonore produse īn pīlnia S ajung la observatorul O pe doua cai diferite, SAO si SBO, interferīnd īn acest punct. Daca cele doua tuburi au lungimi diferite, drumul d1 parcurs de sunet pe calea SAO este diferit de drumul d2 parcurs de sunet pe calea SBO. Daca diferenta de drum este egala cu un numar par de semiunde, |d2 d1| kl amplitudinea rezultanta este maxima, iar daca diferenta de drum este un numar impar de semiunde, |d2 d1| k l/2, amplitudinea rezultanta este minima. Aceasta īnseamna ca, īn primul caz, intensitatea sunetului auzit de observatorul O este maxima, iar īn al doilea caz minima. Miscmd deci; tubul B in sus si īn jos sunetul auzit de O va fi cīnd mai tare, cīnd mai slab.
Acest aparat poate fi folosit pentru determinarea lungimii de unda a sunetului emis de sursa S. Masurīnd cu ajutorul riglei R deplasarea x a tubului īntre doua pozitii succesive, pentru care sunetul rezultant are intensitatea maxima, lungimea de unda va fi l = 2x (īnmultim cu doi, deoarece diferenta de drum este dublul deplasarii tubului).
Prin interferenta dintre unda sonora directa si unda reflectata apar unde stationare. Acest fapt poate fi pus īn evidenta cu ajutorul tubului Kundt care permite si determinarea vitezei sunetului fie īn gazul cu care este umplut tubul, fie in solidul din care este .facuta vergeaua. Acest dispozitiv (figura I.12.5) este alcatuit dintr-un tub AB; la capat A se gaseste pistonul C care poate varia lungimea camerei īnchise CD, in interiorul careia se afla pulbere fina de pluta iar la capatul celalalt se gaseste o vergea metalica DE, prinsa la mijloc īn B si avīnd īn D un disc de diametru mai mic decīt diametrul interior al tubului. Prin frecarea vergelei īn lung se excita vibratii longitudinale, producīndu-se o unda stationara cu un nod īn locul īn care este fixata (B) si cu ventru la capete. Discul D īncepe astfel sa oscileze producīnd unde sonore care se propaga de la D la pistonul C unde se reflecta īntorcīndu-se īnapoi. Daca lungimea camerei CD a fost astfel aleasa īncīt sa cuprinda un numar īntreg de semiunde, prin interferenta undei directe cu cea reflectata ia nastere o unda stationara avīnd noduri la capete. Existenta nodurilor si ventrelor undei stationare este pusa īn evidenta de pulberea de pluta, care, fiind spulberata din ventre, se acumuleaza īn noduri.

Dispozitivul permite determinarea vitezei sunetului fie īn bara, fie īn gazul din tub. Lungimea l1 a vergelei este l l fiind lungimea de unda a sunetului īn vergea), adica l1 l /2 = v1T/2, unde v1 este viteza sunetului īn varga, iar T - perioada oscilatiilor (aceeasi in varga, ca si īn gazul din tub). Distanta dintre doua noduri consecutive este l2 este l l fiind lungimea de unda a sunetului īn gaz), adica l2 l /2 = v2T/2, unde v2 este viteza sunetului īn gaz. Facīnd raportul, obtinem l1/l2=l l v1/ v2. Deoarece 11 si pot fi masurate direct, cunoscīnd una dintre viteze, o putem calcula pe cealalta.
Surse sonore
Orice corp material care vibreaza poate servi ca sursa sonora, deoarece produce unde elastice īn. mediul īnconjurator. Ne vom opri, pe scurt, asupra meca-nismulai de producere a sunetelor de catre cīteva tipuri simple de surse sonore, īn care vibratiile sīnt produse pe cale mecanica. Din aceasta categorie fac parte coardele, tuburile sonore, vergile, diapazoanele, membranele si placile.
a) Coarde. Prin coarda īntelegem un fir perfect flexibil (care nu opune nici o rezistenta deformarilor perpendiculare pe lungimea sa) fixat la ambele capete. Cand excitam vibratii īn aceasta coarda (ciupire, lovire, frecare cu arcusul), perturbatia produsa īntr-un punct se propaga īn lungul coardei, ajungīnd la unul din capete este reflectata, propagīndu-se īn sens contrar, reflectīndu-se apoi la celalalt capat s.a.m.d. Prin interferenta ia nastere o unda stationara avīnd noduri īn locurile īn care este fixata coarda. Conditia pentru ca sa se formeze o unda stationara este ca doua unde care interfera (directa si reflectata) sa aiba aceeasi faza. Aceasta īnseamna ca īn lungimea l a coardei este cuprins un numar īntreg de semiunde l = nl/2, n [N*
Altfel spus, o coarda de lungime l nu produce decīt sunete avīnd lungimea de unda l=2l / n sau frecventa ٧ =vn/2l (fig I. 12. 7), unde v este viteza sunetului in coarda. Frecventa sunetului fundamenta va fi deci v1 = v/2L, iar armonicile superioare vor avea frecventele v2=v/l, v3=3v/2l etc. In figura I.12.6 sunt reprezentate cateva dintre undele stationare care se pot stabili intr-o coarda fixata la capete.
In general intensitatea sunetului fundamental este mult mai mare decit cea a armonicelor superioare. S-a constatat experimental ca intensitatea relativa a armonicelor in raport cu cea a sunetului fundamental creste cu cīt punctul de excitare se afla mai aproape de un capat al corzii. In plus. unele armonice superioare nu vor mai fi produse, functie de locul de ciupire al corzii si anume acele armonice pentru care unda stationara ar trebui sa aiba nod īn locul de ciupire. Acest lucru se poate īntelege daca tinem seama ca in punctul īn care este ciupita, coarda trebuie sa vibreze si deci īn acest punct nu se poate forma un nod. Astfel, daca ciupim coarda la mijloc, nu mai pot aparea armonicele pare corespunzatoare lui n = 3, 4, 6, 8... (īn particular nu se formeaza unda stationara n=2 din figura I.12.6b), daca, o ciupim la o treime de capat nu apar armonicele cu n = 3, 6, 9,
b) Tuburi sonore. Prin tub sonor īntelegem un tub cu pereti rigizi care produce sunete daca aerul din el este facut sa vibreze, īn figura I.12.7 si I.12.8 sīnt desenate tuburi sonore simple cu buza (sau cu pana). Acestea sunt compuse din doua parti: camera de compresiune A si tubul de rezonanta C. In camera A este suflat aerul printr-un mic tub, fiind apoi silit sa iasa printr-un orificiu stramt, unde loveste buza ascutita B, punīnd-o īn vibratie. Se produce astfel un sunet care poate fi auzit chiar daca lipseste tubul de rezonanta. Sunetul produs de buza este compus, rolul camerei de rezonanta fiind de a le īntari numai pe unele dintre acestea.

Pentru a intelege mai bine rolul tubului de rezonanta, sa consideram urmatoarea experienta. Doua tuburi A si B (figura I.12.0) smt unite prin tabul de cauciuc C, formand doua vase comunicante. Ridicīnd sau coborīnd tubul A, nivelul apei din tubul B coboara sau se ridica, astfel īncīt īnaltimea coloanei de aer din acest tub variaza. Facand sa vibreze un diapazon deasupra tubului B, vom constata ca, pentru anumite īnaltimi ale coloanei de aer sunetul diapazonului va fi īntarit. Aceasta īntarire arc loc deoarece unda sonora se reflecta īn extremitatea cealalta a tubului (pe suprafata apei) suprapunīndu-se peste sunetul direct si da nastere unei unde stationare. Daca ajunge īn faza cu cea de a doua unda produsa de diapazon, ele se vor īntari, īn tub aparīnd unde stationare induse de rezonanta. Deoarece reflexia se face pe un mediu mai dens ca aerul (si anume apa), pe suprafata de reflexie trebuie sa avem un nod al undei stationare si, cum īn capatul celalalt unde se produce excitarea vibratiilor trebuie sa avem un ventru, rezulta ca fenomenul de rezonanta se va produce pentru cazurile īn care īnaltimea coloanei de aer este egala cu un numar impar de l/4. Daca īnaltimea coloanei de aer este fixa si īnlocuim diapazonul cu o sursa de sunete compuse, rezonanta se va produce numai pentru acele sunete pentru care este satisfacuta conditia de rezonanta, īn cazul tuburilor sonore, rolul sursei de sunete este jucat de buza vibratoare.
O situatie asemanatoare apare īn cazul unui tub (a carui lungime poate fi variata) liber la ambele capete (deschis). Numai ca, īn acest caz, reflexia facīndu-se pe aerul liber, care poate fi considerat ca un mediu mai putin dens, la ambele capete trebuie sa avem ventru si deci conditia de rezonanta este ca lungimea tubului sa fio egala cu un numar īntreg de l
Din discutia anterioara (cum de altfel s-a si dovedit experimental) rezulta ca frecventa sunetului produs de vibratia aerului dintr-un tub sonor depinde numai de lungimea acestuia. Ea nu va depinde de forma axei tubului, de diametrul tubului sau de materialul din care sunt confectionati peretii (cel putin daca sīnt suficient de grosi pentru a nu fi deformati de vibratiile aerului).
Din punct de vedere al formarji undelor stationare, un tub sonor deschis (fig, I.12.7) se comporta ca un tub liber la ambele capete. Trebuie deci sa avem ventre atīt la capatul īn care avem buza vibratoare si orificiul, cīt si la celalalt capat, unde sunetul se reflecta pe aerul liber. Vor fi īntarite sunetele pentru care lungimea l a tubului cuprinde un numar īntreg de serniunde : l= nl cu n=1,2, Un tub sonor deschis va emite deci sunete de frecventa ٧ = vn/2l, n [N, unde v este viteza sunetului īn aer. Inaltimea sunetului fundamental este ٧ 1 v/2l, iar armonicele superioare vor fi ٧ 2 = v/l, ٧ 3 = 3v/2l etc.
Intr-un tub sonor īnchis (figura I.12.8), reflexia se face pe un mediu mai dens (peretele din capatul de sus al tubului) unde trebuie sa fie un nod, iar in capatul īn care se gaseste buza C sa fie din nou un ventru Acesta se comporta deci ca un tub īnchis la un capat si deschis la celalalt. Vor fi deci īntarite sunetele pentru care l = (2n+1) l/4, n [N, astfel incat un tub sonor inchis va emite deci sunete de frecventa ٧ = (2n+1)v/4l. Se observa ca sunetul fundamental ٧ 0 = v/4l, emis de un tub īnchis are īnaltimea egala cu jumatate din cea data de un; tub deschis, de aceeasi lungime. Mai facem o ultima, observatie: la capetele tubului apar anumite perturbatii care fac ca frecventa sunetului fundamental sa fie mai mica decīt cea data de formulele anterioare. Noi am admis ca. la capului tubului īn care se gaseste buza apare un ventru, īn timp ce - īn realitate - deoarece tubul nu este, de fapt, deschis complet (la acest capat vibratia aerului fiind partial stānjenita), distanta pīna la primul nod este mai mica de l/4. O situatie asemanatoare avem īn cazul tubului deschis si la celalalt capat, produsa de faptul ca reflexia nu se face chiar pe planul, care trece prin marginile tubului, ci ceva rnai departe, īn mediul exterior, īn acest fel, apare o marire aparenta Δl a lungimii geometrice a tubului. Pentru un tub deschis, cu o sectiune circulara de diametru d, Helm-holtz a aratat ca putem lua Δl = 0,41 d
Caracterul vibratiilor care apar īn vergi, diapazoane, membrane sau placi este, īn general, mai complex, ceea ce complica mult calculele. De aceea, sursele sonore de acest tip nu vor mai fi descrise.
Ultrasunetele
Dintre vibratiile sonore care ies din limitele de audibilitate ale urechii omenesti, de un mare interes, din punct de vedere practic, sunt ultrasunetele, adica sunetele a caror frecventa este mai mare de 20 000 Hz.
Inainte de a discuta mai īn amanuntime proprietatile ultrasunetelor, amintim cititorului un fenomen cunoscut din natura : orientarea liliecilor se bazeaza pe faptul ca acestia emit semnale ultrasonore de scurta durata, de frecvente īntre 30 si 60 kHz. Liliacul īn zbor emite, īn medie, circa 30 semnale pe secunda. O parte dintre acestea sunt receptionate de urechile mari ale liliacului sub forma de semnale ecou, dupa un timp cu atīt mai scurt cu cat obstacolul este mai aproape. Pe masura apropierii de obstacol, liliacul emite din ce in ce mai multe semnale īntr-o secunda, ajungīnd ca, de exemplu, Ia un metru de obstacol sa emita pīna la 60 semnale pe secunda. Aceasta permite liliacului sa simta precis pozitia sa faa de obstacole.
Importanta practica a ultrasunetelor este legata de lungimea de unda mica a acestora. Din aceasta cauza, de exemplu, ultrasunetele pot fi emise si se propaga ca si razele de lumina sub forma de fascicule, spre deosebire de sunetele obisnuite care se īmprastie īn toate directiile. Astfel, se constata experimental ca, daca lungimea undei emise este mai mica decīt dimensiunile liniare ale sursei, unda se va propaga īn linie dreapta sub forma de fascicul. In afara de aceasta, datorita lungimii de unda mici, fenomenul de difractie (ocolirea obstacolelor) nu apare decīt pentru obstacole de dimensiuni foarte mici, īn timp ce sunetele obisnuite ocolesc, practic, aproape orice obstacol intalnit in cale.
Ultrasunetele sufera reflexia si refractia la suprafata de separare a doua medii diferite, la fel ca undele luminoase. Folosind acest fenomen, au fost construite oglinzi concave sau lentile speciale care sa concentreze intr-un punct fascicule de ultasunete.
Deoarece intensitatea udelor sonore este proportionala cu patratul frecventei, energia transportata de ultrasunete este mult mai mare decat energia sunetelor de aceeasi amplitudine.Pe de alta parte, īn cazul ultrasunetelor, fenomenul de absorbtie care apare la propagarea tuturor oscilatiilor elastice devine foarte important. In paragraful de mai sus am aratat ca intensitatea undei elastice scade cu distanta de la sursa dupa o lege exponentiala I=I0e-k fara a preciza complet de cine depinde coeficientul de absorbtie k. Se poate arata atat teoretic, cat si experimental ca aceasta depinde atat de caracteristicile mediului (densitate, viscozitate, caldura specifica etc.), cit si de frecventa undei care se propaga, crescand cu patratul frecventei. Din aceasta cauza, practic, nu putem obtine propagarea ultrasunetelor, de exemplu, īn aer, la o distanta mai,mare de 1 km. Mai mult, un ultrasunet de o frecventa de circa 3 MHz este practic complet absorbit, la o distanta de aproximativ 0,6 cm īn lichide, coeficientul de absorbtie este cu 2 -3 ordine de marime mai mic decat in aer, iar in solide si mai. mic, intensitatea ultrasunetelor fiind mult mai putin atenuata.
Un fenomen interesant, care apare la propagarea ultrasunetelor in lichide, este fenomenul de cavitatie, care consta īn aparitia unor bule care se ridica la suprafata si se sparg. Aceasta se explica prin faptul ca dilatarile si comprimarile extrem de rapide, care se succed in lichid, duc la aparitia unor mari tensiuni in anumite zone, care fac sa se ,,rupa: moleculele de lichid. Astfel, iau nastere bulele care contin vaporii si gazele dizolvate in lichid. Bulele mici se contopesc in bule mai mari, care īncep sa vibreze si apoi se sparg dānd nastere unor presiuni locale foarte mari, care se manifesta, sub forma de socuri hidraulice īn volume foarte mici. Deteriorarea paletelor turbinelor si a elicelor vapoarelor se explica prin fenomenul de cavitatte produs de ultrasunetele generate de vibratiile masinilor.
Inainte de a discuta cateva dintre aplicatiile practice ale ultrasunetelor, sa vedem cum pot fi ele produse. Vom trece peste procedeele mecanice (de exemplu fluier ultrasonor sau sirena ultrasonora) si termice (de exemplu, cu ajutorul vibratiilor unui arc electric se pot produce ultrasunete), cazuri īn care ultrasunetele au, in genere, amplitudini mici si sunt mai putin importante practic. Sa analizam acum putin generatorul piezoelectric. Efectul piezoelectric se manifesta prin aparitia pe fetele cristalelor supuse la deformari (de tractiune sau comprimare) dupa anumite directii - unor sarcini electrice egale si de- semne contrare. Sarcinile īsi schimba, semnul dupa cum īnlocuim, de exemplu, tractiunea cu comprimarea. Exista si efectul piezoelectric invers sau electrostrictiunea, pe care se bazeaza producerea ultrasunetelor, care consta īn aparitia dilatarilor si comprimarilor succesive ale cristalului sub actiunea anui cīmp electric alternativ.
Partea esentiala a generatorului consta dintr-o lama piezoelectrica (deobicei. de cuart) pe fetele careia sint aplicate doi electrozi, sub forma unor straturi subtiri metalice, legati la o sursa de tensiune alternativa. Sub actiunea campului electric alternativ, lama īncepe sa vibreze cu o frecventa egala cu cea a tensiunii aplicate. Vibratiile lamei sunt transmise in mediul inconjurator sub forma de ultrasunete. Cu astfel de generatori se poate ajunge pana la frecvente de circa- 150 000 kHz si la intensitati ale radiatiei ultrasonore de la cīteva zeci de wati pe cm2 pīna la cateva sute de wati pe cm2.
Se pot produce ultrasunete si cu ajutorul efectului magnetostrictiv, care consta īn deformarea corpurilor feromagnetice (fier, nichel, cobalt) sub actiunea unui camp magnetic. Introducīnd o bara dintr-un astfel de material (Ni) intr-un cīmp magnetic, cu liniile cīmpului orientate īn lungul barei (de exemplu, o bobina in care este introdusa bara), aceasta se scurteaza. Cand campul magnetic variaza periodic (curentul care strabate bobina este alternativ) bara se va scurta periodic. In cazul unor frecvente mari ale campului alternativ, vibratiile capetelor barei dau nastere la unde ultrasonore. Pentru a obtine amplitudini mari, se aleg dimensiunile barei astfel incit sa avem rezonanta intre vibratiile elastice proprii si frecventa curentului alternativ excitator. Generatorul magnetostrictiv este avantajos pentru producerea ultrasunetelor de frecventa joasa (de la 20 - 60 kHz) si energii considerabile.
Datorita frecventei mari si a energiei mari pe care o transporta, ultraasunetele produc o serie de efecte fizico-chimice dintre care mentionam): distrugerea starilor de echililibru labil, īncalzirea mediuluipe care īl strabat, formarea de sisteme disperse (suspensii si emulsii), coagulari, influentarea potentialelor electro-chimice cu consecinte īn anihilarea pasivitatii unor metale, voalarea placilor fotografice, cresterea vitezei unor reactii chimice, explozia substantelor putin stabile (de exemplu, iodura de azot) etc. Aceasta varietate de efecte permite utilizarea ultrasunetelor intr-o multime de aplicatii practice.
Ultrasunetele produc īncalzirea si redistribuirea substantei din celulele vii fapt folosit īn terapeutica (īncalzirea anumitor tesuturi si masaje adanci), precum si la conservarea alimentelor (ultrasunetele de frecventa si intensitate adecvata distrug microorganismele).
O alta aplicatie a ultrasunetelor este legata de masurarea adancimii marilor. In esenta, procedeul este acelasi ca si īn cazul folosirii sunetelor obisnuite, prezentīnd īnsa avantajul fasciculelor dirijate. De asemenea, se pot produce semnale foarte scurte, ceea ce mareste precizia masurarii intervalului de timp dintre producerea sunetului direct si īnregistrarea celui reflectat.
Ultrasunetele se folosesc īn diferite procese tehnologice, spalarea, curatarea, uscarea sau sudarea unor corpuri si, de asemenea, pentru prelucrarea unor piese. In principiu, prelucrarea cu ajutorul ultrasunetelor consta in urmatoarele : se introduce piesa (sau portiunea, de piesa.) care trebuie prelucrata intr-un lichid, īn care se gasesc īn suspensie particule de praf abraziv dur. Sub actiunea unei surse de ultrasunete īn lichid apare fenomenul de cavitatie. Datorita socurilor hidraulice, particulele de abraziv sunt lovite cu putere de suprafata piesei, smulgand aschii din aceasta. Pe acest principiu se bazeaza construirea unor masini-unelte care taie filete si dinti, rectifica piese complicate, taie si gauresc placi etc.
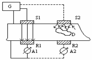
Dintre numeroasele aplicatii ale ultrasunetelor nu vom mai mentiona decat defectoscopia ultrasonora. Controlul ultrasonor permite stabilirea existentei unor defecte (fisuri, goluri) in interiorul unor piese metalice masive. Principalele tipuri de defectoscoape ultrasonore utilizeaza transmisia sau reflexia ultrasunetelor. In defectoscopul prin transmisie, emitatorul si receptorul de ultrasunete sunt situate de o parte si de alta a piesei de cercetat- (figura I.12.10).

Daca intre emitator si receptor nu exista, nici un defect (de exemplu īntre sursa S1 si receptorul R1), semnalul ultrasonor transmis va trece neatenuat, producand o anumita deviatie a acului aparatului de īnregistrare (A1). In cazul īn care intalneste un gol (D), o parte a semnalului ultrasonor este reflectat pe suprafata de separare dintre metal si aerul din golul respectiv si semnalul este mult mai atenuat, ceea ce se va observa la aparatul indicator (A2). Dispozitivul folosit practic are o singura pereche emititor-receptor care este plimbata in lungul piesei de cercetat. Aceasta metoda are doua inconveniente: īn primul rand, ultrasunetele propagīndu-se prin piesa se reflecta pe fetele opuse ale acesteia, īngreunand observarea defectelor; īn al doilea rīnd, acest procedeu nu permite stabilirea adīncimii la care se gasesc defectele.
Aceste inconveniente sunt, īn buna masura, eliminate de defectoscoapele prin reflexie (sau īn impulsuri). La acestea, emitatorul si receptorul sunt situate de aceeasi parte a piesei, unul langa altul (figura I.12.11a). Ultrasunetele se propaga prin piesa, ajung la fata opusa unde sunt reflectate si apoi revin la receptor.


fig. I.12.11 a) b)
Daca in piesa, exista un defect, semnalul ultrasaonor se va reflecta pe acesta si va ajunge mai devreme la receptor decat cel reflectat de fata opusa. Emitatorul genereaza impulsuri scurte la intervale lungi, constante, care - īmpreuna cu semnalul reflectat - sunt marcate pe ecranul unui oscilograf, in figura I.12.11 b, prin 1 si 3 am indicat locurile īn care spotul luminos are devieri bruste, care marcheaza momentele in care a fost emis semnalul ultrasonor si, respectiv, īn care a fost receptat semnalul reflectat de fata opusa. Prin 2 am indicat locul īa care este indicata primirea unui semnal reflectat de un defect. Pozitia relativa a acestuia in raport cu 1 si 3 ne permite sa determinam adancimea la care se gaseste defectul.
|