|
PROBLEME |
BALEIAJUL PE ORIZONTALĂ
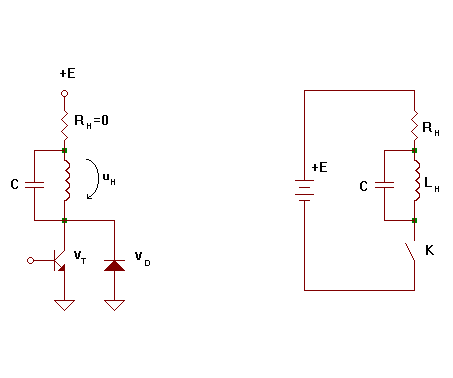
Problema 1. Pentru schema electronica simplificata a etajului final din baleiajul orizontal, prezentata n figura, se cunosc: energia necesara deflexiei WmH = 1.81 mJ, inductanta bobinelor de deflexie LH = 3mH si durata cursei inverse tIH = 10,88µs. Neglijând rezistenta de pierderi din circuit, sa se determine:
a) amplitudinea v rf la v rf a curentului de deflexie;
b) tensiunea sursei de alimentare a circuitului;
c) valoarea condensatorului de ntoarcere CI
d) valoarea maxima a tensiunii care apare ntre colectorul si emitorul tranzistorului, pe timpul cursei de ntoarcere a baleiajului.

Rezolvare
a) 
b) ![]()
c) ![]()
d) 
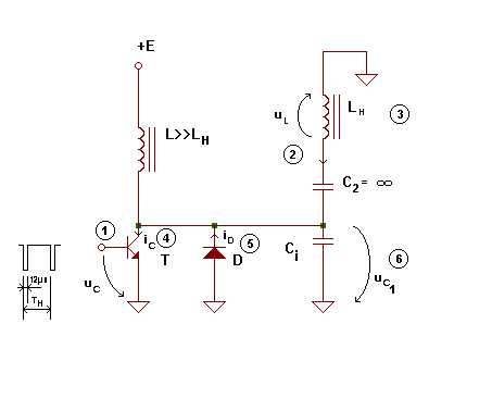
Problema 2. Pentru schema din figura, se presupun cunoscute: LH =1,5mH, durata cursei inverse tIH = 9µs si se neglijeaza efectul rezistentei bobinei. Daca este necesar un curent de deflexie IVV = 200mA, sa se determine:
a) energia necesara deflexiei;
b) tensiunea sursei de alimentare a circuitului;
c) valoarea condensatorului CI
d) valoarea maxima a tensiunii care apare ntre colectorul si emitorul tranzistorului, pe timpul cursei de ntoarcere a baleiajului;
e) cum se modifica imaginea redata pe monitor daca valoarea tensiunii de alimentare E scade cu 50 % ?
![]()

Rezolvare:
a) ![]()
b) ![]()
c) ![]()
d) ![]()
e) Daca tensiunea de alimentare E scade cu 50%, aceasta implica scaderea curentului la jumatate, rezult nd scaderea energiei de deflexie cu 50% si implicit micsorarea imaginii.
|