CIRCUITE ANALOGICE
CU IEsIRE DIGITALĂ
Caracteristici ale dispozitivelor semiconductoare utilizate în schemele de comutare
Elementul semiconductor îndeplineste functia de comutator (mai exact de întrerupator) în conditiile când are rolul de a bloca curentul electric sau de a permite accesul acestuia catre alte circuite.
Pentru a îndeplini
aceasta functie se impune ca elementul semiconductor sa fie în
una din starile comutator deschis
blocat (caracterizat
prin valoarea infinita a rezistentei) sau comutator închis (caracterizat printr-o rezistenta
de valoare zero). Fiind elemente reale de circuit proprietatile
ideale de mai sus vor fi îndeplinite într-o masura mai mare sau mai
mica. vor fi caracterizate prin:
- ron, roff;
- curentii si tensiunile reziduale în starea ON/OFF;
- variatia cu temperatura a elementelor de mai sus.
Elementele semiconductoare, pentru a îndeplini functia de comutator, trebuie sa lucreze în una din starile blocat (comutator "off") sau saturat (comutator "on").
Comutatorul blocat, aflat în starea "off" este caracterizat prin
valoarea rezistentei interne roff;
valoarea curentului rezidual;
variatia cu temperatura a marimilor de mai sus.
Comutatorul saturat, aflat în starea "on" este caracterizat prin
valoarea rezistentei interne ton;
valoarea tensiunii reziduale;
variatia cu temperatura a marimilor de mai sus.
Dioda semiconductoare
În figura 11.1,b este prezentat simbolul si în 11.1,a caracteristica statica a diodei semiconductoare.

a) b)
Fig. 11.1.
Conform caracteristicii statice daca VAK > VF curentul prin dispozitiv IA este aproximativ proportional cu valoarea tensiunii aplicate, ceea ce înseamna ca dispozitivul poate fi înlocuit cu o rezistenta
, ca în figura 11.2,
unde VF este tensiunea
reziduala.
Fig. 11.2.

Pentru tensiuni negative VAK < 0 curentul rezidual IR are valori mici si rezistenta interna ROFF va avea valori mari, obtinându-se cealalta ramura, ca în figura 11.2.
Principalele caracteristici ale diodei semiconductoare pe post de comutator sunt:
In conductie (ON) RON
= 10 - 500
VF = 0,2 - 0,7V pentru Si (0,65V);
In blocare (OFF) ROFF= zeci de M
IR = 1nA - 1
A
Toate elementele depind de temperatura, spre exemplu IR se dubleaza la
fiecare crestere a temperaturii cu 10
iar VF
scade cu
.
Caracteristicile diodelor semiconductoare pentru acelasi tip de dioda au o imprecizie de 20% fata de valoarea de catalog, ceea ce constituie un dezavantaj la împerechere sau la înlocuire.
Tranzistorul bipolar
Tranzistorul bipolar functioneaza prin transferul de purtatori minoritari în zona bazei, purtatori provenind din zona emitorului în cazul în care tranzistorul functioneaza în regiunea activa directa. Jonctiune emitor - baza este polarizata direct iar jonctiunea colector - baza este polarizata invers.
În figura 11.3,b sunt prezentate polaritatea tensiunilor pentru functionarea tranzistorului de tipul NPN în regiunea activa directa.

Pentru a îndeplini functia de comutator tranzistorul bipolar trebuie sa se gaseasca în una din starile blocat (circulatia curentului este oprita) sau saturat când curentul se poate închide între emitor si colector. În figura 11.3,a sunt prezentate caracteristicile de iesire pentru tensiuni mici si în
11.3, b simbolul tranzistorului de tipul N 222k1017c PN.
Conform caracteristicilor statice de iesire din figura 11.3,a în regim de saturatie tranzistorul poate fi modelat prin intermediul unei rezistente (caracteristicile sunt liniare) rCS si o sursa de tensiune VCesat = ES (reziduala) de valoare mica. Schema echivalenta corespunzatore tranzistorului saturat este prezentata în figura 11.4 ramura notata ON.

Fig. 11.4.
Tensiunea reziduala poate fi exprimata în functie de factorul de amplificare static în curent β în conexiunea emitor comun si de tensiunea termica
.
Prin intermediul factorului
static de amplificare β tensiunea reziduala va depinde de regiunea de
functionare a tranzistorului. Deoarece factorul de amplificare static este
mai mic pentru functionarea tranzistorului în regiunea activa
inversata se obtin tensiuni reziduale din domeniul
pentru functionarea în regiunea activa
inversata si tensiuni reziduale din domeniul
pentru
functionarea în regiunea activa directa.
Valoarea caderii de tensiune când tranzistorul este saturat depinde si de curentul injectat în baza
.
Tensiunea reziduala depinde direct de temperatura prin intermediul tensiunii termice.
Daca tranzistorul bipolar este blocat ramâne curentul rezidual
IR
= ICE care se dubleaza la
fiecare 10oC. Curentul IR depinde si de zona de
functionare a tranzistorului pentru ca
, iar β este
diferit pentru regiunea activa directa si regiunea activa
inversata.
Ordinul de marime al curentului rezidual este
~
A. Rezistenta tranzistorului blocat roff
~ M
. (
în functie de RAD sau RAI).
Tranzistorul cu efect de câmp
Tranzistorul cu efect de câmp prezinta avantajul fata de tranzistorul bipolar ca îsi modifica starea prin modificarea valorii unei tensiuni (tensiunea VGS).
În figura 11.5,a este prezentat simbolul si în 11.5,b schema echivalenta a tranzistorului cu efect de câmp.

În regim de saturatie rezistenta ron =
iar în regim de
blocare rezistenta este roff
= 100 - 500 MΩ. Atât tensiunea
reziduala ER cât
si curentul rezidual IR
sunt neglijabile.
11.1. Comutatoare analogice
Comutatorul electronic este un circuit care sub actiunea unei comenzi de natura electrica transfera curentul dintr-o ramura de circuit în alta.
Întrerupatorul îndeplineste functia de a permite sau de a bloca accesul unei surse (de tensiune sau curent) la bornele unei sarcini.
Se obisnuieste sa se foloseasca termenul generic de comutator si pentru întrerupator.Comutatorul de tensiune în starea deschis lasa în gol sursa, iar comutatorul de curent scurcircuiteaza bornele sursei (de curent).Orice comutator poate sa lase bornele sarcinii în gol (fig. 11.6,a si 11.6,b) În figura 11.6 sunt prezentate doua comutatoare care lasa în gol sarcina de tipul (a) serie si de tipul (b) paralel - serie.

Orice comutator poate sa puna bornele sarcinii în scurcircuit .
În figura 11.7 sunt prezentate doua comutatoare care pun bornele sarcinii în scurcircuit de tipul (a) serie - paralel si de tipul (b) paralel .

Dispozitivele electronice cu ajutorul carora se realizeaza comutarea sunt diode semiconductoare, tranzistori bipolari sau tranzistori cu efect de câmp.
Un exemplu de comutator paralel-serie cu diode este prezentat în figura 11.8.
În conditiile unei surse de
comutare Vc >VD1 + RL
ICC, dioda D2 va fi blocata (VAK2
0) si curentul ICC se închide
prin D1 si RL (comutator
închis).
Daca VC
0 dioda D2 se deschide si scurcircuiteaza atât
sursa de alimentare ICC
cât si sarcina RL.
Curentul prin sarcina nu se anuleaza daca sarcina este reactiv inductiva, continuând sa
circule prin D1 pâna la epuizarea energiei înmagazinate în câmpul magnetic
al inductivitatii sarcinii(în figura 11.8 se înlocuieste RL cu RL în serie cu o inductivitate ).

D1 I2
D2
ICC RL VL
Vc
Fig. 11.8.
Se utilizeaza variantele serie sau paralel ale comutatoarelor numai în cazul comutatoarelor fara pretentii, având avantajul ca nu necesita decât un element de comutare în serie sau în paralel cu sarcina. Spre exemplu, comutatorul serie din figura 11.9 este realizat cu un singur tranzistor TEC cu care canal de tipul N.
Daca tensiunea de comanda Vc este mai negativa decât tensiunea de prag a tranzistorului acesta se blocheaza si izoleaza sarcina de sursa VCC . Rezistenta în serie cu sarcina la blocarea tranzistorului are valori foarte mari roff = 100 - 500 MΩ.

Comutatorul are
dezavantajul unei rezistente în starea închis de valoare relativ mare, ron =
, ceea ce
determina o cadere de tensiune mare pe comutator. Daca sarcina o
rezistenta de valoare mica nu se recomanda a fi utilizat
acest tip de comutator pentru ca, în starea închis caderea de
tensiune pe comutator va fi mare în raport cu tensiunea care mai ajunge pe
sarcina RL.
Un comutator serie-paralel, realizat cu tranzistori bipolari este prezentat în figura 11.10.

Fig. 11.10.
Tranzistorii T1 si T2 lucreaza alternativ în starile (T1 - saturat si T2 - blocat )- starea 1 si (T1 - blocat si T2 - saturat) - starea 2.
Tensiunea pe sarcina VL ,când comutatorul este în starea 1, are valoarea maxima
![]()
pentru ca tensiunea de saturatie a
tranzistorului T1 are o valoare mica (pentru tranzistori
bipolari tensiunea reziduala este de
).
Pentru ca T1 sa fie saturat, adica comutatorul sa fie în starea 1, este necesar ca tensiunea de comanda sa aiba o valoare suficient de mare
.
În relatia de mai sus s-a considerat curentul de baza mic si tensiunea de baza necesara saturatiei tranzistorului s-a luat la valoarea maxima (0,7 V).
Tranzistorul T2 este blocat pentru ca pe baza se aplica o tensiune pozitiva
![]()
Blocarea curentului prin sarcina se face aplicând o tensiune de comanda care sa determine blocarea tranzistorului T1 si saturarea tranzistorului T2 cu VC < 0.
Pentru a obtine performante bune ale comutatoarelor serie sau paralel se introduc în schema comutatorului elementare suplimentare. Spre exemplu rezistenta comutatorului serie realizat cu tranzistor cu efect de câmp FET poate fi scazuta prin introducerea între sarcina si tranzistor a unui amplificator operational AO cu reactie negativa puternica ca în figura 11.11.

Fig. 11.11.
Pentru o tensiune de comanda apropiata de potentialul masei
Vc
0 , tranzistorul T1 este în
conductie si tensiunea pe sarcina are valoarea data de
relatia
,
pentru ca rezistenta ron
=
este rezistenta
drena - sursa a tranzistorului cu efect de câmp în regim de
saturatie.
Pentru tensiuni de comanda Vc negative mai mari în valoare
absoluta ca tensiunea de taiere Vp
a tranzistorului , acesta este blocat si tensiunea pe sarcina este VL
0.
Calitatile comutatorului sunt determinate în principal de dispozitivele electronice din schema electronica.
Pentru aplicatii speciale
s-au realizat tranzistori cu efect în câmp (la un pret de cost mare), care
realizeaza valori mici ale rezistentei în conductie (spre
exemplu CMX-740 de tipul TEC-J cu ron
= 2,5
fata de valorile
uzuale care sunt de sute de
) si valori foarte mari ale rezistentei în blocare (roff >1010
).
Din punct de vedere al schemei electronice, în cazul utilizarii TEC, comutatoarele prezinta, în functie de schema utilizata, urmatoarele performante:
- cu tranzistor în paralel ron =500
, K=108
- un tranzistor serie ron =500
, K=108
- un tranzistor serie-paralel ron =100
, K=109
unde K este raportul între rezistenta în blocare si rezistenta în conductie a comutatorului.
11.2. Multiplexoare si demultiplexoare analogice
Multiplexorul are mai multe intrari la care se cupleaza diferite semnale si o singura iesire. Prin intermediul unei adrese numerice, de selectie, una din intrari este cuplata la iesirea circuitului.
Demultiplexorul are o singura intrare si mai multe iesiri. Se cupleaza intrarea la una din iesiri. Intrarea care se cupleaza la iesire este specificata prin intermediul unei adrese numerice.
Circuitele integrate uzuale îndeplinesc atât functia de multiplexor cât si pe cea de demultiplexor pentru ca nu este impus sensul curentului, aceste poate circula de la pinul de intrare catre pinul iesire sau invers.
Semnalele de intrare sunt cu variatie continua într-un domeniu impus - pentru un tip de circuit este un domeniu iar pentru alt tip alt domeniu.

Fig. 11.12.
Adresa se formeaza dintr-un numar de biti care este o functie de numarul intrarilor în cazul multiplexorului (de numarul iesirilor în cazul demultiplexorului), fiind formata dintr-un numar suficient de biti prin intermediul carora sa poata fi selectata oricare intrare . Cu
n - biti de adresa pot fi selectate
linii de intrare.
Un bit reprezinta o data binara care poate lua valorile zero sau unu logic. Reprezentarea datelor binare se face prin intermediul nivelelor de tensiune. În cazul în care se utilizeaza tensiuni de alimentare a circuitului de 5 V, circuitul considera ca la intrare s-a aplicat
unu
logic daca tensiunea este în domeniul
,
zero
logic daca tensiunea este în domeniul
,
ca în figura 11.12.
Fiecarui bit îi este corespunde fizic o linie prin care se aplica tensiunea de intrare.
Datorita încarcarii
circuitelor tensiunea de la iesirile logice ale acestora poate
scadea. Daca tensiunea furnizata pe o iesire logica se
afla în domeniul
numit domeniu de
incertitudine respectiva tensiune va fi interpretata aleator drept unu
logic sau drept zero logic, situatie nerecomandata, care conduce la
rezultate imprevizibile.
Producatorul circuitelor integrate garanteaza, în conditii normale de exploatare, valorile
V0Lmax - valoarea maxima a tensiunii pe o iesire când iesirea se afla în starea zero logic - spre exemplu în cazul circuitelor integrate de tipul C-MOS aceasta valoare este 5% VDD (5% din valoarea tensiunii de alimentare a circuitului integrat);
V0Hmin - valoarea minima a tensiunii pe o iesire când iesirea se afla în starea unu logic - spre exemplu în cazul circuitelor integrate de tipul C-MOS aceasta valoare este 95% VDD .
Poarta de transmisie este elementul de baza al oricarui multiplexor sau demultiplexor, îndeplinind functia de a transfera semnalul de la intrarea IN a circuitului la iesirea OUT a acestuia, cât timp este activ semnalul logic de comanda, notat cu A în figura 11.13.

Fig. 11.13.
Poarta de transmisie este un comutator care conecteaza borna IN la borna OUT cât timp semnalul de comanda A este în starea unu logic si întrerupe legatura în timpul când semnalul de comanda A este în starea zero logic. De notat ca rezistenta în conductie a comutatorului este mica (nu este zero) si rezistenta în blocare este mare dar nu infinita (cum ar fi pentru un comutator ideal).
Multiplexorul cu 16 intrari I1,...,I16 ,din figura 11.14, are 4 linii de adresa A1,..., A4 iar iesirea este notata cu OUT. Punctul comun intrarilor si iesirii este notat cu "C". Se remarca sursa de alimentare a circuitului VDD cu punctul de masa VSS .
Adresa este formata din mai multe linii la fiecare linie fiindu-i asociaza o pondere, prin care se introduc valori de tensiune semnificând semnale numerice.
Se întelege prin semnal numeric, un semnal care poate fi interpretat de circuit ca 0 - logic sau 1 - logic. Circuitul poate avea o borna de autorizare, notata cu EN în figura 11.12, care în prezenta semnalului 0 - logic blocheaza iesirea în sensul ca nu se cupleaza nici o intrare la iesirea circuitului.
Uneori semnalul este denumit INH (inhibit) fiind activ pentru 1 - logic (pentru aceasta valoare circuitul este blocat).
Fig. 11.14.

Multiplexorul / demultiplexorul diferential este un circuit pentru care semnalele de intrare nu au un singur punct COMMON. Fiecare semnal de intrare are la dispozitie 2 pini Vin+, Vin- care se vor cupla la iesirea diferentiata Vout+, Vout- .
Principalele caracteristici electrice ale circuitelor multiplexor / demultiplexor sunt:
VDdmin, VDdmax - tensiune minima si tensiunea maxima de alimentare a circuitului;
IDmax - curentul maxim absorbit de la sursa de alimentare;
Pdmax . puterea maxima ce poate fi disipata de capsula;
Ron - rezistenta între un pin de intrare si pinul de iesire când intrarea este selectata;
Roff - rezistenta între un pin de intrare si pinul de iesire când intrarea este nu este selectata;
Cin - capacitatea de intrare, dintre o intrare si punctul comun;
Ipin - curentul absorbit de o intrare când nu este selectata - aceasta marime înlocuieste uneori rezistenta Roff;
Iimax - valoarea maxima a curentului ce poate fi suportat de o intrare selectata;
Tpin, Tpout - timpul de propagare, este de fapt timpul în care o intrare este comutata la iesire si respectiv este întrerupta legatura cu iesirea;
TINH, TEN - timpul în care se blocheaza circuitul dupa ce primeste o comanda de INHIBIT respectiv o comanda de ENABLE;
Fmax - frecventa maxima de comutare a intrarilor;
Vimin, Vimax - domeniul tensiunilor ce pot fi aplicate la intrare;
VLmax - valoarea maxima a tensiunii aplicata pe un pin de adresa ce mai este interpretata înca drept zero logic ;
VHmin - valoarea minima a tensiunii aplicata pe un pin de adresa ce mai este interpretata înca drept unu logic .
Circuitul integrat MMC 4051
Circuitul integrat MMC 4051 este un multiplexor /demultiplexor analogic cu 8 canale de intrare si o iesire.
INH C B A OUT x x x NC
Selectia canalului se face cu 3 linii de adresare notate A,B,C (cel mai semnificativ bit este C). Contine o linie de inhibare INH care nu permite transferul de la intrare la iesire daca se afla în starea H (este conectata la unu logic).
În tabela de mai jos sunt prezentate canalele care se cupleaza la iesirea OUT în functie de starea adresei si de starea intrarii INH. Când pe intrarea INHIBIT este prezent 1-logic toate canalele sunt blocate.
Ultimul rând semnifica faptul ca indiferent de adresa nici un canal nu este conectat NC la iesire.
Principalii parametri de functionare ai circuitului MMC 4051 sunt:
a) RON - 125 Ω la peste 15 V pentru VDD - VEE = 15 V
b) ROFF =
, Im
= 100pA = 0.1mA
c) Cint = 30pF
d) Valori
maxime: VDD : (0.5
20V), Vi -
tensiunea intrare (0.5
VDD+0.5)V,
Ii - curent intrare 0
10mA, Ptot
- puterea totala disipata 200mW
e) Tensiunile
recomandate VDD : (3
18)V, Vi : (0
VDD)V
f) Pentru nivelele logice L => 1.5V, H =>5V
g) Timpul de propagare < 30ns
h) Frecventa maxima de raspuns > 30 MHz
i) Timpul de propagare pe OUT a canalelor On/Off - 360 - 720 ns
j) Timpul de propagare pe INH - 360 - 720 ns
Circuitul integrat MMC 4097
Circuitul integrat MMC 4097 - este un multiplexor /demultiplexor analogic cu 8 canale diferentiale de intrare. Fiecare canal de intrare are doua borne de acces notate IN+ si IN- care vor fi cuplate, daca comanda C este activa, respectiv la iesirile OUT+, OUT-.
Schema functionala a circuitului este prezentata în figura 11.15.
Fig. 11.15.

Circuitul integrat MMC 4066
Circuitul integrat MMC 4066 este un multiplexor / demultiplexor pentru 2 canale diferentiale. De notat ca si iesirea este diferentiala, ceea ce înseamna ca, la o adresare se cupleaza la cei doi pini de iesire semnalul de la intrare si borna de referinta corespunzatoare semnalului de intrare. Contine 4 porti de transmisie pe capsula, adica 4 comutatoare care pot fi comandate separat în starea ON sau OFF.
Transmiterea semnalelor se face în oricare din sensurile IN/AUT sau AUT/IN
Caracteristici electrice:
rON W
rOFF =
VDD = (0.5
20)V ;
Ptot = 200 mW;
Ii =
10mA;
Vi = (0
VDD)
11.3. Comparatoare electronice
Comparatoarele electronice sunt circuite electronice care primesc la intrare un semnal analogic si în functie de valoarea acestuia comuta iesirea într-o stare numerica bine precizata.
Starea iesirii poate fi la un nivel V0L mic de tensiune, stare numita "0" logic si notata uneori cu "L" (Low) sau poate fi la un nivel V0H mare de tensiune, stare numita "1" logic si notata uneori cu "H" (High).
Tensiunea de prag VP este acea tensiune de intrare care separa cele 2 nivele ale tensiunii în iesire.
Spre exemplu, în figura 11.16, sunt prezentate formele de unda la intrarea unui comparator la care iesirea este definita astfel
Vi - VP < 0 => V0 = VOL ,
Vi - VP > 0 => V0 = VOH.
Pentru (Vi < VP) iesirea este în starea L iar pentru (Vi >VP) iesirea este în starea H.
Uneori comparatorul poate lucra
conform logicii inversate fata de situatia din figura 11.16 (Vi > VP
VOL , Vi < VP
VOH).

Fig. 11.16.
Observatie : De fapt circuitele de
comparatie integrate au doua iesiri, una notata Q care
stabileste VOH pentru
Vi > VP
si alta notata
care stabileste VOH pentru Vi < VP.
Comparatoarele fara reactie au o caracteristica de transfer cu tranzitia iesirii exact la valoarea VP, ca în figura 11.17.

Fig. 11.17.
Comparatoarele cu reactie
pozitiva determina o caracteristica de transfer cu
histerezis, în sensul ca tranzitia L
H are loc la o tensiune Vpm
diferita de tensiunea VpM la care are loc tranzitia H
L , ca în figura 11.18.

Fig. 11.18.
Astfel spus starea H se mentine si pentru tensiuni de intrare mai mici decât tensiunea la care s-a stabilit. Starea H a iesirii s-a stabilit la VpM si se mentine, la scaderea tensiunii de intrare, pâna se creeaza conditii de basculare inversa ( pâna când Vi = Vpm) Starea L se mentine, la cresterea tensiunii de intrare , în tot intervalul Vpm , VpM.
Comparatoarele sunt realizate cu amplificatoare operationale (AO) sau amplificatoare Norton (AN).
Comparatorul fara histerezis obtinut dintr-un amplificator operational la care la una din intrari s-a conectat tensiunea de referinta VREF iar la cealalta intrare s-a conectat tensiunea variabila Vi, este prezentat în figura 11.19.

Tranzitia iesirii are loc atunci când
= Vi - VREF
0 , ceea ce înseamna ca tensiunea de prag este
tensiunea de referinta (VP
= VREF).
Tranzitia iesirii de la VOL la VOH are loc intr-un timp finit, fiind egala cu
viteza de variatie a tensiunii de intrare Vi, dar la viteze mari de variatie a tensiunii de
intrare viteza de comutare a iesirii va fi limitata de timpul de comutare a elementelor fizice din
constructia AO. Spre exemplu amplificatorul BA741 limiteaza viteza
maxima de crestere a tensiunii la 0,5 V/
s .
În figura 11.20 este prezentata caracteristica de transfer a circuitului din figura 11.19.

Pentru ca tranzitia din starea VOL în VOH (si invers) sa se faca cu viteza maxima pe care o permite AO, se introduce o reactie pozitiva care sa determine un proces de comutare în avalansa.
Comparatorul cu reactie realizat cu un AO, este prezentat în figura 11.21,a iar caracteristica de transfer este prezentata în figura 11.21,b.
Deoarece tensiunea de iesire ia valorile VOL si VOH => prin intermediul divizorului de tensiune format din R1 si RR la intrarea AO se transmite tensiunea VP care are 2 valori
,
.

Fig. 11.21a

Fig. 11.21b
Spre exemplu daca R1 = RR si tensiunea de alimentare a AO este
V= 15V atunci
VOL=- V=-15 V ; VOH= +V= +15 V; Vpm = -7,5V; VpM =+7,5V.
Ciclul de histerezis poate fi deplasat pe axa tensiunilor de intrare prin conectarea rezistentei R1 la o sursa de referinta VREF. Pentru R1 = RR avem relatiile
Vp =
,
Vpm =
,
VpM =
.
Tensiunile de prag sunt simetrice fata de VREF.
Spre exemplu pentru VREF = +V =>Vpm = 0, VpM = +V (dar tensiunea la iesire ramâne VOL=-V, VOH=+V).
Pentru a stabilii precis valorile tensiunilor de iesire VOL,VOH si pentru a avea tensiuni de prag nesimetrice se folosesc doua amplificatoare operationale, ca în figura 11.22.

Iesirile celor doua AO sunt intrari de comanda pentru bistabilul de tip RS din figura 11.22. Iesirea V0 a bistabilului este în starea H numai daca ambele intrari sunt în starea H, altfel spus numai daca ambele conditii ale AO sunt îndeplinite.
Comparatorul cu circuit integrat este realizat asa încât sa raspunda urmatoarelor cerinte:
timpi de comutare mici ;
nivele de tensiune de iesire compatibile cu circuitele logice ;
iesirea sa fie "open -colector" , pentru a putea realiza functia sI cablat, adica iesirile a doua circuite sa poata fi conectate fara elemente aditionale;
sa permita inhibarea iesirii circuitului printr-un sistem de inhibare sau sa existe un pin de autorizare a functionarii .
Circuitele electronice uzuale sunt CLB 2711, BM339,BM39, ROB31, ROB760. Sunt caracterizate prin urmatoarele valori ale parametrilor:
timpul de raspuns este cuprins între 200-18 ns;
tensiunea de decalaj de 1, ., 2mV , reprezentata de diferenta tensiunilor de intrare Vi - VREF care asigura nivelul de prag;
curentul necesar polarizarii intrarilor Ii = 0,2,...,8 μA.
Circuitul integrat CLB 2711EC are pe capsula 2 comparatoare, fiecare având schema din figura 11.23.
Intrarile STR1, STR2 sunt intrari de "strob" sau de autorizare care permit transferul catre iesirea OUT a rezultatului compararii numai daca sunt în starea H. În cazul în care ambele semnale STR1 = STR2 = H sunt active iesirea OUT are valoarea H daca unul din comparatoarele C1 sau C2 este în stare H.
În figura 11.24 este prezentat simbolul unui comparator ( CLB7211 ).

Pentru a obtine un semnal logic TTL la iesirea circuitului integrat se conecteaza un tranzistor bipolar care sa adapteze nivelele de tensiune, ca în figura 11.25.
În colectorul tranzistorului T este conectat un releu electronic RL, care îsi închide contactele daca circula curent prin tranzistor, ceea ce se îndeplineste daca tranzistorul primeste un semnal de comanda pe baza.
|
C1 |
C2 |
Iesirea 10 |
RL |
|
|
Vi<VpL | ||||
|
Vpl<Vi<VpH | ||||
|
Vi>Vpl |

Fig. 11.26.
Tabelul contine starile releului (releu comandat = 1) în functie de starea intrarilor comparatorului, cu caracteristica în figura 11.26.
Comparatorul dublu cu reactie pozitiva totala
În figura 11.27 este prezentat un comparator cu reactie pozitiva totala realizat cu 1/2 CLB7211EC, a carui caracteristica de transfer este prezentata în figura 11.28.
La intrarile comparatorului C1 se aplica tensiunea de intrare Vi (la intrarea directa) si tensiunea de referinta VREF (la intrarea inversoare). Comparatorul C1 va avea iesirea în starea H daca Vi > VREF.


Fig. 11.28.
Comparatorul C2 primeste la intrarea neinversoare tensiunea de iesire V0 iar la intrarea neinversoare primeste o tensiune de referinta fixa, de valoare mica si anule 0,5V.
Initial, la alimentarea circuitului, V0 = VOL = 0V < 0,5V rezulta ca iesirea comparatorului C2 este în starea L si ramâne asa.
Daca Vi > VREF => tensiunea de iesire a C1 va creste corespunzatoare starii H => V0 = VOH ceea ce înseamna ca la intrarea comparatorului C2 se va aplica o tensiune mare pe intrarea neinversoare Vi2 = VOH > VREF = 0,5V, ceea ce face ca si iesirea comparatorului C2 sa basculeze în starea H.
Daca Vi se modifica în raport cu VREF , spre exemplu Vi scade sub valoarea tensiunii de referinta circuitul nu îsi modifica starea iesirii. Nu se modifica nimic pentru ca iesirea este în starea H si la intrarea comparatorului C2 avem Vi2 = VOH > VREF = 0,5V care comparator "tine" iesirea în starea H.
Pentru ca circuitul sa iasa din starea memorata se impune ca la intrarea Vi sa se aplice un semnal ( Vi < VREF) care sa creeze conditii de basculare a iesirii în starea L si apoi sa se conecteze, pentru scurt timp, iesirea la masa cu comutatorul K. Iesirea va fi în starea L si la intrarea comparatorului C2 vor fi conditii de basculare a iesirii în starea L.
Detectorul de vârf (sau de valoare extrema)
Circuitul din figura 11.29, realizat cu 1/2 CLB7211EC, îndeplineste functia de detector de vârf al tensiunii Vi aplicata la intrare, în sensul ca testeaza la diferite momente de timp valoarea tensiunii de la intrare, o compara cu valoarea din intervalul precedent de testare si în functie de rezultatul comparatiei efectueaza una din urmatoarele:
daca tensiunea curenta este mai mare ca valoarea din intervalul precedent, memoreaza tensiunea curenta;
daca tensiunea curenta este mai mica ca valoarea din intervalul precedent, nu face nimic (lasa neschimbata valoarea memorata).
STR - este un semnal dreptunghiular care activeaza sau inhiba procesul de comparare. În timpul cât STR este în starea H este permisa functionarea comparatoarelor, ceea ce înseamna ca în acel interval de timp se testeaza valoarea tensiunii de intrare.
CM - este condensatorul de memorare a valorii maxime.
D - este o dioda care nu permite decât încarcarea condensatorului de memorare si previne descarcarea acestuia între doua testari.
INV - este un circuit analogic care primeste la intrare tensiunea Vi si furnizeaza la iesire aceeasi tensiune dar cu semnul schimbat (furnizeaza -Vi ).
Daca Vi > V0 iesirea 10 a comparatorului trece în starea H si completeaza sarcina de pe condensatorul CM de memorare pâna la valoarea tensiunii aplicate la intrare, deci, deci creste tensiunea V0. pâna la egalitatea V0 = Vi . Cu alte cuvinte memoreaza valoarea maxima.

Fig. 11.29.
Blocul INV a fost prevazut în schema pentru ca detectorul de vârf sa poata functiona atât pentru tensiuni de intrare pozitive cât si pentru tensiuni de intrare negative. Daca tensiunile de intrare sunt pozitive functioneaza comparatorul C1 iar pentru tensiuni negative va functiona comparatorul C2. De remarcat ca si în cazul tensiunilor de intrare negative tensiunea de iesire ramâne tot pozitiva. Contactul K se actioneaza numai la începutul unui ciclu de testare a valorii de vârf, pentru ca procesul sa înceapa cu condensatorul CM la tensiune zero (descarcat).
Particularitati ale comparatorului BM339
Circuitul BM 339 contine 4 comparatoare cu colectorul în gol (tranzistorul de iesire este de tipul NPN cu emitorul la masa si colectorul conectat la borna de iesire a comparatorului ) ceea ce înseamna ca se impune a conecta iesirea printr-o rezistenta RL la sursa de alimentare VCC , ca în figura 11.30.
În cadrul figurii 11.30 au fost indicate în ordine fiecare din pinii de intrare si pinii de iesire ale fiecarui comparator (spre exemplu unul din comparatoare are bornele de intrare 9 si 8 iar iesirea este la pinul 14).


Daca circuitul este alimentat cu o sursa duala ca în figura 11.30, intrarile circuitului pot fi de orice polaritate. Iesirea comparatorului se gaseste în una din starile VOL = -V, VOH = +V.
Daca circuitul este alimentat cu o sursa cu punct de masa, ca în figura 11.32, tensiunile de intrare se impune sa fie pozitive iar iesirea se gaseste în una din starile VOL=0V, VOH=+V.

În figura 11.32 este prezentat un comparator prevazut cu un circuit auxiliar, format din tranzistorul T , care functioneaza corect daca tensiunea VSTR este suficient de mica pentru a mentine tranzistorul blocat. Pentru tensiuni VSTR > 0,7V tranzistorul este saturat si iesirea este în starea V0L indiferent de starea intrarilor. Semnalul VSTR îndeplineste functia de semnal de autorizare.
Bascularea comparatorului realizat cu BM339 are loc când
Ii+ > Ii- .
Tensiunea de referinta VREF poate fi obtinuta din tensiunea
sursei de alimentare +V (
).
Daca unul din comparatoarele circuitului integrat nu este folosit în aplicatie, se vor conecta la masa atât intrarile cât si iesirea acestuia.
Interfata cu BM339 între circuite analogice si circuite TTL
În figura 11.33 este prezentat un circuit pentru formarea nivelelor logice TTL dintr-un semnal analogic Vi.
Circuitul "sI" este utilizat pentru formarea fronturilor semnalului si adaptarea nivelelor de tensiune, pragul corespunzator valorii unu logic este stabilit de tensiunea de referinta.
Daca semnalul numeric se impune sa fie TTL rezistenta de sarcina se adopta RL = 10k, iar pentru circuite MOS se înlocuieste sursa de alimentare (spre exemplu +15V) si RL = 100k .

Interfata cu BM339 între circuite TTL si circuite MOS
În figura 11.34 este prezentat un circuit de interfata între semnalele furnizate de circuite TTL si circuite de tipul MOS.
Daca Vi < VREF tensiunea de iesire a comparatorului este la valoarea sursei de alimentare negative, ceea ce înseamna ca tensiunea de intrare a circuitului MOS va fi ViL= -12V, corespunzând unei intrari în zero logic.

Daca Vi > VREF tensiunea de iesire a comparatorului este la valoarea sursei de alimentare pozitive, ceea ce înseamna ca tensiunea de intrare a circuitului MOS va fi ViL= +5V, corespunzând unei intrari în unu logic.
Ţinând seama de cele de mai sus rezulta ca tensiunea VREF trebuie sa se afle la limita superioara a nivelului de zero logic furnizat de circuitele TTL VREF = 1,5V.
Se remarca faptul ca în cazul acestei scheme, ca si în cazul schemei din figura 11.33 semnalele TTL aflate în interiorul zonei de incertitudine (1,5V,.,2,5V) sunt interpretate de circuitele MOS drept unu logic - pentru ca tensiunea de referinta se afla la limita superioara a nivelului de zero logic TTL.
Modalitati de crestere a curentului furnizat de BM339
În conditiile în care iesirea unuia din comparatoarele circuitului integrat BM339 nu este capabila sa furnizeze curentul pe care îl cer circuitele conectate la iesirea acestuia (ori sunt prea multe porti logice, ori este un dispozitiv de putere) se conecteaza la iesirea respectiva un amplificator de curent. Cea mai simpla modalitate consta în conectarea unui tranzistor la iesirea CI, ca în figura 11.35.
Functionarea circuitului are loc astfel
pentru Vi
>VR ![]()
=+V
T este saturat => V0=0V;
pentru Vi
<VR ![]()
=0V
T este blocat => V0=+V.
Când tranzistorul este blocat curentul absorbit de circuitele externe este limitat de rezistorul RC, iar iesirea integratului nu este solicitata decât de curentul invers al tranzistorului.

Fig. 11.35.
Formator de impulsuri dreptunghiulare cu BM339
Datorita diferitelor prelucrari un semnal analogic, cu toate ca initial era de forma dreptunghiulara, va fi distorsionat si nu va fi de o forma adecvata prelucrarii numerice.
Din acest motiv se folosesc circuite de formare a semnalului.

Aceste circuite trebuie sa refaca fronturile semnalului si sa permita decelarea corecta a semnalelor logice.
Circuitul din figura 11.36 formeaza semnale logice pentru a fi utilizate în circuite numerice MOS, dintr-un semnal analogic. Semnalul analogic Vi este considerat unu logic daca Vi este pozitiv si este considerat zero logic daca Vi este negativ.
Deoarece tensiunea de referinta a comparatorului este VREF = 0V avem
Vi<0 => VOL= -V , adica iesirea este în zero logic;
Vi>0 => VOM=+V , adica iesirea este în unu logic.
Comparator cu fereastra cu BM339

Schema din figura 11.37 este un
comparator cu fereastra pentru ca releul RL este actionat numai
daca semnalul de intrare Vi
se afla între limitele minima Vpm
si maxima VpM.
Pentru
Vpm < Vi => iesirea comparatorului C2 este în starea H
Vi < VpM => iesirea comparatorului C1 este în starea H
ceea ce înseamna ca tranzistorul T va fi saturat si releul RL este actionat
Daca Vi este în afara domeniului unul din comparatoare va avea iesirea în starea L, adica baza tranzistorului va fi la GND (la potential zero), tranzistorul va fi blocat si releul RL nu va fi actionat.
Poarta de numarare cu BM339
În figura 11.38 este prezentata schema de principiu a unei porti de numarare, de fapt este prezentata o portiune dintr-un convertor analog-numeric.
Comparatorul C are iesirea în starea H cât timp tensiunea Vi este mai mare decât VREF, circuitul sI transferând catre numarator impulsurile furnizate de oscilatorul OSC.
Iesirea este basculata în starea L si numararea este inhibata când tensiunea VREF devine mai mare ca Vi.
Pentru a obtine un convertor analog-numeric tensiunea VREF trebuie sa fie liniar crescatoare în timp.

Fig. 11.38.
Realizarea practica, cu CLB2711, a schemei de principiu a portii este prezentata în figura 11.39 (pentru explicatii vezi si figura 11.27).

Fig. 11.39.
Circuit basculant monostabil cu BM339
În figura 11.40 este prezentat modul de realizare a unui circuit monostabil cu BM339.

Fig. 11.40.
În intervalul de timp cât Vi < VREF iesirea comparatorului C1 este în starea L, ceea ce înseamna V0 = 0V.
Când tensiunea creste si Vi >VREF comparatorul C1 basculeaza în starea H si iesirea va fi la nivelul sursei de alimentare. Condensatorul se încarca de la V0, prin rezistorul R catre valoarea sursei de alimentare, ca în figura 11.41.
Cât circula curent de încarcare prin rezistorul R tensiunea
v > 0,5V ; comparatorul C2 mentine tensiunea de la iesire la valoarea sursei de alimentare. Condensatorul creste VC la valoarea iesirii VC = +V iar când curentul prin R se anuleaza, v=0 si comparatorul C2 îsi schimba starea din H în L. Tensiunea de la iesire revine în starea L.
Timpul cât se încarca condensatorul
stabileste regimul tranzitoriu al circuitului
.

Fig. 11.41.
11.3. Temporizatoare electronice
Temporizatoarele sunt circuite electronice care primesc o comanda la un moment de timp si efectueaza o actiune la un interval de timp bine precizat de la primirea comenzii.
În aceeasi categorie pot fi incluse si programatoarele care efectueaza o serie de actiuni la intervale de timp bine precizate de la momentul primirii unei comenzi de activare.
Temporizatoarele si programatoarele astfel definite spunem ca functioneaza în regim de monostabil.
Un alt regim de functionare este regimul astabil situatie în care circuitul functioneaza ciclic fara vreo comanda externa imediat dupa conectarea sursei de alimentare cu energie.
Temporizatoare cu circuitul integrat βE555
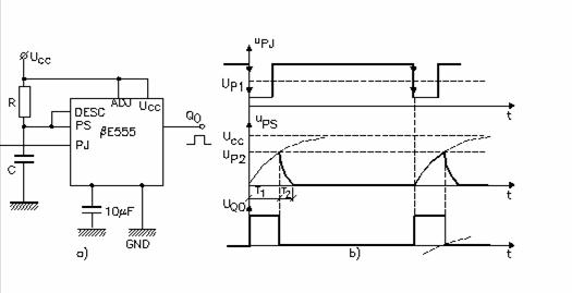
Circuitul integrat βE555, a carui schema bloc este aratata în figura 11.42, se alimenteaza cu tensiuni Ucc de maximum 18 V si poate sa furnizeze la iesirea Q0, notata cu (3) în figura 11.42, un curent I0 de maximum 200 mA.
Poate fi utilizat atât în regim de circuit basculant monostabil cât si în regim de astabil, în functie de componentele conectate la borne.

Fig.11.42.
Circuitul are în componenta doua comparatoare notate cu C1 si C2, care au la una din intrari un potential constant (stabilit de divizorul rezistiv) iar la cealalta intrare, PJ/PS, au conectate surse de semnal.
În conditiile în care la borna CONTR, nu se conecteaza un rezistor, potentialele stabilite de divizorul rezistiv determina pragurile
Up1=(R/3R) Ucc = 1/3 Ucc
si
Up2=(R+R/3R)Vcc = 2/3Vcc.
Astfel ca pentru Ucc =5V avem Up1= 1,67V, Up2= =3,33 V.
Bistabilul RS (CBB pe figura 11.1) înscrie S la iesire (Q=S) daca intrarile sunt diferite (R≠S) si lasa iesirea Q nemodificata daca starea intrarilor este în zero logic (R=S=0)
Comparatorul C1/C2 determina un potential ridicat ("1 logic") la iesire daca tensiunea conectata la borna notata (+) este mai mare decât tensiunea conectata la borna notata (-) : V+ > V-.
Ţinând seama ca Up1=U1+ si Up2=UI- în conditiile în care potentialele intrarilor PJ si PS se modifica între valorile 0V si Ucc , s-au prezentat în figura 11.2 atât starile iesirilor celor doua comparatoare cât si starea iesirii bistabilului (CBB din fig. 11.42).
Deoarece în schema este
prevazut amplificatorul A în
regim de inversor, iesirea circuitului
este
.

Diagrama din figura 11.43 poate fii explicitata, în sensul ca starea iesirii Q0 a circuitului integrat se modifica daca unul din semnalele de la intrarile PJ, PS iese din domeniul de limitare impus; deci daca
Ups > Up2 → Q0=0, sau daca Upj <Up1 → Q0=1.
Tranzistorul TD (v. fig. 11.1), numit de descarcare, este saturat atunci când Q0 este în zero logic, ceea ce face ca iesirea DESC sa fie la potentialul GND ( de fapt la U = 70 mV) sau altfel spus Q0=0 → DESC = GND.
Schemele de utilizare a circuitului integrat contin totdeauna un condensator care se încarca potrivit utilizarii circuitului, iar TD este utilizat la descarcarea rapida a acestui condensator.
Tranzistorul TB, de blocare, se satureaza daca ADZ este conectata la GND, ceea ce face ca iesirea Q0 sa nu se mai modifice ( ramâne în "1 logic"), indiferent de starea intrarilor PJ, PS. Daca comanda de blocare nu este folosita, borna ADZ se conecteaza la sursa Ucc.
Intrarea CONTR este folosita uneori pentru a modifica pragurile Up1, Up2, de obicei fiind lasata în aer. Daca între CONTR si GND se conecteaza un rezistor de valoare R1[kΩ] avem :

De exemplu, pentru R1= 5 kΩ → Up2 = 0,4Ucc, Up1 = 0,2Ucc.
Regimul de monostabil al circuitului integrat E555 se obtine prin conectarea unui condensator C la borna PS si comanda bascularii prin intermediul bornei PJ, ca în figura 11.44a.
Starea stabila a circuitului se obtine pentru tensiune de comanda uI > Up1.
La conectarea sursei de
alimentare, condensatorul C este descarcat →Ups= 0 si daca uI
> Up1, iesirea Q0 se stabileste în 0
logic Q0 = L. În aceste conditii
=1→ TD
are potential mare pe baza, ceea ce implica TD saturat si rezistenta mica rCE a TD scurcircuiteaza condensatorul C, ceea ce face ca iesirea
circuitului integrat sa ramâna în zero logic.
Starea stabila a circuitului se obtine pentru tensiune de comanda uI > Up1. La conectarea sursei de alimentare, condensatorul C este descarcat →Ups= 0 si daca uI > Up1, iesirea Q0 se stabileste în 0 logic Q0 = L.
În aceste conditii
=1→ TD
are potential mare pe baza, ceea ce implica TD saturat si rezistenta mica rCE a TD scurcircuiteaza condensatorul C, ceea ce face ca iesirea
circuitului integrat sa ramâna în zero logic.
Bascularea circuitului are loc pe
frontul descrescator al tensiunii uI
când aceasta scade sub pragul Up1
(S=1 cu R=0 face ca Q sa creasca →Q=1). Schimbarea starii
iesirii determina conectarea bazei TD la GND (
=0) si condensatorul C
nu va mai fi scurcircuitat.
Începe procesul de încarcare a condensatorului de la sursa de alimentare Ucc prin rezistorul R, tensiunea la bornele acestuia modificându-se conform ecuatiei
,
în care τ = RC este constanta de timp de încarcare.
![]()

Procesul de încarcare înceteaza atunci când ups ≥ 2/3Ucc, la
t = T1, deoarece comparatorul C2 îsi basculeaza iesirea în R=1.
Se determina astfel expresia timpului
T1= τ ln 3 = 1,1 RC.
Schimbarea starii
iesirii comparatorului C2
determina si schimbarea starii iesirii circuitului integrat
Q0 = 0, deoarece CBB primeste la intrare R=1, S=0 → Q0 = 0. Totodata tranzistorul TD va
avea baza conectata la
=1 , acesta se va satura si condensatorul C se descarca de sarcina
acumulata prin spatiul colector - emitor într-un timp scurt - de
ordinul a T2 = (2 . 10) μs.
Considerând timpul T1 de acelasi ordin de marime cu T2, frecventa maxima a tensiunii uI este
![]()
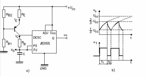
Regimul de astabil (generator de tensiune cu forma de unda dreptunghiulara) al E555 se obtine prin conectarea în scurtcircuit a intrarilor PJ si PS ca în figura 11.45.

La conectarea sursei cu t.e.m. Ucc, condensatorul C este descarcat, Upj < <1/3Ucc → S=1, Ups
< 2/3Ucc →
R=0 → Q0 =1,
=0 → TD
blocat În aceste conditii condensatorul se încarca prin suma
rezistentelor RA
si RB cu constanta de
timp τ1 = (RA + RB )C.
Când uc > 1/3Ucc atunci upj > 1/3Ucc → S=0, dar cum R=0 rezulta ca starea iesirii nu se modifica (ramâne Q0 =1).
Iesirea Q0 basculeaza atunci când tensiunea uc ≥ 2/3Ucc→
ups
≥ 2/3Ucc→R=1 cu S=0 ceea ce determina Q0=0. Deoarece
devine 1 logic, baza TD se va conecta la
potential ridicat, TD
se satureaza si conecteaza punctul DESC la masa, deci conecteaza RB la GND.
Condensatorul se va descarca de sarcina acumulata prin rezistenta RB cu o constanta de timp
= RBC.
Rebascularea iesirii are loc când uc scade sub valoarea de prag a PJ, adica uc = upj ≤1/3Ucc rezulta ca S=1 cu R=0 → Q0 =1.
Intervalele de tip T1 si T2 se determina din conditiile mai sus enuntate astfel :
uc
= 2/3 Ucc=Ucc -( Ucc -1/3 Ucc
)![]()
T1 = (RA + RB )C ln2 =0,693 (RA + RB ) ;
uc
= 1/3 Ucc=0 -( 0 -2/3 Ucc )
T2 = RBCln2 = 0,693RBC .
Perioada tensiunii generate este atunci
T= T +T2 = 0,693C(RA + 2RB ),
la un factor de umplere
![]()
Generator de tensiune liniar variabila cu bE
Un generator de tensiune liniar variabila se obtine cu circuitul bE555 daca condensatorul se încarca la curent constant, spre exemplu, prin intermediul tranzistorului T, ca în figura 11.46.

Circuitul din figura 11.46. functioneaza ca circuitul astabil cu deosebirea ca în intervalul încarcarii condensatorul va avea un curent de încarcare constant, dictat de polarizarea tranzistorului T.
![]()
Potentialul
bazei tranzistorului poate fi exprimat
în doua moduri, care determina egalitatea
din care se determina curentul de încarcare

Durata de încarcare a condensatorului se stabileste considerând relatia de definitie a capacitatii

de unde rezulta timpul
![]()
Descarcarea condensatorului are loc pe rezistenta RB, asa încât T2 are aceeasi expresie ca la circuitul astabil cu bE
|