GRUP sCOLAR ENERGETIC TIMIsOARA
ATESTAT PROFESIONAL DE
NIVEL 3
CIRCUITE ANALOGICE:SURSE DE ALIMENTARE ,AMPLIFICATOARE ,OSCILATOARE ,MODULATOARE ,DEMODULATOARE
SPECIALIZARE: TEHNICIAN OPERATOR TEHNICĂ DE
CALCUL
ÎNDRUMĂTOR PROIECT: CANDIDAT:
Prof.Ing. POPESCU SILVANA FĂsIE MARIUS-ILIE
CUPRINS
1.Surse de alimentare:
1.1.Generalitati.......... ..... ...... .......... ..... ...... ..................3
1.2.Clasificarea redresoarelor.......... ..... ...... .......... ..... ...... ................2
Redresore monofazate.......... ..... ...... .......... ..... ...... ..........................3
a) redresorul monofazat monoalternanta.......... ..... ...... ............................3
b) redresorul monofazat dubla alternanta transformator cu priza mediana.......5
c) redresorul monofazat, dubla alternanta, in montaj de tip punte.....................6
2.Amplificatoare:
3.Oscilatoare:
3.1.Generalitatii.......... ..... ...... .......... ..... ...... .......... ..... ...... .......9
3.2.Parametrii oscilatoarelor.......... ..... ...... .......... ..... ...... ..................9
3.3.Clasificarea oscilatoarelor.......... ..... ...... .......... ..... ...... ................9
3.4.Oscilatoare sinusoidale.......... ..... ...... .......... ..... ...... ..................10
a.oscilatoare cu circiuite LC.......... 20320k101u .......... ..... ...... .......... ..... ...... .......10
b.oscilatoare RC.......... ..... ...... .......... ..... ...... .......... ..... ...... ...18
4.Modulatoare/ Demodulatoare:
4.1.Modulatoare.......... ..... ...... .......... ..... ...... .......... ..... ...... ....22
Modulatoare de amplitudine .......... ..... ...... .......... ..... ...... ................22
Modulatoare de frecventa.......... ..... ...... .......... ..... ...... ....................23
4.2.Demodulatoare:.......... ..... ...... .......... ..... ...... .............................25
Demodulatoare pentru oscilatii modulate în amplitudine.......... ..... ...... ....26
Demodulatoare pentru oscilatii demodulate în frecventa.......... ..... ...... ....27
Demodulatorul cu circuite dezacordate.......... ..... ...... .......... ..... ...... 29
Bibliografie:.......... ..... ...... .......... ..... ...... .............................30
CAP.1. SURSE DE ALIMENTARE
Generalitati
Pentru alimentarea aparaturi electronice sunt necesare surse de energie de curent continuu. Aceste surse pot fi surse chimice (baterii galvanice, acumulatoare) sau redresoare.
Prin redresor se întelege un circuit electronic capabil sa transforme energia electrica de curent alternativ în energie electrica de curent continuu. Alimentarea redresoarelor se face de obicei de la reteaua de energie electrica.Redresoarele de puteri mici ( pâna la 1 kW) se alimenteaza în curent alternativ monofazat, iar cele de puteri mari se alimenteaza în curent alternativ trifazat.
Dintre elementele componente ale redresorului cele electronice trebuie sa aiba proprietatea de a conduce unilateral, respectiv sa prezinte o caracteristica pronuntata neliniara si sa functioneze în regim neliniar. Se pot folosi diode cu vid (kenotroane), diode semiconductoare, tiratroane, tristoare, etc.
Schema bloc a unui redresor (fig1) contine urmatoarele elemente (pornind de la sursa de energie alternativa, -de obicei reteaua electrica-) :
-transformatorul de retea, cu ajutorul caruia se obtine în secundar valoarea tensiunii alternative ce trebuie redresata ;
-elementul redresor, cu proprietati de conductie unilaterala, la iesirea caruia se obtine o tensiune (de un singur sens) pulsatorie ;
-filtru de netezire, cu rolul de a micsora pulsatile tensiuni redresate, redând o tensiune cât mai apropiata de cea continua ;
-rezistenta de sarcina pe care se obtine tensiunea continua.
În anumite cazuri, aceasta schema bloc poate fi completata cu un etaj suplimentar de stabilizare si de reglare a tensiunii continue obtinute. Sunt, de asemenea, cazuri în care unele elemente ale schemei pot lipsi: de exemplu poate lipsi transformatorul de retea sau, în cazul unor instalatii industriale, care functioneaza cu tensiune pulsatorie, pote lipsi filtrul de netezire.

Fig 1. Schema bloc a unui redresor
a-sursa de curent (reteaua); b- transformatorul; c- elementul redresor; d- filtrul
e- sarcina pe care se obtine tensiunea continua
1.2 Clasificarea redresoarelor
Redresoarele se pot clasifica dupa urmatoarele criterii:
-Redresoare monofazate;
-Redresoare polifazate (de obicei trifazate);
-Redresoare monoalternanta;
-Redresoare bialternanta.
-Redresoare necomandate;
-Redresoare comandate sau reglabile.
-Redresoare cu sarcina rezistiva (R);
-Redresoare cu sarcina inductiva(RL);
-Redresoare cu sarcina capacitiva(RC).
REDRESOARELE MONOFAZATE: aceste tipuri de redresoare se folosesc pentru puteri medii (sute de wati). Ele pot fi atât monoalternanta, cât si bialternanta.
a.Redresorul monofazat monoalternanta:
Schema electrica a acestui tip de redresor este redata în figura 2, a. Functionarea are loc astfel: la aplicarea unei tensiuni alternative în primar, ia nastere în secundar tot o tensiune alternativa, ce se aplica pe anodul diodei redresoare. Pe durata alternantelor pozitive dioda conduce, în circuit apare un curent proportional cu tensiunea aplicata, deci având aceasi forma cu ea. Pe durata alternantelor negative, dioda este blocata si curentul prin circuit este nul. Curentul prin sarcina circula deci întrun singur sens, sub forma unor alternante (curent pulsatoriu).

Fig 2 Redresor monofazat monoalternanta cu sarcina rezistiva:
a- schema electrica ; b- forma de unda a tensiuni redresate.
Tensiunea la bornele sarcinii (u s) reprezentata in figura 2. b are expresia matematica:
(1)
în
intervale în care dioda conduce:
si:
(1
bis)
în
intervale în care dioda este blocata
.
Unul dintre cei mai importanti parametri ai redresoarelor este factorul de ondulatie gcare este definit astfel :
(2)
În cazul unui redresor ideal, factorul de ondulatie trebuie sa fie zero. În general g> 1, deci forma tensiunii redresate nu este multumitoare. Pentru a o îmbunatati se folosesc scheme de redresare dubla alternanta .
Alt parametru al redresorului este randamentul sau (h), definit ca raportul dintre puterea utila de curent continuu furnizata în sarcina si puterea consumata, absorbita de la retea:
(3)
În acest caz valoarea puterii utile va fi :
(4)
iar
puterea absorbita de la retea, în timpul alternantei pozitive în
care dioda functioneaza, va fi:
(5)
având: ![]()
în care:
UI -tensiunea alternativa aplicata diodei;
Us -tensiunea redresata la bornele sarcinii;
r d -rezistenta de conductie a diodei;
Rd -rezistenta de sarcina.
Valoarea randamentului devine:
.
Tensiunea inversa maxima este: ![]()
b.Redresorul monofazat dubla alternanta cu transformator cu priza mediana
In figura 3-a este redata schema electrica a unui redresor dubla alternanta, la care tensiunea de alimentare se aplica printrun transformator având un secundar cu priza mediana legata la masa. Se observa ca schema contine doua redresoare monoalternanta, formate din:
-înfasurarea
,
,
;
-înfasurarea
,
,
.

Fig 3. Redresor monofazat dubla alternanta folosind transformator
cu priza mediana si sarcina rezistiva:
a -schema electrica; b -forma de unda a tensiunii redresate.
Datorita modului în care sunt conectate înfasurarile
secundare, tensiunile la bornele celor doua sectiuni variaza în
antifaza. La aparitia alternantei pozitive la înfasurarea
, dioda
este polarizata
direct, conduce si determina aparitia curentului
, care strabate rezistenta de sarcina
în
sensul indicat pe figura. În acest interval, în înfasurarea
find aplicata alternanta
negativa, dioda
este polarizata
invers si curentul prin circuitul ei este nul.
Când se aplica alternanta negativa pe L' dioda D se blocheaza si, respectiv, aparând alternanta pozitiva pe L'' dioda D conduce. În circuitul ei apare curentul i''A ce strabate Rs in sensul din figura, sens ce coincide cu cu cel al curentului i'A .In felul acesta la bornele sarcinii apare o tensiune de forma indicata in figura 3, b.
În acest caz, valoarea factorului de ondulatie este de 0,67 adica o valoare subunitara, ceea ce constituie o serioasa ameliorare, iar randamentul este de 0,8
Tensiunea inversa maxima rezulta, pentru dioda blocata, din însumarea dintre valoarea tensiunii negative aplicate pe anodul sau de catre transformator si tensiunea pozitiva aflata la bornele rezistentei de sarcina, deci pe catodul diodei blocate. În acest caz:
(6)
Se observa avantejele redresorului dubla alternanta, constând întro forma de unda mai apropiata de cea continua si un randament de valoare dubla, dar si dezavantajele sale, constând întro schema mai complicata si mai costisitoare (secundar cu priza mediana, doua diode redresoare), ca si în conditiile mai severe impuse diodelor redresoare în privinta tensiunii inverse maxim admise.
c. Redresorul monofazat, dubla alternanta, în montaj de tip punte
Schema ce ofera avantajele redresorului anterior, evitând dezavantajele lui, este cea a unui redresor monofazat dubla alternanta în punte (figura 4).

Figura 4. Redresor monofazat dubla alternanta, în punte -având sarcina rezistiva: a -sarcina electrica; b -forma de unda a tensiunii redresate.
Cele patru diode redresoare folosite formeaza bratele unei punti, la care alimentarea prin curent alternativ se face printro diagonala, de la secundarul unui transformator, iar tensiunea redresata se culege la bornele unei rezistente plasate în cea de a doua diagonala.
Functionarea redresorului este urmatoarea: în timpul aplicarii alternantei pozitive la o extremitate a secundarului transformatorului, conduc diodele D si D , care sunt polarizate direct , determinând un curent i'A în rezistenta R s , iar diodele D si D find invers polarizate sunt blocate.
La aparitia celei de a doua alternante, D si D sunt blocate, pe când D si D conduc, determinând aparitia curentului i''A ce strabate în acelasi sens rezistenta de sarcina R s. Se observa ca forma tensiunii redresate este aceiasi ca si în cazul redresorului folosind un transformator cu priza mediana, tensiunea inversa maxima pentru fiecare dioda find însa Uim ,ca si în cazul redresorului monoalternanta.
Dezavantajele acestui montaj constau în numarul marit de diode folosite (patru) si necesitatea unei bune izolari fata de restul elementelor a capatului nelegat la masa al rezistentei de sarcina R s
CAP.2. AMPLIFICATORUL ELECTRONIC
Amplificatoarele electronice sunt cuadripoli activi, capabili sa redea la iesire semnale electrice de putere mult mai mare decât cele de intrare.
Clasificarea amplificatoarelor
1.Dupa natura semnalului cu preponderenta amplificat:
-amplificator de tensiune ;
-amplificator de curent;
-amplificator de putere.
2.Dupa banda de frecventa:
-amplificator de c.c. (de la f=0);
-amplificator de audiofrecventa(20Hz-20kHz);
-amplificator de foarte înalta frecventa(30MHz-300MHz).
3.Dupa latimea benzii de frecventa:
-amplificator de banda îngusta;
-amplificator de banda larga
CAP.3. OSCILATORUL
3.1.Generalitati
Oscilatoarele sunt generatoare de semnale electrice întretinute, cu frecventa proprie (care functioneaza deci fara semnal de intrare).
Fata de amplificatore, oscilatoarele prezinta asemanari si deosebiri. Asemanarea consta în proprietatea comuna de a transforma energia de curent continuu a sursei de alimentare în energie de curent alternativ a semnalului generat. Deosebirea consta, în primul rând, în faptul ca pentru efectuarea acestei operatii amplificatoarele necesita un semnal de comanda, pe când oscilatoarele lucreaza fara semnal exterior de comanda. În al doilea rând, semanalul de iesire al unui amplificator are frecventa determinata de semnalul de intrare, pe când frecventa data de oscilator are parametrii circuitelor care îl compun.
3.2.Parametri oscilatoarelor
Ca generatoare de semnale, oscilatoarele trebuie sa îndeplineasca anumite conditii privind principalii sai parametrii si anume:
-forma semnalului generat;
-domeniul de frecventa în care lucreaza;
-stabilitatea frecventei semnalului de iesire;
-marimea si stabilitatea amplitudinii semnalului de iesire;
-coeficientul de distorsiuni neliniare impus.
3.3.Clasificarea oscilatoarelor
Oscilatoarele se pot clasifica dupa urmatoarele criterii:
-oscilatoare sinusoidale;
-oscilatoare nesinusoidale;
-oscilatoare de joasa frecventa (de audiofrecventa);
-oscilatoare de înalta frecventa (de radiofrecventa);
-oscilatoare de foarte înalta frecventa;
-oscilatoare cu rezistenta negativa;
-oscilatore cu reactie;
-oscilatoare RC;
-oscilatoare LC;
-oscilatoare cu cuart.
4.Oscilatoare sinusoidale
Acest tip de oscilatoare se caracterizeaza prin faptul ca semnalul generat contine o singura frecventa, având forma:
(7)
Valoarea frecventei dorite se poate obtine fie cu ajutorul unui circuit LC acordat (oscilatoare LC), fie prin intermediul unei reactii pozitive selective (oscilatoare RC).
a. Oscilatoare cu circuite LC
Oscilatoarele LC sunt circuite ce folosesc proprietati selective ale circuitelor LC.
Principiul de functionare a acestui tip de oscilatoare duce la obtinerea la iesire a unor oscilatii de amplitudine constanta, fortat întretinute.
Ţinând seama de faptul ca întrun circuit LC cu elemente reale ( r>0), datorita pierderilor, amplitudinea oscilatiilor scade treptat pâna la zero (oscilatile se amortizeaza), realizarea unei amplitudini constante, în aceste conditii, se poate face numai compensând pierderile cu ajutorul unei energii corespunzatoare, convenabil alese.
În vederea acestei compensari energetice, se pot folosi doua metode:
-introducerea în circuit a unui element cu rezistenta negativa;
-aplicarea la intrarea amplificatorului, prin intermediul unui cuadripol, a unui semnal de faza, deci folosirea unei reactii pozitive.
Oscilatoarele cu rezistenta negativa. Realizarea acestor oscilatoare are la baza compensarea pierderilor produse în circuitul LC real, cu ajutorul unei rezistente negative, astfel încât, atunci când rezistenta totala a circuitului devine zero, aceasta sa înceapa sa oscileze pe freventa sa de rezonanta, cu o amplitudine constanta a oscilatiilor.
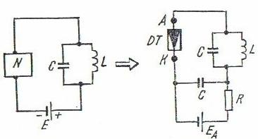
Un astfel de circuit (fig 5) comporta în ramura inductiva, unde s-a reprezentat separat rezistenta proprie a bobinei, un element de rezistenta negativa.

Figura 5. Circuit acordat RLC cu rezistenta negativa
Tipul oscilatilor generate depinde de valoarea totala a rezistentei circuitului:
![]()
în care:
r L este rezistenta proprie a bobinei;
ru -rezistenta negativa introdusa în circuit.
Rezistenta totala r tot poate fi:
r tot > 0: circuitul având pierderi de energie prin caldura, oscilatiile se amortizeaza pâna la zero;
r tot = 0: energia introdusa de elementul exterior compenseaza pierderile, oscilatiile, îsi pastreaza amplitudinea constanta;
r tot < 0: oscilatiile cresc treptat, teoretic pâna la infinit, practic find limitate de caracteristicile neliniare ale elemtelor active din circuit.
În cea ce priveste rezistenta negativa introdusa, deoarece elementele fizice nu pot avea valori rezistive negative, se folosesc componente electronice care prezinta în anumite domenii rezistente negative, respectiv la care cresterea tensiunii la borne antreneaza scaderea curentului în circuit.
Dintre componentele electronice studiate, prezinta rezistenta negativa tetroda (în conditii de efect dinatron) si dioda tunel, pe domeniul descrescator al caracteristicii de tip N.
În figura 7 se redau scheme cu astfel de elemnte ce prezinta rezistenta negativa (notate în figura 7, a prin simbolul N). În figura 7, b în circuit a fost inclusa o dioda tunel (DT).
Desi simple din punct de vedere constructiv, oscilatoarele cu rezistenta negativa se folosesc rar, datorita deficientelor legate de gasirea unor elemente cu rezistenta negativa având o buna stabilitate în functionare.
Oscilatoarele LC cu reactie. Oscilatoarele LC cu reactie sunt amplificatoare cu reactie pozitiva, având fie în componenta circuitului de sarcina, fie în cuadripolul de reactie un circuit oscilant alcatuit din bobine si condensatoare.
Aceste oscilatoare se bazeaza pe compensarea pierderilor din circuit prin intermediul unui semnal de reactie pozitiva, adus de la iesirea la intrarea oscilatorului, prin intermediul cuadripolului de reactie.
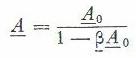
S-a aratat în capitolul referitor la reactia în amplificatoare ca un amplificator cu reactie consta dintrun amplificator cu amplitudinea A, având o bucla de reactie alcatuita dintrun cuadripol, cu factorul de transfer b (figura 8).

Fig 7. Scheme de oscilatoare cu rezistenta negativa

Fig 8. Schema de principiu a unui amplificator cu reactie
Prin intermediul acestuia o parte din semnalul de la iesire se readuce la intrarea amplificatorului.
Valoarea amplificarii cu reactie este data de relatia:
(8)
în care:
A este amplificatorul circuitului de reactie;
b -factorul de reactie;
Ao amplificarea fara reactie;
Din relatia de mai sus rezulta ca daca:
![]()
sau
(9)
atunci amplificarea A este infinita si amplificatorul cu reactie se transforma în oscilator.
Aceasta conditie, de reactie pozitiva, asigura aparitia unui semnal la iesire, fara aplicarea unui semnal de intare. Explicatia consta în faptul ca semnalul dat de cuadripolulu de reactie, aplicat la intrarea amplificatorului, reprezinta chiar semnalul necesar pentru întretinerea oscilatiilor.
Desi, teoretic, din relatia stabilita rezulta A infinit, neliniaritatea elementelor active folosite duce la limitarea oscilatiei de iesire, a carui amplitudine este data de parametri elementului activ si ai cuadripolului de reactie.
Deoarece atât amplificarea, cât si factorul de transfer sunt redate prin numere complexe relatia (8), denumita si relatia lui Barkhausen, este echivalenta cu doua conditii reale, una referitoare la module, iar cealalta referitoare la faze.
Se stie ca un numar complex z se poate scrie:
(10)
în care:
z este modulul numarului complex;
j -faza sa .
În aceste conditii relatia (9) devine:
![]()
sau:
![]()
din care rezulta simultan:
(11)
![]()
(12)
si pentru:
(12 bis)
Relatiile (11) si (12) arata ca:
-factorul de transfer al cuadripolului trebuie sa aiba modulul egal cu inversul modulului amplificarii;
-defazajul cuadripolului de reactie trebuie astfel ales încât oricare ar fi defazajul introdus de amplificator în circuit, semnalul de reactie aplicat sa fie în faza cu semnalul de la intrarea amplificatorului.
Prima conditie se numeste conditia de amplitudine, iar a doua conditie referitoare la faza, poarta numele de conditie de faza.
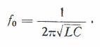
În cazul oscilatoaelor LC frecventa de oscilatie este data de parametri circuituilui oscilant, având valoarea:
(13)
Circuitul oscilant ce selecteaza frecventa de oscilatie find montat fie ca circuit de sarcina a amplificatorului, fie drept cuadripol de reactie, rezulta ca la acest tip de oscilatoare pot fi elemente selective atât amplificatorul (pentru primul caz), cât si cuadripolul de reactie (în cel de-al doilea caz).
Domeniul de lucru ala acestor oscilatoare este cel al frecventelor înalte, pentru care se pot realiza relativ usor bobinele cu inductanta L mica. Circuitele folosesc de obicei ca amplificator un singur element activ.
Dupa montajul folosit pentru asigurarea reactiei, oscilatoarele se clasifica în:
-oscilatoare în trei puncte;
-oscilatoare cu cuplaj magnetic;
-oscilatoare cu cuart etc.
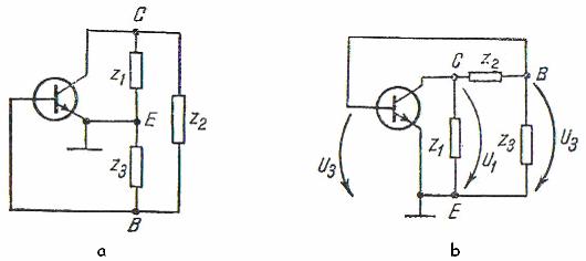
Oscilatoarele în trei puncte. La acest tip de oscilatoare, cele trei impedante, ce constituie sarcina apmlificatorului si cuadripolului de reactie, se conecteaza la cei trei electrozi (,,cele trei puncte'') ai elementului activ (tranzistor).
Conectarea se face astfel încât unul din electrozi, comun la doua din impedante, sa fie în acelasi timp conectat la potentialul masei. În multe scheme se leaga la masa emitorul tranzistorului respectiv (figura 9, a), obtinându-se tensiunle de iesire U si de reactie U , indicate în figura 9, b (unde s-au prezentat numai schemele echivalente de curent alternativ).

Figura 9. Schema de principiu a unui oscilator,,în trei puncte'' :
a -cu cele trei puncte scoase în evidenta
b -cu indicarea tensiunilor de iesire si de reactie
Pentru oricare tip de oscilator aspectele cele mai importante sunt:
-relatia pe care trebuie s-o îndeplineasca parametrii circuitului pentru a asigura intrarea în oscilatie (amorsarea oscilatilor);
-valoarea frecventei de oscilatie.
Oscilatoarele cu cuplaj magnetic. Oscilatoarele din aceasta categorie au în componenta lor un amplificator si un cuadripol de reactie, într care semnalul de reactie se transmite inductiv de la un circuit oscilant acordat la o bobina de reactie sau invers.
La aceasta categorie de oscilatoare se pot deosebi doua tipuri:
-un tip de oscilatoare cu cuplaj magnetic la care sarcina amplificatorului este circuitul oscilant acordat (CO) si cuadripolul este sub forma unei bobine de reactie (figura 13, a) ;
-alt tip de oscilatoare având ca sarcina a amplificatorului o bobina si drept cuadripol de reactie un circuit acordat CO (figura 13, b).

Figura 13. Oscilator cu cuplaj magnetic
a -cu circuit acordat în colector si bobina de reactie montata în circuitul de intrare; b -cu bobina în colector si circuit acordat montat în circuitul de intrare.
Oricare ar fi situatia, frcventa de oscilatie a oscilatorului este frecventa de rezonanta a circuitului acordat, determinata de valorile parametrilor sai L si C. Rezulta ca proprietatile selective ale oscilatorului în privinta frecventei unice de lucru (la un montaj dat) se pot datora fie amplificatorului (daca CO reprezinta sarcina sa), fie cuadripolului de reactie (daca acesta este construit din CO respectiv).
Stabilitatea frecventei oscilatoarelor cu reactie. O problema importanta care apare la oscilatoare este stabilitatea frecventei oscilatiilor. Frecventa de oscilatie find determinata de inductanta si capacitatea circuitului acordat, orice variatie a acestora duce la variatia frecventei de lucru. Cele mai importante cauze care pot provova variatia parametrilor LC ai circuitului sunt:
-variatia de temperatura a mediului ambiant;
-variatia tensiunior de alimentare;
-schimbarea în timp a valorilor LC a circuitului.
Pentru a obtine oscilatoare de mare stabilitate se pot folosi fie metode de compensare, fie metode de protectie:
-metodele de compensare presupun folosirea termistoarelor pentru a mentine curentul constant la variatile de temperatura si a varistoarelor pentru a mentine curentul constant la variatile de tensiune (în anumite limite);
-presupun introducerea elementelor circuitului acordat întrun termostat care mentine temperatura constanta.
În oricare din cazuri cuplajul elementului acticv cu circuitul acordat se face cât mai slab cu putinta.
La oscilatoare lucrând pe o frecventa fixa se poate ameliora stabilitatea folosind pentru frecvente înalte cristalul de cuart.
Oscilatoarele cu cristal de cuart. Anumite materiale cum sunt cuartul, turmalina, sarea , Seignette si altele, taiate în anumite moduri prezinta proprietati piezoelctrice. Aceste proprietati constau în aceea ca, aplicând placutei o tensiune electrica ea îsi modifica dimensiunile, iar aplicînd placutei forte mecanice apar sarcini electrice de un anumit tip pe fetele solicitate mecanic.
Se constata experimental ca o placuta de cuart, împreuna cu electrozii respectivi se comporta întrun montaj oarecum ca un circuit RLC, de tipul reprezentat în figura 15, b.

Figura 15. Cristal de cuart:
a -simbol, b -schema echivalenta.
Elementele schemei echivalente au semnificatiile:
L -echivalentul electric al masei cristalului;
Cs -echivalentul electric al elasticitatii;
R -echivalentul electric al pierderilor prin frecare;
Cp -capacitatea monturii, capacitatea dintre electrozi.
Circuitul are doua frcvente de rezonanta din care una serie si alta derivatie. Circuitul poseda cel putin doua caracteristici esentiale:
-rezistenta de pierderi R este mult mai mica decât reactanta X, astfel încât facorul de calitate al circuitului este foarte mare, putând atinge valori de ordinul sutelor de mii
-valorile parametrilor R,L, Cs, Cp sunt foarte stabilite în timp si influentate putin de elementele de circuit.
Aceste caracteristici explica marea stabilitate a oscilatoarelor cu cuart.
Avantajele oscilatoarelor cu cuart constau în obtinerea unei bune stabilitati a frecventei întro constructie simpla si robusta. Dezavantajul consta în faptul ca nu pot lucra decât pe frecvente fixe, caracteristice cristalului utilizat, cuprinse între 100 kHz si 40 MHz; la frcvente prea joase dimensiunile placii de cuart devin prea mari, iar la frecvente prea înalte ar fi nevoie de placi prea subtiri care ar deveni fragile.
b. Oscilatoarele RC
În domeniul frecventelor de peste 100 Khz, oscilatoarele LC se pot realiza cu bobine si condensatoare de valori usor de construit, cu rezistente de pierderi mult mai mici decât reactantele respective, deci cu factori de calitate ridicati, asigurând o buna stabilitate a frecventei.
La frecvente de ordinul zecilor de kHz apar dificultati în realizarea oscilatoarelor, impunându-se valori mari atât inductantelor bobinelor, cât si capacitatii condensatoarelor. În aceste conditi nu mai pot fi folosite condensatoare variabile, ci fixe, iar bobinele au un numar mare de spire, rezistenta de pierderi mare si deci un factor de calitate slab.
La frecvente de ordinul kHz si mai mici, practic nu se mai pot folosi oscilatoare LC.
În aceste conditii, în domeniul frecventelor joase (Hz -zeci de kHz) se utilizeaza oscilatoare cu reactie pozitiva selectiva, având cuadripolul de reactie construit din rezistente si condensatoare. Aceste oscilatoare se numesc oscilatoare RC.
În cazul oscilatoarelor RC se pun aceleasi probleme ca si în cazul oscilatoarelor cu reactie studiate anterior. Parametrii lor trebuie sa îndeplineasca atât conditia de amplitudine cât si cea de faza. Spre deosebire de oscilatoarele LC, la care frecventa de lucru are frecventa de rezonanta a circuitului oscilant LC, în cazul oscilatoarelor RC frecventa semnalului generat este acea frecventa pentru care, datorita reactiei pozitive, amplificarea circuitului devine infinita. Ea se afla impunând relatia (12) dintre aceste defazaje este satisfacuta numai pentru o singura frecventa, egala cu frecventa de oscilatie.
Conditia de amplirudina da, ca si în cazurile anterioare, relatiile ce trebuie sa existe între marimile caracteristice amplificatorului si cele ale cuadripolului de reactie pentru a asigura amorsarea oscilatiilor.
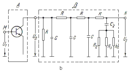
Oscilatoarele RC se pot clasifica dupa urmatoarele criterii:
-oscilatoare RC cu un singur tranzistor;
-oscilatoare RC cu doua tranzistoare.
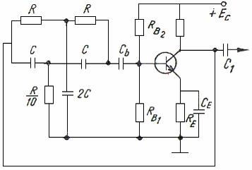
-cu retea de defazare trece-sus (figura 17);
-cu retea de defazare trece-jos (figura 18);
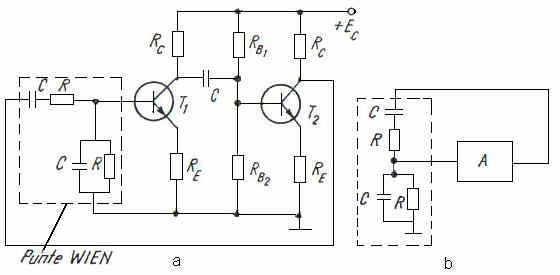
-cu punte Wien (figura 19);
-cu punte dublu T (figura 20)


Figura 17. Oscilator RC cu retea de defazare trece-sus:
a -schema electrica, b -structura amplificator-cuadripol de reactie.


Figura 18. Oscilator RC ce retea de defazare trece-jos:
a -schema electrica, b structura amplificator-cuadripol de reactie.

Figura 19. Oscilator RC cu punte Wien:
a -schema electrica, b -structura amplificator cuadripol de reactie.

Figura 20. Oscilator RC cu punte dublu T.
CAP.4. MODULATOARE / DEMODULATORE
4.1Modulatoarele sunt circuite electronice continând elemente neliniare, cu ajutorul carora se realizeaza modulatia prin varierea unor parametri în ritmul semnalului modulator.
În figura 21 se prezinta schema bloc a unui modulator,
format dintrun element neliniar si un filtru de banda. La intrarea
elementului neliniar se aplica o oscilatie purtatoare (
), peste care se suprapune semnalul modulator util (
); la iesire va aparea semnalul modulat, format din
frecventa purtatoare (
) si celelalte componente(
).Filtrul trece-banda selecteaza banda de
frecventa corespunzatoare semnalului modulat.
Cele mai folosite sunt modulatoarele de amplitudine si de fecventa.

figura 21. Schema bloc a unui modulator:
EN -element neliniar; FB -filtru trece-banda
Modulatoare de amplitudine
Elementle neliniare în cazul modulatoarelor de amplitudine, folosite în schema bloc din figura 21. pot fi: tuburi electronice, diode semiconductoare si tranzistoare.
În telecomunicatii se folosesc modulatore având ca elemente neliniare unu sau mai multe diode semiconductoare.
În figura 22,a se prezinta o schema cu o singura dioda, caruia i se aplica atât semnalul purtatoarei (F), din generatorul existent în secundar cât si semnalul util modulator (f) în primarul transformatorului. La iesire se obtin cele trei componente: F, F+f, F-f.

Fig 22. Modulatoare:
a -cu o dioda, b .modulator echilibrat (în contratimp), c- modulator dublu echilibrat (în inel).
În cazul în care se doreste numai obtinerea componentelor laterale, în absenta (suprimarea) purtatoarei se foloseste o schema de modulator echilibrat (în contratimp) sau de modulator dublu echilibrat (în inel, figura 22, c). Exista scheme în care se suprima atât frecventa purtatoare cât si una din benzile laterale, cu ajutorul unui filtru trece-banda corespunzator. Sistemul se foloseste în cazul transmisilor cu ,,banda laterala unica
În radiocomunicatii, unde puterea semnalelor modulate este mult mai mare (zeci-sute de kW), ca elemente neliniare se folosesc tuburi electronice de putere mare sau tranzistoare în cazul emitatoarelor de putere mai mica. În aceste cazuri, producerea semnalului modulat nu se mai bazeaza pe neliniaritatea curent-tensiune (ca la diode), ci pe dependenta parametrilor elementului activ de variatie în timp a semnalului modulator.
Dupa electrodul pe care se aplica semnalul modulator, exista modulatie pe grila (emitor), pe anod (colector), sau pe catod (baza), dar în practica se folosesc mai des primele doua variante.
Modulatoare de frecventa
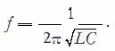
Cea mai simpla metoda de obtinere a unei oscilatii modulate în fecventa este urmatoarea: semnalul modulator actioneaza asupra parametrilor care determina frecventa unui oscilator ce genereaza semnalul purtator. Daca oscilatorul este de tip LC, atunci frecventa se poate considera ca este data de relatia:
(14)
În consecinta este nevoie de un dispozitiv care sa realizeze variatia inductantei L sau a capacitatii C în ritmul semnalului modulator. Un asemenea dispozitiv este tubul sau tranzistorul de reactanta. Schemele de principiu a unor astfel de tranzistoare de reactanta sunt reprezentate în figura 25.
Se poate arata ca impedanta de intare a acestui dispozitiv ZE depinde de parametri rezistorului dupa relatia:
(15)

Figura 25. Tranzistor de reactanta:
a -schema principala, b -reactanta inductiva, c -reactanta capacitiva.
În
care
reprezinta panta
tranzitorului; daca
(figura 25, b), se
obtine:
(16)
în care inductanta este:
(17)
Montajul este deci echivalent cu o inductanta a carei valoare depinde de valoarea tubului. Daca se introduce semnalul modulator în circuitul de emitor, el determina variatia polaritatii emitor-baza si deci variatia pantei, respectiv a inductantei Lech. în ritmul semnalului modulator.
În
mod identic, folosind
(figura 25. c) se
obtine:
(18)
în care capacitatea echivalenta este:
(19)
Ca elemente de reactanta variabile se mai pot utiliza diode semiconductoare polarizate invers (figura 26), de tip diode vericap, la care capacitatea de bariera C se modifica invers proportional cu tensiunea inversa aplicata.
Pentru realizarea modulatiei de frecventa, elementele de reactanta se monteaza în paralel pe circuitul LC al oscilatorului. Aceasta metoda este relativ simpla, însa are dezavantajul ca stabilitatea frecventei purtatoare nu este satisfacatoare.

Figura 26. Modulatorul MF cu dioda vericap.
4.2 DEMODULATOARE
Procesul în urma caruia se obtine semnalul de modulatie dintrun semnal modulat, poarta numele de proces de demodulatie sau de detectie. Detectia nu se poate realiza cu ajutorul unor circuite selective, deoarece semnalul modulat nu reprezinta o componenta a celui modulat. Demodulatia, ca si modulatia, sunt procese neliniare, necesitând componente de circuit neliniare.
Pentru demodularea semnalelor cu purtatoare sinusoidala se folosesc:
-demodulatoare pentru semnale MA, numite detectoare;
-demodulatoare pentru semnale MF, în doua variante: discriminatoare de faza si detectoare de raport;
-demodulatoare pentru semnale MP.
Demodulatoare pentru oscilatii demodulate în amplitudine.
În cazul modulatie de amlitudine, pentru extragerea componentei cu frecventa fm din spectrul oscilatiei modulate este nevoie de un element neliniar, urmat de un filtru trece-jos care sa permita obtinerea frecventelor numai pâna la fm, celelalte urmând sa fie eliminate.
Ca elemente neliniare se folosesc de obicei diodele cu vid sau diodele semiconductoare, existând si unele scheme care utilizeaza în acest scop spatiul grila-catod al unei triode, respectiv jonctiunea emitor-baza a unui tranzistor.

Figura 27. Circuite demodulatoare pentru oscilatii:
a -cu dioda serie; b -cu dioda paralel.
În figura 27 sunt reprezentate doua scheme mai raspândite de detectoare cu diode. Grupul RdCd reprezinta atât impedanta de sarcina a detectorului cât si un filtru trece-jos, condensatorul Cd fiind astfel ales ca valoare, încât permite obtinerea semnalului util, dar scurtcircuiteaza componentele de radiofrecventa. În multe cazuri, la iesirea circuitului se monteaza un filtru trece-jos suplimentar.
Functionarea detectorului este urmatoarea: la aplicarea semnalului modulat la intrarea diodei, acesta conduce în timpul alternantelor pozitive si este blocata pe durata alternantelor negative, cea ce face ca semnalul obtinut imediat dupa dioda sa fie format numai dintro alternanta a semnalului modulat, care poate fi alternanta pozitiva sau negativa, depinzând de tipul circuitului (detectie sau derivatie) si de modul de montare în circuit a diodei.
Prezenta condensatorului Cd are urmatoarele consecinte:
-scurtcircuiteaza componentele de înalta frecventa ale semialternantei ramase, obtinându-se la bornele sale numai semnalul util;
-datorita inertiei sale, în timpul încarcari pe
durata alternantelor pozitive ale semnalului util, el se încarca la o
tensiune apropiata de valoarea de vârf, dar nu se descarca decât
foarte putin pe durata alternantelor negative, mentinând astfel
ridicat nivelul semnalului detectat. Pentru obtinerea acestui efect,
trebuie ca valoarea constantei de timp t= RdCd sa
fie mai mare decât perioada T a semnalului de înalta
frecventa:
. (20)
Valoarea acestei constante de timp nu se poate alege prea mare, existând riscul ca la valori foarte mari încarcarea si descarcarea condensatorului sa nu se mai faca în ritmul undei modulatoare (efect de neurmarire). Îndeplinirea simultana a celor doua conditii conduce la valori ale rezistentei Rd de ordinul kΩ si la valori de ordinul nF pentru condensatorul Cd de detectie.
Demodulatore pentru oscilatii modulate în fecventa.
În principiu, schema unui modulator pentru oscilatii MF consta din doua parti:
-o parte care transforma oscilatia MF întro oscilatie MA;
-un detector pentru oscilatii MA.
Dupa modul în care se executa prima operatie demodulatoarele pot fi:
-demodulatoare cu circuite dezacordate;
-discriminatore de faza;
-detectoare de raport.
Demodulatorul cu circuite dezacordate
Una dintre cele mai simple metode pentru transformarea modulatiei de frecventa întro modulatie de amplitudine consta în utilizarea unui circuit rezonant derivatie, dezacordat fata de frcventa purtatoare (f ) a semnalului modulat în frecventa (amplitudine-frecventa).
În figura 28 este reprodusa caracteristica unui circuit acordat derivatie (se presupune ca circuitul este acordat pe frecventa f ). Daca circuitului i se aplica un semnal modulat în frecventa de purtatoare f si amplitudinea constanta, atunci o data cu variatia frecventei (în limitele ±Δf), amplitudinea relativa a semnalului care se culege de la bornele sale variaza ca în figura 28,c (amplitudinea relativa reprezinta raportul dintre amplitudinea semnalului de iesire având o frecventa oarecare si cea corespunzatoare frecventei purtatoare).

Figura 28. Principiul de functionare a modulatorului MF cu circuit dezacordat:
a -caracteristica amplitudine-frecventa; b -variatia frecventei;
c -variatia amplitudini relative a semnalului de iesire.
|