Documente online.
Zona de administrare documente. Fisierele tale
Am uitat parola x Creaza cont nou
 HomeExploreaza
upload
Upload




CIRCUITE MAGNETICE

Fizica


CIRCUITE MAGNETICE

10.1. Consideratii generale si definitii

Conform teoremei refractiei, liniile de câmp magnetic sunt practic tangentiale pe fetele interioare ale suprafetei corpuri­lor feromagnetice cu ” >> ”0. De asemenea, la suprafata acestor corpuri - daca nu sunt prezente pânze de curent pe suprafata - se conserva componenta tangentiala a intensitatii câmpului magnetic . Rezulta ca în interiorul corpurilor feromagnetice componenta tangentiala a inductiei este mare în comparatie cu cea din exterior (din aer, unde ), iar liniile inductiei magnetice sunt conduse prin corpurile feromagnetice asemanator cu modul în care sunt conduse liniile densitatii curentului de conductie prin conductoare. Deoarece si liniile de inductie magnetica sunt practic închise, se numeste circuit magnetic un dispozitiv în care aceste linii trec print 252g64c r-o succesiune de corpuri fero- sau ferimagnetice, separate eventual prin portiuni neferomagnetice, numite întrefieruri.



In figura 10.1-1 se arata doua circuite magnetice, utilizate a) în transformatorul electric monofazat si b) în releul electromagnetic. Portiunile de circuit magnetic pe care se asaza bobinele (b) se numesc coloane (c) sau miez (m), iar restul circuitului magnetic este închis prin juguri (j) si întrefieruri (î); portiunile mobile (deplasabile) ale circuitului magnetic se numesc armaturi (a). De o parte si de alta a întrefierurilor apar poli magnetici. Conventional se considera poli nord (N) fetele feromagnetice din care ies linii de câmp ( orientat din spre fier spre întrefier) si poli sud (S) cele în care intra liniile de câmp.

Fig. 10.1-1. Exemple de circuite magnetice.

Cea mai mare parte a liniilor câmpului inductiei magnetice se închid prin fier si întrefier, formând liniile câmpului util (sau principal). O alta parte, mai mica, a liniilor inductiei magnetice se închid numai printr-o parte a circuitului magnetic si apoi prin aer (prin spatiul neferomagnetic înconjurator), formând liniile câmpului de dispersie, carora le corespunde fluxul magnetic de dispersie.

O problema importanta o formeaza rezolvarea circuitelor magnetice (numita si analiza circuitelor magnetice), care se formuleaza astfel: pentru un circuit magnetic, de configuratie data si format din materiale cu caracteristici magnetice cunoscute, se cere sa se determine prin calcul fie fluxurile magnetice utile si de dispersie la o distributie data a solenatiilor, fie solenatiile de excitatie necesare producerii unui flux magnetic util dat. Problemele de mai sus se pot rezolva fie direct, prin aplicarea legii fluxului magnetic si a teoremei lui Amp re, fie utilizând analogia dintre circuitele electrice si circuitele magnetice.

Intr-o prima aproximatie, circuitele magnetice se rezolva neglijând dispersia magnetica si considerând fluxul magnetic uniform distribuit în sectiuni transversale pe liniile de câmp (se considera aceeasi inductie în toate punctele unei sectiuni transversale), iar circuitul magnetic se împarte în portiuni practic omogene din punct de vedere magnetic.

In legatura cu calculul fluxului magnetic al laturilor de circuit magnetic trebuie precizata notiunea de flux magnetic fascicular. Prin flux magnetic facscicular se întelege fluxul magnetic calculat prin sectiunea unei laturi de circuit magnetic. Asadar, fluxul magnetic fascicular reprezinta analogul magnetic al curentului electric de conductie din electrocinetica.

10.2. Metoda directa de rezolvare a unui circuit magnetic

Metoda directa consista în aplicarea succesiva a legii fluxului magnetic si a teoremei lui Amp re, în vederea determina­rii relatiei dintre fluxul magnetic util al circuitului magnetic neramificat si solenatia excitatoare.

Metoda se ilustreaza cu exemplul din figura 10.2-1, al unui circuit magnetic în forma de C, având o bobina cu solenatia N i, mai multe portiuni feromagnetice omogene, cu lungimi ale liniilor de câmp medii lk, k = 1,...,5, arii ale sectiunilor transversale Ak, precum si un întrefier de largime ld si o arie a sectiunii transversale Ad (prin care trece fluxul magnetic în întrefier, arie aproximativ egala cu sau ceva mai mare decât aria sectiunii transversale a polilor vecini).

Fie fu fluxul magnetic fascicular util al circuitului magnetic prin sectiunea 6 (întrefier).

Se aplica legea fluxului magnetic unor suprafete Sk care trece prin întrefier si printr-o sectiune oarecare de ordin k a circuitului magnetic. Datorita neglijarii dispersiei, circuitul magnetic neramificat reprezinta un tub de flux, deci în orice sectiune are acelasi flux magnetic

Fig. 10.2-1. Circuit magnetic neramificat, în forma de C.

Datorita ipotezei simplificatoare ca inductia magnetica este practic constanta în fiecare sectiune transversala, rezulta

Cunoscând curba de magnetizare Bk (Hk) a materialului magne­tic al fiecarei portiuni de ordin k a circuitului magnetic, se deduce valoarea intensitatii câmpului magnetic Hk corespunzatoare.

Pentru întrefier (portiunea 6) relatia este

Aplicând teorema lui Amp re unei linii de câmp medii a circuitului magnetic (reprezentata cu linie întrerupta în figura 10.2-1) se poate determina solenatia excitatoare necesara. Se calculeaza întâi tensiunile magnetice ale portiunilor omogene

Tensiunea magnetomotoare a circuitului se obtine prin sumare

Din teorema lui Amp re rezulta solenatia Q necesara sau curentul de excitatie i necesar

Dând fluxului magnetic util fu diferite valori, se poate construi caracteristica magnetica a circuitului magnetic, adica dependenta fu Q) sau fu(i). În figura 10.2-2 se arata forma tipica a caracteristicii magnetice pentru o bobina cu miez feromagnetic si întrefier.

Fig. 10.2-2. Caracteristica magnetica a unui circuit magnetic cu întrefier.

Daca se da solenatia (sau curentul de excitatie), fluxul magnetic util fu se determina prin încercari succesive (metode de aproximare succesiva) sau construind întâi caracteristica magne­tica a circuitului, pe care se determina fluxul util corespunza­tor solenatiei date.

Pentru circuite magnetice ramificate, metoda directa de rezolvare consista în construirea de caracteristici magnetice partiale pentru laturile de circuit magnetic, care se compun apoi corespunzator relatiilor ce rezulta din legea fluxului magnetic si din teorema lui Amp re. Acest caz se trateaza mai sistematic în cadrul metodei care face apel la analogia dintre circuitele magnetice si circuitele electrice de curent continuu.

Observatie. Daca circuitul magnetic neramificat este liniar, adica portiunile sale pot fi caracterizate prin permeabilitati constante ”k, atunci se obtine usor relatia explicita



Expresia data de suma reprezinta reluctanta echivalenta a circuitului magnetic neramificat, asa cum va rezulta din metoda prezentata în continuare.

10.3 Teoremele lui Ohm si Kirchhoff referitoare la circuite magnetice

Între marimile globale care caracterizeaza circuitele magnetice (ff, Um, Q) si marimile care caracterizeaza circuitele electrice de curent continuu (I, U, E) se poate stabili o analogie completa, fapt care permite utilizarea la circuitele magnetice a unor concepte si a unor metode de calcul dezvoltate în teoria circuitelor electrice.

Teoria circuitelor electrice de curent continuu are la baza legea lui Ohm si teoremele lui Kirchhoff. Pentru circuitele magnetice se pot stabili teoreme analoge celor de mai sus.

Se considera o portiune neramificata de circuit magnetic, care formeaza un tub de flux, adica are acelasi flux magnetic fascicular ff în oricare sectiune transversala (fig. 10.3-1). De asemenea, se considera ca în fiecare sectiune transversala S, de arie A, vectorul inductiei magnetice este perpendicular pe sectiune si are aceeasi valoare în toate punctele sectiunii, astfel încât relatia dintre fluxul fascicular si inductie va fi

Considerând cunoscuta valoarea permeabilitatii ” a mediului în sectiunea S se deduce valoarea intensitatii câmpului magnetic

Fig. 10.3-1. Portiune de circuit magnetic.

Calculând tensiunea magnetica de-a lungul liniei de câmp C medii (linia axa), între doua sectiuni transversale S1 si S2 si tinând seama ca vectorii sunt omoparaleli, rezulta

Marimea

se numeste reluctanta portiunii de circuit magnetic (numita, uneori, si rezistenta magnetica), iar relatia

constituie teorema lui Ohm referitoare la circuite magnetice, fiind teorema analoga legii lui Ohm (de la circuitele electrice).

Relatia (10.3-4) se mai numeste si relatia constitutiva a laturii de circuit magnetic.

În sistemul international de unitati (SI), unitatea de masura a reluctantei se numeste amper pe weber si se simbolizeaza [A/Wb] sau [H-1].

Marimea reciproca reluctantei, notata cu P sau L

se numeste permeanta. Unitatea de masura a permeantei se numeste weber pe amper, simbolizata [Wb/A], sau henry, simbolizata [H].

Relatiile stabilite mai sus permit sa se întrevada existenta unei analogii între circuitele magnetice si circuitele electrice de curent continuu, pe baza urmatorului tablou de corespondenta între marimi:

Circuite magnetice

Circuite electrice

Inductia magnetica

Densitatea curentului

Intensitatea câmpului magnetic

Intensitatea câmpului electric

Flux magnetic fascicular

ff

I

Intensitatea curentului electric

Tensiune magnetica

Um

U

Tensiune electrica

Reluctanta

Rm

R

Rezistenta electrica

Permeanta

P,L

G

Conductanta

Solenatie

Q

E

Tensiune electromotoare

Trebuie observat faptul ca, pe când tensiunea electromotoare care intervine în circuitele de curent continuu are o localizare bine precizata (în laturi), solenatia poate fi asociata numai unui ochi (contur închis), deci solenatiei ar trebui sa i se asocieze o tensiune electromotoare de ochi.

In cazul circuitelor magnetice, solenatia este data de bobine parcurse de curent, deci solenatia unei bobine de ordin k, cu Nk spire si parcursa de curentul ik, se prezinta sub forma

ca marime care are semnul curentului ik. Acestei solenatii i se poate asocia un sens de referinta axial în modul urmator.

Fie o bobina cu solenatia Q, data de curentul i, care în bobina are sensul de referinta marcat (în sectiunile bobinei, fig. 10.3-2), în conformitate cu sensul de înfasurare al conductorului bobinei. Pentru calculul solenatiei pe o suprafata deschisa, sprijinita pe un contur închis G, sensului de parcurgere al conturului G i se asociaza un versor al normalei dupa regula burghiului drept. Se observa usor ca acest versor va avea aceeasi orientare ca sensul de referinta al curentului (atât pentru conturul închis spre dreapta G , cât si pentru conturul închis spre stânga G din figura 10.3-2), daca conturul G este parcurs în sensul care se asociaza sensului de înfasurare si sensului de referinta al curentului dupa regula burghiului drept. Acest sens, marcat cu o sageata ca în fig. 10.3-2, se atribuie solenatiei Q si constituie sensul de referinta axial al solenatiei calculate cu expresia Q = N i



Fig. 10.3-2. Definirea sensului de referinta axial al unei bobine.

Pentru a completa analogia dintre circuitele magnetice si circuitele electrice, mai trebuie stabilite teoremele topologice ale circuitelor magnetice, numite teoremele lui Kirchhoff.

Fie o retea magnetica, ca în figura 10.3-3, compusa din laturi (coloane, juguri, întrefieruri etc.) cu caracteristici magnetice cunoscute, având bobine cu solenatii date. Se noteaza cu fk fluxul magnetic fascicular al laturii k si acestui flux i se asociaza un sens de referinta (indicat cu sageata pe latura), omoparalel cu versorul al normalei la sectiunea transversala cu care a fost calculat (definit) fluxul respectiv.

Aplicând legea fluxului magnetic unei suprafete închise Sa, care înconjoara un nod (de ordin a) al retelei magnetice, adica

se obtine relatia

care constitue prima teorema a lui Kirchhoff referitoare la circuite magnetice: suma fluxurilor magnetice fasciculare ale laturilor concurente într-un nod, calculate cu acelasi sens de referinta fata de nod, este nula. In relatia (10.3-8) semnul se ia (+)daca sensul de referinta al fluxului magnetic fascicular respectiv este de iesire din nod (ca ) si (-) în caz contrar. În cazul concret din figura 10.3-3 rezulta relatia

Fig. 10.3-3. Retea magnetica.

În reteaua din figura 10.3-3 se considera un drum (contur) închis Gl, de-a lungul ochiului l, care se va parcurge în sens orar. Acestui ochi i se aplica teorema lui Amp re

Integrala de contur, reprezentând tensiunea magnetomotoare a ochiului l, se descompune în integrale de linie pe segmente ale curbei Gl, reprezentând tensiuni magnetice ale laturilor, iar integrala de suprafata, reprezentând solenatia ochiului l, se descompune într-o suma de solenatii datorite bobinelor laturilor care compun ochiul l

Se noteaza cu Umk tensiunea magnetica corespunzatoare laturii k, având acelasi sens de referinta ca fluxul magnetic fascicular fk al laturii (ca în teorema lui Ohm). Se mai noteaza cu Qk solenatia bobinelor laturii k, având sensul de referinta axial precizat asa cum s-a aratat mai înainte. Relatia (10.3-9) devine

si reprezinta   a doua teorema a lui Kirchhoff referitoare la circuite magnetice: suma tensiunilor magnetice ale laturilor ce formeaza un ochi, calculate în sensul de parcurgere, este egala cu suma solenatiilor bobinelor laturilor ochiului. Semnele se iau astfel:

- pentru tensiunile magnetice de latura se ia semnul (+) atunci când sensul de referinta al fluxului laturii coincide cu sensul de parcurgere si (-) în caz contrar;

- pentru solenatiile laturilor se ia semnul (+) atunci când sensul de referinta axial coincide cu sensul de parcurgere si (-) în caz contrar.

La circuite magnetice liniare a doua teorema a lui Kirchhoff se poate prezenta si sub o forma explicita, în care tensiunile magnetice de latura se expliciteaza cu ajutorul teoremei lui Ohm

Regula de semne ramâne cea enuntata anterior.

În cazul concret din figura 10.3-3 rezulta relatia

Tensiunea magnetica între doua noduri a si b (fig. 10.3-3) se poate calcula în acelasi mod, aplicând teorema lui Amp re unui contur G', care contine drumul a-b



Se observa usor ca prin analogia descrisa înainte s-ar fi putut stabili direct (fara a fi demonstrate) teoremele lui Kirchhoff pentru circuite magnetice, prin simpla transcriere a teoremelor corespunzatoare de la circuitele electrice.

Întrucât teoria circuitelor electrice are la baza relatiile topologice date de teoremele lui Kirchhoff si relatiile constitu­tive ale laturilor (legea sau teorema lui Ohm pentru laturile liniare), toate teoremele enuntate pentru circuitele electrice îsi au teoreme echivalente în teoria circuitelor magnetice. Astfel, de exemplu, daca circuitele magnetice sunt liniare (laturile au permeabilitati constante), atunci se pot folosi teoremele de superpozitie, de reciprocitate, teoremele reluctantelor echivalente, teoremele generatoarelor echivalente s.a.

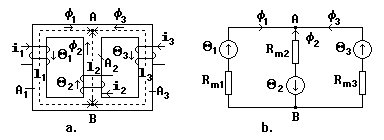
Aplicatie. Fie circuitul magnetic, considerat liniar, al unui miez cu trei coloane, cu câte o bobina pe fiecare coloana, ca în fig. 10.3-4a. Pe figura au fost marcate si elementele geometrice care permit caracterizarea fiecarei laturi (coloane) prin reluctanta corespunzatoare

Se mai noteaza solenatiile laturilor

cu sensurile de referinta axiale marcate pe figura, în corespondenta cu sensurile de referinta ale curentilor si cu sensurile de înfasurare ale bobinelor.

Se stabileste, fara dificultate, circuitul electric echivalent din figura 10.3-4b. Rezolvarea circuitului magnetic din figura 10.3-4a se reduce la rezolvarea circuitului electric 10.3-4b.

Fig. 10.3-4. Circuit magnetic (a) si schema sa echivalenta (b).

Dând fluxurilor magnetice sensuri de referinta (marcate pe figuri), cu metoda ecuatiilor asociate teoremelor lui Kirchhoff se stabileste urmatorul sistem de ecuatii

Rezolvarea sistemului de mai sus permite determinarea fluxurilor magnetice fasciculare f f f

10.4. Calculul circuitelor magnetice neliniare

Materialele feromagnetice din care sunt realizate circuitele magnetice au permeabilitatea dependenta de inductia sau de intensitatea câmpului magnetic, adica sunt materiale magnetice neliniare. In consecinta circuitele magnetice sunt, de regula, neliniare (din punct de vedere magnetic). Calculul circuitelor magnetice neliniare se aseamana cu calculul circuitelor electrice neliniare de curent continuu.

In cazul unei laturi neliniare de circuit magnetic nu mai este valabila teorema lui Ohm referitoare la circuite magnetice (10.3-4) si nu se poate defini o reluctanta care sa fie calculata cu relatia (10.3-3). Relatia între tensiunea magnetica Um a laturii si fluxul magnetic fascicular ff va fi data de o caracteristica magnetica Um(ff) sau ff(Um).Teoremele lui Kirchhoff ramân valabile în forma care nu face apel la teorema lui Ohm: prima teorema în forma (10.3-8), iar a doua - în forma (10.3-10).

Pentru o retea magnetica cu n laturi, cu ajutorul teoremelor lui Kirchhoff se pot scrie n ecuatii independente între fluxurile magnetice fasciculare fk ale laturilor si tensiunile magnetice Umk ale laturilor, iar caracteristicile magnetice ale laturilor reprezinta alte n relatii independente între aceleasi marimi. Se obtine, astfel, un sistem complet de 2n ecuatii, care determina solutia cautata.

Pentru exemplificare, se considera cazul unui circuit magnetic neliniar ca în figura 10.4-1a, având 3 laturi, cu o bobina pe prima latura, care produce solenatia Q. Cu sensurile de referinta marcate în figura, se pot scrie urmatoarele relatii între marimi:

Fig. 10.4-1. Circuit magnetic neliniar (a), caracteristicile sale si compunerea caracteristicilor (b).

În figura 10.4-1b s-au reprezentat caracteristicile magnetice fk(Umk) (neliniare) ale laturilor 1, 2 si 3, precum si caracteristica rezultanta f (Um ab) a laturilor 2 si 3, conectate în paralel conform relatiilor (10.4-1) si (10.4-2). Aceasta caracteristica se calculeaza astfel: pentru fiecare valoare data a tensiunii magnetice Um ab se aduna fluxurile magnetice fasciculare ale caracteristicilor 2 si 3. Apoi se poate calcula caracteristica fluxului magnetic fascicular ff Q), adunând tensiunile magnetice Um1 si Um ab pentru fiecare valoare a fluxului magnetic fascicular ff f (conform relatiei 10.4-3). Cu ajutorul caracteristicii rezultante ff Q) se poate determina punctul de functionare corespunzator unei solenatii excitatoare Q date, sau unui flux fascicular f dat si apoi se deduce starea magnetica a tuturor laturilor.

Pe caracteristicile laturilor f (Um1), f (Um ab), f (Um ab) au fost marcate trei puncte de functionare corespunzatoare unui sir de 3 solenatii în progresie aritmetica: 3Q Q Q

Punctele de functionare se pot determina si prin calcul iterativ. De exemplu, pentru o solenatie data Q , se ia ca variabila independenta tensiunea magnetica Um ab. Acesta tensiune determina toate tensiunile magnetice ale laturilor prin relatiile (10.4-2) si (10.4-3), asa ca determina valoarea functiei f(Um ab) = f f f . Cautând radacina acestei functii (de exemplu cu metoda Newton), se determina tensiunea magnetica Um ab corespunzatoare si apoi starea magnetica a oricarei laturi.




Document Info


Accesari: 14549
Apreciat: hand-up

Comenteaza documentul:

Nu esti inregistrat
Trebuie sa fii utilizator inregistrat pentru a putea comenta


Creaza cont nou

A fost util?

Daca documentul a fost util si crezi ca merita
sa adaugi un link catre el la tine in site


in pagina web a site-ului tau.




eCoduri.com - coduri postale, contabile, CAEN sau bancare

Politica de confidentialitate | Termenii si conditii de utilizare




Copyright © Contact (SCRIGROUP Int. 2025 )