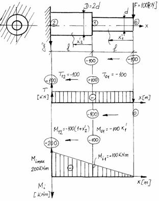
Sa se dimensioneze la încovoiere grinda de sectiune
circulara plina (constant 16216i817q 59; pe tronsoane) având
m,
kN,
MPa.

Vezi observatie problema 2.1.10
Sectiuni periculoase 2) si 1)

=
= 119,3 [mm]
[mm]
[mm]
Fig. 3.4.1
;
[mm]
[mm];
[mm]
Observatie: În acest caz
sectiunea periculoasǎ nu este cea de Mi
, ci sectiunea 1 cu
care da
conditii dimensionale mai restrictive.
Sa se verifice tensiunile normale si tangentiale
maxime în sectiunile 1 si 2 date de forta
[kN] aplicata
grinzii de sectiune circulara plina (constant 16216i817q 59; pe
tronsoane) cu
[mm] si
[mm], apoi sa se
compare valorile celor doua sectiuni între ele si cu tensiunile
admisibile
[MPa],
[MPa].

Fig. 3.4.2
[mm3]
[mm4]
[mm]
[mm3]
[MPa]
[MPa]
[mm3]
[mm4]
mm
[mm3]
[MPa]
[MPa]
![]()
![]()
Sa se verifice forta capabila de încovoiere
aplicata grinzii de sectiune circulara plina
(constanta pe tronsoane) cu
[mm] si
[mm],
[MPa],
[m] si sa se
compare cu
[kN] (vezi problema
3.4.2).

Vezi problema 3.4.2
Sectiunile periculoase: 1 si
2 (vezi problema 3.4.2)
Vezi problema 3.4.2
=
= ![]()
Fig. 3.4.3
kN

kN
kN
kN >
kN
Sa se verifice la
încovoiere grinda din problema 2.1.7, cu sectiunea din problema 2.2.6 (
mm,
MPa) si sa
se reprezinte variatia tensiunilor
.
[1] [2] [3] - Vezi problema 2.1.7
mm4
mm3
mm3
mm3
Grinda
fiind de sectiune constanta, sectiunea cea mai solicitata
este sectiunea cu
.
Mpa
Mpa
Mpa
Mpa
![]()

Fig. 3.4.4
Sa se dimensioneze la
încovoiere grinda din problema 2.1.11 (
kN/m,
m,
MPa) cu sectiunea
din problema 2.2.14 si sa se reprezinte variatiile tensiunilor
,
.
[1] [2] [3] - Vezi problema 2.1.11
- Vezi problema 2.2.14
Grinda
fiind de sectiune constanta, sectiunea cea mai solicitata
este sectiunea cu
.
kNm
kN
smax = 
dnec =
= 14,7 mm
def = 15 mm
= 2176 d 106 mm4
= 272 d 104 mm3
= 112 d 104 mm3
= 176 d 104 mm3
= 192 d 104 mm3
=
= 141,6 MPa
=
= 3,7 MPa
=
= 7,4 MPa
=
= 11,7 MPa
=
= 5,8 MPa
=
= 6,4 MPa.

Fig. 3.4.5
Sǎ se dimensioneze la încovoiere grinda din problema 2.1.12 (p = 6
kN/m, l = 2 m, sat = 30 MPa, sac = 90 MPa) cu sectiunea din problema 2.2.10
si sa se reprezinte variatiile tensiunilor:
,
.
[1] [2] [3] - Vezi problema 2.1.12
- Vezi problema 2.2.10
- Grinda fiind de sectiune constanta, sectiunea cea mai solicitata este
sectiunea cu Mimax
Mimax p l2 = 5 22 = 120 [kN/m]
Tmax = 3 p l = 36 kN
= 101,790 d ;
=142,506 d
smax =
d nec = 
smin =
= 
= 33,99 mm
def = 34 mm
= 712,533 d 106 mm4
= 101,790 d 104 mm3
= 142,506 d 104 mm3
= 87,5 d 104 mm3
= 36,96 d 104 mm3
= 70,56 d 104 mm3
=
= 30 MPa
=
= - 21,4 MPa
ti - i =
= 0,55 MPa
=
= 0,23 MPa
=
= 0,81 MPa
=
= 1,54 MPa
=
= 0,44 MPa
8

Fig. 3.4.6.
Sa
se dimensioneze la încovoiere grinda din problema 2.1.13 (F =10
kN/m, l = 2 m, sat = 150 MPa) cu sectiunea din problema
2.2.15 si sa se reprezinte variatia tensiunilor:
,
.
[1] [2] [3] - Vezi problema 2.1.13
- Vezi problema 2.2.15
- Grinda fiind de sectiune constanta, sectiunea cea mai solicitata este
sectiunea cu Mimax
Mmax F l = 8 2 = 160 [kN/m]
Tmax = 3 F = 3 30 kN
smax = 
dnec =
mm
def = 32 mm
=
MPa
= 24 d 104 mm3
= 29 d 104 mm3
Iz = 127 d 106 mm4
j - j =
= 2,04 MPa
= 0,41 MPa
=
= 0,49 MPa

Fig. 3.4.7
Sa
se determine sarcina capabila la încovoiere pentru grinda din
problema 2.1.15 (l = 1 m, sat = 150 MPa) cu sectiunea din Problema 2.2.9 (d = 5 mm) si sa se reprezinte
variatia:
,
.
[1] [2] [3] - Vezi problema 2.1.15
- Vezi problema 2.2.9
- Grinda fiind de sectiune constanta, sectiunea cea mai solicitata este
sectiunea cu Mimax
Iz = 492 d 104 mm4
Wz = 98,4 d 103 mm3
smax =
Fcap
=
= 1230 N
Fcap = 1,2 kN
=
MPa
= 45 d = 5625
mm3
= 61 d = 7625
mm3
=
= 0,88 MPa
=
= 4,4 MPa
=
= 5,95 MPa
Fig. 3.4.8
Sa
se determine sarcina capabila la încovoiere pentru grinda din
Problema 2.1.21 (l = 2 m, sat = 150 MPa) cu sectiunea din Problema 2.2.16
(d = 20 m) si sa se reprezinte
variatia tensiunilor:
,
.
[1] [2] [3] - Vezi problema 2.1.21
- Vezi problema 2.2.16
- Grinda fiind de sectiune constanta, sectiunea cea mai solicitata este sectiunea
cu Mimax
Iz
= 32 d 106
mm4 ; Wz
= 8 d 104
mm3
|s|max =
pcap
=
= 0,8 kN/m
Mimax = 3 p l 22 = 9,6 kNm
Timax = 3 p l 2 = 4,8 kN
=
MPa
=
MPa
= 8 d 103 mm3
=
= 3 MPa
=
= 0,75 Mpa

Fig. 3.4.9
Sǎ se determine sarcina capabilǎ
la încovoiere pentru grinda din Problema 2.1.22 (l = 3 m, sa = 100 MPa) cu sectiunea din Problema
2.2.17 (d = 50 mm)
si sa se reprezinte variatia tensiunilor:
,
.
[1] [2] [3] - Vezi problema 2.1.22
- Vezi problema 2.2.17
- Grinda fiind de sectiune constanta, sectiunea cea mai solicitata este
sectiunea cu Mimax
Iz = 298,67 d 106 mm4 ;
Wz
= 49,78 d = 622,25 104 mm3
Wz
= 74,67 d = 933,375 104 mm3
|s|max =
pcap =
= 8,64 kN/m
pcap = 8 kN/m
Mmax = 8 p l 32 = 576 kNm
Tmax = 3 p l 3 = 72 kN
=
MPa
= -
MPa
= 38,4 d 104 mm3
= 43,2 d 104 mm3
=
= 0,58 MPa
=
= 1,54 Mpa
=
= 1,74 MPa

|