Documente online.
Zona de administrare documente. Fisierele tale
Am uitat parola x Creaza cont nou
 HomeExploreaza
upload
Upload




INDUCTIVITATI

Fizica


INDUCTIVITĂŢI

Calculul fluxului magnetic al unui circuit electric, datorit curentului acelui circuit sau curentilor altor circuite, conduce la introducerea marimii numite inductivitate sau inductanta. Inductivitatea se defineste în situatia în care câmpul magnetic este produs de curentul electric al unui singur circuit, numit circuit excitator sau circuit inductor. In aceste conditii, inductivita­tea reprezinta raportul dintre fluxul magnetic al unui circuit (calculat printr-o suprafata sprijinita pe conturul acelui circuit) - numit circuit indus - si intensitatea curentului circuitului inductor.



Daca în vecinatatea circuitelor exista numai medii magnetice liniare (cu permeabilitate constanta,independenta de intensitatea câmpului magnetic), inductivitatea depinde numai de dimensiunile, de forma circuitelor si de permeabilitatea magnetica a mediului. În mediile feromagnetice permeabilitatea (”) depinde de intensi­tatea câmpului magnetic (H) respectiv de inductia magnetica (B), deci si inductivitatea va depinde de curentul inductor; în acest caz notiunea de inductivitate devine mai putin utila. În cele ce urmeaza se va considera numai cazul mediilor magnetice liniare (sau liniarizate).

12.1 Fluxuri si inductivitati proprii si mutuale

Se considera un circuit filiform 1, având curba axa G , care este parcurs de curentul de conductie i1 si produce un câmp magnetic , reprezentat prin liniile sale de câmp (fig. 12.1-1). Se noteaza cu f si se numeste flux magnetic propriu al circuitului 1, fluxul magnetic al câmpului de ind 151b14b uctie printr- o suprafata SG sprijinita pe curba axa G a circuitului 1

Versorul normalei este asociat sensului de parcurgere al curbei axa G dupa regula burghiului drept; la definirea inducti­vitatii proprii, este ales ca sens de parcurgere natural al curbei axa G chiar sensul de referinta al curentului i

Se numeste inductivitate proprie (sau autoinductivitate) raportul

Inductivitatea proprie definita cu sensul natural de parcurgere este pozitiva.

Fig. 12.1-1. Notatii pentru definirea fluxurilor magnetice proprii si mutuale.

Daca în vecinatatea circuitului (excitator) 1 se afla un alt circuit (indus) 2, având curba axa G (fig. 12.1-1), câmpul magnetic va determina prin circuitul indus un flux magnetic mutual f , al circuitului 2, produs de circuitul 1 (calculat printr-o suprafata SG sprijinita pe curba axa G

Versorul normalei la suprafata se asociaza sensului de parcurgere al circuitului 2 (al curbei axa G ) dupa regula burghiului drept. Aici nu exista o regula naturala pentru alegerea sensului de parcurgere al circuitului 2, deci acest sens trebuie specificat explicit, asa cum se va arata mai departe.

Se numeste inductivitate mutuala raportul

Inductivitatea mutuala poate fi pozitiva sau negativa, dupa modul în care s-a ales sensul de parcurgere al circuitului indus, pentru un sens de referinta dat al curentului inductor. De regula aceste sensuri se aleg astfel încât inductivitatea mutuala sa rezulte pozitiva, dar aceasta regula admite exceptii. De exemplu, atunci când pozitia reciproca a circuitelor se modifica în timp, cum este în cazul masinilor electrice.

Se poate demonstra ca în medii liniare inductivitatile mutuale satisfac relatia de reciprocitate

Demonstratia va fi data în câteva cazuri particulare, în subcapitolul care urmeaza.

Pe schemele circuitelor electrice cuplate magnetic trebuie specificate sensurile conventionale pentru care a fost definita fiecare inductivitate mutuala. Aceasta specificare se face în raport cu bornele marcate.

In teoria circuitelor electrice, elementul de circuit caracterizat complet prin inductivitatile sale se numeste bobina ideala. Bobina ideala se reprezinta prin unul dintre simbolurile grafice redate în figura 12.1-2, cel mai sugestiv fiind primul simbol, pe când al doile este mai usor de desenat.

Fig. 12.1-2. Simbolizarea bobinei ideale.

Fig. 12.1-3. Marcarea bornelor bobinelor ideale cuplate magnetic.

Atunci când bobina este cuplata magnetic (adica are inductivitati mutuale), se obisnuieste ca una dintre cele doua borne (sau capete) ale fiecarei bobine sa fie marcata printr-un asterisc (*) sau un punct ( ), iar inductivitatea mutuala dintre doua bobine se defineste pentru sensuri conventionale (sens de referinta al curentului excitator si sens de parcurgere al circuitului indus) la fel orientate fata de bornele marcate: fie ambele sensuri intra prin bornele marcate (fig. 12.1-3), fie ambele ies prin aceste borne. Inductivitatea mutuala astfel definita poate fi pozitiva sau negativa, iar uneori poate avea chiar un semn variabil (în timp, sau functie de alte conditii, de exemplu, de o coordonata de pozitie). Valoarea sau simbolul inductivitatii mutuale se înscrie lânga o sageata dubla dusa între bornele marcate la care se refera.

Uneori inductivitatea mutuala se simbolizeaza cu litera M.

Observatia 1. Fluxurile magnetice proprii sau mutuale ale circuitelor electrice filiforme sunt calculate pe o suprafata sprijinita pe conturul complet al curbei axa a circuitului indus (considerat, întotdeauna, închis). De multe ori circuitul indus este o bobina cu multe spire, diferitele spire ocupând în spatiu pozitii apropiate, ceea ce face posibil ca fluxul magnetic al circuitului sa poata fi calculat ca produsul dintre un flux magnetic fascicular al unei spire "medii" si numarul de spire al bobinei. In acest fel se obtin relatii de definitie ale inductivitatilor de forme echivalente celor anterioare

fluxurile magnetice fasciculare ff 1 1 si ff 2 1 fiind calculate pe suprafete sprijinite pe curba axa a câte unei singure spire aflata într-o pozitie medie din sectiunea bobinei respective.

Observatia 2. Daca inductia magnetica creata de circuitul excitator 1 se exprima cu ajutorul potentialului vector

atunci, folosind formula lui Stokes, integralele de suprafata (12.1-1) si (12.1-3) se transforma în integrale de contur ale potentialului magnetic vector

Observatia 3. Pentru a le diferentia de fluxurile magnetice fasciculare, numite adesea, simplu, fluxuri magnetice, fluxurile magnetice proprii si mutuale asociate unor circuite electrice se numesc si fluxuri magnetice totale sau fluxuri "înlantuite" (flux linkage în engleza, verkettete Fluss în germana).

În sistemul international de unitati (SI), unitatea de masura a inductivitatii se numeste henry, simbolizata [H], definita prin relatia

1 H = 1 Wb/ 1 A.

12.2. Relatiile lui Maxwell referitoare la inductivitati

Cunoscând inductivitatile proprii si mutuale ale unui sistem de n circuite (bobine), se poate calcula fluxul magnetic total fj al oricarui circuit de ordin j, corespunzator unui sens de parcurgere dat, însumând fluxul magnetic propriu fj j = Lj j ij, cu fluxurile magnetice mutuale fj k = Lj k ik:

Sistemul relatiilor (12.2-1) este cunoscut ca relatiile lui Maxwell referitoare la inductivitati. Adesea aceste relatii se scriu generic fara specificarea alternantei de semne (±).

La efectuarea sumei din expresia (12.2-1) trebuie sa se tina seama de relatia în care se afla sensul de parcurgere adoptat pentru calculul fluxului fj cu sensurile pentru care au fost definite fluxurile, respectiv inductivitatile proprii si mutuale. În acest scop se scrie întâi expresia fluxului total fara semne, apoi semnul fiecarui termen (j,k) se determina astfel. Se compara:

- orientarea sensului de parcurgere a bobinei induse j (al carei flux magnetic se calculeaza) în raport cu borna sa marcata,

- si orientarea sensului de referinta al curentului bobinei excitatoare k în raport cu borna marcata a acestei bobine.

Când cele doua sensuri sunt la fel orientate fata de bornele marcate, fluxul (respectiv inductivitatea) intervine cu semnul pozitiv, iar în caz contrar - cu semnul negativ.

Pentru exemplificare, se va considera cazul a trei bobine cuplate magnetic, ca în  figura 12.2-1. In figura au fost indicate si sensurile de referinta ale curentilor. Mai jos se dau expresiile fluxurilor magnetice totale ale fiecarei bobine, pentru cele doua sensuri de parcurgere posibile:

Fig. 12.2-1. Exemplu de bobine cuplate multiplu.

- de la stânga la dreapta (

f L1 1 i1 - L1 2 i2 - L1 3 i3,



f - L1 2 i1 + L2 2 i2 + L2 3 i3,

f L1 3 i1 - L2 3 i2 - L3 3 i3,

- de la dreapta la stânga (

f = - L1 1 i1 + L1 2 i2 + L1 3 i3,

f L1 2 i1 - L2 2 i2 - L2 3 i3,

f = - L1 3 i1 + L2 3 i2 + L3 3 i3.

De fapt, ultimele expresii (pentru parcursul dreapta-stânga) se puteau obtine inversând semnele din expresiile anterioare (ale parcursului stânga-dreapta).

12.3 Calculul inductivitatilor

Inductivitatile pot fi calculate prin mai multe metode, dintre care cele mai importante vor fi expuse pe scurt mai jos.

Metoda directa de calcul urmeaza calea descrisa la definirea fluxurilor magnetice proprii si mutuale si a inductivitatilor. Metoda consta în urmatoarele:

a) se determina câmpul inductiei magnetice datorit numai circuitului excitator (parcurs de curentul i1),

b) se calculeaza fluxul magnetic al circuitului indus (care poate coincide cu circuitul excitator, atunci când se determina o inductivitate proprie), ca integrala inductiei pe suprafata sprijinita pe curba axa a circuitului indus, versorul normalei fiind asociat sensului de parcurgere dupa regula burghiului drept

c) împartind valoarea fluxului magnetic astfel calculat prin intensitatea curentului excitator i1 se obtine inductivitatea corespunzatoare.

Metoda directa poate fi exemplificata prin calculul inductivitatii proprii a unei înfasurari cu N1 spire, bobinate uniform pe un tor omogen. Daca lm este lungimea medie a unei linii de câmp în tor si ” este permeabilitatea magnetica a materialului torului, inductia magnetica în tor, corespunzatoare unui curent excitator i1, va fi

Daca A este aria sectiunii transversale a torului, rezulta fluxul magnetic fascicular

iar inductivitatea proprie este

Expresia obtinuta este valabila în mediu omogen si pentru bobina dreapta (solenoid) foarte lunga; la bobine drepte scurte va interveni un factor de corectie subunitar, a carui valoare depinde de raportul dintre lungimea si dimensiunile transversale ale bobinei.

Un alt exemplu, în care câmpul magnetic se va determina mai exact, este cel al bobinei toroidale cu miez omogen, de permeabi­litate ”, bobinat uniform cu N1 spire. Miezul are sectiune drept­unghiulara, având grosimea b si fiind cuprins între razele R1 si R2 (fig. 12.3-1). Într-un punct al sectiunii aflat la distanta r de axa torului inductia magnetica este

Fig. 12.3-1. Bobina toroidala cu sectiune dreptunghiulara.

Într-o sectiune transversala S1 a torului fluxul magnetic fascicular este

La calculul integralei s-a tinut seama ca si s-a ales ca element de suprafata fâsia de latime dr si lungime b (adica dA= b dr), pe care inductia magnetica are aceeasi valoare.

Inductivitatea proprie este

Se remarca faptul ca în afara înfasurarii toroidale câmpul magnetic este nul.

Daca pe miezul toroidal de mai sus se afla si o a doua înfasurare cu N2 spire (distribuita oricum, întrucât aici miezul toroidal - excitat prin înfasurare uniform distribuita - este tub de flux magnetic), se poate calcula inductivitatea mutuala L2 1. La calculul acesteia se poate folosi fluxul magnetic fascicular ff 1 1 determinat anterior (eventual, pâna la semnul cu care intervine). Atunci inductivitatea mutuala este

Semnul va fi (+) atunci când sensul de referinta al curentului i1 se înfasoara pe tor în acelasi sens ca sensul de parcurgere al înfasurarii secunde si va fi (-) în caz contrar.

Calculul inductivitatii bobinelor asezate pe circuite magnetice consista în determinarea directa a fluxurilor magnetice fasciculare datorite solenatiei excitatoare, prin rezolvarea circuitului magnetic, iar apoi cu aceste fluxuri magnetice se pot calcula inductivitatile.

De exemplu, daca o bobina cu N1 spire este asezata pe un circuit magnetic si Rme este reluctanta echivalenta a circuitului magnetic (în raport cu pozitia bobinei excitatoare), se obtine succesiv

Ca un alt exemplu se poate considera circuitul magnetic ramificat, cu doua bobine, din figura 12.3-2. Se noteaza cu Rm1, Rm2 si Rm3 reluctantele celor trei coloane. Cu sensurile de refe­rinta si cu sensurile de înfasurare din figura, la excitarea bobinei 1 rezulta fluxurile magnetice fasciculare

unde s-a notat

Fluxurile magnetice totale corespunzatoare bobinelor 1 si 2 sunt

Fig. 12.3-2. Circuit magnetic cu trei coloane si doua bobine.

La semnul ultimului flux s-a tinut seama de faptul ca sensul de înfasurare al bobinei 3 este asociat sensului de referinta al fluxului fascicular ff 3 1 dupa regula burghiului stâng.

Rezulta expresiile inductivitatilor

Se observa ca ultima expresie este simetrica în raport cu indicii 1 si 3, ceea ce confirma relatia de reciprocitate L1 3 = L3 1 în cazul bobinelor dispuse pe circuite magnetice.

În cazul circuitelor filiforme situate în vid inductivitatea mutuala se poate calcula cu formula lui Neumann

unde G si G sunt curbele axa a doua circuite filiforme, sunt elementele de arc pe cele doua curbe (în sensurile de referinta, respectiv de parcurgere) si r12 este distanta între cele doua elemente de arc (fig. 12.3-3).

În medii omogene inductivitatea mutuala se poate calcula cu aceeasi formula, în care permeabiltatea vidului ”0 se înlocuieste cu permeabilitatea mediului ”. De fapt, în acest caz si cele doua circuite ar trebui sa fie formate din conductoare filiforme de permeabilitate ”.

Fig. 12.3-3. Notatii pentru formula lui Neumann.

Formula lui Neumann poate fi stabilita plecând de la formula Biot-Savart-Laplace sau de la integrala ecuatiei vectoriale Poisson a potentialului magnetic vector în spatiul infinit. În adevar, se observa ca expresia care intervine în formula Biot-Savart-Laplace



reprezinta rotorul expresiei

Dar câmpul magnetic deriva din potentialul vector

Comparând cu expresia anterioara, rezulta ca pentru un circuit filiform închis, având curba axa G, situat în vid si parcurs de curentul i, potentialul vector are expresia

elementul de arc fiind orientat în sensul de referinta al curentului i. Aceasta expresie se stabileste si direct, prin integrarea în spatiul infinit a ecuatiei vectoriale Poisson a potentialului magnetic vector, pentru un circuit filiform.

Considerând acum ca circuitul 1 este cel care produce câmpul magnetic (G G , i i1, ), fluxul magnetic mutual al circuitului 2 este

Aplicând teorema lui Stokes, rezulta succesiv

si se regaseste formula (12.3-6).

Formula lui Neumann evidentiaza faptul ca relatia de reciprocitate (12.1-5) este valabila si pentru circuite situate în medii liniare, omogene si izotrope.

Formula lui Neumann poate fi extinsa si la circuite nefiliforme, daca se cunoaste regula de distributie a curentului în sectiunile conductoarelor nefiliforme. La repartitie uniforma (în curent continuu), pentru doua circuite generate cu sectiunile transversale S1, S2, având ariile A1, A2, rezulta relatia

În integrala de mai sus inductivitatea M12 este functie de pozitiile punctelor curente în sectiunile S1 si S2, în care sunt considerate elementele de suprafata cu ariile dA1 si dA2.

O alta metoda de calcul a inductivitatilor se bazeaza pe o egalitate energetica; metoda respectiva va fi exemplificata printr-o aplicatie, dupa definirea energiei magnetice.

12.4. Inductivitatea echivalenta

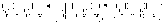
Se numeste inductivitate echivalenta a unui sistem neramifi­cat de circuite (bobine, conectate în serie, parcurse de acelasi curent), inductivitatea calculata cu fluxul magnetic total al circuitului. Pentru exemplificarea conceptului, se considera cazul a doua bobine cu inductivitatile proprii L1, L2 si mutuala L12 (fig. 12.4-1a). Aceste bobine pot fi conectate în doua moduri: astfel încât fluxurile lor magnetice sa se adune (fig. 12.4-1b) sau sa se scada (fig. 12.4-1c).

In primul caz (al conexiunii aditionale), fluxul magnetic total al circuitului format va fi

f f f = (L1 i + L12 i) + (L2 i + L12 i) = (L1 + L2 + 2 L12) i.

Fig. 12.4-1. Inductivitatea echivalenta a doua bobine cuplate magnetic aditional (b) sau diferential (c).

întrucât i1 = i2 = i  si apoi

În cazul conexiunii diferentiale (fig. 12.4-1c), cu i2 = -i1 rezulta

f f f = (L1 i - L12 i) + (L2 i - L12 i) = (L1 + L2 - 2 L12) i.

Inductivitatea echivalenta proprie nu poate fi negativa, de unde rezulta o relatie de ordonare a inductivitatilor proprii si mutuale, general valabila

12.5. Inductivitatea de dispersie

În cazul a doua circuite (bobine) cuplate magnetic se poate defini un flux magnetic de dispersie al circuitului 1 în raport cu circuitul 2, ca fluxul magnetic total al circuitului 1, atunci când fluxul total al circuitului 2 este nul. Punând aceste conditii în relatiile lui Maxwell pentru doua circuite, se obtin expresiile

Din a doua relatie se determina al doilea curent necesar, care se înlocuieste în prima expresie si rezulta

Inductivitatea de dispersie a circuitului 1, în raport cu circuitul 2, este

Similar se poate defini si inductivitatea de dispersie a circuitului 2 în raport cu circuitul 1

Aceste inductivitati se pot exprima si sub alta forma, introducând notatia

Marimea introdusa k se numeste factor de cuplaj (magnetic). Cu ajutorul ei expresia inductivitatii de dispersie devine

Inductivitatea de dispersie trebuie sa fie pozitiva. De aici rezulta o noua relatie de ordonare a inductivitatilor proprii si mutuale

Factorul de cuplaj are valori cuprinse între -1 si 1; el nu poate fi, în valoare absoluta, mai mare ca 1. Circuitele care au un factor de cuplaj nul - nu sunt cuplate magnetic, iar cele care au factor de cuplaj egal cu 1 sau -1 - sunt cuplate "perfect". De fapt cuplajul "perfect" este o abstractiune, o limita spre care se poate tinde, fara a o atinge. Atunci când se trateaza modele idealizate ale câmpului magnetic, se poate obtine un cuplaj "perfect" sau o dispersie nula, dar acest rezultat nu reflecta o realitate, ci este o consecinta a ipotezelor simplificatoare ale modelului utilizat.

12.6. Inductivitatile liniilor aeriene bifilare

Se considera cazul idealizat, apropiat de situatia din practica, al unei linii aeriene bifiare, formate din doua conductoare cilindrice paralele, de diametre d egale, de lungime foarte mare în comparatie cu distanta D dintre axele lor, parcurse în sensuri opuse de un curent i (fig. 2.6-).

Câmpul magnetic al acestei linii poate fi studiat cel mai usor prin superpozitia câmpurilor produse de fiecare conductor.

Cum s-a aratat anterior, câmpul magnetic al unui conductor cilindric circular, rectiliniu, infinit, parcurs de curentul i, are urmatoarele expresii la distanta r de axa conductorului

(12.6-1a)

(12.6-1b)

daca ” este permeabilitatea materialului conductorului (de regula conductorul este nemagnetic si atunci ” = ”0).

Fig. 12.6-1. Notatii pentru calculul câmpului magnetic al liniei aeriene bifilare.

Se va calcula fluxul magnetic corespunzator unui contur închis G, format din liniile axelor celor doua conductoare pe o portiune de lungime axiala l si din doua segmente de dreapta transversale, perpendiculare pe liniile axa (fig. 12.6-1).



Fluxul magnetic datorit numai curentului conductorului din stânga, este

În prima integrala s-a introdus un factor care ia în consideratie faptul ca fluxul magnetic elementar Bi l dr îmbrati­seaza numai o parte (2r/d)2 din curentul total al conductorului. Justificarea riguroasa a acestei corectii rezulta din consideren­te energetice, asa cum se va arata dupa introducerea conceptului de energie magnetica.

În ultima forma a expresiei fluxului, cu ”r s-a notat permeabilitatea relativa a materialului conductorului.

Câmpul magnetic corespunzator celui de al doilea conductor da prin conturul considerat G un flux magnetic egal cu cel al primului, astfel încât inductivitatea liniei aeriene bifilare devine

Se numeste inductivitate lineica, inductivitatea unitatii de lungime a liniei

Pentru calcule practice, formula de mai sus se prezinta, de regula, sub alta forma, care se obtine explicitând pe ”0 si utilizând inductivitatea lineica raportata la lungimea de un kilometru

De exemplu, pentru o linie cu conductoare nemagnetice (”r = 1), având diametrul de 5 mm, aflate la distanta de 40 cm unul de celalalt, se obtine inductivitatea lineica

În practica apare uneori necesitatea cunoasterii inductivitatii mutuale dintre doua linii aeriene bifilare paralele 1-1' si 2-2'. Pentru specificarea notatiilor, în figura 12.6-2 s-au reprezentat numai urmele acestor conductoare pe un plan perpendicular, urme în care au fost marcate sensurile conventionale. Si în acest caz este avantajos sa se calculeze prin superpozitie câmpul magnetic si fluxurile magnetice.

Fig. 12.6-2. Notatii pentru calculul inductivitatii mutuale dinte linii aeriene bifilare.

Fluxul magnetic mutual al liniei 1-1' prin circuitul liniei 2-2' (pe o lungime axiala l) va fi egal cu suma fluxurilor magnetice mutuale produse de câte un conductor 1 sau 1'.

Câmpul magnetic se poate calcula cu relatiile (12.6-1).

Fluxul magnetic mutual datorit conductorului 1, parcurs de curentul i, prin circuitul de lungime axiala l al conductoarelor 2-2', este

În mod similar rezulta pentru conductorul 1', parcurs în sens invers de curentul i

Inductivitatea mutuala a celor doua linii este

Inductivitatea mutuala lineica, raportata la lungimea de un kilometru, se calculeaza cu formula practica

De exemplu, în cazul a doua linii bifilare, cu distanta între conductoare de 0,4 m, asezate una deasupra celeilalte, la o distanta de 0,4 m, cu r12' = r1'2 = 0,4 2 si r12 = r1'2' = 0,4 se obtine inductivitatea mutuala lineica de 0,1386 mH/km.

12.7. Inductivitatile barelor în crestatura dreptunghiulara

Înfasurarile masinilor electrice sunt asezate în crestaturi, delimitate de dinti. Datorita curentilor înfasurarilor, între peretii crestaturilor apare un câmp magnetic, ale carui linii se închid transversal. Acest câmp este de dispersie si pentru a-i evalua efectele este necesara cunoasterea fluxului magnetic fascicular care îi corespunde si a inductivitatii de dispersie rezultata. Se vor examina numai cazurile cele mai simple.

Se considera o bara dreptunghiulara, cu dimensiunile b, h1, asezata într-o crestatura dreptunghiulara cu dimensiunile bc, hc ca în figura 12.7-1a. Deasupra barei poate ramâne un spatiu cu înaltimea h01 pâna la suprafata dintilor. Bara poate reprezenta o latura de bobina, cu N1 conductoare elementare. Pentru simplifi­care se va considera ca densitatea de curent este constanta pe sectiunea barei J = N1 I/(b.h1), unde I este curentul unui conductor elementar al barei. Dintii se considera nesaturati, deci având o permeabilitate practic infinita ”Fe

Facând abstractie de efectele de la marginile dintilor, în crestatura liniile de câmp magnetic se pot considera perpendiculare pe peretii dintilor, deci pur transversale si de lungime bc. Fie H(x), respectiv B(x) = ”0 H(x) intensitatea si înductia câmpului magnetic la distanta x de baza barei.

Se considera o cale închisa Gx, care trece tranversal prin crestatura, la distanta x de baza barei si se închide prin dintii vecini, sub baza crestaturii (fig. 12.7-1a). Se va scrie teorema lui Amp re pe acesta curba.

Ţinând seama ca în dinti intensitatea câmpului magnetic este neglijabila, tensiunea magnetomotoare este

si tinând seama ca densitate de curent în bara este constanta, solenatia corespunzatoare este

Notând

inductia magnetica în crestatura se exprima sub forma

În figura 12.7-1b s-a reprezentat B(x). Fluxul magnetic fascicular de dispersie, pe o lungime axiala l, care se închide spre un dinte vecin, se obtine integrând inductia magnetica cu elementul de arie dA = l dx

Fig. 12.7-1. Bare parcurse de curent în crestatura dreptunghiulara (a), câmpul magnetic al barei de jos (b),

fluxul mutual al barei de sus (c).

Fluxul magnetic total de dispersie, propriu al barei, se obtine însumând expresia pe înaltimea crestaturii, în care n1(x) este numarul de spire înconjurat de fluxul magnetic fascicular elementar df(x). Pentru fluxul total propriu acest numar este proportional cu aria b*x (cu densitate de curent nenula), adica

(v. fig. 12.7-1b) si dupa integrare se obtine fluxul transversal

Împartind fluxul transversal total cu curentul I se obtine inductivitatea de dispersie

Marimea l se numeste permeanta specifica de dispersie în crestatura.

Daca în crestatura se afla o a doua bara, de înaltime h2 si la distanta h02 de suprafata dintilor (bineînteles h01 > h2+h02, partea superioara a fig. 12.7-1a), cu N2 conductoare elementare, atunci se poate defini un flux mutual de scapari ff12. Numarul de spire al celui de al doilea conductor n2(x) variaza liniar pe înaltimea barei, iar câmpul este constant (ca în fig. 12.7-1c), deci

si se obtine inductivitatea mutuala de dispersie

iar l se numeste permeanta specifica mutuala în crestatura.




Document Info


Accesari: 12481
Apreciat: hand-up

Comenteaza documentul:

Nu esti inregistrat
Trebuie sa fii utilizator inregistrat pentru a putea comenta


Creaza cont nou

A fost util?

Daca documentul a fost util si crezi ca merita
sa adaugi un link catre el la tine in site


in pagina web a site-ului tau.




eCoduri.com - coduri postale, contabile, CAEN sau bancare

Politica de confidentialitate | Termenii si conditii de utilizare




Copyright © Contact (SCRIGROUP Int. 2026 )