Documente online.
Zona de administrare documente. Fisierele tale
Am uitat parola x Creaza cont nou
 HomeExploreaza
upload
Upload




LOGOMETRE, OHMETRE SI MULTIMETRE ELECTROMAGNETICE

Fizica


LOGOMETRE, OHMETRE si MULTIMETRE ELECTROMAGNETICE

1. Logometre



Logometrele sunt aparate magnetoelectrice cu ajutorul carora se masoara raportul a doua marimi electrice, curenti, tensiuni 737i87h , rezistente, iar atunci cand una dintre marimi este cunoscuta, pe baza acesteia se poate determina cealalta marime.

Echipamentul mobil al acestor aparate este format din doua bobine cadru fixate pe acelasi ax sub un unghi de 10o – 90o, ax pe care se fixeaza si acul indicator (fig. 4.14).

Bobinele mobile sunt amplasate intr-un camp magnetic neomogen creat de piesele polare. Spre deosebire de miezul intern care este circular in sectiune, piesele polare au la interior o forma ovala (eliptica) ceea ce face ca intensitatea campului magnetic pe linia mediana sa fie mai mare decat in partile laterale.

Sub actiunea curentilor I1 si I2 in cele doua bobine se creeaza momente de cupluri opuse si anume:

(4.59)

Datorita faptului ca echipamentul mobil nu este supus unui cuplu reactiv ansamblul bobinelor capata o pozitie de echilibru la un unghi a, atunci cand cele doua cupluri sunt egale, adica atunci cand:

. (4.60)

Daca functia f(a) este liniara, atunci:

, (4.61)

unde C este o constanta de proportionalitate, iar daca unul dintre curenti, de exemplu curentul I2, este cunoscut, atunci:

.  (4.62)

Fig.4.14. Logometrul.

Logometrele se folosesc indeosebi la masurarea directa a rezistentelor mari sau la masurarea altor marimi neelectrice cu ajutorul unor traductoare rezistive intr-un montaj ca cel din figura 4.14.

Din figura 4.14 se deduce ca:

, (4.63)

unde Rb1 si Rb2 sunt rezistentele bobinelor iar Rx este rezistenta de masurat.

Tinand cont de (4.60) deducem ca:

. (4.64)

De regula, R1, Rb1 si Rb2 sunt constante si cunoscute. De aceea,

a = F(Rx) .  (4.65)

Principalul avantaj al masurarii rezistentei cu logometrul il constituie faptul ca rezultatul masurarii nu este afectat de tensiunea sursei.

2. Ohmetre magnetoelectrice

Ohmetrele de conceptie mai veche sunt alcatuite dintr-o sursa de tensiune continua, dintr-un microampermetru de tip magnetoelectric si din anumite elemente conexe, ca rezistente de reglaj, intrerupatoare s.a.

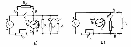
Pentru masurarea rezistentelor relativ mari (peste 102 W) se foloseste schema din figura 4.15,a, iar pentru masurarea rezistentelor mai mici se foloseste schema din figura 4.15,b.



Fig.4.15. Ohmetre magnetoelectrice:

a) pentru rezistente mari; b) pentru rezistente mici.

In primul caz este vorba de o schema de tip serie. Curentul I din bobina miliampermetrului, cu intrerupatorul K deschis si cu rezistorul Rx conectat la bornele A si B, este determinat de expresia:

, (4.66)

unde k=R/(R+RA) iar k1=Rp+RRA/(R+RA).

La echilibru, deviatia acului miliampermetrului este proportionala cu acest curent, adica:

, (4.67)

unde C este un factor de proportionalitate si K este constanta ohmetrului.

Din relatia de mai sus rezulta ca scara aparatului este neuniforma (este hiperbolica) cu o densitate mai mare a gradatiilor la valori mari ale lui Rx si este gradata in sens descrescator.

Principalul inconvenient al acestei scheme il constituie dependenta rezultatului masurarii de tensiunea U. Acesta poate fi eliminat folosind o sursa de tensiune stabilizata. Daca pentru alimentare se foloseste o electropila pentru compensarea scaderii tensiunii acesteia este prevazuta rezistenta de reglaj Rp. Compensarea se face inainte de masurare, cand se inchide intrerupatorul K si se actioneaza asupra rezistentei Rp astfel incat a

Extinderea domeniului de masurare se realizeaza prin suntarea miliampermetrului cu rezistentele R' si R', rezultand astfel domenii cu Ri micsorate.

In al doilea caz este vorba de o schema de tip derivatie. Cu intrerupatorul K' deschis se obtine urmatoarea expresie pentru curentul din miliampermetru:

, (4.68)

unde .

Deviatia acului miliampermetrului este proportionala cu acest curent, adica:

, (4.69)

in care C, K1 si K2 sunt constante.

Si in acest caz scara ohmetrului este neuniforma, dar este gradata in sens crescator. Pentru Rx = ∞ (bornele A si B sunt libere iar comutatorul K inchis), deviatia trebuie sa fie maxima si aceasta se face prin modificarea rezistentei R, iar pentru Rx = 0 (bornele A si B sunt scurtcircuitate) deviatia trebuie sa fie nula.

Extinderea domeniului de masurare se obtine prin suntarea miliampermetrului ca si in cazul precedent.

Precizia masurarii in zona de mijloc a scarii ohmetrelor este de 0,5 – 2% exprimata in procente din lungimea scarii.

3. Multimetre electromagnetice

Aparatele pentru masurari industriale de panou sunt de obicei aparate monometrice, adica masoara permanent o singura marime, dar cu performante economice superioare. Tot din motive de economicitate aparatele portative sunt aparate multimetrice; cu o structura mai complexa, ca sa poata efectua masurarea mai multor marimi, in cele mai multe cazuri trei marimi: tensiunea, curentul si rezistenta.

Aparatele multimetrice permit ca prin intermediul unor comutatoare si conexiuni adecvate sa faca posibila nu numai masurarea mai multor marimi (U, I, R) dar si sa aiba pentru aceste marimi mai multe domenii de masurare. De exemplu, tensiunea poate fi masurata in mai multe trepte, de la ordinul milivoltilor la ordinul sutelor de volti.

Multimetrele sunt, evident, aparate cu o structura complexa intrucat inglobeaza in ele doua, trei aparate monometrice. Ele au fost si sunt inca realizate in numeroase variante, asa incat nu ne propunem sa prezentam aici vreuna dintre ele deoarece aparatele cu mari perspective de viitor sunt cele cu afisare numerica, iar acestea vor fi prezentate in capitolele urmatoare.




Document Info


Accesari: 6248
Apreciat: hand-up

Comenteaza documentul:

Nu esti inregistrat
Trebuie sa fii utilizator inregistrat pentru a putea comenta


Creaza cont nou

A fost util?

Daca documentul a fost util si crezi ca merita
sa adaugi un link catre el la tine in site


in pagina web a site-ului tau.




eCoduri.com - coduri postale, contabile, CAEN sau bancare

Politica de confidentialitate | Termenii si conditii de utilizare




Copyright © Contact (SCRIGROUP Int. 2025 )