Documente online.
Zona de administrare documente. Fisierele tale
Am uitat parola x Creaza cont nou
 HomeExploreaza
upload
Upload




METODE DE CALCUL AL CAMPULUI MAGNETIC STATIONAR

Fizica


METODE DE CALCUL AL CAMPULUI MAGNETIC STATIONAR

14.1 Formularea problemelor de câmp magnetic stationar

Ecuatiile câmpului magnetic stationar rezulta din teorema lui Amp re, legea fluxului magnetic si relatia constitutiva



În regim stationar, si µ sunt functiuni de punct date. Distributia de curenti este de aductie (este data).

Exista cel putin doua formulari uzuale ale ecuatiilor câmpului magnetic

a) Pentru a satisface legea fluxului magnetic se introduce potentialul magnetic vector, prin relatia

si atunci se obtine ecuatia

unde n m. Însa pentru ca potentialul vector sa fie complet determinat mai trebuie precizata divergenta sa, pentru care, în regim stationar se alege conditia de etalonare Coulomb

Cu aceasta, daca mediul este omogen (n nu depinde de punct) se obtine ecuatia vectoriala a lui Poisson

b) Se introduce un potential magnetic scalar Vm, cu relatia

în care este un câmp de vectori auxiliar ales astfel încât

Acest câmp de vectori poate fi calculat în toate punctele domeniului de câmp, de exemplu, cu formula Biot-Savart-Laplace. Întrucât

se obtine ecuatia scalara generalizata a lui Poisson

În medii liniare omogene (µ nu depinde de punct) se obtine ecuatia scalara a lui Poisson

În ambele forme sursele câmpului rezulta din câmpul de vectori auxiliar

Nota. In literatura anglo-saxona potentialul scalar este notat cu simbolul W (în loc de Vm) si aceasta a doua formulare este cunoscuta ca "formularea T-W".

Metodele de calcul al câmpului magnetic stationar sunt în mare masura asemanatoare cu cele ale câmpului electrostatic. Ceea ce deosebeste fundamental cele doua clase de probleme este tipul de ecuatii Laplace-Poisson pe care le satisfac acestea: scalare pentru potentialul electrostatic V si vectoriale pentru potentialul vector , respectiv scalare pentru potentialul scalar Vm în formularea

Pentru a calcula câmpul magnetic stationar (), într-un domeniu neomogen 454i82e D trebuie cunoscute urmatoarele: distributia curentilor de aductie, configuratia geometrica a subdomeniilor omogene, proprietatile de material ale mediilor, curbele de magnetizare B(H) ale mediilor neliniare, functia de punct µ() a permeabilitatii în medii liniare.

Metodele de rezolvare a câmpului magnetic stationar se clasifica în metode analitice, numerice, grafice, respectiv grafo-analitice si analogice. Principalele metode analitice sunt metoda directa, integrarea ecuatiilor vectoriale Poisson-Laplace pentru potentialul magnetic vector sau scalar Vm (prin separarea variabilelor sau prin aproximatii), metoda imaginilor magnetice, metoda functiilor de variabila complexa, metoda transformarilor conforme si metoda functiilor Green. În cele ce urmeaza se vor prezenta numai unele metode care au particularitati fata de modul cum se aplica problemelor de câmp electrostatic.

14.2. Metoda directa

Metoda consta în folosirea formulei Biot-Savart-Laplace în medii omogene, respectiv a teoremei lui Amp re în domenii cu simetrie, în care se cunoaste forma liniilor de câmp magnetic si regula de variatie a marimilor de câmp cu o coordonata asociata. Tot ca metoda directa se poate raporta si folosirea formulei lui Neumann la calculul inductivitatilor proprii si mutuale.

Cu aceste metode s-a determinat câmpul magnetic al câtorva repartitii de curent (conductor rectiliniu, filiform sau cilidric circular, spira circulara, tor bobinat uniform). Prin integrarea pe sectiunea unor conductoare masive sau a unor bobine se mai poate calcula:

- câmpul magnetic al unei bare cu sectiune dreptunghiulara,

- câmpul magnetic pe axa unei bobine plate,

- câmpul magnetic pe axa unui solenoid,

- câmpul magnetic pe axa unei bobine cilindrice cu sectiune dreptunghiulara.

Aplicând formula Biot-Savart-Laplace la spire circulare se poate calcula câmpul magnetic în orice punct; daca punctul nu este situat pe axa, atunci solutia se exprima cu ajutorul integralelor eliptice complete. Cu aceleasi functii speciale se exprima si inductivitatile proprii ale bobinelor circulare si inductivitatile mutuale între bobine coaxiale.

Aplicatie: Bobina Helmholtz. Pentru a realiza un domeniu cu câmp magnetic uniform în vid se folosesc bobinele Helmholtz. Sistemul este format din doua bobine circulare subtiri (care se asimileaza cu spire filiforme), cu raze egale R, dispuse coaxial la distanta 2L una de alta si parcurse de acelasi curent total I, în acelasi sens (fig. 14.2-1).

\Fig. 14.2-1. Bobina Helmholtz.

Într-un punct situat pe axa comuna, la distanta x de planul mediator, intensitatea câmpului magnetic (axial) este

Se observa fara dificultate ca la mijlocul distantei x = 0 câmpul magnetic trece printr-un extrem pentru orice distanta 2L între bobine

Se poate alege o distanta 2L optima, care asigura o zona cu câmp uniform cât mai extinsa. In acest scop se pune conditia ca si derivata a doua (d2H/dx2) sa se anuleze la mijlocul distantei

Pentru x = 0 se obtine conditia de anulare

adica R = 2 L.

Notând (câmpul obtinut în centrul unei bobine singure), rezulta urmatoarele valori

Într-o zona importanta câmpul este practic constant, extensia zonei depinzând de gradul de uniformitate cerut.

14.3. Metoda integrarii ecuatiilor Poisson si Laplace prin separarea variabilelor

Integrarea ecuatiilor vectoriale Poisson-Laplace ale poten­tialului vector se reduce, în principiu, la integrarea ecuatiilor componentelor scalare corespunzatoare. Principala dificultate la aceste ecuatii provine din faptul ca numai în sistemul cartezian este posibila descompu­nerea în trei ecuatii scalare, carora li se poate aplica metoda separarii variabilelor. De exemplu, pentru ecuatia lui Laplace se obtin ecuatiile

fiecare ecuatie urmând a fi integrata prin separarea variabilelor asa cun s-a procedat pentru ecuatia potentialului scalar DV = 0. În cazurile particulare în care potentialul vector are numai o componenta si depinde numai de anumite coordonate, este posibila separarea variabilelor si în alte sisteme de coordonate.

Numeroase probleme de câmp magnetic stationar se studiaza într-un spatiu cu doua dimensiuni (numit si 2D), în aproximatia plan-paralela (câmpul se repeta în plane paralele) sau plan-meridiana (câmpul se repeta în plane meridiane, care trec printr-o axa). În primul caz domeniul de câmp trebuie sa aiba o forma rezultata prin translatie perpendiculara pe planul în care se va studia câmpul, iar în al doilea caz - prin rotatie în jurul axei polare; în ultimul caz se spune ca domeniul are o simetrie axiala sau de rotatie. In aceste situatii este avantajoasa folosirea potentialului vector, întrucât acesta are o singura componenta (perpendiculara pe plan), iar conditia de etalonare este satisfacuta implicit.

Sistemul de coordonate se alege astfel încât sa fie adaptat conditiilor la limita (care, în metoda separarii variabilelor trebuie puse pe suprafete de coordonate). În cazul sistemului cartezian domeniul trebuie sa fie încadrat într-un dreptunghi, iar functiile proprii sunt functiile trigonometrice (sinus si cosinus) si hiperbolice (sh si ch). În cazul sistemului cilindric domeniul de câmp se încadreaza în coroane circulare complete sau de sectoare circulare delimitate prin raze; functiile proprii sunt Bessel-Neumann, desi pot fi si functii de puteri asociate cu functii trigonometrice.

Aplicatie. Un exemplu tipic este cel al câmpului magnetic în masina electrica rotativa cu întrefier constant, excitat de o pânza de curent cu repartitie sinusoidala.

Se considera doua armaturi feromagnetice cu permeabilitatile µ1 si µ2, cuprinse între razele r1i, r1e si r2i, r2e, armatura 2 fiind exterioara. Spatiul cuprins între razele r1e si r2i este întrefierul, de permeabilitate µ0, desemnat prin indicele 0. Câmpul va fi descris într-un plan z = const al unui reper cilindric , coaxial cu armaturile (fig. 14.3-1).

Fig. 14.3-1. Câmpul magnetic între armaturi cilindrice coaxiale.

Fie data pe suprafata exterioara a armaturii 1 o pânza de curent axiala (de-a lungul axei Oz), repartizata sinusoidal, cu densitatea lineica

unde p este numarul de perioade unghiulare, sau numarul de perechi de "poli" al câmpului produs. Se mai dau conditiile la limita sub forma Br = 0 la razele r1i si r2e.

Problema de câmp magnetic stationar formulata mai sus se poate rezolva fie utilizând potentialul magnetic vector , fie direct marimile de câmp,

Potentialul vector se exprima cu ajutorul unei singure componente scalare , care satisface ecuatia lui Laplace în doua dimensiuni, în coordonate polare



sau explicit

Componentele inductiei magnetice sunt date de expresiile

Prin separarea variabilelor se cauta solutii de forma

Datorita repartitiei sinusoidale a pânzei de curent, singura sursa a câmpului magnetic, toate marimile vor fi functii de unghi sinusoidale, de aceeasi forma ca pânza de curent

Pentru functia radiala R(r) rezulta ecuatia diferentiala ordinara

a carei solutie generala are forma

Constantele de integrare se determina din conditiile la limita, respectiv din conditiile de trecere între domeniile omogene cilindrice.

Fie, pentru simplificare, r1i = 0. Atunci în domeniul 1 vom avea, evident, F1 = 0.

La trecerea prin suprafata exterioara r = r1e se conserva componenta normala a inductiei Br, iar componenta tangentiala a intensitatii câmpului magnetic Hj are un salt egal cu densitatea lineica a pânzei de curent JS.

Prima conditie impune egalitatea functiilor unghiulare în domeniile 1 si 0, respectiv egalitatea functiei radiale la r = r1e

adica

A doua conditie impune o relatie între derivatele radiale împartite cu permeabilitatile

Aceasta relatie fixeaza forma functiilor unghiulare

iar apoi

Cele doua relatii stabilite permit determinarea constantelor C0 si D0 în functie de C1.

La suprafata r = r2i, în mod similar, dar fara pânza de curent

Din aceste relatii se determina C2 si D2 ca functii de C1.

Pentru suprafata exterioara rezulta conditia

care permite determinarea constantei înca necunoscute C1.

Potentialul vector în diferitele domenii este

Prin derivare se deduc componentele inductiei magnetice (Br este în cosinus!), iar apoi ale intensitatii câmpului magnetic.

14.4. Metoda imaginilor magnetice

Metoda se aplica asemanator metodei imaginilor electrice, la suprafete de separatie plane, sferice sau cilindrice. Aici se va exemplifica numai cazul suprafetei de separatie plane, între doua medii cu permeabilitati diferite µ1 si µ2. In mediul 1 se afla un conductor filiform, rectiliniu, infinit lung, parcurs de curentul continuu I si asezat paralel cu planul de separatie, la distanta h de acesta (fig. 14.4-1).

Fig. 14.4-1. a) Conductorul filiform, b) imagini pentru mediul 1, c) imagine pentru mediul 2.

Câmpul magnetic în mediul 1 este dat de firul original si de imaginea sa în raport cu planul, parcursa de curentul I2; ambele fire se afla în mediul de permeabilitate µ1. În mediul 2 câmpul magnetic este creat de un curent I1 trecând prin firul original si mediul are permeabilitatea µ2.

Pe suprafata de separatie, la distanta r de fire, respectiv la distanta x de piciorul perpendicularei, componenta normala a inductiei este

iar componenta tangentiala a intensitatii câmpului magnetic este

Din conditiile de trecere rezulta relatiile

adica

La limita când µ1 = µ0 si µ2 se obtine I1 = 0 si I2 = I, adica imaginea fata de un mediu cu permeabilitate foarte mare are curentul cu acelasi sens ca firul original. Intuitiv acest sens se retine stiind ca liniile câmpului trebuie sa intre normal în suprafata de permeabilitate infinita, efect care se obtine numai pentru curenti de acelasi sens. Daca curentul imagine ar fi fost de sens contrar, liniile câmpului magnetic ar fi fost tangente la suprafata de separatie.

14.5. Metoda functiilor de variabila complexa

14.5.1. Functii analitice. Conditiile Cauchy-Riemann

Fie w(z) = u+jv o functie de variabila complexa z = x+jy. Functia w(z) este analitica într-un domeniu daca în vecinatatea oricarui punct z0 al domeniului admite o dezvoltare în serie întreaga de (z-z0). Functiile analitice sunt continue si derivabile. Derivabilitatea presupune existenta si continuitatea derivatelor partiale de ordinul unu a partii reale u(x,y) si imaginare v(x,y) a functiei, precum si independenta derivatei dw/dz de orientarea lui dz. Derivata are forma

si se stabileste conditia

care duce la relatiile Cauchy-Riemann

Cu aceste relatii se demonstreaza ca integrala curbilinie a unei functiuni analitice este nula pe orice contur închis

Pentru demonstratie se foloseste formula lui Stokes în plan. Fie vectorul si elementul de arc Cu formula lui Stokes si , dA = dx dy

Punând ax = v si ay = u, integrandul integralei de suprafata se anuleaza în baza primei conditii (14.5-3), iar cu ax = u si ay = -v integrandul se anuleaza conform celei de a doua conditii (14.5-3). Q.e.d.

Rezulta ca integrala curbilinie pe o curba deschisa depinde numai de punctele de început si de sfârsit ale curbei, nu si de forma arcului de curba.

Daca se elimina între cele doua conditii (14.5-3) câte una dintre parti (u sau v) se obtin ecuatiile de ordinul doi

deci partile reale si imaginare ale functiei analitice satisfac ecuatia lui Laplace, adica sunt functii armonice.

Cele doua functii armonice, u si v, sunt si conjugate. Facând raportul, membru cu membru, al celor doua conditii (14.5-3) se obtine

ceea ce arata ca curbele u(x,y) = const1 si v(x,y) = const2 sunt ortogonale (sau conjugate).

Cele doua familii de curbe pot fi privite unele ca linii ale unui câmp electrostatic plan-paralel, iar celelalte - ca linii echipotentiale ale aceluiasi câmp.

14.5.2. Folosirea functiilor de variabila complexa

Partea reala si partea imaginara a unei functii analitice de variabila complexa satisfac ecuatia lui Laplace, proprietate care poate fi folosita în rezolvarea problemelor de câmp electrostatic sau magnetic stationar plan-paralele în medii liniare si omogene. Problemele de câmp magnetic stationar se adordeaza cu aceasta metoda în special atunci când în domeniu nu exista distributii de curent si frontiera domeniului este formata din suprafete de permeabilitate infinita, adica din suprafete ale unor corpuri feromagnetice.



Intr-adevar, în zonele fara curent câmpul magnetic este irotational deci se poate defini un potential magnetic scalar Vm, astfel încât Liniile de câmp fiind perpendiculare pe suprafetele corpurilor feromagnetice, acestea sunt echipotentiale.

Fie Wm(z) = Um(x,y) + j Vm(x,y) o functie de variabila complexa z, analitica.

Daca partea imaginara Vm(x,y) reprezinta în planul complex z potentialul magnetic, atunci vectorul inten­sitatii câmpului magnetic

se poate reprezenta în planul complex prin marimea complexa

iar Um(x,y) reprezinta fluxul intensitatii câmpului magnetic pe unitatea de lungime.

Daca partea reala Um(x,y) reprezinta în planul complex z potentialul magnetic, atunci

iar Vm(x,y) reprezinta fluxul lineic al intensitatii câmpului magnetic cu semn schimbat.

14.5.3. Metoda transformarii conforme

Daca Wm(z) este potentialul magnetic complex în planul z = x + j y din care deriva câmpul magnetic H(z), atunci câmpul H(w) în planul w = u + j v are expresia

adica

în care w(z) este o functie de transformare conforma din planul z în planul w. Pentru stabilirea functiei de transformare conforma se apeleaza la formula Schwarz-Christoffel, care permite trans­formarea unui contur poligonal în axa reala a planului complex.

Transformarea Schwarz-Christoffel.

Domeniul din interiorul (sau exteriorul) unui poligon cu n vârfuri z1, z2,..., zn din planul z (ordonate astfel încât sa lase la stânga donemiul) se transforma conform în semiplanul v =  m(w) > 0, iar conturul poligonal în axa u (fig. 14.5-1), cu ajutorul transformarii definite prin expresia de mai jos

Fiecare punct uk al axei u corespunde vârfului zk din planul z, iar exponentii ak se definesc astfel

si reprezinta modificarea unghiului de orientare a segmentelor de o parte si de alta vârfului, redusa la intervalul (-p p), cu semn schimbat si împartita cu p. Segmentele sunt parcurse astfel încât sa lase la stânga domeniul (care se va transforma în semiplanul superior al planului w).

Fig. 14.5-1. Transformarea Schwarz-Christoffel.

În figura 14.5-1 primele cinci unghiuri sunt pozitive (se modifica orientarea în sens trigonometric), iar al saselea este negativ, deci primii cinci exponenti rezulta negativi, iar al saselea este pozitiv.

Integrând expresia (14.5-11), se obtine functia analitica de transformare conforma, în care intervine constanta A (de scara) si o constanta aditiva B (de origine). Abscisele u1,...,un si constantele A, B se determina prin identificarea punctelor din planul w cu punctele originale, din planul z. Doua abscise uk se fixeaza arbitrar (fiind "compensate" prin constantele A si B).

Aplicatie. Se va exemplifica metoda pentru calculul câmpului magnetic al unei crestaturi de masina electrica.

Se considera doua armaturi feromagnetice paralele, la distanta d una de alta (întrefier). Armatura inferioara are o crestatura de adâncime infinita si de largime b (fig. 14.5-2a). Între armaturi este aplicata o tensiune magnetica V.

Din considerente de simetrie, se ia numai o jumatate din domeniul de câmp (pâna în axa crestaturii), adica domeniul ABCDE din fig. 14.5-2b. Acest domeniu se transforma conform în axa reala din planul (z1). În formula Schwarz-Christoffel se aleg abscisele -a, 0, 1, cu exponentii -1/2, -1, 1/2 si rezulta

Fig. 14.5-2. a) Zona crestaturii, b) domeniu în care se studiaza câmpul, c) axa variabilei z1, d) domeniul variabilei w.

Pentru integrare se face schimbarea de variabila

cu integrala

Dupa revenire la variabila z1 se obtine expresia

Cele trei constante, G - de scara, H - de fixare a originii si abscisa a, se determina prin corespondenta între cele doua plane complexe

Rezulta H = b/2, G = d p, a = (2p/b)˛.

Cu o noua transformare Schwarz-Christoffel, între planul z1 si planul w, segmentele AB si CD se rotesc astfel încât sa ajunga perpendiculare pe BC în planul w (fig. 14.5-2d). Transformarea are derivata

cu integrala

Punând conditiile

rezulta

si transforma segmentul AB în semidreapta u 0, v = jV, segmentul BC în segmentul u = 0, v (0, jV), segmentul CE în semidreapta u 0, v = 0.

Variabila complexa w are ca parte reala fluxul magnetic (al intensitatii câmpului magnetic) si ca parte imaginara potentialul magnetic, cu originea în punctul C. De exemplu, pentru punctul D, cu z1 = 1 se obtine fluxul magnetic care se închide prin jumatatea deschizaturii crestaturii

Întrucât variabila z1 nu poate fi explicitata din (14.5-16) în raport cu variabila z, ea poate fi considerata un parametru care se poate determina astfel încât din (14.5-16) sa se obtina coordonatele dorite (x,y), respectiv cu care se determina din (14.5-18) marimile de câmp. Daca se considera numai z1 = x1, cu x1 > 1 se va parcurge segmentul DE.

Factorul lui Carter folosit la calculul magnetic în masinile electrice se defineste ca raportul dintre tensiunea magnetica între armaturi netede si armaturi crestate la acelasi flux magnetic pe un pas de crestare. Poate fi definit si ca raportul între fluxul magnetic pe un pas de crestare la armaturi netede si fluxul la armaturi crestate, pentru aceeasi tensiune magnetica între armaturi. Cu ultima definitie, factorul lui Carter pentru pasul de crestare 2x devine

unde v si x corespund aceleiasi valori x1.

De exemplu, daca d = 1 mm, b = 1 mm, pentru x1 = 84, rezulta x = 1,5 mm, iar apoi kC = 1,0553.

14.6. Metoda aproximarii formei liniilor de câmp magnetic

Pentru rezolvarea aproximativa a unor probleme de câmp magnetic, în vederea calculului unor permeante magnetice sau a unor fluxuri magnetice, se poate folosi metoda aproximarii formei liniilor de câmp. Aceste linii se considera, aproximativ, a fi formate din segmente drepte si din arce de cerc, eventual din arce de elipsa.

Liniile de câmp (ale inductiei magnetice) se construiesc tinând seama de câteva reguli si principii:

- liniile de câmp se traseaza între suprafete echipotentiale magnetic,

- linia de câmp trebuie sa fie perpendiculara pe suprafetele echipotentiale ale câmpului respectiv, sa fie o curba continua si derivabila cel putin o data (clasa C1),

- se lucreaza cu o intensitate medie a câmpului magnetic Hmed de-a lungul unei linii de câmp, care multiplicata cu lungimea liniei de câmp lx da diferenta de potential magnetic între extremitatile liniei,

- exista un principiu de actiune minima, conform caruia daca linia de câmp s-ar putea îndrepta spre doua suprafete de acelasi potential, va fi aleasa calea de lungime minima.

Pentru aplicarea metodei aproximarii formei liniilor de câmp este necesara o experienta prealabila, adica cunoasterea formei aproximative a liniilor câmpului respectiv, pentru a aproxima cât mai corect aceste forme.

Metoda va fi ilustrata cu câteva exemple de aplicare.

Exemplul 1. Se considera o armatura feromagnetica cu o crestatura de largime b la distanta d de o armatura feromagnetica neteda. Intre armaturi se aplica o tensiune magnetica Vm (fig. 14.6-1a). Se cere distributia câmpului magnetic în vecinatatea crestaturii.



Fig. 14.6-1. Crestatura în fata unei armaturi netede, b) linii de câmp în vecinatatea deschizaturii, c) parametrizarea liniei de câmp aproximate.

În fig. 14.6-1b s-a reprezentat spectrul liniilor câmpului magnetic între cele doua armaturi, iar în fig. 14.6-1c s-au schitat liniile care aproximeaza acest spectru.

În întrefierul de largime d, pâna la marginea crestaturii, câmpul magnetic are liniile perpendiculare pe armaturi, este practic uniform si are intensitatea H0 = Vm/d

În dreptul crestaturii liniile de câmp se aproximeaza prin segmente drepte de lungime d si arce de cerc de raza x   (0,b/2) spre peretii crestaturii. Intensitatea câmpului este Vm/(px d), are valoarea H0 la muchia crestaturii si la mijlocul crestaturii scade pâna la H0/(1+pb d). Fluxul lineic pierdut prin crestare este

Este interesant de comparat aceasta valoare cu cea obtinuta pe o cale mult mai complicata (prin transformari conforme). La masini electrice este cunoscuta relatia

care da largimea pierduta prin crestare. Aceasta largime trebuie comparata cu valoarea b-4d p ln(1+pb d) stabilita cu metoda aproximarii formei liniilor de câmp magnetic. Se constata ca metoda aproximativa da "pierderi" mai mari, respectiv subevalueaza fluxul crestaturii. O aproximare mai buna se obtine înlocuind arcele de cerc cu arce de elipsa, cu raportul axelor 1.4, ceea ce aduce un factor de corectie de 1.2 la fluxul crestaturii, adica

Cu acest factor rezulta valori negative la b/d < 0.5, deci factorul ar trebui modificat dupa valoarea raportului b/d

Exemplul 2. Se considera doua armaturi prismatice de aceeasi sectiune transversala, separate prin întrefierul de largime d (fig. 14.6-2a). Se cere sa se estimeze fluxul de dispersie în jurul întrefierului.

Fig. 14.6-2. Dispersia la marginile unor piese prismatice. a) Schita geometriei, b) aproximarea formei liniilor de câmp.

În fig. 14.6-2b s-a schitat pentru un sfert din configuratia studiata modul cum se aproximeaza forma liniilor de câmp.

În zona de suprapunere a armaturilor liniile de câmp sunt perpendiculare pe suprafetele armaturilor si sunt repartizate uniform, deci la o inductie B0 în aceasta zona, rezulta între armaturi o tensiune magnetica V0 = dB

Pe partile laterale ale armaturilor, în vecinatatea între­fierului, liniile câmpului magnetic se aproximeaza prin doua arce de cerc de raza x si un segment drept de lungime d. Lungimea unei linii de câmp este lx = px d si inductia magnetica creata va fi B0/(1+px d). Fluxul magnetic de "dispersie" bilateral în jurul întrefierului, pâna la o distanta xm, este

Daca armaturile au latimea b în zona întrefierului, fluxul magnetic prin întrefier fiind fu = B0b, rezulta un factor de dispersie

Aprecierea distantei xm introduce o anumita nesiguranta în determinarea fluxului de dispersie, respectiv a factorului de dispersie.

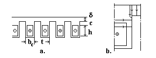
Exemplul 3. Se considera o armatura prevazuta cu crestaturi echidistante, de latime bc si pasul t, la distanta d de o a doua armatura neteda (fig. 14.6-3a). În crestaturi se afla bare de latime b si înaltime h, la distanta c de suprafata dintilor. Barele sunt parcurse în sensuri alternate de un curent I. Se cere câmpul magnetic în crestaturi si în întrefier.

Fig. 14.6-3. Armatura crestata, cu bare de curent (a) si aproximarea formei liniilor câmpului de dispersie (b).

Se observa ca în întrefierul dintilor succesivi câmpul magnetic îsi schimba sensul si datorita simetriei constructive axa fiecarui dinte este axa de simetrie, iar axa fiecarei crestaturi este axa de antisimetrie pentru câmpul magnetic.

Problema magnetica se poate rezolva numai pentru o jumatate de dinte si o jumatate de crestatura (din axa crestaturii pâna în axa dintelui), ca în fig. 14.6-3b.

În întrefier liniile de câmp au lungimea d, în vecinatatea muchiei crestaturii lx = d px/2, atât timp cât 2lx < bc, adica x < xm = (bc-d p, apoi liniile de câmp se închid transversal prin crestatura. Se obtin urmatoarele valori

- câmpul în axa unui dinte este Bd m I d

- inductia magnetica corespunzatoare liniei de câmp care corespunde distantei x de la marginea dintelui este Bx = Bd px d

- câmpul transversal prin crestatura are valoarea maxima Bc = µ0 I/bc.

Se observa ca la x = xm rezulta Bx = Bc. De asemenea

- fluxul magnetic lineic spre întrefier al unui dinte este

fd = Bd (t-bc+d p ln(bc/2d

- fluxul magnetic lineic transversal prin crestatura este

f = Bc (h/2+c-xm).

Cele doua fluxuri magnetice se aduna în dinti si la baza dintelui rezulta inductia magnetica maxima

Bdmax = (fd fc)/(t-bc).

14.7. Metoda diferentelor finite

Metoda a fost prezentata pentru câmpul scalar (electrosta­tic) în doua forme:

- prin aproximarea operatorului laplacian,

- prin folosirea formei combinate, diferentiale si integrale

În forma combinata, prin diferente centrale divizate se calculeaza la mijloacele laturilor retelei componentele câmpului în lungul acestor laturi. Cu aceste componente, tinând seama de permitivitatile mediilor din cadranele vecine nodului considerat se aplica forma integrala a legii fluxului în jurul fiecarui nod cu potential necunoscut, pe suprafata care trece prin mijloacele laturilor retelei. Metoda combinata are avantajul ca se poate aplica în aceeasi forma atât în zone omogene cât si neomogene, iar conditiile de frontiera tip Neumann se integreaza fara dificultate în integrala fluxului.

Daca problema de câmp magnetic este formulata cu ajutorul unui potential scalar, atunci se pot folosi formele puse în evidenta pentru câmpul electrostatic. Deosebirea esentiala fata de problema electrostatica consta în faptul ca atunci când în domeniul de câmp exista o repartitie de curent, folosirea câmpului auxiliar care preia rotorul câmpului, determina o umplere a domeniului de câmp cu sarcini de magnetizatie (sarcini spatiale). Spre deosebire de problemele electrostatice, în care, de regula se dau potentialele pe anumite suprafete, pe care vor aparea repartitii superficiale de sarcini electrice, care nu intervin în mod explicit în rezolvare, iar în domeniul de câmp nu apar distributii de sarcini electrice.

Pentru problema de câmp magnetic formulata cu ajutorul potentialului magnetic vector, metoda diferentelor finite se aplica numai în cazurile particulare când potentialul vector are o singura componenta si problema se rezolva într-un plan. si în acest caz se poate folosi fie aproximarea operatorului laplacian, fie forma combinata diferentiala si integrala. În ultimul caz prin diferente centrale divizate se determina la mijloacele laturilor retelei componentele câmpului perpendiculare pe laturi. Cu aceste componente, tinând seama de relatia constitutiva din cele patru cadrane vecine nodului central, se calculeaza intensitatile câmpului magnetic si apoi circulatia intensitatii câmplui magnetic în jurul unui nod, care intra în teorema lui Amp re. Din nou relatia obtinuta se aplica atât domeniiilor omogene, cât si neomeogene, iar conditiile de frontiera tip Neumann se integreaza fara dificultate în integrala de circulatie. Alte detalii au fost date în anexa dedicata metodei diferentelor finite.




Document Info


Accesari: 6042
Apreciat: hand-up

Comenteaza documentul:

Nu esti inregistrat
Trebuie sa fii utilizator inregistrat pentru a putea comenta


Creaza cont nou

A fost util?

Daca documentul a fost util si crezi ca merita
sa adaugi un link catre el la tine in site


in pagina web a site-ului tau.




eCoduri.com - coduri postale, contabile, CAEN sau bancare

Politica de confidentialitate | Termenii si conditii de utilizare




Copyright © Contact (SCRIGROUP Int. 2025 )