Scopul lucrarii
2.Schema de montaj folosita

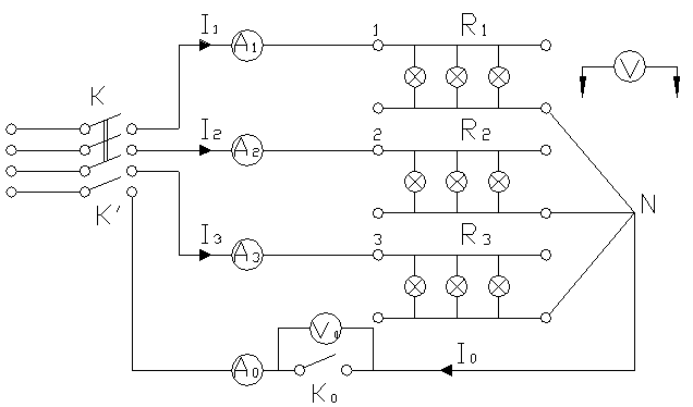
K - intrerupator trifazat;
K' si K0 - intrerupatoare monofazate;
A0; A1; A2; A3 - ampermetre electromagnetice de c.a. de 5-10 A, clasa de precizie 0,5;
V - voltmetru de c.a. feromagnetic, scara 600 V, clasa de precizie 0,5 V;
V0 - voltmetru de c.a. feromagnetic, scara 240 V, clasa de precizie 0,5 V;
R1;R2;R3 - reostate trifazate cu lampi de 220 V reglabile.
3.Chestiuni de studiat
Folosind montajul de mai sus se vor studia:
a) Functionarea retelei date cu 545e49f sarcina echilibrata cu si fara fir neutru si se va scoate in evidenta inutilitatea firului neutru.
I1=I2=I3; I0=0 si Ul=√3Uf
b) Functionarea retelei in sarcina dezechilibrata cu si fara fir neutru, astfel:
I1≠I2≠I3 (3 determinari)
I1=0; I2≠I3 (3 determinari)
I1=I2=0; I3≠0 (2 determinari)
4.Modul de lucru
La inceputul fiecarei determinari intrerupatorul K0 va fi inchis initial (cu fir neutru) si toate becurile vor fi stinse, dupa care se inchid K si K', se fac reglajele respective prin manevrarea becurilor din reostat si se deschide K0.
Tot timpul cand se manevreaza intrerupatoarele becurilor vor fi urmarite indicatiile aparatelor din circuit.
a) Sarcina echilibrata. Se introduce pe fiecare faza cate un numar egal de becuri si se urmareste ca cele trei ampermetre sa indice aceeasi valoare, adica I1=I2=I3≈5A. Se observa ca indicatia lui A0 este nula, deci I0=0.
Se deschide K0 si se observa ca UN0=0 deoarece indicatia lui V0 este nula.
Cu ajutorul voltmetrului V se masoara succesiv tensiunile de faza U1N; U2N; U3N si tensiunile de linie U12;U23 si U31.
Datele obtinute se trec in tabel si se verifica relatia U1=√3Uf.
b) Sarcina dezechilibrata. Cu intrerupatoarele K, K' si K0 inchise se dezechilibreaza reteaua introducand un numar diferit de becuri pe fiecare faza. Se vor lua valori pentru trei sarcini dezechilibrate. Dupa fiecare reglaj se deschide K0 facandu-se citiri si pentru receptorul fara fir neutru. Cu voltmetrul V se masoara tensiunile de faza U1N;U2N;U3N si cele de linie U12;U23 si U31. De asemenea, se citeste valoarea lui I0 cu A0, iar dupa deschiderea lui K0 se determina UN0. Toate datele obtinute se trec in tabel.
TABELUL 1
|
Receptor |
I1 |
I2 |
I3 |
U1N |
U2N |
U3N |
U12 |
U23 |
U31 |
Masurat |
Calculat |
Erori |
|||
|
I0 |
UN0 |
Io' |
UN0' |
ε I |
ε U |
||||||||||
|
[A] |
[A] |
[A] |
[V] |
[V] |
[V] |
[V] |
[V] |
[V] |
[A] |
[V] |
[A] |
[V] | |||
|
Echilibrat cu fir neutru |
| ||||||||||||||
|
Echilibrat fara fir neutru | |||||||||||||||
|
Dezechi- librat cu fir neutru | |||||||||||||||
|
Dezechi- librat fara fir neutru | |||||||||||||||
Interpretarea rezultatelor si concluzii
In cazul sarcinii echilibrate, tensiunea UNO si curentul I0 sunt nule, iar in cazul sarcinii dezechilibrate, daca receptorul este cu fir neutru, tensiunea UNO este nula, iar daca receptorul este fara fir neutru, curentul I0 este nul.
|