Obiectul lucrarii
Lucrarea urmareste verificarea experimentala a unor teoreme din teoria circuitelor electrice si punerea in evidenta a erorilor de masura.
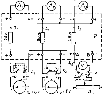
Schema de montaj

Lista de aparate
P - placa cu borne de acces;
E1, E2 - sursa dubla de curent continuu cu tensiune stabilizata;
A1, A2, A3 - ampermetre magnetoelectrice cu scari multiple;
V - voltmetru magnetoelectric cu scara multipla;
K1,
K - intrerupator bipolar;
R - reostat cu cursor.
Chestiuni de studiat
a) verificarea teoremei superpozitiei si a teoremei Kirchhoff I;
b) verificarea teoremei transferului maxim de putere;
c) verificarea teoremei generatoarelor echivalente.
Tabele de rezultate experimentale si calculate
a) Verificarea teoremei superpozitiei si a teoremei Kirchhoff I
E1 = 6 V E2 = 8 V
|
Nr. Crt. |
sursa |
I1 [mA] |
I2 [mA] |
I [mA] |
UAB [V] |
e Kirchhoff I) |
|
E1 E2 | ||||||
|
E1 0 | ||||||
|
E2 | ||||||
|
e superpozitie) |
b) Verificarea teoremei transferului maxim de putere
|
UAB [V] | |||||||||||||
|
IAB [mA] | |||||||||||||
|
R W |
¥ | ||||||||||||
|
P [mW] |
c) Verificarea teoremei generatoarelor echivalente
|
UAB0 [V] |
RAB0 [W | ||
|
IABsc [mA] |
GAB0 [mS] |
|
Nr. Crt. |
UAB [V] |
IAB [mA] |
R W |
G [mS] |
UNorton [V] |
IThevenin [mA] |
e (Norton) |
e (Thevenin) |
Observatii si concluzii
In general, determinarile experimentale au confirmat formulele teoretice. Valorile corecte sunt cele calculate pe cale teoretica, in cadrul experimentului intervenind erori de masura.
Verificarea teoremei transferului maxim de putere s-a realizat in mod satisfacator; rezultatul obtinut pe cale experimentala (198,3 mW) corespunde cu valoarea teoretica.
Erorile relative in cazul celor doua generatoare echivalente (Norton si Thevenin) sunt egale, ceea ce constituie un prilej de verificare a corectitudinii calculelor.
|