Bazele retelei SDH
Realizarea unei retele SDH necesita informatii de baza si este fundamental pentru a avea una sau mai multe solutii optimizate.
Reteaua garanteaza clientilor o reducere a cheltuielilor de investitii pe termen mediu si lung.
Înaintea realizarii unei retele SDH, arhitectul trebuie sa cunoasca:
informatia disponibila despre retea
produsele SDH
topologiile retelei
arhitectura retelei
tipurile de protectie
Odata ce aceste cunostinte au fost stabilite, adevaratul studiu poate începe.
1. Informatiile disponibile despre retea
Cerintele clientului
În timpul fazei de proiectare a retelei, clientul îsi exprima cerintele privind capacitatile, încercând sa gaseasca cel mai bun compromis între retea, standarde si produse.
El va cere:
o anumita arhitectura
protectie necesara
tipul produselor utilizate (ADM, interconectare)
rata de bit (155M, 622M sau 2,5Gbit/sec)
Aceste cerinte sunt vazute de obicei drept punct de reper pentru a ajuta arhitectul sa aleaga solutia cea mai buna.
Cerintele comutatiei
Din reteaua de comutatie, din informatia de baza trei tipuri sunt folosite:
o organizare ierarhica a retelei, oferind locatia centralei abonatului si centralelor local, nationale si internationale de tranzit.
Daca organizarea retelei de comutatie este cunoscuta, structura retelei de transmisie în general poate fi stabilita.
o matrice circuit de 2Mbit/sec.
Indicând ceritele de trafic, exprimate de catre operator, între nodurile retelei de comutatie. Oricum, aceasta matrice trebuie sa fie modificata si prelucrata pentru reteaua de transmisie.
orientarea nevoilor abonatului, privind serviciile nou aparute (ISDN,.....), pe o perioada variabila.
Informatia ceruta
Pentru analiza retelei SDH
Tabelul 1: Matricea cu trafic punct - cu - punct a retelei existente la 2,34 si 140 Mbit/sec
|
Nod 1 |
Nod 2 |
Nod 3 |
Nod 4 |
Nod 5 |
Nod 6 |
Nod 7 |
Nod 8 |
Nod 9 |
Nod 10 |
|
|
Nod 1 | ||||||||||
|
Nod 2 |
140 | |||||||||
|
Nod 3 | ||||||||||
|
Nod 4 | ||||||||||
|
Nod 5 | ||||||||||
|
Nod 6 | ||||||||||
|
Nod 7 | ||||||||||
|
Nod 8 | ||||||||||
|
Nod 9 | ||||||||||
|
Nod 10 |
|
Nota : 1. Fiecare celula reprezinta traficul total între 2 noduri (iesire + intrare)
2. Jumatatea matricei inferioare reprezinta traficul protejat iar jumatatea matricei superioare reprezinta traficul neprotejat.
Tabelul 2 : Matricea cu trafic punct - cu - punct pe termen scurt a retelei existente la 2,34 si 140Mbit/sec
|
Nod 1 |
Nod 2 |
Nod 3 |
Nod 4 |
Nod 5 |
Nod 6 |
Nod 7 |
Nod 8 |
Nod 9 |
Nod 10 |
|
|
Nod 1 | ||||||||||
|
Nod 2 |
140 | |||||||||
|
Nod 3 | ||||||||||
|
Nod 4 | ||||||||||
|
Nod 5 | ||||||||||
|
Nod 6 | ||||||||||
|
Nod 7 | ||||||||||
|
Nod 8 | ||||||||||
|
Nod 9 | ||||||||||
|
Nod 10 |
Nota : 1. Fiecare celula reprezinta traficul total între 2 noduri (iesire + intrare)
2. Jumatatea matricei inferioare reprezinta traficul protejat iar jumatatea matricei superioare reprezinta traficul neprotejat.
Tabelul 3 : Matricea cu trafic punct - cu - punct pe termen lung a retelei existente la 2,34 si 140Mbit/sec
|
Nod 1 |
Nod 2 |
Nod 3 |
Nod 4 |
Nod 5 |
Nod 6 |
Nod 7 |
Nod 8 |
Nod 9 |
Nod 10 |
|
|
Nod 1 |
| |||||||||
|
Nod 2 |
140 | |||||||||
|
Nod 3 | ||||||||||
|
Nod 4 | ||||||||||
|
Nod 5 | ||||||||||
|
Nod 6 | ||||||||||
|
Nod 7 | ||||||||||
|
Nod 8 | ||||||||||
|
Nod 9 | ||||||||||
|
Nod 10 |
Nota : 1. Fiecare celula reprezinta traficul total între 2 noduri (iesire + intrare)
2. Jumatatea matricei inferioare reprezinta traficul protejat iar jumatatea matricei superioare reprezinta traficul neprotejat.
2. Produse SDH
Arhitectul retelei trebuie sa aiba cunostinte temeinice asupra functionarii, capacitatii si folosirii produselor.
Acest capitol este extras din modulul 14010.
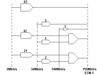
2.1 Multiplexarea SDH
Cadrul de baza este cadrul STM-1. Rata de bit corespunzatoare este de 155.520Mbit/sec. Cadrul STM-1 se compune din cadre PDH:
63 semnale la 2Mbit/sec.
sau
3 semnale la 34Mbit/sec.
sau
1 semnal la 140Mbit/sec.
sau
42 semnale la 2Mbit/sec si 1 semnal la 34Mbit/sec.
sau
21 semnale la 2Mbit/sec si 2 semnale la 34Mbit/sec.

Câteva cadre STM-1pot fi multiplexate împreuna:
4 cadre STM-1 = 1 STM - 4 cadre (622Mbit/s)
16 cadre STM-1 = 1 STM - 16 cadre (2,5Gbit/s)

Cu toate acestea, echipamentul PDH poate fi înlocuit cu usurinta de echipamentul SDH. În plus, ultimul permite o operare mai usoara si un management facil în folosirea bitilor supraâncarcati în cadrul SDH.
2.2 Echipamentul SDH
Familia de produse SDH este compusa din 3 grupe:
Multiplexoare prin adaugare si scadere (ADM).
Sistemele de linie.
Interconectare.
Fiecare tip al echipamentului are o functie si este folosit într-o topologie corecta.
2.2.1 Multiplexoare prin adaugare si scadere (ADM)
Aceste multiplexoare permit inserarea si extragerea semnalelor PDH (2M,34M,140Mbit/s) într-un cadru STM-1, STM-4 sau STM-16.
Ele reprezinta interfata între tehnologiile PDH si SDH.
Pot fi folosite ca un terminal sau ca un ADM normal :

Distanta maxima dintre ADM-uri este de 90 km. Daca distanta dintre 2 statii este mai mare decât aceasta valoare, atunci, ADM-ul va fi utilizat ca un repetor. În acest caz, nu exista terminale afluente în echipament.

Uzul specific
ADM poate fi folosit ca o interconectare, folosind terminalul auxiliar STM-1, între terminalul afluent si cel principal.

Produsele Alcatel

Acest echipament este un sertar 1641, echipat cu terminale principale STM-4 (toate celelalte terminale sunt identice).
NOTĂ : Terminalul STM-4 fara protectie

Operatii specifice
1651SM poate fi folosit ca un echipament de interconectare, semnalele conexiunii încrucisate între auxiliare sau între principale:


Acest echipament este un sertar 1651SM, echipat cu terminalul auxiliar STM-16 (toate celelate terminale sunt identice).
NOTĂ : Terminalul STM-16 fara protectie.

1641SMD este conectat direct la 1651SM/61SMC
189 acceseaza la 2Mbit/s
2.2.2 Sisteme de linie
Sistemele de linie permit transmisiunea a 4 sau 16 STM-1/140Mbit/s auxiliare în cadrele STM-4 sau STM-16.
Permit ca transferul bitilor sa fie marit si sunt folosite pentru a conecta 2 statii, prin fibre optice, la distante mari (90 km).
Pot fi folosite într-o configuratie repetoare sau terminala.
Terminalele repetoare sunt de asemenea gasite într-o conexiune dar sertarele sunt diferite.

Produsele Alcatel

Acest
echipament are aceleasi functii ca 1654SL dar este folosit pentru
legaturi la lunga distanta (
), iar în mod particular, pentru legaturi sub-marine.
2.2.3 Sistemele de interconectare
Permit comutarea semnalelor de intrare spre semnalele de iesire.
Conexiunea încrucisata 4 - 4 permite schimbarea semnalelor STM-1 si 140Mbit/s.
Sunt localizate pe noduri de transmisie, unde sunt necesare la conexiunea încrucisata a mai multe STM-1 provenind din zone diferite.

Conexiunea încrucisata 4 - 3 - 1 permite schimbarea semnalelor plesiocrone (2M, 34M, 140Mbit/s) si a semnalelor sincrone (155Mbit/s).
Sunt gasite pe nodurile de transmisie între reteaua de transmisie si centrala.

Acest echipament poate fi de asemenea folosit în inter-conexiunea dintre diferite nivele ale retelei de transmisie.
Produsele Alcatel

Conexiunea încrucisata 4-3-1 de asemenea proceseaza functionarea ADM-ului. Poate introduce si extrage semnale plesiocrone într-un cadru STM-1.
În plus, este capabila sa multiplexeze si sa demultiplexeze semnalele plesiocrone.
De exemplu, multiplexarea semnalelor cu 16 a 2Mbit/s într-un cadru de 34Mbit/s.
Asa ca, poate înlocui un ADM daca un numar este mai mare decât 63 2Mbit/s sunt necesari.
Cu toate acestea, acest echipament este mult mai scump decât un ADM.
2.2.4 Combinatiile echipamentului
Pentru distante mari, un repetor 1654SL sau 1664SL poatefi introdus între 2 ADM-uri (1651SM,1661SMC).

2.3 Supravegherea echipamentului
Toate echipamentele mentionate mai sus sunt supravegheate de echipamentul de management al retelei.
Acestea permit configuratiilor de multiplexare si configuratiilor de linie sa fie modificate si semnalele de interconectare sa fie gestionate.
Scopul lor este de a ajuta operatorul sa gestioneze toate sistemele. Dau toate informatiile în legatura cu starea retelei, configuratia ei si calitatea ei.
Vor fi conectate la diferite elemente ale retelei ale interfetei normalizate:

Sistemul poate fi de asemenea supravegheat local de interfata F.
3. Topologia retelei
Retelele standard sunt bazate pe structuri logice.
Cele 4 structuri importante sunt
bus,
inel,
stea,
cu ochiuri.
Fiecare structura este alocata unei specifice aplicatii si foloseste cel mai apropiat echipament SDH.
3.1 Structura bus
Aceasta structura corespunde unei retele compusa din noduri succesive:

Semnalele plesiocrone pot fi inserate sau extrase din oricare nod facut de catre ADM sau conexiunea încrucisata .
Sistemele de linie cu legatura repetata ale statiilor îndepartate unde nu exista insertie sau extractie ceruta în statiile intermediare.
Retelele cu topologia bus sunt folosite în multe aplicatii ca : liniile de tren, retelele de transport de petrol si autostrazi.
3.2 Structura inel
Aceasta este cea mai frecventa structura folosita.

Principalul avantaj al structurii este sa asigure automat protectie circuitului.
Acest tip de structura este folosita pentru accesul la reteaua locala, regionala si nationala.
3.3 Structura stea
Tot traficul trece printr-un nod central, facut printr-un echipament de interconectare:

Acest tip de topologie este folosit adesea în reteaua de acces a abonatului.
3.4 Strcutura cu ochiuri
Fiecare nod este conectat la cel putin alte 2 noduri ale retelei.
Nodurile retelelor cu ochiuri sunt facute de catre echipamentul de interconectare:

Retelele cu ochiuri permit autoîntretinerea prin circuit de rerutare în caz de eroare a unei legaturi.
3.5 Interconexiunile inel
Retelele inel pot fi compuse din una sau mai multe STM-N (N=1, 4 sau 16)
retele sincrone inter-conectate prin unul sau mai multe noduri.
Numai un singur inel poate fi folosit daca numarul nodurilor retelei este mai mic decât 16 (diametrul maxim de 100km).
Daca numarul nodurilor este mai mare decât 16, atunci o structura multi-inel este aleasa.
Sunt mai multe cai diferite de inele inter-conectate:
Interconectarea directa între 2 ADM-uri a fiecarui inel.

Neajuns: Daca o legatura de interconectare e taiata, traficul între inele este pierdut.
Interconectarea inel de-a lungul unui singur nod

ADM-ul central poate fi înlocuit de un echipament interconectare daca numarul circuitelor pentru a fi interconectate este prea mare.
Neajuns: daca echipamentul esueaza, traficul între inele este pierdut.
Interconectarea inel de-a lungul a 2 noduri

Cele 2 ADM-uri centrale pot fi înlocuite de echipamentul interconectare.
Avantaj: protectia circuitului este asigurata în orice punct al retelei.
Remarca: cele 2 noduri centrale sunt inter-conectate de 2 perechi de fibra optica.
Fiecare pereche trebuie sa fie în cabluri diferite. Fiecare cablu trebuie sa urmareasca o cale diferita.

Acest tip de structura implica instalarea cablului si este foarte scump. Astfel, adesea, numai o singura cale este folosita si ambele perechi de fibra optica sunt inserate în acelasi cablu.
Interconectarea inel de-a lungul a 4 noduri

Avantaj : La interconectarea inel, ehipamentele de interconectare permit o interconectare cu înalta flexibilitate a semnalelor STM1.
3.6 Configuratii inel
În cadrul unei retele, o topologie inel este cea mai frecvent folosita pentru ca permite protectie automata circuitului.
De la început, reteaua este modelata cu ajutorul configuratiilor standard alese conform structurii fizice a retelei si a traficului inter-statii.
Configuratia floare

Configuratia serie

Configuratia super inel

Configuratia periferica

Configuratia concentrica

Configuratia usoara

Nota : Fara trafic intern în echipamentele interconectare.
4. Arhitectura retelei
O retea nationala poate fi compusa din mai multe nivele. La fiecare inel, reteaua este construita acordându-i o topologie proprie (bus,inel,cu ochiuri, stea).
4.1 Nivelul de acces
Nivelul de acces corespunde conexiunii abonatului de retea.
Abonatii apartinând unei zone sunt concentrati la un nod de acces. Acest nod este format din echipamentele de acces.
Acest echipament multiplexeaza mai multe linii de 64kbit/s si da o rata de bit de 2Mbit/s.
Structura apropiata pentru acest nivel, este structura stea sau inel:

4.2 Nivelul local
Nivelul local corespunde unei retele SDH de acces. Permite conexiuni de 2Mbit/s catre cadrele STM-1.
Aceste PCM-uri de 2Mbit/s sunt extrase din nivelul de acces sau din centralele de abonati.
Semnalele PCM sunt transmise în interiorul cadrelor pe 1641SM.
ADM-urile sunt interconectate folosind o topologie tip inel sau bus pe distante scurte.
4.3 Nivel regional
Acest nivel conecteaza mai multe retele locale, legaturi cu 1641SX sau 1651SM. La acest nivel, rata de bit a liniei este mai înalta si semnalul PDH interconectat este important.
De aceea, este folosita topologia inel asociata topologiei cu ochiuri.
Aceasta structura hibrid este facuta pentru 1651SM în topologia inel, legata la 1641SX, conectata la o retea locala de 1651SM .
4.4 Nivelul national
Nivelul national conecteaza mai multe retele regionale folosind echipamentul 1644SX.
La acest nivel, numai rata de bit SDH este folosita (155M, 622M, 2,5Gbit/s).
Structura cu ochiuri este cea mai apropiata structura. Este realizata de 1644SX pe nodurile de conexiune si sistemele de linie 1654SL sau 1664SL la nodurile de legatura.
Urmatoarea diagrama prezinta un exemplu de retea. Prezinta nivelele retelei si topologiile corespunzatoare.

5. Protectia
O retea trebuie sa asigure transmisia circuitelor. Dar transmisia poate întrerupta datorita unei întreruperi pe cablu sau erorilor echipamentului. Pentru acest motiv, reteaua trebuie sa fie capabila sa ruteze circuitele pe o alta cale, folosind sisteme de protectie deja implementate. Acolo exista 3 tipuri de protectie: EPS, APS, PPS.
5.1 EPS : Echipamentul de protectie a comutatiei
Dublarea echipamentului sau controlului. Aceasta protectie permite retelei sa fie libera de orice eroare de sistem.
EPS este implementat în tot echipamentul SDH.
5.2 APS : Protectia automata a echipamentului
Dublarea fibrei optice între 2 statii. Aceasta protectie permite retelei sa comute semnalul pe fibrele disponibile în cazul unei întreruperi a fibrelor principale.

Utilizare
APS este utilizat cu ADM si sisteme de linie, pentru legaturi punct-cu-punct.
ADM foloseste acest tip de protectie în structurile liniare (sau în bus). Modul folosit este 1+1 (o pereche de fibre de asteptare protejeaza perechea de fibre în serviciu). În vederea realizarii acestei protectii, este necesar sa se dubleze componentele de comanda si fibra optica din echipamentul fiecarei statii.
Sistemele de linie folosesc APS în modul 1:N (
). N sisteme sunt protejate de un singur sistem în
asteptare. Acest sistem în asteptare, în functionare
normala, poate fi folosit pentru a transmite un semnal cu prioritate
joasa. Dar în cazul unei erori a sistemului principal, semnalul cu
prioritate joasa este pierdut si este înlocuit de semnalul
sistemului. În vederea realizarii acestei protectii, ambele fibre
optice si echipamentul trebuie sa fie dublat.

În fisierul de configurare, noi selectam: extractie/insertie protejat Vest (sau Est).

Protectia PPS este folosita numai în configuratia inel simpla. Dar, cel mai des, o structura multi-inel este aleasa în retele.
În vederea protejarii legaturilor de interconectare de tip inel, extractia si functia continua este utilizata.
Extractia si configuratia continua
De exemplu:

Semnalul de 2Mbit/s receptionat de la cadrul Est STM-1 este, simultan, transmis la afluent (Extractie Est) si reinserat în cadrul STM-1 din partea vestica.
Acest semnal de 2Mbit/s receptionat de la Est este deasemenea receptionat de la Vest dar prioritatea este data la Est. Oricum, daca fibra optica din partea estica primita este taiata, sistemul comuta automat semnalul pe partea vestica.
În aceasta functie, semnalul de 2Mbit/s sosit de la afluent este deasemenea inserat în partea estica.
Aplicatie

Functia de protectie D/I Vest (sau Est) este aplicata acolo unde semnalul de 2Mbit/s este inserat/extras în retea.
Extractia si functia continua este aplicata la nodurile de interconectare în inel.
Acest tip de configuratie permite semnale de 2Mbit/s pentru a fi transmise si în urma mai multor întreruperi (de exemplu, întreruperi simultane între D si C, B si J, M si L).
|
Linie de productie Descriere |
ADM |
Sisteme de linie |
Interconectare |
||||
|
Functie |
Insereaza si extrage semnale PDH si SDH în cadre STM-N |
Multiplexoare si demultiplexoare 4 sau 16 STM-1 sau semnale de 140Mbit/s |
Interconecteaza semnalele de intrare (PDH si SDH) cu semnalele de iesire |
||||
|
Numele produsului |
1651SM (agregat STM-4) 1641SM (agregat STM-1) 1641SMD (STM-1 + afluenti de 2Mbit/s) |
1654SL (4 STM1/140M STM-4 1664SL (16 STM1/140M STM-16) |
1644SX(140Mbit/s, STM-1) 1641SX(2M,34M,140M,STM1) |
||||
|
Mod de utilizare |
Terminal (1 agregat) Repetor (nici un afluent) ADM (2 agregate + afluenti) |
Terminal repetor | |||||
|
Aplicatie |
Retea de abonati Retea locala |
Retea nationala |
Retea locala, regionala si nationala |
||||
|
Topologia folosita |
Liniara, stea, plasa , inel |
Liniara |
Plasa, inel |
||||
|
Protectie |
EPS (placi) APS 1+1 PPS Extrage si continua |
EPS (echipament) APS 1+1 1: N |
EPS (placi) PPS |
||||
|
Numarul placilor afluente 21 x 2Mbit/s 3 x 34Mbit/s 1 x 140Mbit/s 1 x STM-1 |
1641SMD |
1641SM/ 1651SMC |
1651SM/ 1661SMC |
1654SL |
1664SL |
1644SX echivalent STM-1 |
1641SX echivalent STM-1 |
|