Documente online.
Zona de administrare documente. Fisierele tale
Am uitat parola x Creaza cont nou
 HomeExploreaza
upload
Upload




Decodificarea adreselor pentru un sistem de memorie

Informatica


Decodificarea adreselor pentru un sistem de memorie



Se da un sistem cu magistrale de adrese de 16 biti, magistrala de date pe 8 biti si 2 blocuri de memorie succesive de 16KB.

Adresa de inceput a blocurilor de memorie este 0001h.

Sa se implementeze circuitul de decodifcare a adreselor penru acest sistem.

Zona de memorie

Adresa hexazecimala

Linii de magistrala de adrese

A0

A1

A2

A3

A4

A5

A6

A7

A8

A9

A10

A11

A12

A13

A14

A15

Nealocata

0000h

Circuit 1

0001h

4000h

Circuit 2

4001h

1

 

8000h



Nealocata

8001h

0

 

FFFFh

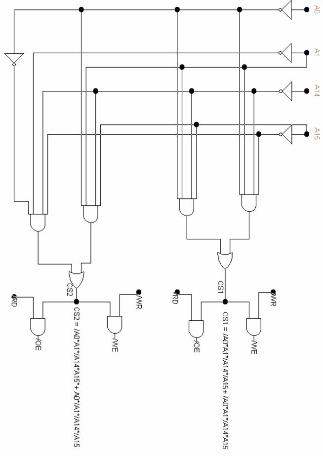
Alocarea unei zone de memorie de 16K (dimensiunea cuvantului fiind pe 8 biti) necesita 14 biti de pe magistrala de adrese.

Astfel primi 14 biti se vor folosi pentru generarea adresei in cadrul memorie (A0-13), iar biti A0,A1,A14,A15 vor fi folositi pentru circuitul de selectie a cipului de memorie(CS).

Functiiile pentru circuitele de chip select sunt.

A14 este o utilizata doar pentru a creea o functie unica pentru circuitul de chipselect in sistem.

A0A1


A14A15

Minimizare Karnaugh CS1 = /A0*A1*/A14*/A15+ /A0*A1*/A14*A15

A0A1


A14A15

Minimizarea Karnaugh CS2 = /A0*A1*/A14*A15*+ A0*/A1*/A14*/A15

Se neaga bitul A1 (A1->/A1) pentru a forma un spatiu de adrese valid.




Document Info


Accesari: 1545
Apreciat: hand-up

Comenteaza documentul:

Nu esti inregistrat
Trebuie sa fii utilizator inregistrat pentru a putea comenta


Creaza cont nou

A fost util?

Daca documentul a fost util si crezi ca merita
sa adaugi un link catre el la tine in site


in pagina web a site-ului tau.




eCoduri.com - coduri postale, contabile, CAEN sau bancare

Politica de confidentialitate | Termenii si conditii de utilizare




Copyright © Contact (SCRIGROUP Int. 2025 )