Memorii ROM cu tranzistoare MOS
Avantaje:
densitate de integrare mult mai ridicata;
capacitatatea de memorare mai mare;
folosirea unor metode noi de programare a memoriei la utilizator.
1. Memoria EPROM
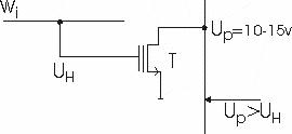
Schema de principiu a unei sectiuni:

daca
sunt tranzistoare
obisnuite, la activarea liniei de cuvant
toate iesirile sunt
puse la masa ( 0 0 0 ).
pentru a trece una din
pe 1 ar fi necesar ca
tranzistorul din nod ce corespunde liniei sa nu conduca atunci cand
. Programarea trebuie sa se faca fara intreruperea legaturii
fizice a portii la
. Pentru aceasta este necesara folosirea
unui nou tip de tranzistor MOS, si anume tranzistorul MOS cu poarta flotanta,
care a permis realizarea memoriei EPROM.


![]()
Caracteristica de poarta a unui astfel de tranzistor
depinde de incarcarea cu sarcini negative a
. Deci tranzistoarele din noduri corespunzand unei linii de
bit care trebuie sa fie pe
trebuie sa aibe
incarcata cu sarcina negativa
. Programarea este facuta prin
incarcarea
cu ajutorul unui
impuls de programare (10V-15V) intre drena si sursa tranzistorului, cu latimea
de cateva zeci de ms, dupa selectarea
liniei de cuvant
.

Stergerea informatiilor se face iradiind matricea CD
cu radiatii UV (ultraviolete) un interval de timp de
ordinul zecilor de minute. Numarul garantat de programari si de stergeri este mai mare de
iar durata maxima a informatiei
memorate este de zeci de ani.
2. Memoria OTP ( One Time Programabile )
Este tot o memorie EPROM programata electric la producator fara fereastra de cuart pentru stergere (pret mai mic cu circa 40%). Utilizatorul nu o mai poate reprograma. Este rentabila in productia de masa. Este asemanatoare cu memoria ROM - masca bipolara.
3. Memoria EEPROM
Elimina dificultatiile de extragere din soclu si iradiere cu UV. Atat programarea cat si stergerea se fac electric. Prin perfectionarea tehnologiei si micsorarea grosimii stratului izolator al Pf exista posibilitatea programarii si stergerii electrice cu tensiuni mici aplicate intre drena si poarta. Polaritatea caderii de tensiune drena-poarta este inversata la stergere fata de programare.
Caracteristici:
numar de stergeri si de reprogramari
durata informatiei memorate mai mare de zece ani.
ceva mai scumpe,
se pot rescrie in timpul functionarii.
II. MEMORII RAM
Sunt circuite integrate cu integrare pe scara foarte larga (VLSI) care permit in timpul functionarii atat citirea cat si inscrierea in locatia adresata. Acestea mai poarta denumirea si de memorii RWM (read-write memory).
Clasificare RAM:
- statice SRAM cu bistabile in tehnologie bipolara sau unipolara,
- dinamice DRAM numai in tehnologie unipolara (MOS).
Dupa modul de selectie a locatiei avem:
- selectie liniara (mai multi biti pe cuvant)
- selectie prin coincidenta (cazul memoriilor cu un singur bit pe cuvant).
Selectia liniara (ca la ROM)

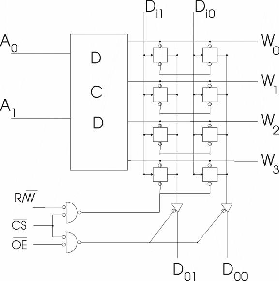
Selectia prin coincidenta - contine doua decodificatoare de adresa unul pe X si unul pe Y.

Nodul selectat din memoria din figura corespunde adresei:
A3 A2 A1 A0
0 1 1 1
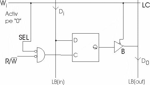
1. Memoria SRAM
Aceste memorii sunt realizate cu bistabile. Terminale memoriei sunt:
A0. An-1 - adrese,
Do0Do(k-1) - date iesire,
Di0Di(k-1) - date intrare,
/CS - selectie capsula,
/OE - validare iesire,
R/W - selectie operatie.
Celula de memorie pentru 1 bit cu bistabil D latch

Functionare:
Pentru a putea face o operatie de citire sau de scriere este necesar ca celulele sa fie selectata cu ajutorul liniei de cuvant Wi activata pe zero. Deci linia de cuvant furnizeaza semnalul SEL ce actioneaza asupra portii SI si a bufferului B. Prin selectarea bufferul se afla in stare normala de functionare. Cealalta intrare a portii SI se foloseste pentru stabilirea operatiei ce se va efectua: citire sau scriere (R/W).
La citire trebuie sa avem celula selectata (SEL=0) si sa avem semnalul R/W=1. In acest caz intrarea C a bistabilului este 0 (C=0) si oricare ar fi datele pe linia de intrare ele nu se inmagazineaza in D-latch (C=0) in schimb B fiind in stare normala, obtinem la iesirea Do pe Q memorat in bistabil.
La scriere trebuie sa avem celula selectata (SEL=0) si sa avem semnalul R/W=0. In acest caz ceea ce exista pe linia LBIN se inscrie in D-latch. Cu alte cuvinte ceea ce am pe liniile de intrare Di se va transfera in bistabil (adica la iesirea Q a acestuia).
Daca celula nu este
selectata (SEL=1) atunci C=0 si B se afla in starea de impedanta ridicata
(HiZ). ![]()
Reprezentarea simbolica a unei astfel de celule este:

Consideram in cele ce urmeaza o memorie ipotetica de 4 cuvinte de cate 2biti/cuvant. Avem deci nevoie de 8 celule. Presupunem o selectie liniara.

Tabel de functionare:
|
operatie |
|
|
|
|
citire | |||
|
scriere | |||
|
memorare |
X |
X |
Reducerea numarului de pini a capsulei circuitului integrat folosind pini unici pentru intrare si iesire se poate face utilizand urmatoarea structura I/O (input/output).

I/O
|