Modulatorul FSK
IV.1. Generalitati de proiectare
Modulatia de frecventa este foarte des utilizata in transmisiile de date de mica si medie putere datorita unor facilitati de care trebuie sa tinem seama:
generarea simpla a semnalului FSK;
implementarea usoara a modulatorului si a demodulatorului; 757i89h
realizarea unor performante foarte bune cu ajutorul unor echipamente de complexitate medie.
O schema de modulator - demodulator FSK, la iesirea caruia formele de unda sunt generate numeric, este prezentata in figura IV.1.1.

In cazul cel mai
intalnit, al modulatorului binar, pentru semnalul FSK se asociaza doua
frecvente de valori diferite
si
corespunzatoare
bitilor semnalului de date respectiv.
Valorile respective a
celor doua frecvente sunt evident diferite, dar nu conteaza care este mai mare
si care este mai mica. Aceste frecvente trebuie cunoscute doar pentru
implementarea codoarelor si a decodoarelor. In general frecventa
corespunzatoare bitului "0" este luata mai mare decat frecventa corespunzatoare
bitului "1" (
).
IV.2. Modulator FSK binar
Se va proiecta un modulator FSK binar ce va functiona la urmatorii parametri:
tensiunea de alimentare: U = 13V;
frecventele asociate celor 2 biti:
= 1850 Hz pentru bitul de valoare 1 logic;
= 2025 Hz pentru bitul de valoare 0 logic.
frecventa de bit:
= 300Hz.
toleranta maxima admisa pentru divizoarele de frecventa este mai mica decat 0,5
Tinand cont de cele considerate anterior putem defini in continuare:
frecventa purtatoare
(pentru modelul FSK binar):
![]()
deviatia de frecventa:
![]()
indicele de modulatie:

In concluzie, semnalul va avea frecventa centrala de 1925Hz cu o deviatie de 100Hz si cu indicele de modulatie de 0,66.
Frecventa oscilatorului cu cuart se considera astfel incat valorile reale ale frecventelor, comparativ cu cele teoretice sa nu difere prea mult (sa se incadreze in limitele de toleranta).
Se alege un cuart cu
frecventa normalizata la
.
Se aloca valoarea 30 factorului de divizare (K = 30). Acesta reprezinta numarul de esantioane pe o perioada a esantionului.
Se verifica alegerea frecventei de tact in conformitate cu cerintele impuse de datele de proiectare.
K

Prin
aproximare la valoarea intreaga
:
= 82
In acest moment se pot determina valorile
reale ale celor doua frecvente
si
(notam
si
):


Erorile de frecventa care vor apare, calculate procentual sunt:
![]()
![]()
Din calcule rezulta ca aceste erori sunt mai mici decat toleranta impusa de 0,5%, astfel conditia este indeplinita.
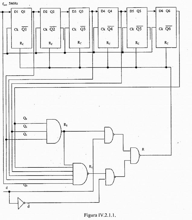
Schema oscilatorului cu cuart este prezentata in figura IV.2.1.


In aceasta schema, cuartul este folosit ca element determinant al frecventei de oscilatie cat si ca parte a filtrului trece jos de la iesirea generatorului. In acest mod zgomotul nu depaseste o limita a benzii de 100Hz, imbunatatindu-se astfel raportul semnal/zgomot, iar armonicile sunt extrem de atenuate.
Schema prezinta o buna stabilitate a frecventei de oscilatie, ramanand neschimbata in cazul cuplarii unei sarcini de impedanta mica.
Prin modificarea valorii condensatorului C se realizeaza reglajul stabilitatii oscilatiilor.
Bucla de reactie in care
intra si tranzistorul
asigura stabilirea
punctului de functionare.
IV.2.1. Numaratorul programabil
Functia numaratorului
programabil este cea a unui divizor de frecventa. Programandu-l corespunzator,
la iesirea lui vom obtine frecventele miltiple de k ale frecventelor
si
.
Pentru scrierea ecuatiei
resetului numaratorului realizat cu circuite basculante bistabile de tip D se
realizeaza transformarea zecimal-binara a valorii factorilor de divizare
si

se mai poate scrie ca
, iar resetul total este:
![]()
Se poate spune ca numaratorul programabil divizeaza frecventa de tact cu 91 pentru toti bitii de valoare "0" logic si cu 82 pentru bitii cu valoarea "1" logic din semnalul de date.
Schema bloc a numaratorului programabil este data in figura IV.2.1.1.
IV.2.2 Divizorul cu M
M este dat de relatia:
,
unde:

Divizarea cu 16,7 KHz a frecventei oscilatorului se poate face ca in cazul precedent, cu numaratoare binare, insa aceasta solutie prezinta dezavantajul unui tact mult intarziat de cel initial, ceea ce duce la erori de demodulare.
IV.2.3. Divizorul cu k
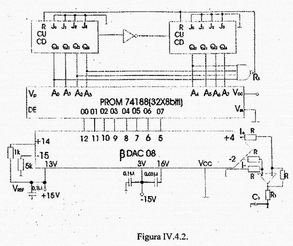
Schema divizorului cu k a PROM-ului si a convertorului digital analogic este prezentata in figura IV.2.3.1.
Valoarea binara a lui k este:

Schema divizorului cu k
prezentata anterior este valabila atat pentru modulatorul FSK ternar (cu trei
frecvente
) cat si pentru modulatorul FSK cuaternal (cu patru frecvente
).
IV.3. Modulatorul FSK ternar
Modulatorul FSK ternar
lucreaza cu trei frecvente
(date mai jos) si va
avea aceeasi tensiune de alimentare de 15V si aceeasi frecventa de debit si de
tact:
![]()
Ceilalti parametri vor fi determinati in continuare:
=
1825 Hz
= 2025 Hz
= 2225 Hz
Frecventa putatoare
va fi:
![]()
Deviatia de frecventa:
![]()
Indicele de modulatie:
![]()
In concluzie semnalul va avea frecventa centrala de 2025Hz, cu o deviatie de 200 Hz, cu indicele de modulatie 1,33.
Frecventa de tact: ![]()
Factorul de divizare: k

Prin aproximare avem factorii de divizare:

Valorile reale in acest caz, vor fi:

Erorile de frecventa ce vor aparea sunt:

Conditia este implinita si de aceasta data, erorile fiind mai mici decat 0,5 . Schema oscilatorului cu cuart in aceasta situatie este identica cu cea din figura IV.2.1.
IV.3.1. Numaratorul programabil
Circuitul acestuia este
diferit de cel de la modulatorul FSK binar. Dupa programarea adecvata la
iesirea lui se vor obtine semnale cu frecvente multiple de k ale frecventelor
de lucru
,
,
.
Factorii de divizare in forma binara sunt:

Forma resetului general va fi:
![]()
Tabelul de alocare a frecventelor:
|
|
|
|
|
|
1 |
1 |
1 |
|
|
0 |
1 |
0 |
|
|
1 |
0 |
0 |
|
|
0 |
0 |
1 |
|
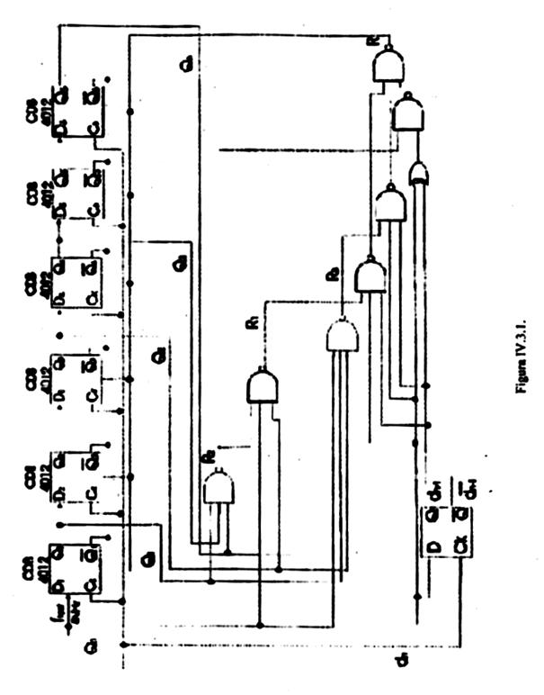
Schema modulatorului programabil este prezentata in figura IV.3.1.

IV.4. Modulatorul FSK cuaternar
Modulatorul FSK
cuaternar foloseste patru frecvente de lucru
,
,
,
, iar parametrii de proiectare necesari sunt dati in
continuare:
tensiunea de alimentare: 15V;
frecventa de bit:
300 Hz;
frecventa de tact:
= 5 MHz;
toleranta maxima admisa trebuie sa fie mai mare decat 0,5%.
Cele patru frecvente sunt:

In functie de valorile acestor frecvente se vor calcula ceilalti parametrii necesari proiectarii:
frecventa purtatoare
:
![]()
deviatia de frecventa:
![]()
![]()
indicele de modulatie
,
:

Dupa cum s-a observat si
din calcule, frecventa purtatoare in cazul modulatorului FSK cuaternal va avea
valoarea de 2125 Hz, cu o deviatie de ±100Hz si de ±300Hz cu indicele de
modulatie
= 0,66, respectiv
= 2.
Frecventa de tact a
oscilatorului cu cuart este:
= 5 MHz.

Valorile reale ale frecventei in acest caz vor fi:

Erorile de frecventa ce vor aparea vor fi:

Valorile binare ale factorilor de divizare vor fi:

Resetul general al numaratorului este:

Schema din figura IV.4.2. este valabila pentru modulatorul FSK binar, modulatorul FSK tertiar si modulatorul FSK cuaternal.
Aceasta schema reprezinta circuitul divizorului cu k, a PROM-ului si a convertorului digital analogic.

Adoptam
si frecventa de taiere
a FTJ (![]()
) de 3,5 KHz (
).
![]()
Lista de componente utilizate in blocurile functionale:
1 cuart tip HC cu frecvente
normalizate
;
bistabili de tip D : 1
porti inversoare: 1
porti SI: 1/4
porti SAU: 1/4 4071;
numaratoare: MMC 4019
CDB 493E;
memorie PROM: 74188 (32x8 biti);
convertorul: β DAC 08;
amplificator: OP - 17F;
circuit integrat: LN 0070;
condensatoare variabile din seria CT;
condensatoare variabile nominale corespunzatoare de tip PMP;
rezistoare semireglabile de serie P;
rezistoare de uz general seria RBC;
optional, (pentru una din schemele de oscilatoare) tranzistor 2N918.
|