Codul grup Hamming, corector de o eroare
2.7.1 Descrierea codului grup Hamming
Structura cuvantului de cod Hamming
este
unde prin
am notat simbolurile de control, iar prin
simbolurile de informatie. Matricea de control
are particular 454j91e itatea ca fiecare coloana reprezinta codul binar al numarului de
ordine al coloanei respective.

Din aceasta structura rezulta o facilitate privind corectorii. Fie cuvantul de eroare:
Ei=00..1 00 cu un 1 in pozitia i.
adica coloana
a matricii
de control.
n = k + m
numarul de simboluri ale sursei care se codeaza.
este numarul
de erori care se corecteaza. Daca e = 1 avem: 
2.7.2 Codarea codului grup Hamming
Din relatia de codare
rezulta:
c1 + i3 + i5 + i7 + i9 + = 0; c1 = i3 + i5 + i7 + i9 +
c2 + i3 + i6 + i7 + i10 + = 0 ; c2 = i3 + i6 + i7 + i10 +
c4 + i5 + i6 + i7 + i12 + = 0 ; c4 = i5 + i6 + i7 + i12 +
c8 + i9 + i10 + i11 + i12 + = 0; c8 = i9 + i10 + i11 + i12+
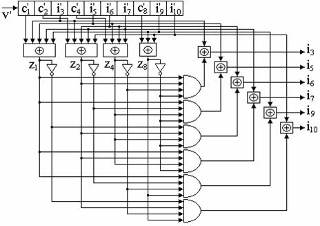
Aplicatie: Fie k = 6, sa determinam valorile simbolurilor de control a unui cod Hamming corector de o eroare precum si schema de codare. In acest caz:
v = c1c2i3c4i5i6i7c8i9i10
c1 = i3 + i5 + i7 + i9
c2 = i3 + i6 + i7 + i10
c4 = i5 + i6 + i7
c8 = i9 + i10
Atunci cand se implementeaza o transmisie a unor semnale codate cu un cod Hamming, in canal se introduc semnalele in serie. In acest scop cele n iesiri ale schemei combinationale vor fi serializate in ordinea bitilor din cuvantul de cod cu ajutorul unui convertor paralel serie.
2.7.3 Decodarea codului grup Hamming
La receptie se obtine cuvantul
, suma
dintre cuvantul de cod
si cuvantul eroare
. Asa cum
s-a aratat:
. Pentru
calculul lui j, care indica bitul eronat, se decodeaza in zecimal expresia
binara a lui
.

Z1 = c1' + i3'+i5'+i7'+i9'
Z2 = c2' + i3' + i6' + i7' + i10'
Z4 = c4' + i5' + i6' + i7' + i12'
Z8 = c8' + i9' + i10' + i11' + i12'
![]()
Aplicatie: Pentru cazul k=6 considerat si in aplicatia anterioara la emisie schema de corectie este:

![]()
![]()
![]()
![]()

![]()
![]()

- nu avem erori
- avem o eroare a carei pozitie
este indicata de ![]()
- avem doua erori
- este eronat ![]()
|