MORARU DANIEL PETRU
gr. 421A
AMPLIFICATORUL CU CIRCUIT ACORDAT DERIVATIE
Scopul lucrarii: Se studiaza un amplificator realizat cu un tranzistor avand sarcina un circuit acordat derivatie cu prize. Se evidentiaza propietatile de selectivitate ale amplificatorului; si efectul prizei.
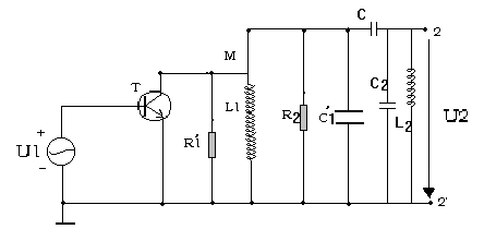
Amplificatorul studiat are schema de principiu din figura 1 .

figura 1
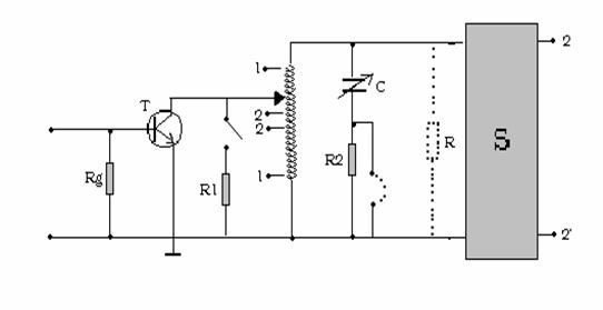
A. Se realizeaza conexiunile conform urmatoarei scheme bloc:
unde: G.S.S este un generator de semnal standard; F - frecventiometru digital; M - macheta amplificator; V - milivoltmetru de radio frecventa.
A. Cunoscind valoarea L=40.3mH a bobinei putem calcula capacitatea de acord C0=C+p2C22 punand conditia de rezonanta. Se foloseste frecventa de lucru f0=1.8MHz.
C0=194pF
R1=4kW; Ra=11.3W
Masuratorile au fost realizate pe macheta a carui schema de principiu este data mai jos.

B). a) Se masoara rezistenta de pierderi prin metoda "rezistentei aditionale" folosind formulele:
b) Se masoara rezistenta de pierderi prin metoda "dezacordului". In acest scop se masoara frecventele f1 si f2 pentru care tensiunea creste cu 3dB fata de cea de la acord. Se completeaza tabloul de mai jos folosind formulele:
B = f1 - f2; Q0 = f0/B; R = w LQ0
|
priza |
U20 (V) |
U!20 (V) |
RS ( |
( k |
f1 |
f2 |
B |
Q0 |
R (k |
|
|
|
|
|
|
1.78M |
1.82M |
40K |
|
|
|
|
|
|
|
|
1.78M |
1.82M |
40K |
|
|
|
|
|
|
|
|
1.78M |
1.82M |
40K |
|
|
c). Se masoara caracteristica de amplitudine pentru priza 3. Rezultatele se trec in tabelul 2:
F). Se masoara caracteristica de amplitudine la priza optima, completindu-se tabelul 3:
E). Se determina priza optima in sensul tensiunii de la iesire la acord maxim, in conditiile K1 inchis.
|
Priza nr |
U20 ( V ) |
L1 |
L2 |
2M |
P |
R,g (k |
|
|
|
|
|
|
|
|
|
|
|
|
|
|
|
|
|
|
|
|
|
|
|
|
|
|
|
|
|
|
|
|
|
|
|
|
|
|
|
|
|
|
|
|
|
|
|
|
|
|
|
|
|
|
|
|
|
|
|
|
|
|
|
|
|
|
|
|
|
|
|
|
unde
;![]()
Priza optima este priza 4.
G). Se determina largimea benzii de trecere la o atenuare cu 3dB pentru priza optima p0, deasupra p0+2; si sub priza optima p0 - 2. Se determina factorul de calitate in aceste trei situatii. Se folosesc formulele:
;
;
; ![]()
- priza optima p0 f1=1.774 MHz; f2=1.827MHz; B= 0.053 MHz
Q= 33.96
Re=
10.24 k![]()
Qc= 22.47
- priza p0-2 f1=1.74 MHz; f2=1.96 MHz; B= 0.22 MHz
Q= 8.18
Re
=16.48 k
Qc= 36.17
- priza p0+2 f1=1.7060MHz; f2=1.8754MHz; B= 0.1694 MHz
Q= 10.62
Re=
6.19 k![]()
Qc= 13.57
Se observa ca apar diferente foarte mari intre valorile masurate si cele calculate
H). Se acorda circuitul la priza optima, se masoara tensiunea de rezonanta U20, apoi se scoate calaretul k2 determinindu-se noua tensiune la acord U,20.
U,20=1.1V
U20=0.6V
|
Priza |
U20' |
|
|
|
|
|
|
|
|
|
|
|
|
|
|
|
|
|
|
|
|
|
|
|
|
|
|
|
In noile conditii rezistenta circuitului exterior se modifica si se va obtine priza optima atunci cand rezistenta circuitului exterior va fi egala cu rezistenta generatorului. Priza optima devine priza 6.
|
U2/U20 |
dB |
|
|
|
|
|
|
|
|
|
|
|
|
f |
MHz |
|
|
|
|
|
|
|
|
|
|
|
|
Df |
kHz |
|
|
|
|
|
|
|
|
|
|
|
|
f |
MHz |
|
|
|
|
|
|
|
|
|
|
|
|
Df |
kHz |
|
|
|
|
|
|
|
|
|
|
|

Intrebari:
a).Explicati rezultatele obtinute la punctul B in sensul dependentei de priza.
R: Se observa ca rezistenta R scde pe masura ce creste numarul prizei. De asemenea se mai observa ca rezultatele intre R si R sint apropiate neexistind diferente mai mari de 10% intre cele doua valori. Pe masura ce ne indepartam de priza optima, largimea benzii de trecere scade. Aceasta se intimpla datorita modificarii parametrilor comutatorului K0.
b). Se va considera exacta masuratoarea realizata prin metoda dezacordului in raport cu cea prin metoda rezistentei aditionale. Explicati motivul.
R: Motivul il
constituie aparitia unei nedeterminari in cazul rezistentei aditionale respectiv
raportul
din formula
. In cazul in care
=1 rezulta
(imposibil). Valoarea
rezistentei nu este exacta, deci pot apare mici erori.
c). Ce avantaj prezinta functionarea amplificatorului la priza optima? Dar sub priza sau peste priza optima?
R: La functionarea la priza optima , amplificatorul prezinta cea mai larga banda de trecere.
d). Daca
este tensiunea
la priza m din tabelul 3, sa se determine
si apoi sa se verifice
rezultatul prin calcul
R: Din tabelul 3 rezulta

e). La punctul B s-a determinat
la priza optima; sa se
verifice prin calcul rezultatul obtinut.
R:
Aplicatii:
a).
Pentru un amplificator cu circuit acordat se ;tie ca priza optima este priza 3
. Pastrind rezistenta Rg , cum trebuie modificata rezistenta R
astfel incit priza optima sa fie priza 6 . Se cunoa;te raportul coeficientilor
de priza p3/p6=1/
.
R
:Stim ca 
b). Se modifica amplificatorul dubland capacitatea condensatorului C si micsorand la jumatate valoarea inductantei bobinei; se mentin neschimbate: factorul de calitate in gol, coeficientii de priza, Rg. In ce sens se modifica priza optima si care este noul coeficient de priza al acesteia in functie de cel vechi?
R:
c). Pt. un amplificator cu circuit acordat la care Rg=4k se cunosc: p1=0.2; U201=0.5V; p2=0.4; U202=1V. Sa se calculeze R
R:
d). Se considera montajul folosit in lucrare si presupunem ca au fost determinate prin masuratori: R W, f0=1.8Mhz. In aceste conditii se cer: banda la 3dB; p optim; rezistenta derivatie; frecventa la care tensiunea la iesire scade cu 6dB.
R:
|