ALTE DOCUMENTE |
.Pretensionarea constructiilor metalice înseamna introducerea prealabila în elementele structurii a unor deformatii si/sau eforturi de semn opus celor care urmeaza sa se dezvolte în elementele respective sub efectul încarcarilor de exploatare.
.Starea de eforturi si deformatii generata de forta/deformatia/deplasarea care produce pretensionarea va fi denumita în continuare stare de eforturi si deformatii "initiale".
.Starea de eforturi si deformatii generata de efectul simultan al eforturilor si deformatiilor "initiale" si al eforturilor si deformatiilor datorate încarcarilor de exploatare va fi denumita în continuare stare de eforturi si deformatii "finale".
Prin introducerea rationala, controlata, a starii "initiale" de eforturi si deformatii se poate obtine o configuratie mai favorabila a distributiei eforturilor unitare si a deformatiilor "finale" pe sectiunea elementului si/sau a distributiei eforturilor sectionale globale si a deformatiilor "finale" pe ansamblul structurii. În felul acesta se poate realiza, reducerea gabaritului de ansamblu al structurilor si/sau a dimensiunilor elementelor si reducerea substantiala a cantitatii totale de otel folosita pentru realizarea structurii respective în raport cu solutia clasica (fara pretensionare).
.La alegerea solutiei de utilizare a pretensionarii, în afara avantajelor mentionate mai sus trebuie sa se tina însa seama si de costurile proiectarii si executiei care sunt mult mai mari decât cele ne 19219b15t cesare pentru solutia clasica (intervin materiale si dispozitive speciale si manopera de înalta calificare - deci scumpe).
Materiale si dispozitive pentru pretensionarea structurilor metalice
.Pentru elementele sau structurile metalice care urmeaza a fi pretensionate se folosesc oteluri de calitate normala (ca si pentru structurile metalice fara pretensionare).
.Pentru introducerea fortei de pretensionare se folosesc tiranti cu diferite tipuri de alcatuire realizati din oteluri cu rezistente ridicate sau foarte ridicate.
Tipurile principale de tiranti
i) Bare metalice cu sectiune transversala rotunda.
Tirantii au diametre variabile, curent între 20-100 mm ,si se realizeaza din oteluri cu rezistenta de rupere între 6000 - 11000 kg/cm
Prinderea tirantului de elementul de structura se poate face cu piulite sau cleme. Înadirea segmentelortirantului (când este depasita lungimea de laminare) se face cu mufe.
ii) Toroane din sârme rasucite sau fascicule din sârme paralele, identice sau similare celor folosite pentru beton precomprimat
Fixarea toroanelor si a fasciculelor se realizeaza deasemeni cu dispozitive similare celor utilizate la betonul precomprimat

(pahare, mansoane,
inele, etc).

Procedee de pretensionare a structurilor metalice.
Pretensionarea cu ajutorul tirantilor.
Pretensionarea cu ajutorul tirantilor se foloseste atât pentru elemente structurale, considerate îndividual cât si pentru subansambluri structurale sau structuri în întregime.
.Pretensionarea se aplica elementelor structurale care, în exploatare, sunt solicitate la întindere, compresiune sau încovoiere si consta în introducerea unei forte initiale de compresiune cu ajutorul unui tirant din otel de înalta sau foarte înalta rezistenta.
.Cele doua componente ale ansamblului "tirant+element de structura" conlucreaza atât în faza initiala (de pretensionare) cât si în faza finala (de exploatare)
Alegerea pozitiei si intensitatii fortei de pretensionare depinde de:
. tipul solicitarii dominante în exploatare;
.forma elementului metalic;
.intensitatea solicitarilor exterioare;
Pretensionarea barelor întinse axial în exploatare.

.În cazul pieselor
puternic solicitate în exploatare la întindere tirantul se dispune paralel cu axa
longitudinala care trece prin centrul de greutate al sectiunii transversale a
elementului.
.În felul acesta ansamblul "element + tirant" va fi solicitat la întindere centrica atât în faza "initiala" cât si în faza "finala".
Starea de eforturi în bara pretensionata solicitata la
întindere
(a)Schema statica
(a1) Faza de pretensionare
(a2) Faza de exploatare
(b) Eforturi unitare
(b1) Faza de pretensionare
(b2) Faza de exploatare
.În faza initiala :tirantul este întins cu forta Np si blocat în pozitia deformata.
.Starea de deformatie/eforturi din cele doua componente este urmatoarea
ŘComponent Deformatie Efort unitar
ŘElement(bara) Scurtare Compresiune (-)
ŘTirant Alungire Întindere (+)
.În faza de exploatare bilantul eforturilor unitare este urmatorul:

a) Incarcarea de exploatare Ne produce acelasi efort unitar în element si în tirant:
![]() | ![]() |
||
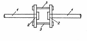
Detalii de alcatuire a tirantilor
.Deoarece în faza de precomprimare piesa este supusa la compresiune (sub efectul tendintei de scurtare a tirantului) exista pericolul pierderii stabilitatii (flambajului) înainte de aplicarea încarcarilor de exploatare. Din acest motiv barele care se pretensioneaza se conformeaza, astfel încât raza de giratie sa fie cât mai mare pentru a se micsora zveltetea barei care este definita prin raportul între lungimea de flambaj si raza de giratie . Barele întinse care se pretensioneaza se proiecteaza cu sectiune transversala simetrica fata de doua axe.
.Tirantii pot fi alcatuiti din unul sau mai multe elemente (bare, toroane, cabluri) dispuse în interiorul sau în exteriorul sectiunii transversale a barei.

.Tirantul va fi ancorat la capetele barei iar pe parcurs va fi solidarizat de aceasta prin dispozitive care asigura mentinerea pozitiei tirantului în raport cu bara.
.În cazul în care lungimea necesara a tirantului depaseste lungimea de fabricatie se vor realiza înadiri cu mufe sau cu detalii speciale (diafragme si buloane de înalta rezistenta.

Pretensionarea grinzilor încovoiate în exploatare .Se va considera ca grinda, de lungime "L", este simplu rezemata la extremitati, este încarcata în exploatare cu o forta uniform distribuita iar pretensionarea se face cu un cablu drept asezat în planul de simetrie al grinzii sub talpa inferioara.
.Vom presupune ca s-au adoptat toate masurile necesare pentru a se împiedica flambajul lateral al talpii inferioare sub efectul fortei de pretensionare.

.În aceasta faza actioneaza urmatoarele încarcari:
* greutatea proprie (g);
* forta de pretensionare (Np
.Deformatiile specifice din forta de pretensionare sunt urmatoarele:
la talpa superioara a grinzii: alungire;
la talpa inferioara a grinzii :scurtare;
în tirant: alungire.
Starea de eforturi si deformatii în faza de exploatare
.În aceasta faza actioneaza urmatoarele încarcari:
* greutatea proprie (g);
* forta de pretensionare (Np
* încarcarea de exploatare (q)
.Deformatiile specifice corespunzatoare acestor încarcari sunt urmatoarele:
* din forta de pretensionare: ca în faza initiala;
* din încarcarea de exploatare:
la talpa superioara a grinzii: scurtare;
la talpa înferioara a grinzii : alungire;
în tirant : alungire suplimentara;



Detalii de alcatuire a grinzilor pretensionate.
Pentru grinzile metalice pretensionate, alcatuirea grinziipropriu zise este analoaga cu cea a grinzilor obisnuite(nepretensionate).
Sectiunea transversala a grinzii poate fi

Alcatuirea
grinzilor pretensionare
.Principalele probleme de alcatuire constructiva pentru grinzile încovoiate pretensionate sunt:
i) Alegerea traseului (formei si pozitiei) tirantilor;
ii) Alcatuirea detaliilor constructive specifice.
Alegerea formei si pozitiei tirantilor
Depinde de:
* schema statica a grinzii;
* tipul încarcarii predominante;
gabaritul structural disponibil
.Dispunerea tirantilor se face pe partea grinzii care rezulta întinsa in exploatare din schema statica respectiva.
Astfel pentru cele trei tipuri fundamentale de grinzi
static determinate pozitia tirantilor este urmatoarea:
* grinda simplu rezemata la talpa inferioara
* grinda în consola la talpa superioara
* grinda cu console
- în câmp la talpa inferioara
pe reazeme la talpa superioara


»Tipul de încarcare predominanta defineste forma diagramei de momente încovoietoare. În functie de aceasta forma, dispunerea tirantilor se va face pentru asigurarea unei distributii similare a momentelor încovoietoare din pretensionare.
.Principalele moduri de dispunerea a tirantilor în lungul grinzii simplu rezemate, în functie de tipul încarcarii, sunt:
* tiranti dispusi pe zona centrala a grinzii, pentru grinda solicitata de o forta concentrata asezata la mijlocul deschiderii;
* tiranti dispusi pe toata lungimea grinzii, pentru grinda solicitata de o încarcare uniform distribuita pe deschidere;
.În functie de gabaritul structural disponibil tirantii pot fi montati:
* în sectiunea grinzii, când înaltimea acesteia nu poate fi depasita;
* în exteriorul grinzii, când din punct de vedere functional sau al aspectului acest lucru este permis.
. Tirantii dispusi în sectiunea grinzii pot avea traseu drept, frânt sau curb .



Forma
tirantilor dispusi în înaltimea grinzii
Grinzi cu tiranti dispusi în exterior (grinzi macaz) »Pentru grinzile cu tiranti dispusi în exteriorul sectiunii (grinzi macaz) numarul si pozitia distantierilor depinde de forma diagramei de momente încovoietoare; folosirea unor distantieri cu lungime mai mare asigura reducerea efortului necesar în tirant.


.Pentru grinzi cu o singura deschidere cu alte tipuri de rezemari (grinda dublu încastrata sau grinda încastrata la un capat si articulata la celalalt) dispunerea tirantilor se poate face:
* numai pe reazemele încastrate (la talpa superioara care este întinsa în aceasta zona;
* numai în câmp (la talpa inferioara care este întinsa în aceasta zona)
* atât pe reazemele reazemele încastrate cât si în câmp (cabluri izolate sau cu traseu curb)

Dispunerea
tirantilor în grinzi încastrate/articulate
![]() |
.Alcatuirea detaliilor constructive depinde de forma si dimensiunile grinzii care se pretensioneaza precum si de forma, pozitia în raport cu grinda si numarul tirantilor.
.În toate cazurile pentru a se evita flambajul grinzii în faza initiala tirantii se fixeaxa de grinda cu diferite dispozitive (diafragme, mansoane, etc)
.Pentru realizarea formei frânte sau curbe a tirantilor se folosesc placute de ghidare.
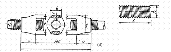
Detalii pentru înadirea tirantilor
![]() | ![]() |
||
.Întinderea tirantilor, în faza de pretensionare, se poate face prin mai multe metode dintre care citam:
* prin întindere cu mansoane sau piulite;
* cu ajutorul preselor (analog betonului
precomprimat) prin deformarea inversa a grinzii

|