ALTE DOCUMENTE
|
||||||||||
ARZATOARE GAZ PROGRESIVE
C 75, C 100 GX 507 / 8
Arzatoarele pe combustibil gazos C 75, C 100 GX 507 / 8 sunt aparate monobloc cu aer insuflat, proportionale (sisteme AGP - Air Gas Proportionnel si IME - Injection Multi Etages), cu emisii poluante reduse (NOx - scazut).
Ele utilizeaza toate tipurile de gaz mentionate in tabelul de mai jos, sub rezerva unui reglaj apropiat de valorile indicate in functie de presiunile disponibile tinand seama de variatiile puterii calorifice (Hi) a acestor tipuri de gaz.
Ele functioneaza in doua trepte progresiv sau optional modulant (progresiv continuu) prin asociere cu un regulator de putere PI sau PID.
Se adapteaza pe cazane conform standardului EN 303.1.
Sunt disponibile in trei variante constructive in functie de lungimea capului de combustie (T1, T2, T3).
|
Tip gaz |
Grupa |
Pn [mbar] |
Pmin [mbar] |
Pmax [mbar] |
Hi la 00C si 1013 mbar [kWh/m3] |
Tip gaz |
|
|
min |
max |
||||||
|
Gaz natural |
2H |
|
|
|
|
|
G20 |
|
Gaz natural |
2L |
|
|
|
|
|
G25 |
|
Propan comercial |
3P |
|
|
|
|
|
G31 |
Curbele de putere

|
Putere |
C 75 GX 507 / 8 |
|||
|
min |
20 / 25 mbar max |
mbar max |
37 / 148 mbar max |
|
|
Arzator [kW] |
|
|
|
|
|
Putere minima pe prima treapta de functionare [kW)] |
|
|
|
|
|
Generator [kW)] |
|
|
|
|
|
Debit gaz natural la 150C si 1013 mbar Gaz natural grup H [m3/h] Hi=9,45 kWh/ m3 Gaz natural grup L [m3/h] Hi=8,13 kWh/ m3 Propan P [m3/h] Hi=24,44 kWh/ m3 Masa volumica kg/m3=1,98 |
|
|
|
|
|
Putere |
C 100 GX 507 / 8 |
||||
|
min |
G20 P20 mbar max |
G20 P25 G20 P25 mbar max |
mbar max |
37 / 148 mbar max |
|
|
Arzator [kW] |
|
|
|
|
|
|
Putere minima pe prima treapta de functionare [kW] |
|
|
|
|
|
|
Generator [kW] |
|
|
|
|
|
|
Debit gaz natural la 150C si 1013 mbar Gaz natural grup H [m3/h] Hi=9,45 kWh/ m3 Gaz natural grup L [m3/h] Hi=8,13 kWh/ m3 Propan P [m3/h] Hi=24,44 kWh/ m3 Masa volumica kg/m3=1,98 |
|
|
|
|
|
Structura rampa de gaz
Legenda termenilor din tabelul de mai jos in ordinea aparitiei:
Tip arzator
Putere maxima [kW]
Tip gaz
Presiune gaz [mbar]
Vana gaz MB VEF.
Diametru racordare Rp
Controlor etanseitate VPS...
Filtru integrat FI
Filtru exterior Rp
Filtru pachet FP
Presostat gaz GW.

Vedere generala, parti componente


A1 - Automat de comanda si securitate tip SG 513,
A4 - Afisor,
B10 - Punte de masura [µA cc],
DB9 - Priza pentru informatii,
F6 - Presostat aer,
F12 - Releu termic montat pe contactor,
K1 - Contactorul motorului de ventilatie,
K4 - Releu,
M1 - Motor ventilator,
TC - Tablou de comanda,
T1 - Transformator de aprindere,
Y10 - Servomotor,
- Cap de combustie,
- Aparatoare de protectie,
- Camera aer.
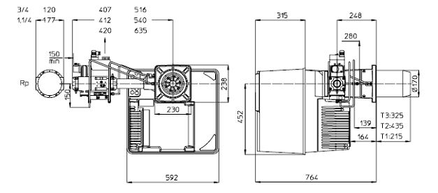
Dimensiuni de gabarit
Varianta cu vana MB VEF...



Se va respecta distanta minima de 0,6 m de fiecare parte a arzatorului pentru a permite efectuarea operatiilor de intretinere.
Ventilatie cazan
Volumul de aer proaspat necesar este de 1,2 m³ / kWh produs de arzator.
Rampa de gaz
Se monteaza numai in pozitie orizontala in partea dreapta sau in partea stanga.
Valorile intarite - Ø recomandat.
|