Actiunea fluidelor în repaus pe peretii solizi
Actiunea fluidelor în repaus pe peretii solizi cu care sunt în contact se calculeaza însumând fortele elementare de presiune:
(4.1.)
unde:
este normala la
elementul de suprafata al peretelui, orientata spre fluid.
Daca suprafata peretelui este curba, oarecare, fortele elementare sunt oarecare în spatiu si efectul lor este un torsor format din rezultante
(4.2.)
ti momentul în raport cu originea sistemului de axe ales:
(4.3.)
Aceste integrale se pot calcula cunoscând ecuatia de repaus absolut sau relativ a presiunii si implicit repartitia presiunii p în fluid precum si ecuatia suprafetei A. În cele ce urmeaza se trateaza numai cazul repausului absolut.
4.1. Teorema actiunii fluidelor în repaus pe peretii plani
Pentru un perete plan, normala
corespunzatoare fiecarui element de suprafata
este constanta ca
marime si directie si deci fortele elementare de
presiune sunt paralele si de acelasi sens, iar expresia (4.2.)
devine:
(4.4.)
Deci rezultanta este o 15515p1516p forta normala la peretele plan considerat si este orientata dinspre fluid spre perete. Momentul rezultant al fortelor elementare dF, dat de relatia (4.3.) se scrie sub forma:
(4.5.)
Momentul rezultantei (4.4.), în report cu originea este:
(4.6.)
unde C este punctul de aplicatie al rezultantei, numit
centru de presiune. Se aplica teorema lui Varignon sistemului de
forte elementare de presiune paralele, potrivit careia suma momentelor
fortelor elementare,
, este egala cu momentul rezultantei,
, si rezulta expresia vectorului de pozitie al
centrului de presiune:
a) În cazul actiunii fluidelor usoare pe un plan s-a demonstrat ca în acest caz presiunea este constanta în toata masa fluidului.
Deci
(4.8.)
(4.9.)
unde
este vectorul de
pozitie al centrului de greutate.
Prin urmare actiunea unui fluid usor în repaus pe un perete plan este echivalenta cu o forta cu modulul cel putin egal cu produsul dintre presiunea fluidului si aria suprafetei peretelui, directia normala la suprafata, sensul de la fluid catre perete iar punctul de aplicatie în centrul de greutate al peretelui.
b) În cazul actiunii fluidelor grele (lichide) în repaus pe peretii plani presiunea într-un punct oarecare din masa lichidului se calculeaza cu formula cunoscuta :
(4.10.)
întrucât pe o
suprafata a peretelui actioneaza lichidul iar pe
cealalta fata aerul atmosferic trebuie luata în
consideratie presiunea relativa
. Ca atare:
(4.11.)
(4.12.)
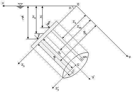
afata de suprafata libera a lichidului. Se alege sistemul de axe yOz în planul suprafetei A cu axa Oy în planul suprafetei libere iar axa Oz, în lungul liniei de cea mai mare panta a peretelui înclinat.

Fig.
4.1.
Pentru a putea ajunge la
reprezentarea din figura 4.1. trebuie sa rotim planul yOz cu 90 în jurul axei Oz aducând astfel
suprafata A în aceasta forma si marime în planul
figurii. Fie un element de suprafata dA situat la adâncimea y
fata de suprafata libera a apei. Corespunzator
suprafetei dA suprapresiunea va fi
.
(4.13.)
(4.14.)
Dar
reprezinta
momentul static al suprafetei A în raport cu axa y.
(4.15.)
unde
este coordonata
centrului de greutate al suprafetei A în raport cu axa y.
Deci :
(4.16.)
Forta de presiune ce actioneaza asupra peretelui plan este egala în modul cu greutatea cilindrului de apa ce are ca baza suprafata A iar ca înaltime distanta de la centrul de greutate al acestei suprafete la planul plutirii atmosferice.
Pentru determinarea centrului de presiune G aplicam formula (4.12.):
g la aceeasi înaltime
în fiecare vas si daca sectiunea A de
la fundul lor este aceeasi nedepinzând de cantitatea de lichid din vas
si de forma sectiunii fundului vaselor.

Ea
este însa functie de înaltimea
a lichidului din vas.
Se observa ca, de asemenea, pe peretii laterali ai vaselor
fortele hidrostatice sunt diferite.
Fig. 4.4.
d grosimea peretilor conductei (vezi figura 4.7.).
deoarece
în cazul conductelor
sub presiune. Efortul în sectiunea 1-1:
(4.43.)
de unde:
(4.44.)
4.7. Împingerea apei pe o suprafata oarecare

Fie
o suprafata oarecare în spatiu si Oxy planul
suprafetei libere a apei reprezentata în figura 4.8.
Fig. 4.8.
În centrul elementului dA situat la adâncimea z sub nivelul apei va actiona presiunea
(4.45.)
Daca se
noteaza cu
unghiurile pe care le
face normala la elementul dA respectiv cu axele x, z, y, forta
hidrostatica elementara:
(4.46.)
va avea componentele:
(4.45.)
unde
sunt proiectiile
elementului dA pe planele normale, respectiv la directiile x,
y si z.
Ţinând seama
ca presiunea atmosferica
actioneaza
pe ambele fete ale elementului integrarea ne conduce la proiectiile
fortei rezultante de împingere a apei pe suprafata considerata:
(4.46.)
Rezultanta este:
(4.47.)
si are orientarea data de unghiurile:
;
;
(4.48.)
În ce priveste
punctele de aplicatie ale componentelor
,
si
ele se calculeaza
ca si în cazul suprafetelor plane sau cilindrice.
De aici rezulta ca problema împingerii apei pe o suprafata oarecare se reduce la împingerea pe trei suprafete plane, care sunt proiectiile suprafetei considerate pe cele trei plane considerate.
iar pe suprafata
:
(4.50.)
unde notatiile au aceleasi semnificatii cunoscute anterior.
De aici rezulta ca fortele de împingere dupa directia Ox care actioneaza pe suprafata totala a corpului este nula:
(4.51.)
În mod identic se poate
arata ca dupa orice directie orizontala împingerea
lichidului asupra corpului este nula. Proiectând corpul pe planul yOz
împingerea apei pe suprafata
este:
(4.52.)
unde
este volumul real de
lichid cuprins între suprafata
a corpului si
proiectia ei
.
Pe suprafata
:
(4.53.)
unde
este volumul de
apa (real sau fictiv) cuprins între suprafata
si proiectia
ei
; se observa ca acest volum este egal cu volumul
real de apa
plus volumul corpului V
care este un volum de apa fictiv. Împingerea apei dupa directia
verticala z:
(4.54.)
si ea este orientata de jos în sus.
Rezulta deci ca împingerea ascensionala rezultanta pe care un lichid o exercita asupra suprafetei unui corp scufundat partial sau total în el este egala în valoare absoluta cu greutatea volumului de lichid dezlocuit.
Aceasta constituie ceea ce se numeste obisnuit principiul lui Arhimede.
Folosind cunostintele anterioare se poate arata ca forta ascensionala a lui Arhimede trece prin centrul de greutate al volumului de lichid dezlocuit, care coincide cu însusi centrul de greutate al corpului numai la corpuri omogene.
Trebuie subliniat ca principiul lui Arhimede ramâne valabil în cazul în care corpul este partial scufundat în lichid (cazul plutitorilor).

Fig.
4.10.
Astfel un corp
partial scufundat în lichid (plutitor), marginit de o
suprafata A. O portiune din suprafata A se
gaseste sub planul plutirii si se numeste carena sau
suprafata imersa,
iar cealalta
portiune se gaseste deasupra planului plutirii,
si se
numeste suprafata emersa.
Portiunea din
volumul închis de suprafata A situata sub planul plutirii libere
va avea un volum notat cu
si numit volum de
carena.
(4.55.)
Dezvoltând cele doua integrale din relatia (4.55.) va rezulta:
(4.56.)
Întrucât
constant prima integrala este nula iar a doua se
poate transforma în integrala de volum utilizând formula integrala a
gradientului (Gauss-Ostrogradski) dupa ce vom închide suprafata A.
astfel:
(4.57.)
Se observa ca
am scazut valoarea
care nu altereaza
rezultatul final deoarece punctele suprafetei
au z=0 si
deci
este nula.
|