Alegerea componentelor tipizate
6.1 Cap de forta
Cunoscînd turatia nsc = 572,9 [
] ,din tabelul 6.1se alege din gama de turatii de
iesire , nCF = 560 [
] .Rezulta urmatoarele :
Motor electric
Turatia ![]()
Puterea
![]()
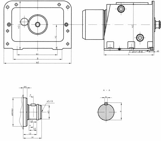
Fig.6.1
Dimensiunile centrajului si ale arborelui de antrenare sunt date in tabelul 6.1 :
Tabelul 6.1
|
Dimensiuni în mm |
Marimea |
|||
|
|
|
|
|
|
|
d |
|
|
|
|
|
d |
|
|
|
|
|
d |
M10/15 |
M10/15 |
M12/15 |
M12/32 |
|
b |
|
|
|
|
|
l |
|
|
|
|
|
l |
|
|
|
|
|
l |
|
|
|
|
|
l |
|
|
|
|
|
l |
|
|
|
|
|
e |
|
|
|
|
Caracteristicile dimensionale si functionale sunt date in tabelul 6.2
Tabelul 6.2
|
Caracteristici |
Marimea |
||||
|
|
|
|
|
||
|
Dimensiuni principale în mm |
b |
|
|
|
|
|
B |
|
|
|
|
|
|
b |
|
|
|
|
|
|
h |
|
|
|
|
|
|
h |
|
|
|
|
|
|
h |
|
|
|
|
|
|
d |
|
|
|
|
|
|
d |
|
|
|
|
|
|
L |
|
|
|
|
|
|
Turatie motor rot/min |
Simbol grupe de turatii |
Grupe de turatii de iesire |
|||
|
|
|
180 |
|||
|
|
120 |
||||
|
|
90 |
||||
|
|
|
|
|||
|
|
150 |
||||
|
|
115 |
||||
|
|
|
|
|||
|
|
190 |
||||
|
|
145 |
||||
|
|
|
|
|||
|
|
|
||||
|
|
|
||||
|
|
|
|
|||
|
|
|
||||
|
|
|
||||
|
Greutate fara 18518y2417s motor daN |
|
|
|
|
|
SIMBOLIZARE:

Observatie : Datele ce au fost prezentate mai sus sunt valabile pentru ambele operatii: gaurire si alezare.
6.2 Unitate de sanie
Cunoscând forta axiala
maxima de avans F
=1777,9 daN, viteza de avans tehnologic V
=56,3 [mm/min], si
respectând conditiile :
cu
, rezulta din tabelul SAH , pag. 5, [3] :
Marimea saniei
Caracteristica
SAH 320 x 250
SAH 320 x 400
SAH 320 x 630
SAH 400 x 250
SAH 400 x 400
SAH 400 x 630
SAH 500 x 400
SAH 500 x 630
SAH 500 x 1000
SAH 630 x 400
SAH 630 x 630
SAH 630 x 1000
SAH 800 x 630
Conductele de alimentare d![]()
15 x 1,5
18 x 1,5
28 x 2
22 x 1,5
35 x 2,5
Intrarea la instalatia de ungere d![]()
M 10 x 1
M 10 x 1
M 10 x 1
M 10 x 1
M 14 x 1,5
Deschiderea nominala DN (mm)
Forta de avans în planul ghidajelor la p=50 bar
Presiunea maxima (bar)
Debitul necesar pentru avans rapid (l/min)
Viteza de
avans rapid
m/min
Înainte
înapoi
Debitul necesar pentru avans de lucru (l/min)
Viteza de avans de lucru (mm/min)
Greutatea, daN
Saniile cu avans hidraulic se utilizeaza pentru efectuarea miscarii de avans rectiliniu .
Actionarea se face de catre un cilindru hidraulic cu frânare la capatul cursei de retragere, iar oprirea la cursa de lucru se face cu tampon mecanic reglabil.
Caracteristici functionale (tabelul 6.5 )
Tabelul 6.5
|
Marimea |
Dimensiuni, în mm |
Greutatea daN |
|||||||||
|
B |
L |
X |
b |
b |
B |
L |
l |
l |
l |
||
|
|
|
|
|
|
|
|
|
|
|
|
|
|
|
|
|
|
|
|
|
|
|
|
|
|
|
|
|
|
|
|
|
|
|
|
|
|
|
|
|
|
|
|
||||||||
|
|
|
|
|
|
|
|
|
|
|
|
|
|
|
|
|
|
|
|||||||
X - cursa saniei SAH ce se monteaza pe batiu
Batiurile laterale orizontale se utilizeaza pentru sustinerea unitatilor de lucru orizontale. Se executa în doua variante:
Simbol
Caracteristica
APS65
APS80
APS100
APS120
Var A
Var B
Var A
Var B
Var A
Var B
Var A
Var B
S
L
S
S
L
S
S
L
S
S
L
S
Diametrul rulmentului
Fata
Spate
Puterea nominala (kW)
Momentul de torsiune maxim (kgfm)
Turatia maxima (rot/min)
Greutate daN
mese
rotative, indexate cu blocarea centrala (tipodimensiunile
,
) ;
mese
rotative indexate cu blocarea centrala (tipodimensiunile
);
Actionarea meselor se face cu motoare hidraulice tip Ex produse de Uzina Mecanica Plopeni
Mesele pot executa un anumit numar de indexari prin amplasarea unui numar corespunzator de came de indexare pe platoul mesei.
Pentru colectarea si evacuarea spanului mesele sunt prevazute cu jgheaburi constructie sudata care se executa în doua variante:
A - cu gaura de evacuare mare care necesita suport special de evacuare;
B - cu gaura de evacuare, aceasta facându-se printre doua posturi vecine
Mesele rotative indexate se fixeaza pe suporti poligonali constructie sudata, numarul laturilor poligonului fiind functie de numarul posturilor de lucru.
Simbolizare:
|