Amplificatoare diferentiale si in punte cu AO. Circuite pentru liniarizarea caracteristicilor traductoarelor. Comparatoare cu AO
Introducere
Toate circuitele de amplificare care urmeaza a fi prezentate au prin intermediul rezistentei de reactie RF, o reactie negativa.
Circuitele de amplificare care urmeaza a fi prezentate sunt utilizate in special in sistemele de masura, achizitie de date sau control.
Intotdeauna, in sistemele electronice exista o mare varietate de surse care genereaza diverse semnale aleatoare, care nu poarta nici o informatie - aceste semnale se numesc semnale parazite sau zgomote (denumirea de zgomot sugereaza tocmai faptul ca acest tip de semnale nu codeaza nici un tip de informatie). In general, variatia maxima a acestor zgomote este redusa, aproximativ de ordinul milivoltilor. Aceste zgomote se suprapun peste informatia utila, care trebuie prelucrata si in consecinta, un sistem electronic incapabil sa separe, in informatia prelucrata, informatia utila de zgomot, poate genera si erori. Aceste erori devin critice in momentul in care semnalul care reprezinta informatia utila are o variatie comparabila ca marime cu variatia zgomotului.
Un exemplu de semnal a carui variatie este extrem de redusa, chiar mai mica decat cea a zgomotului, este semnalul EKG, care furnizeaza informatii despre bataile inimii. In acest caz, variatia semnalului este de aproximativ 1mV, iar zgomotul este mult mai mare.
Amplificatoarele prezentate in cursul precedent nu sunt capabile sa discearna care este semnalul util si care este zgomotul din semnalul preluat la intrarea amplificatorului respectiv. Din acest motiv, sunt necesare alte tipuri de amplificatoare si anume amplificatoare diferentiale, respectiv amplificatoare in punte.
1. Amplificatorul diferential
Amplificatorul diferential, prin caracteristicile sale, poate masura precum si amplifica semnalele de variatie redusa peste care sunt suprapuse zgomote.

Figura 1. Structura amplificatorul diferential.
Circuitul are structura din Figura 1 si poate fi utilizat in doua moduri:
Ø in mod diferential
Ø in mod comun

Figura 2. Utilizarea amplificatorului diferential in mod diferential.
In mod diferential, pe cele 2 intrari ale circuitului se aplica tensiunile de intrare vi1 si vi2 (vezi Figura 2), iar rezultatul prelucrarii acestor tensiuni este furnizat la iesire sub forma tensiunii de iesire vo. Diferenta dintre cele 2 tensiuni de intrare vi1-vi2 se noteaza cu viD si se numeste tensiune de intrare diferentiala, iar raportul dintre tensiunea de iesire vo si tensiunea de intrare diferentiala viD se numeste factor de amplificare in tensiune diferential si se noteaza cu AVD:
In urma calculelor (tinand cont de faptul ca RX=R si RY=RF, rezulta ca tensiunea de iesire vo se poate calcula in functie de tensiunile de intrare vi1 si vi2, cu relatia de mai jos:
7.2
Din relatia de mai sus, se constata ca factorul de amplificare in tensiune diferential este:
7.3
iar circuitul genereaza la iesire o tensiune direct proportionala cu tensiunea de intrare diferentiala.
In continuare, se prezinta modul in care se poate determina relatia de mai sus.
. se determina curentii prin rezistentele circuitului: mai intai se noteaza cu i1 curentul prin R si cu i2 curentul prin RX; apoi, se tine cont de faptul ca i si i sunt egali cu zero, fiind curenti de intrare in AO; rezulta pe baza TK1 aplicate in nodul la care este conectata intrarea inversoare, respectiv neinversoare a AO-ului ca prin RF curentul este tot i1, respectiv prin RY curentul este tot i2:
. deoarece AO-ul are reactie negativa (prin RF), tensiunile de intrare de la cele 2 intrari ale amplificatorului sunt egale:
unde vi este tensiunea din nodul la care este conectata intrarea inversoare a AO-ului, pana la masa, iar vi este tensiunea din nodul la care este conectata intrarea neinversoare a AO-ului, pana la masa.
. aplicand legea lui Ohm pe toate rezistentele rezulta:
Tinand cont in relatiile de mai sus de egalitatea 7.4, rezulta ca vo se poate calcula in functie de vi1 si vi2 cu relatia:
Dar,
deoarece RX=R si RY=RF, rezulta: ![]()
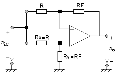
In mod comun, cele 2 intrari ale circuitului sunt conectate impreuna astfel incat circuitul are o singura intrare, iar la aceasta se alica tensiunea de intrare, numita in acest caz tensiune de intrare de mod comun, notata viC (vezi Figura 4).

Figura 4. Utilizarea amplificatorului diferential in mod comun.
Raportul dintre tensiunea de iesire vo si tensiunea de intrare de mod comun viC se numeste factor de amplificare in tensiune in mod comun si se noteaza cu AVC:
Valoarea lui AVC se poate determina pe baza relatiei de calcul 7.2, observand ca in acest mod de functionare, de fapt pe cele 2 intrari ale amplificatorului diferential se aplica o tensiune comuna viC, deci, tensiunea de iesire vo se poate calcula din relatia 7.2 particularizata pentru conditia:
7.6
Rezulta ca, in cazul in care se aplica pe cele 2 intrari o tensiune comuna, valoarea tensiunii de iesire este zero, iar
CONCLUZIE: amplificatorul diferential amplifica doar semnalele de mod diferential in timp ce pe semnalele de mod comun le REJECTEAZA (le elimina = nu le lasa sa ajunga la iesirea sa). Nu oricare amplificator cu 2 intrari este diferential.
2. Rejectarea zgomotelor in amplificatoarele diferentiale
Pentru a intelege modul in care sunt rejectate zgomotele intr-un amplificator diferential se va face o analiza comparativa intre cazul unui amplificator conventional (se considera ca are o singura intrare) si cazul amplificatorului diferential.

Figura 5. Rejectarea zgomotelor in amplificatoarele conventionale.
Primul caz este ilustrat in Figura 5.a. La alimentarea amplificatorului, acesta devine conectat prin priza cu impamantare la pamant. La intrarea sa se conecteaza un generator de tensiune care genereaza o tensiune electrica vi - acesta este semnalul util, numai acesta ar trebui amplificat. Ca si amplificatorul, la alimentarea generatorului de tensiune, acesta devine conectat prin priza cu impamantare la pamant. Exista diverse surse care genereaza zgomot, efectul net al acestor surse fiind modelat in Figura 5.a prin intermediul unei surse de zgomot notate vZ - acesta, fiind un semnal parazit, care nu codeaza nici o informatie, nu trebuie amplificat.
Din punctul de vedere al MASEI AMPLIFICATORULUI, sursa de zgomot este conectata in serie cu generatorul de semnal vi, la intrarea amplificatorului - Figura 5.b. In consecinta, tensiunea de la iesirea amplificatorului (nu este figurata in Figura 5.b) va fi:
7.8
si dupa cum se remarca, contine si tensiunea de zgomot amplificata.

Figura 6. Rejectarea zgomotelor in amplificatoarele diferentiale.
Al doilea caz, cel al utilizarii amplificatorului diferential, este ilustrat in Figura 6.a. La alimentarea amplificatorului diferential, acesta devine conectat prin priza cu impamantare la pamant. Pentru a fi eliminate zgomotele, generatorul de tensiune care genereaza tensiunea electrica vi trebuie conectat intre intrarile amplificatorului; astfel, tensiunea de intrare vi devine tensiune de intrare diferentiala (vezi Figura 2).
Ca si amplificatorul, la alimentarea generatorului de tensiune, acesta devine conectat prin priza cu impamantare la pamant.
Cu generatorul astfel conectat, se constata ca, din punctul de vedere al MASEI AMPLIFICATORULUI, sursa de zgomot este conectata cu generatorul de semnal vi ca in Figura 6.b. In continuare, se va determina expresia de calcul a tensiunii de iesire vo a amplificatorului. Pentru aceasta se va aplica teorema suprapunerii efectelor, deoarece discutia de fata are loc, presupunand ca amplificatorul diferential lucreaza liniar.

Figura 7. Aplicarea teoremei suprapunerii efectelor pentru Figura 6.b.
Astfel, prin pasivizarea lui vZ, se poate determina valoarea notata voi a tensiunii de iesire vo in functie de vi. Deoarece, in acest caz (Figura 7.a), vi=viD, din 7.1 rezulta ca:
7.9
Prin pasivizarea lui vi, se poate determina valoarea notata voZ a tensiunii de iesire vo in functie de vZ. In acest caz se remarca faptul ca tensiunea de zgomot este o tensiune de mod comun pentru amplificatorul diferential (Figura 7.b), vZ=viC. Din 7.5 rezulta ca:
7.10
Conform teoremei suprapunerii efectelor,
7.11
Deci, tinand cont de rezultatele de mai sus,
7.12
de unde se observa ca tensiunea de iesire vo nu contine tensiunea de zgomot.
OBSERVATIE: amplificatorul diferential are 2 dezavantaje majore:
rezistenta de intrare a celor 2 intrari este egala cu R (se poate arata prin procedeul prezentat in cursul precedent); daca aceasta rezistenta este mica, atunci vor exista pierderi de tensiune la intrarile amplificatorului.
in cazul unor aplicatii care necesita modificarea factorului de amplificare in tensiune, realizarea acestei operatiuni este dificila; modificarea acestui parametru presupune modificarea lui RF sau a lui R, dar, deoarece rejectarea semnalelor de mod comun are loc numai daca RX=R si RY=RF, rezulta ca rezistentele RX si RY ar trebui sa "urmareasca" valorile lui R, respectiv RF - lucru dificil de realizat in circuitele practice.
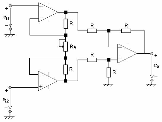
3. Amplificatorul de instrumentatie
Este unul din cele mai utile, precise si versatile amplificatoare, utilizat in principal in sistemele de achizitie de date. Structura amplificatorului de instrumentatie este prezentata in Figura 8.
Se observa ca amplificatorul de instrumentatie are pe cele 2 intrari 2 repetoare de tensiune. Asa cum s-a precizat in cursul precedent, rezistenta de intrare a repetoarelor de tensiune este infinita, deci si amplificatorul de instrumentatie are rezistente de intrare infinite (foarte mari), motiv pentru care nu vor exista pierderi de tensiune la intrarile acestui amplificator. Totodata, se observa ca iesirile celor 2 repetoare de tensiune sunt conectate la intrarile unui amplificator diferential. Din acest motiv, toate avantajele specifice amplificatorului diferential sunt mostenite si de catre amplificatorul de instrumentatie. Deci, amplificatorul de instrumentatie amplifica numai semnalele de mod diferential, realizand rejectia semnalelor de mod comun (considerate, asa cum s-a exemplificat in dicutia de mai sus, ca fiind semnale parazite = zgomote). In plus, asa cum se va deduce din expresia factorului de amplificare in tensiune, valoarea acestuia poate fi modificata foarte usor, prin intermediul unui potentiometru (potentiometrul = o rezistenta a carei valoare poate fi reglata de catre utilizator prin intermediul unui al 3lea terminal, denumit cursor).

Figura 8. Amplificatorul de instrumentatie.
Asa cum sunt aplicate cele 2 tensiuni de intrare in Figura 8, amplificatorul functioneaza in mod diferential. Se poate demonstra foarte usor ca, tensiunea de iesire a amplificatorului depinde de tensiunile de intrare conform relatiei
7.13
de unde, factorul de amplificare in tensiune este
7.14
Doarece RA este potentiometru, rezulta ca valoarea factorului de amplificare in tensiune se poate regla foarte usor.
La fel ca si pentru amplificatorul diferential, in cazul in care amplificatorul de instrumentatie functioneaza in mod comun, tensiunea de iesire vo devine egala cu zero.
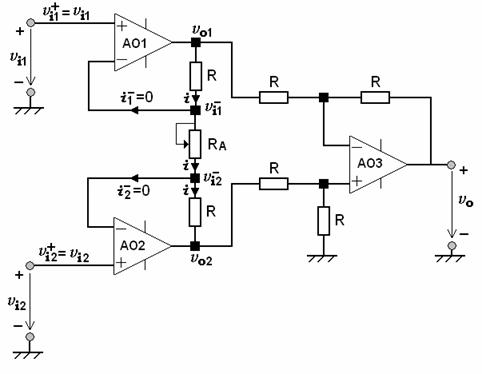
In continuare, se prezinta determinarea factorului de amplificare in tensiune.

Figura 9. Circuitul de calcul al amplificatorului de instrumentatie.
In primul rand, deoarece al 3lea AO este utilizat in configuratie de amplificator diferential, pentru exprimarea expresiei tensiunii de iesire vo se poate utiliza relatia 7.2, in care se fac inlocuirile RF R, vi2 vo2 si vi1 vo1, deoarece tensiunile vo1 si vo2 sunt tensiunile de intrare in acest amplificator. Deci,
7.15
In continuare, se vor exprima tensiunile vo1 si vo2 in functie de tensiunile de intrare vi1 si vi2.
. se noteaza cu i1 curentul prin rezistenta R care apartine lui AO1. Apoi se aplica TK1 in nodul la care este conectata intrarea inversoare a lui AO1. Deoarece curentul notat i1 este curentul prin intrarea inversoare a lui AO1, acesta este zero, deci curentul prin potentiometrul RA rezulta ca este tot i. Apoi, se aplica TK1 in nodul la care este conectata intrarea inversoare a lui AO2. Deoarece curentul notat i2 este curentul prin intrarea inversoare a lui AO2, acesta este zero, deci curentul prin rezistenta R a lui AO2 rezulta ca este tot i.
. AO1 are reactie negativa, datorita rezistentei R conectate intre iesirea si intrarea sa inversoare. Rezulta ca tensiunile de pe cele 2 intrari ale sale, notate vi1 si vi1 sunt egale:
Dar, deoarece pe intrarea neinversoare este aplicata
tensiunea de intrare a amplificatorului, notata vi1, rezulta ca
. Astfel,
in final se ajunge la relatia
.
AO2 are reactie negativa, datorita rezistentei R conectate intre iesirea si intrarea sa inversoare. Rezulta ca tensiunile de pe cele 2 intrari ale sale, notate vi2 si vi2 sunt egale:
Dar, deoarece pe intrarea neinversoare este aplicata
tensiunea de intrare a amplificatorului, notata vi2, rezulta ca
. Astfel,
in final se ajunge la relatia
.
. se aplica legea lui Ohm pe rezistentele R conectate intre iesirea si intrarea inversoare a amplificatoarelor AO1 si AO2 si pe RA si se tine cont de rezultatele de la punctele 1 si 2:
De unde rezulta:
aceste rezultate se vor inlocui in expresia 7.15, iar expresia lui vo va rezulta:
4. Amplificatoare in punte cu amplificatoare operationale
Acest tip de amplificatoare este utilizat pentru, masurarea/determinarea valorii marimii electrice generate la iesirea unui traductor, care, in acest caz reprezinta un dispozitiv care realizeaza conversia variatiei unei marimi fizice a mediului ambiant intr-o variatie DR a unei rezistente. De exemplu, termistorul este un traductor a carui rezistenta variaza cind temperatura de lucru variaza. De asemenea, o celula fotoconductiva reprezinta un traductor a carei rezistenta variaza in functie de intensitatea luminoasa.

Figura 10. Amplificatorul in punte.
Structura amplificatorului in punte este prezentata in Figura 10. In circuitul din Figura 10, traductorul este reprezentat prin intermediul unei rezistente nominale RNOM sumata cu variatia acesteia DRNOM, unde RNOM reprezinta valoarea nominala a rezistentei traductorului (valoarea acestei rezistente in absenta marimii fizice monitorizate), iar DRNOM reprezinta variatia rezistentei nominale RNOM, cauzata de variatia marimii fizice monitorizate.
Structura de baza a amplificatorului in punte este reprezentata in Figura 10. Primul amplificator operational, notat AO1, formeaza, impreuna divizorul rezistiv compus din rezistentele RREF1, RREF2 si potentiometrul RREF, o referinta de tensiune. Referinta de tensiune reprezinta o sursa de tensiune (in acest caz continua, dar poate fi si variabila) si este necesara pentru functionarea puntii amplificatorului. Puntea amplificatorului este compusa din rezistenta traductorului, precum si rezistentele R1 si potentiometru RNOM.
Revenind la referinta de tensiune, aceasta trebuie sa genereze la bornele sale de iesire o tensiune VREF, a carei valoare sa nu depinda de circuitul extern, conectat la bornele sursei respective. Pentru satisfacerea acestei conditii, este necesar ca sursa de tensiune sa fie caracterizata de o rezistenta de iesire foarte mica (in acest caz, mai mica decat RNOM a traductorului), ideal de valoare zero. Din acest motiv, amplificatorul operational AO1 este conectat in conexiune de repetor de tensiune. Rezistenta de iesire a referintei de tensiune este chiar rezistenta de iesire a repetorului de tensiune, care, asa cum s-a aratat in cursul precedent, are valoare zero. Totodata, datorita faptului ca rezistenta de intrare a repetorului de tensiune este infinita, valoarea tensiunii generate la bornele de iesire ale sursei depinde numai de valorile elementelor RREF1, RREF2 si pozitia cursorului RREF.
Se poate demonstra ca valoarea tensiunii generate la bornele de iesire ale sursei de tensiune VREF poate fi reglata in domeniul de valori:
7.16.a
Pentru amplificatorul in punte, se poate demonstra ca tensiunea de la iesirea acestuia vo este direct proportionala cu variatia DRNOM a rezistentei traductorului:
7.16.b
de unde rezulta ca acest circuit masoara, prin intermediul variatiei DRNOM, variatia marimii fizice monitorizate. In cazul in care rezistenta traductorului se afla exact la valoarea nominala RNOM, se spune ca sistemul de masura = amplificatorul se afla intr-o stare de echilibru. In acest caz, DRNOM este zero, iar tensiunea de iesire vo a amplificatorului are valoarea zero. Amplificatorul sesizeaza si masoara iesirea sistemului de masura din aceasta stare de echilibru, deoarece numai in acest caz DRNOM este diferita de zero.
Modul de utilizare a acestui circuit implica realizarea unui reglaj pentru calibrare, inainte de oricare operatiune de masurare si anume, care presupune operatiile:
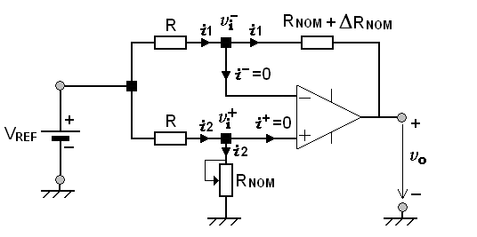
In continuare, se prezinta modul in care ecuatia 7.16 de functionare a amplificatorului este dedusa. Pentru simplificarea analizei, in circuitul de calcul, referinta de tensiune este inlocuita intre bornele sale de iesire cu o sursa de tensiune continua de valoare VREF.

Figura 11. Circuitul de calcul al amplificatorului in punte.
. Se stabilesc curentii prin rezistentele circuitului. Mai intai se noteaza cu i1 curentul pin rezistenta R la care este conectata intrarea inversoare a AO-ului. Aplicand TK1 in nodul la care este conectata intrarea inversoare, tinand cont de faptul ca valoarea curentului i prin intrarea inversoare este zero, rezulta ca prin traductor curentul este tot i1. Apoi, se noteaza cu i2 curentul pin rezistenta R la care este conectata intrarea neinversoare a AO-ului. Aplicand TK1 in nodul la care este conectata intrarea neinversoare, tinand cont de faptul ca valoarea curentului i prin intrarea neinversoare este zero, rezulta ca prin potentiometrul RNOM curentul este tot i2.
deoarece AO-ul are reactie negativa (prin traductor), tensiunile de intrare de la cele 2 intrari ale amplificatorului sunt egale:
. se aplica legea lui Ohm pe toate rezistentele circuitului, tinand cont de curentii stabiliti mai sus:
7.18.a
7.18.b
Daca se tine cont de relatia 7.17, rezulta:
7.19.a
De
unde rezulta: ![]()

Figura 12. Amplificatorul in punte - varianta cu traductor conectat la masa circuitului.
Revenind la amplificatorul in punte, in unele aplicatii este necesar ca traductorul sa fie conectat la masa circuitului. In acest caz, rezulta varianta de amplificator in puncte din Figura 12, unde sursa de tensiune continua VREF se poate construi ca in Figura 10.
In multe aplicatii, pentru prelucrarea mai simpla a informatiilor, sunt utilizate circuite de liniarizare. In continuare sunt prezentate 2 din cele mai des utilizate circuite de liniarizare.
Circuite de liniarizare
Doua din cele mai des utilizate circuite de liniarizare sunt circuitele de logaritmare, respectiv de exponentiere. In principal, rolul acestora este de a liniariza anumite caracteristici de functionare ale traductoarelor. De exemplu, exista traductoare la care marimea electrica generata la iesirile sale depinde de marimea fizica monitorizata, dupa o lege exponentiala, respectiv logaritmica. Deoarece aceste functii sunt doua functii matematice inverse, rezultatul compunerii lor va fi o functie liniara.
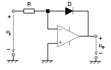
Circuitul de logaritmare
Structura sa este prezentata in Figura 13. Pentru acest tip de circuit, se poate demonstra ca tensiunea de iesire depinde de tensiunea de intrare dupa relatia:
7.21.a
Pentru ca circuitul sa functioneze, este necesar ca dioda D sa fie polarizata direct. Aceasta conditie este satisfacuta numai daca tensiunea de iesire vo este negativa, deoarece anodul diodei D se afla la potentialul masei, adica 0V. Tensiunea vo este negativa numai daca logaritmul din relatia 7.21.a este pozitiv, ceea ce implica satisfacerea urmatoarei conditii = conditia de functionare a circuitului:
7.21.b

Figura 13. Circuitul de logaritmare.
In continuare, se prezinta modul in care se poate deduce relatia 7.21.a.

Figura 14. Circuitul de calcul al circuitului de logaritmare.
. Se stabileste curentul prin dioda D. Mai intai se noteaza cu i curentul prin rezistenta R. Aplicand TK1 in nodul la care este conectata intrarea inversoare, tinand cont de faptul ca valoarea curentului i prin intrarea inversoare este zero, rezulta ca prin D curentul este tot i.
deoarece AO-ul are reactie negativa (prin D), tensiunile de intrare de la cele 2 intrari ale amplificatorului sunt egale:
Dar, deoarece intrarea neinversoare este conectata la
masa circuitului, rezulta ca
, de
unde
.
. se aplica legea lui Ohm pe R, tinand cont de relatia mai sus:
7.23.a
Aplicand TK2 pe bucla de circuit formata din masa, dioda, tensiunea de iesire, masa, rezulta:
7.23.b
unde vA este tensiune pe dioda D. Pe baza ecuatiei de functionare a diodei semiconductoare, tinand cont de marimile electrice ale diodei D, rezulta ca:
7.23.c
Apoi, pe baza expresiei 7.23.a, rezulta:
7.23.d
Relatie in care, inlocuind relatia 7.23.b, rezulta:
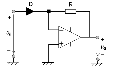
Circuitul de exponentiere
Structura sa este prezentata in Figura 15. Pentru acest tip de circuit, se poate demonstra ca tensiunea de iesire depinde de tensiunea de intrare dupa relatia:
7.24.a
Pentru ca circuitul sa functioneze, este necesar ca dioda D sa fie polarizata direct. Aceasta conditie este satisfacuta numai daca tensiunea de intrare vi este pozitiva, deoarece catodul diodei D se afla la potentialul masei, adica 0V. Deci, conditia de functionare a circuitului este:
7.24.b

Figura 15. Circuitul de exponentiere.
In continuare, se prezinta modul in care se poate deduce relatia 7.24.a.
. Se stabileste curentul prin R. Mai intai se noteaza cu i curentul prin D. Aplicand TK1 in nodul la care este conectata intrarea inversoare, tinand cont de faptul ca valoarea curentului i prin intrarea inversoare este zero, rezulta ca prin R curentul este tot i.
deoarece AO-ul are reactie negativa (prin R), tensiunile de intrare de la cele 2 intrari ale amplificatorului sunt egale:
Dar, deoarece intrarea neinversoare este conectata la
masa circuitului, rezulta ca
, de
unde
.
. se aplica legea lui Ohm pe R, tinand cont de relatia mai sus:
7.26.a
Aplicand TK2 pe bucla de circuit formata din tensiunea de intrare, dioda si tensiunea de pe intrarea inversoare vi , rezulta:
7.26.b
unde vA
este tensiune pe dioda D. Deoarece
rezulta
Pe baza ecuatiei de functionare a diodei semiconductoare, tinand cont de marimile electrice ale diodei D, rezulta ca:
7.26.c
Apoi, pe baza expresiei 7.26.a, rezulta: 

Figura 16. Circuitul de calcul al circuitului de exponentiere.
III. Comparatoare de tensiune cu AO.
In general, comparatorul de tensiune are 2 intrari. Pe una din acestea se aplica un semnal reprezentat prin intermediul unei tensiuni, care codeaza informatia, iar pe a 2a intrare se aplica o referinta de tensiune - o sursa de tensiune constanta. Comparatorul de tensiune compara valoarea semnalului cu cea a referintei de tensiune si furnizeaza la iesirea sa rezultatul comparatiei, informand care din marimile electrice comparate este mai mare.
Comparatorul de tensiune se poate construi fie cu amplificatoare operationale, fie cu circuite integrate speciale, denumite comparatoare. In continuare se vor prezenta cele mai uzuale versiuni de comparatoare de tensiune.
1. Comparator simplu de tensiune cu AO.
AO-ul are o amplificare in tensiune (definita ca raportul vo viD) foarte mare, de ordinul sutelor de mii, unde viD reprezinta diferenta tensiunilor aplicate pe cele doua intrari, iar vo este tensiunea de iesire. Deoarece amplificarea in tensiune este foarte mare, de indata ce tensiunea viD este diferita de 0, iesirea se stabileste, in functie de semnul tensiunii viD, la o valoare constanta, numita tensiune de saturatie pozitiva, respectiv negativa, asa cum este sugerat si in Figura 17, care reprezinta caracteristica de transfer (de functionare) a AO-ului, unde VCC si VEE reprezinta tensiunea de alimentare pozitiva, respectiv negativa a AO-ului.

Figura 17. Caracteristica de transfer (de functionare) a AO-ului.
Schema comparatorului de tensiune simplu este redata in Figura 18. Pe intrarea inversoare se aplica o referinta de tensiune care impune o tensiune de prag, notata VP, iar pe intrarea neinversoare se aplica tensiunea de intrare vi. Pentru amplificatorul operational din figura, tensiunea de intrare diferentiala viD este definita de relatia:
8.1
Tinand cont de caracteristica de transfer din Figura 17 si de relatia 8.1, comportamentul circuitului este caracterizat de urmatoarea ecuatie:
8.2
din care se observa ca circuitul este capabil sa sesizeze depasirea tensiunii de prag VP prin modificarea tensiunii de iesire din valoarea VSAT in valoarea VSAT

Figura 18. Comparator de tensiune cu AO.
Pentru ca acest comparator sa functioneze corect este necesar ca acesta sa fie capabil sa-si modifice tensiunea de iesire vo din valoarea VSAT in valoarea VSAT , respectiv invers, foarte rapid. Din acest motiv, in cazul comparatoarelor de tensiune, se pot utiliza amplificatoare operationale care au parametrul SR (Slew-Rate) de valoare mare. In cazul in care aplicatia necesita schimbari ale valorii tensiunii vo foarte rapide, atunci, in locul amplifiatoarelor operationale se utilzeaza circuite integrate specializate denumite comparatoare (LM311 este un astfel de comparator), care au un parametru SR de valoare foarte mare si in plus, tensiunea de iesire vo ia valori compatibile cu valorile tensiunilor corespunzatoare nivelelor logice specifice sistemelor electronice digitale, ceea ce faciliteaza conectarea acestor comparatoare la sistemele electronice digitale.
2. Efectul semnalelor parazite in comparatoare.
In cazul in care peste tensiunea de intrare vi se suprapune un semnal parazit, cand vi are o valoare apropiata de tensiunea de prag VP, pot apare tranzitii false ale tensiunii vo, intre valorile VSAT+ si VSAT
De exemplu, daca vi<VP dar are o valoare foarte apropiata de VP, in mod corect v0=VSAT (vezi Figura 19.a). Dar, datorita semnalului parazit, tensiunea totala care apare pe intrarea neinversoare, care are valoarea vi+Vparazit, poate manifesta o succesiune rapida de depasiri/scaderi fata de valoarea VP, ceea ce genereaza tranzitiile false amintite (vezi Figura 19.b).

Figura 19.
a. Cazul ideal: vi nu este afectat de semnale parazite;
b. Cazul real: peste vi se suprapune un semnal parazit => tranzitii false ale lui vo.
Pentru evitarea tranzitiilor false se introduce un nou tip de comparator - comparatorul cu histerezis - Figura 20.a.
3. Comparatorul cu histerezis
Se realizeaza prin introducerea unei reactii pozitive la nivelul amplificatorului operational, care determina cresterea amplificarii in tensiune. Din acest motiv, functionarea circuitului cu AO cu reactie pozitiva este caracterizata de o caracteristica de transfer similara cu cea din Figura 17, dar in care tranzitia intre cele 2 tensiuni de saturatie este si mai abrupta. Din acest motiv, tensiunea de iesire a amplificatorului poate avea ca si in cazul absentei reactiei, doar 2 valori distincte: VSAT+ si VSAT

Figura 20. Comparatorul cu histerezis: a - schema de baza; b - caracteristica de transfer.

Figura 21. Eliminarea tranzitiilor false in tensiunea vo, la comparatorul cu histerezis.
In cazul comparatorului cu histerezis din Figura 20.a, reactia pozitiva este introdusa de rezistenta RF. Functionarea comparatorului este caracterizata de ecuatiile 8.2, in care valoarea lui VP nu mai este fixa ci ia 2 valori distincte, care depind de starea in care se afla initial comparatorul:
Rezumand cele discutate mai sus, caracteristica de transfer a comparatorului cu histerezis este cea prezentata in Figura 20.b, in care diferenta dintre VPMAX si VPMIN se numeste tensiune de histerezis si se noteaza VH.
8.3.c
Posibilitatea de modificare a valorii tensiunii de prag VP la care comparatorul isi schimba starea, elimina tranzitiile false specifice primului tip de comparator si astfel semnalele parazite nu mai influenteaza functionarea comparatorului, asa cum se prezinta in Figura 21.
|