- Manual de utilizare -
CONŢINUT
1 - GENERALITĂŢI
2 - DESCRIEREA SISTEMULUI
2.1 - Discul codificator
2.2 - Codificarea absoluta
2.3 - Codificarea relativa
2.4 - Multiplicarea impulsurilor - Micropasi
3 - EXERCIŢII
4 - EXEMPLE DE REZULTATE ALE EXPERIMENTELOR
5 - ANEXA : LITERATURĂ TEHNICĂ
1 - GENERALITĂŢI
Modulul include un disc transparent din plastic care poate fi rotit cu mâna (discul codificator sau codor).
Discul are segmente si sectoare întunecate (opace) care întrerup lumina catre un set de 5 fototranzistori plasati sub el.
Semnalele de la fototranzistori sunt intrari într-un decodor absolut, cu un afisaj cu 7 segmente precum si într-un decodor relativ. Acesta din urma este echipat cu o logica de numarare în sus si în jos a pasilor cu un buton de reset si cu afisaj.
Circuitul codificator relativ este echipat si cu dublor si cu un cvadruplor de pasi si cu un afisaj corespunzator (micropasi)
Figura 1 arata schita fetei frontale a modulului.
Modulul trebuie alimentat de la o sursa de tensiune stabilizata de +15V. Este recomandata folosirea sursei de tip B4191.



2 - DESCRIEREA SISTEMULUI
2.1 - Discul codificator
Discul codificator consta într-un disc (film) din plastic transparent subâmpartit în inele concentrice (vezi fig. 2). Fiecere inel contine informatie codificata binar sub forma unor zone întunecate (opace)/transparente.
Un set de senzori optici (fototranzistori) localizati sub disc primesc lumina atunci când sunt în dreptul unei zone transparente si prin urmare produc semnale logice care vor fi procesate si analizate în partea electronica a modulului.
2.2 - Codificarea absoluta
Trei din cei cinci senzori optici (fig. 2) sunt identificati prin simbolurile B2, B1, B0.
Acesti trei senzori produc un asa-numit "cuvânt digital" de 3 biti (B2 este cel mai semnificativ bit).
Putem presupune ca valoarea acestui cuvânt porneste de la 000 (în binar) si ajunge pâna la 111 (în binar). Asadar discul poate fi considerat a fi subâmpartit în 8 sectoare, fiecare identificat prin una din valorile posibile ale triadei B2, B1, B0.
Aceste valori sunt indicate în fig. 2.
Aceasta este CODIFICAREA ABSOLUTĂ. Electronica asociata consta dintr-un simplu convertor (decodor) BCD la 7 segmente care comada un afisaj cu 7 segmente cu LED-uri (fig. 3).
Pentru a face lucrurile un pic mai sofisticate, modulul include un senzor optic S, a carui functie este sa furnizeze semnalul de STROBE pentru a "zavorâ" informatiile citite de B2,B1, B0 în codificatorul pe 7 segmente.
Semnalul de STROBE este destinat sa asigure o tranzitie precisa de la un sector la altul adiacent, fara a exista posibilitatea pâlpâirii indicatorului (afisajului) atunci când discul tocmai trece prin regiunea de tranzitie a senzorilor B.
Tehnica CODIFICĂRII ABSOLUTE descrisa mai sus permite identificarea pozitiei unghiulare a discului printr-un cod de 3 biti.
În acest exemplu demonstrativ sunt numai trei biti si ca urmare rezolutia rezultata în determinarea pozitiei discului este relativ slaba : 360/8=45°.
Daca ar fi fost utilizati 8 biti în loc de 3, rezolutia ar fi devenit 360/256=1.40° .
2.3 - Codificarea relativa
Tehnica CODIFICĂRII RELATIVE foloseste unul dintre senzorii despre care am vorbit deja, B0, plus un altul notat A în fig. 2. Acesta din urma este pozitionat în dreptul aceluiasi inel ca B0 dar are o deplasare unghiulara de o jumatate de sector.
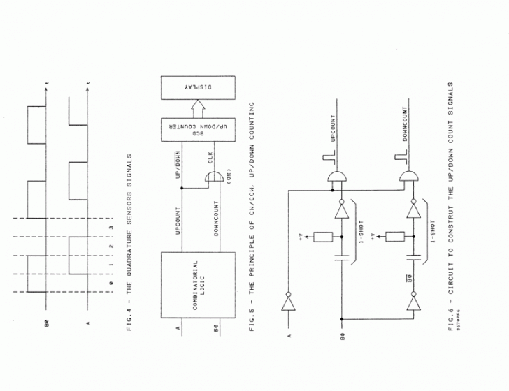
Daca roata (discul) codificatoare este facuta sa se invârta cu o viteza normala, B0 si A ar trebui sa produca o succesiune de impulsuri egale dar decalate (defazate) cu 90° unul fata de celalalt (fig. 4). Din acest motiv se spune ca cei doi senzori produc IEsIRI ÎN CUADRATURĂ.
Cele doua semnale în cuadratura sunt facute sa treaca printr-o logica combinationala simpla, producând la iesire doua semnale numite UPCOUNT (numarare crescatoare) si DOWNCOUNT (numarare descrescatoare) (vezi fig. 5). Ambele semnale sunt în mod normal la nivel (logic) jos. Primul (upcount) devine activ odata (un impuls (de nivel) înalt) pentru fiecare sector rotit în sens orar.
Celalalt (downcount) devine activ odata pentru fiecare sector rotit în sens antiorar.
Circuitul care construieste cele doua impulsuri de la A si B0 este, în principiu, foarte simplu si este prezentat schematic în fig. 6.
Functionarea acestui circuit, descrisa în cuvinte ar fi :
Fiecare front cazatator al lui B0, cu A=0 un UPCOUNT .
Fiecare front crescator al lui B0, cu A=0 un DOWNCOUNT.
2.4 - Multiplicatorul de impulsuri - Micropasi
Vezi din nou fig. 4. Fiecare ciclu al semnalului B0 poate fi considerat subîmpartit în 4 segmente 0, 1, 2, 3.
Ne putem gândi la un convertor care are caracteristica de intrare/iesire :
|
B0 |
|
|
|
|
|
A |
|
|
|
|
|
Iesire |
|
|
|
|
|
|
|
|
|
|
Cu un astfel de dispozitiv noi putem "rupe" fiecare pas în 4 micropasi, acest lucru marind rezolutia codificatorului relativ.
Electronica modulului include un numarator pentru micropasi si un afisaj.
3 - EXERCŢII
Pentru ca modulul sa functioneze, el trebuie conectat la mufele de +15V si GND ale sursei de alimentare de tipul B4191.
Prima parte a exercitiului consta în studierea functionarii partii electro optice, apoi poate fi studiat codificatorul absolut si cel relativ.
Retineti urmatoarele :
Pentru corecta functionare a senzorului fototranzistor, lumina trebuie sa fie uniforma si sa cada perpendicular pe suprafata placii de circuit imprimat si trebuie sa nu fie atât de intensa încât sa treaca prin zonele înnegrite ale discului.
Faceti un set de teste initiale pentru a asigura conditiile corecte de iluminare. Ca o regula generala lumina laterala împiedica functionarea corecta a panoului.
În cazuri extreme (de exemplu o fereastra apropiata care nu poate fi umbrita) solutia poate fi o bucata opaca de carton încovoiata asa încât sa formeze un scut de forma unui tub în jurul discului.
În timp ce fac aceste teste preliminare, elevii nu trebuie sa se simta descurajati daca conditiile corecte de iluminare nu sunt gasite din prima încercare. Este o logica precisa în a urmari sa le gasiti, si asta face parte din activitatea de pregatire.
Lampile fluorescente radiaza adeseori o lumina care "clipeste" (pâlpâie) la frecventa retelei de curent alternativ. Acest fapt poate cauza semnale logice instabile. Folositi lampi cu incandescenta.
Semnale disponibile la Punctele de Test (Test Point) ale modulului :
TP1 B2 semnalul logic de la senzorul B2.
TP2 B1 " " " " " B1.
TP3 B0 " " " " " B0.
TP4 S " " " " " S.
mufa A A semnalul logic de la senzorul A dupa formatare.
TP5 semnal (A) XOR (B0) .
TP6 semnal CLK = (UPCOUNT) sau (DOWNCOUNT).
Butonul RESET : acesta sterge numaratorul codificatorului absolut dar nu face acelasi lucru pentru numaratorul micropasilor.
4 - EXEMPLE DE REZULTATE ALE EXERCIŢIILOR
Nu exista rezultate numerice de la experimentele prevazute în acest modul.
Munca consta în primul rând în determinarea practica a celor mai bune conditii de functionare pentru sistemul optic si apoi în a studia si întelege principiile procesarii semnalelor si a starilor logice generate de sistemul optic.
5 - ANEXA : LITERATURĂ TEHNICĂ
|